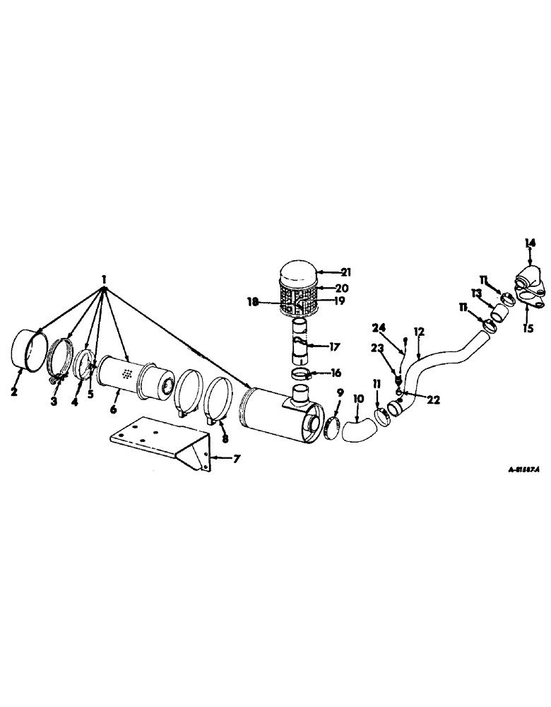
Запчасти Case IH 503 (389) - D-301 ENGINE 3-13/16 X 4.390, AIR CLEANER AND CONNECTIONS, DRY TYPE, COMBINE SERIAL NO. 2431 & ABOVE (10) - ENGINE

Схема запчастей Case IH 503 - (389) - D-301 ENGINE 3-13/16 X 4.390, AIR CLEANER AND CONNECTIONS, DRY TYPE, COMBINE SERIAL NO. 2431 & ABOVE (10) - ENGINE
6
21
5
22
11
19
24
12
7
16
2
3
8
11
4
13
23
11
15
20
17
18
10
1
9
14
FIT
1:1
100%

Артикул

Название

Примечание

Количество

394911R91

PARTS ACCESSORY, dry type air cleaner, Combines serial no. 2480 & below

1шт.

1

388025R92

CLEANER ASSY, dry type air

1шт.

2

389266R91

CUP ASSY

1шт.

3

59860D

CLAMP

ASSY

1шт.

4

389265R1

CUP ASSY.

SKIRT, baffle

1шт.

5

389264R91

BOLT (SPREADER),Wing, 3/8" - 16, W/ Wshr, Gasket

BOLT ASSY

1шт.

6

389263R92

FILTER, ELEMENT

ELEMENT ASSY

1шт.

7

388027R21

BRACKET ASSY, air cleaner

1шт.

NLS

NO LONGER SERVICED

2шт.

103321

LOCK WASHER,3/8"

WASHER, LOCK, 3/8"

2шт.

8

347672R91

BAND

ASSY, air cleaner

2шт.

9635082

NUT,5/16" - 18, Gr 5

5/16-18 hex.

4шт.

179816

BOLT,Hex, 5/16" - 18 x 3/4", Gr 5

4шт.

103320

LOCK WASHER,5/16"

WASHER, LOCK, 5/16"

4шт.

9

397257R1

HOSE CLAMP,#52, 2.81/3.75 Type F Worm, W/liner

CLAMP, air cleaner hose, will work for 122323R91

1шт.

10

388445R2

INTAKE AIR HOSE,2.75" ID, 3.00" ID, SAE 20R4 Class SC R1

Air Cleaner Pipe 2.75" ID, 3.00" ID, SAE 20R4 Class SC R1

1шт.

11

397257R1

HOSE CLAMP,#52, 2.81/3.75 Type F Worm, W/liner

CLAMP, air cleaner hose, will work for 279029R91

3шт.

12

379271R91

PIPE, air cleaner, will work for 379976R1

1шт.

13

275340R2

HOSE, air cleaner pipe

1шт.

14

379977R1

ELBOW, intake manifold

1шт.

17438R1

BOLT,Hex, 7/16" - 14 x 1 1/8", Gr 2

SCREW, 7/16-14 x 1-1/8 hex-hd cap

2шт.

103322

LOCK WASHER,7/16"

WASHER, LOCK, 7/16"

2шт.

15

369497R2

GASKET

intake manifold elbow

1шт.

16

379974R91

CLAMP, pre-screener pipe

1шт.

17

383356R1

PIPE, pre-screener

1шт.

18

353758R1

CLIP

screen lock tension spring

1шт.

19

353639R1

VALVE SPRING

SPRING, screen lock tension

2шт.

20

393364R91

SCREEN

W/CLIP & SPRINGS ASSY, pre-screener

1шт.

21

265515R91

PRECLEANER

PRE-SCREENER W/QUICK REMOVABLE SCREEN

1шт.

22

389908R91

ADAPTER

ASSY, vacuum switch

1шт.

23

389682R92

SWITCH ASSY, electric air cleaner

1шт.

24

377120R92

CABLE ASSY, vacuum, Serial Range: switch-ground

1шт.

Выбрано товаров: 32