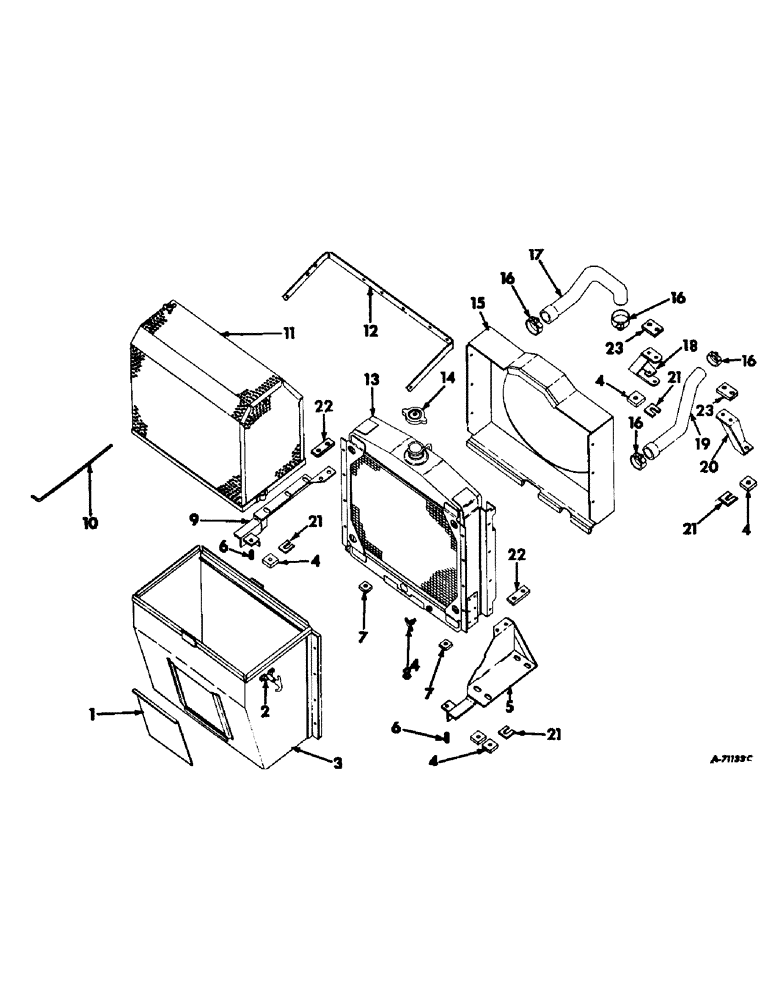
Запчасти Case IH 503 (396) - D-301 ENGINE 3-13/16 X 4.390, AIR CHUTE, RADIATOR AND CONNECTIONS, COMBINE SERIAL NO. 2430 AND BELOW (10) - ENGINE

Схема запчастей Case IH 503 - (396) - D-301 ENGINE 3-13/16 X 4.390, AIR CHUTE, RADIATOR AND CONNECTIONS, COMBINE SERIAL NO. 2430 AND BELOW (10) - ENGINE
9
7
5
1
16
11
17
12
23
7
21
16
8
14
4
22
15
16
2
13
4
4
20
21
6
4
3
22
16
6
21
18
21
19
23
4
10
FIT
1:1
100%

Артикул

Название

Примечание

Количество

1

274733R1

DOOR, air chute

1шт.

2

353443R91

LATCH ASSY.

LATCH ASSY, air screener

1шт.

113356

RIVET,Tr Hd, 3/16" x 3/8"

3/16 X 3/8 OV-HD RIVET

2шт.

3

379964R91

CHUTE ASSY, air

1шт.

179812

GEAR

5/16 X 1/2 CAP SCREW

8шт.

103320

LOCK WASHER,5/16"

WASHER, LOCK, 5/16"

8шт.

4

633222R1

INSULATOR BLOCK

PAD, support, combine Serial no. 950 & below

5шт.

5

379978R11

BRACKET ASSY, front support, LH

1шт.

20552R1

5/8 X 1-3/4 BOLT W/INSERT

1шт.

19508R1

LOCK NUT,5/8"-11, GB

5/8 LOCK NUT

1шт.

570879R1

BOLT,Hex, 5/8" - 11 x 2 1/4", Gr 8

5/8 X 2-1/4 CAP SCREW

1шт.

6

67205D

SPRING

radiator mounting bolt

2шт.

7

312458R1

PAD, radiator mounting

4шт.

8

31729D

VALVE

COCK, radiator drain

1шт.

9

379981R11

BRACKET ASSY, front support, RH

1шт.

20552R1

5/8 X 1-3/4 BOLT W/INSERT

1шт.

19508R1

LOCK NUT,5/8"-11, GB

5/8 LOCK NUT

1шт.

570879R1

BOLT,Hex, 5/8" - 11 x 2 1/4", Gr 8

5/8 X 2-1/4 CAP SCREW

1шт.

10

377772R1

PIN, air screen hinge

1шт.

103374

COTTER PIN,3/32" x 1"

Pin, Split (Cotter), 3/32" x 1"

1шт.

11

377771R91

SCREEN ASSY, air

1шт.

126032

WING NUT,3/8"-16

3/8 WING NUT

1шт.

Q1505

WASHER

13/32 X 1 X 16 GA WASHER

1шт.

12

379936R1

BRACE, radiator

1шт.

179817

BOLT,Hex, 5/16" - 18 x 7/8", Gr 5, Full Thd

2шт.

17985/8

7/16 X 1 CAP SCREW

2шт.

103320

LOCK WASHER,5/16"

WASHER, LOCK, 5/16"

2шт.

103322

LOCK WASHER,7/16"

WASHER, LOCK, 7/16"

2шт.

13

383935R92

RADIATOR ASSY

1шт.

15143R1

BOLT,Sq Nk, 7/16" - 14 x 3"

7/16 X 3 CRG BOLT

2шт.

18526R1

LOCK NUT,7/16"-14, GB

NUT, 7/16 esna elastic stop

2шт.

W6652

WASHER

15/32 X 1 X 16 GA WASHER

2шт.

14

361705R91

COVER

CAP, radiator pressure

1шт.

15

379957R21

SHROUD ASSY, fan

1шт.

179812

GEAR

5/16 X 1/2 CAP SCREW

4шт.

103320

LOCK WASHER,5/16"

WASHER, LOCK, 5/16"

4шт.

16

274088R91

HOSE CLAMP,2.25/3.13 Type F Worm

CLAMP, radiator hose

4шт.

17

37995R1

HOSE, radiator inlet

1шт.

18

629849R91

SUPPORT ASSY, rear, RH

1шт.

231-1408

LOCK NUT,1/2"-13, GB

1/2 ESNA LOCK NUT

2шт.

236484R1

BOLT,Hex, 1/2" - 13 x 2", Gr 8

2шт.

19

379956R1

RADIATOR HOSE,2.00" ID, 2.12" ID x 13.12", SAE 20R4, CLASS R, GRADE 1A

Outlet 2.00" ID, 2.12" ID x 13.12", SAE 20R4, CLASS R, GRADE 1A

1шт.

20

629846R91

SUPPORT ASSY, rear, LH

1шт.

231-1408

LOCK NUT,1/2"-13, GB

1/2 ESNA LOCK NUT

2шт.

236484R1

BOLT,Hex, 1/2" - 13 x 2", Gr 8

2шт.

21

570012R1

SHIM, engine support

4шт.

22

385874R1

PAD

front cover, combine Serial no. 1471 & above

1шт.

23

936521R1

PAD

engine rear, combine Serial no. 1471 & above

1шт.

Выбрано товаров: 0