Запчасти Case IH 615 (13-18) - OPERATORS CAB, EVAPORATOR (05) - SUPERSTRUCTURE

Схема запчастей Case IH 615 - (13-18) - OPERATORS CAB, EVAPORATOR (05) - SUPERSTRUCTURE
12
16
1
15
6
7
17
10
8
9
5
13
14
2
2
17
4
3
11
FIT
1:1
100%

Артикул

Название

Примечание

Количество

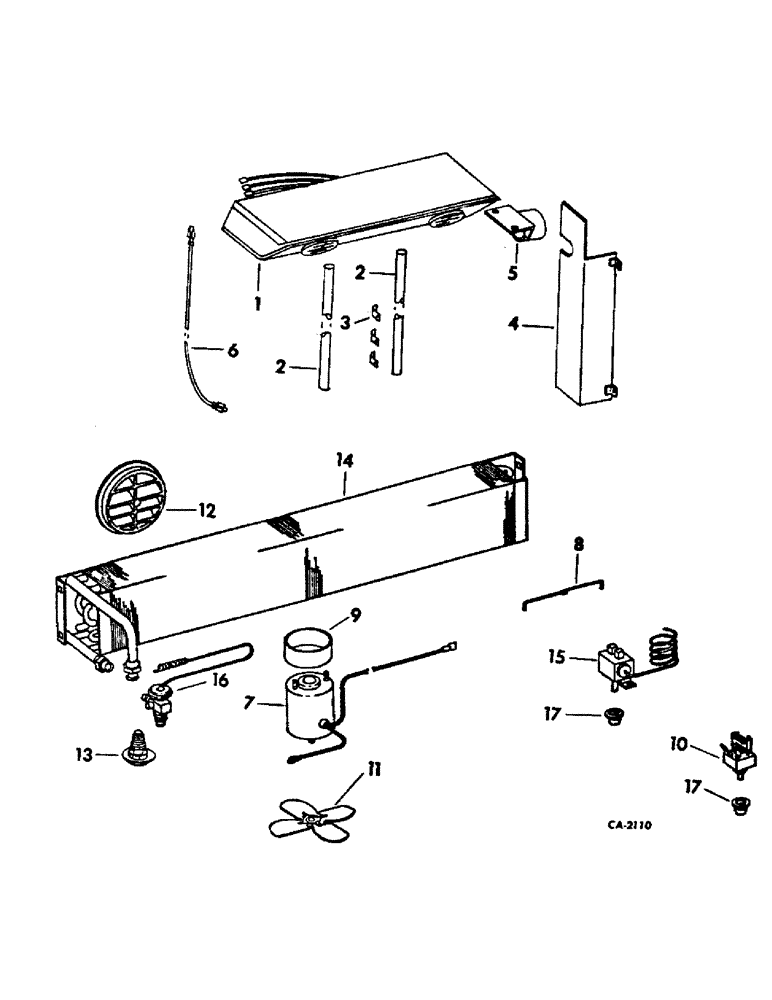
1

180413C91

EVAPORATOR ASSY, includes ref. nos. 7 thru 17

1шт.

18653R1

BOLT,Hex, 1/4" - 20 x 1/2", Gr 2

1/4 x 1/2 znd hex-hd mach

4шт.

18778R1

SCREW,Hex, 3/8"-16 x 3/4", G2

BOLT, 3/8 x 3/4 znd hex-hd mach

4шт.

120377

NUT,3/8" - 16, Gr 5

4шт.

180077

BOLT,Hex, 5/16" - 18 x 3/4", Gr 5

SCREW, 5/16 x 3/4 hex-hd-cap

6шт.

492-11025

LOCK WASHER,1/4"

WASHER, LOCK, 1/4"

4шт.

611352R1

WASHER

5/16 x 7/8 x .156 rubber

1шт.

619855R1

WASHER

11/32 x 3/4 x 16 ga C-Z

6шт.

120382

LOCK WASHER,Helical Spring, 3/8"

WASHER, LOCK, 3/8"

4шт.

2

154696C1

HOSE ASSY.

HOSE, drain

2шт.

3

154697C1

CLAMP, drain hose

3шт.

4

154690C91

COVER ASSY, hose

1шт.

171654

SCREW, no. 6 x 3/8 slt-pan-hd

2шт.

5

159935C91

SUPPORT ASSY, air tube

1шт.

6

159938C91

CABLE ASSY, Serial Range: thermostat-evaporator

1шт.

7

155483C91

MOTOR ASSY, evaporator

1шт.

8

155488C1

WIRE, retaining spring

2шт.

9

155493C1

RING, motor insulator

1шт.

10

155494C91

IGNITION SWITCH

SWITCH, W/RESISTOR,fan

1шт.

11

155708C91

FAN ASSY, evaporator

1шт.

12

155725C1

DEFLECTOR ASSY, evaporator air

2шт.

13

175219C1

PLATE AND ADAPTER ASSY

1шт.

14

175220C1

COIL

1шт.

15

244546C91

SWITCH ASSY, temperature control

1шт.

16

244562R91

VALVE

ASSY, expansion

1шт.

17

244565R1

KNOB, switch

2шт.

Выбрано товаров: 26