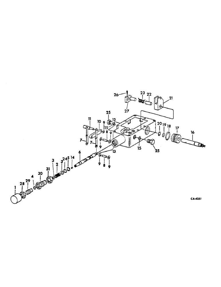
Запчасти Case IH 615 (10-20) - HYDRAULICS, HYDRAULIC TRANSMISSION PUMP, CONTROL VALVE (07) - HYDRAULICS

Схема запчастей Case IH 615 - (10-20) - HYDRAULICS, HYDRAULIC TRANSMISSION PUMP, CONTROL VALVE (07) - HYDRAULICS
19
6
7
31
29
1
7
15
11
8
4
9
8
14
15
17
9
22
9
9
26
20
27
13
10
28
9
12
2
25
30
25
3
4
2
23
3
5
18
21
16
FIT
1:1
100%

Артикул

Название

Примечание

Количество

533855R91

VALVE ASSY, control

1шт.

1

400546R1

COVER

center spring housing

1шт.

2

527554R1

SPRING

centering

1шт.

3

527553R1

SPRING WASHER

centering spring

2шт.

4

364840R1

O-RING,0.07" Thk x 0.801" ID, -19, Cl 5, 75 Duro

13/16 x 15/16 x 1/16

1шт.

5

233045R1

SNAP RING,#25, Ext, Crescent

Ring, Snap, , Spring adjusting screw cap #25, Ext, Crescent

1шт.

6

VALVE SPOOL, not serviced separately order spool and housing kit, 533856R1

1шт.

7

394233R1

LINK, control valve

2шт.

8

394235R1

PIN

valve link pivot

2шт.

9

21346R1

SNAP RING,#25, Ext, E-Type

Ring, Retaining, , valve link pivot pin #25, Ext, E-Type

5шт.

10

406904R1

ELEC CONNECTOR

CONNECTOR, control valve link

1шт.

11

406905R1

PIN

control valve handle shaft link

1шт.

12

VALVE HOUSING, not serviced separately order spool and housing kit, 533856R1

1шт.

13

533856R1

VALVE

KIT, control valve and spool

1шт.

179806

BOLT,Hex, 1/4" - 20 x 2 1/4", Gr 5

SCREW, 1/4-20 x 2-1/4 hex-hd cap

9шт.

385180R1

WASHER

9/32 x 1/2 x .065

9шт.

14

394227R1

SLEEVE

centering spring

1шт.

15

369751R1

O-RING,0.072" Thk x 0.351" ID, -904, Cl 6, 90 Duro

4-1, 90 Duro, .351" ID x .072" Thk, 1/4 OD tube

2шт.

16

394228R1

SHAFT

control valve handle

1шт.

17

404711R1

BUSHING

control shaft

1шт.

18

23178R1

O-RING,0.07" Thk x 1.051" ID, -23, Cl 5, 75 Duro

-023, 70 Duro, 1.051" ID x .070" Thk

1шт.

19

379365R1

O-RING,0.07" Thk x 0.364" ID, -12, Cl 6, 90 Duro

3/8 x 1/12 x 1/16

1шт.

20

235529R1

SNAP RING,#50, Ext, Crescent

Ring, Snap, , handle #50, Ext, Crescent

1шт.

21

406903R1

LINK

handle shaft

1шт.

22

394230R1

SLEEVE

handle shaft return spring

1шт.

23

394231R1

SPRING

handle shaft return

1шт.

24

370920R1

O-RING,1/2" ID

1/2 x 5/8 x 1/16

1шт.

25

9410356

PLUG

7/16-20 str thr o-ring boss

2шт.

26

18518R1

LOCK PIN,1/8" x 1", Slotted

PIN, 1/8 x 7/8 slt spring

1шт.

27

376232R1

ACTUATOR, spring

1шт.

28

219753

BACK-UP RING

3/4-16 hex jam

1шт.

29

394224R1

SCREW,Sl, 3/4" - 16 x 1.56"

centering spring adjusting

1шт.

30

394222R1

HOUSING

centering spring

1шт.

31

394223R1

LOCK NUT

centering spring housing

1шт.

Выбрано товаров: 34