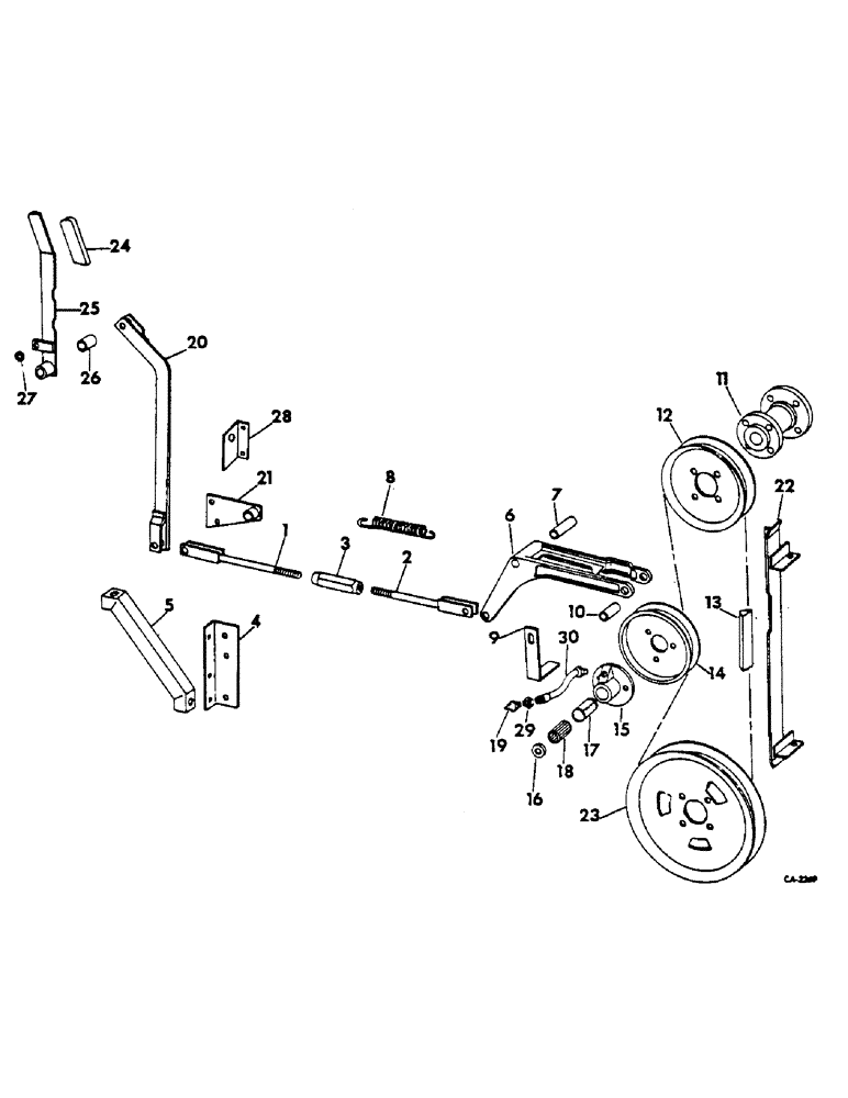
Запчасти Case IH 615 (33-05) - FEEDER, FEEDER DRIVE, BELT TYPE (13) - FEEDER

Схема запчастей Case IH 615 - (33-05) - FEEDER, FEEDER DRIVE, BELT TYPE (13) - FEEDER
19
6
30
21
23
13
2
11
28
4
10
25
16
27
9
5
29
20
7
14
8
3
26
15
12
22
1
17
24
18
FIT
1:1
100%

Артикул

Название

Примечание

Количество

1

627467R91

ROD ASSY, feeder drive upper

1шт.

121222

COTTER PIN,3/32" x 3/4"

PIN, SPLIT (COTTER), 3/32" x 3/4"

1шт.

138084

SPLIT PIN/SAFETY PIN

PIN, 3/8 x 1-3/32 C-Z rod end

1шт.

2

628756R91

ROD ASSY, feeder drive lower

1шт.

120238

JAM NUT,Jam, 1/2"-13, G5

1/2-13 C-Z hex. jam

1шт.

120377

NUT,3/8" - 16, Gr 5

1шт.

120382

LOCK WASHER,Helical Spring, 3/8"

WASHER, LOCK, 3/8"

1шт.

178372R1

WASHER

13/32 x 1-1/4 x 16 ga C-Z

1шт.

6

627476R1

ARM, feeder drive idler

1шт.

18814R1

BOLT,Hex, 1/2" - 13 x 4 1/2", Gr 2

1/2 x 4-1/2 C-Z hex-hd mach

1шт.

120378

NUT,Hex, 1/2" - 13, Gr 5

NUT, 1/2"-13, G5

1шт.

18481R1

COTTER PIN,3/16" x 1"

PIN, SPLIT (COTTER), 3/16" x 1"

1шт.

413-1064

BOLT,Hex, 5/8" - 11 x 4", Gr 5

SCREW, 5/8-11 x 4 C-Z hex-hd cap

1шт.

120384

WASHER,1/2"

LOCK, 1/2"

1шт.

20511R1

WASHER, 5/8 med lock

1шт.

464623R1

WASHER

21/32 x 1-1/2 x 11 ga C-Z

1шт.

21782R1

WASHER

21/32 x 1-1/2 x 16 ga C-Z

1шт.

7

627477R1

SPACER

arm

1шт.

8

55934D

SPRING

arm return

1шт.

9

627478R1

RETAINER, feeder drive belt

1шт.

10

627479R1

BUSHING

feeder drive tightener

1шт.

11

171680C1

HUB, feeder drive pulley

1шт.

18476R1

BOLT,Hex, 1/2"-13 x 2 1/2", G2

1/2 x 2-1/2 ZND hex-hd mach

4шт.

120378

NUT,Hex, 1/2" - 13, Gr 5

NUT, 1/2"-13, G5

4шт.

120384

WASHER,1/2"

LOCK, 1/2"

4шт.

12

150493C11

PULLEY, feeder drive, 11.81 in. OD

1шт.

18495R1

BOLT,Hex, 3/8" - 16 x 1 1/4", Gr 2

3/8 x 1-1/4 ZND hex-hd mach

4шт.

120377

NUT,3/8" - 16, Gr 5

4шт.

120382

LOCK WASHER,Helical Spring, 3/8"

WASHER, LOCK, 3/8"

4шт.

13

937932R1

BELT

V-BELT, Feeder drive

1шт.

14

568941R11

PULLEY

ASSY, feeder drive tightener, 9-1/2 in. OD

1шт.

15

632591R11

HUB

ASSY, tightener pulley, includes ref nos 16, 17 and 18

1шт.

18494R1

BOLT,Hex, 3/8" - 16 x 1", Gr 2

3/8 x 1 ZND hex-hd mach

3шт.

120377

NUT,3/8" - 16, Gr 5

3шт.

120382

LOCK WASHER,Helical Spring, 3/8"

WASHER, LOCK, 3/8"

3шт.

16

M23538

WASHER

1шт.

17

632592R1

BUSHING

BEARING RACE

1шт.

18

566298R91

BEARING ASSY,0.875" ID x 1.376" OD x 2"

tightener pulley hub roller

1шт.

19

109461

LUBE NIPPLE,1/8"-27 x .66 lg

NIPPLE, LUBE, 1/8"-27 x .66 lg

1шт.

20

938819R91

SUPPORT

STRAP ASSY, feeder drive

1шт.

121222

COTTER PIN,3/32" x 3/4"

PIN, SPLIT (COTTER), 3/32" x 3/4"

2шт.

21881R1

CLEVIS PIN

PIN, 3/8 x 1 C-Z rod end

2шт.

21

938826R91

PLATE ASSY, feeder

1шт.

648002

KNIFE

1/8" x 3/4"

1шт.

23225R1

HEADED PIN,3/8" x 2"

PIN, HEADED, 3/8" x 2"

1шт.

22

633516R91

GUIDE ASSY, feeder drive belt

1шт.

18673R1

CARRIAGE BOLT,Short Sq Nk, 5/16" - 18 x 1/2", Gr 2

BOLT, 5/16 x 1/2 ZND sq-nk crg

2шт.

120376

NUT,5/16"-18, G5

2шт.

80681

LOCK WASHER,5/16"

WASHER, LOCK, 5/16"

2шт.

23

179492C1

PULLEY, feeder driven, 15 in. OD

1шт.

24

938885R1

GRIP

feeder drive lever

1шт.

25

175463C92

LEVER ASSY, feeder drive clutch, includes ref no. 26

1шт.

26

938847R91

BEARING, feeder clutch pivot

1шт.

27

173934C1

RETAINER, feeder lever

1шт.

28

627470R1

SUPPORT, clutch pivot RH

1шт.

18685R1

CARRIAGE BOLT,Short Sq Nk, 3/8" - 16 x 1 1/2", Gr 2

BOLt, 3/8 x 1-1/2 C-Z sq-nk crg

2шт.

120377

NUT,3/8" - 16, Gr 5

2шт.

120382

LOCK WASHER,Helical Spring, 3/8"

WASHER, LOCK, 3/8"

2шт.

29

581873R1

TUBE NUT,4.8 mm Length

1/8-27 hose

1шт.

30

171970C1

HOSE, LH cyl beater brg lub

1шт.

Выбрано товаров: 60