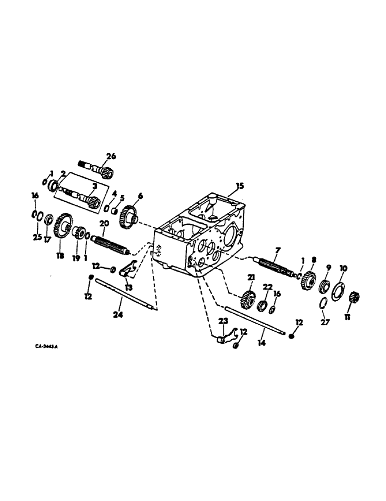
Запчасти Case IH 615 (07-04) - DRIVE TRAIN, TRANSMISSION, TRANSMISSION MAIN SHAFT, INPUT DRIVE SHAFT, INPUT PINION SHAFT, SHIFTER R Drive Train

Схема запчастей Case IH 615 - (07-04) - DRIVE TRAIN, TRANSMISSION, TRANSMISSION MAIN SHAFT, INPUT DRIVE SHAFT, INPUT PINION SHAFT, SHIFTER R Drive Train
25
11
18
1
20
17
12
3
12
26
1
24
16
13
14
5
27
21
1
2
15
12
23
12
9
4
16
19
8
6
7
22
10
FIT
1:1
100%

Артикул

Название

Примечание

Количество

1

359141R1

RING, SNAP

RING, input shaft snap

3шт.

2

ST248A

BALL BEARING,35 mm ID x 72 mm OD x 17 mm

BEARING, input pinion shaft inner, belt drive

1шт.

2

671028R91

BEARING ASSY,38.1mm ID x 72.02mm OD x 20.64mm W

ASSY, input pinion shaft inner, hydrostatic drive

1шт.

3

574933R1

SHAFT, input pinion, 18 teeth, belt drive

1шт.

3

533734R1

SHAFT, input pinion, 18 teeth, hydrostatic drive, serial no. 3290 and below

1шт.

4

(Not used in this application)

1шт.

5

574940R91

NEEDLE BEARING,Needle, 25.39mm ID x 33.35mm OD x 25.4mm W

BEARING ASSY, input pinion shaft

1шт.

6

574932R1

GEAR

first and third sliding, 44 teeth and 18 teeth

1шт.

7

382945R1

SHAFT

input drive

1шт.

382901R1

LOCK WASHER,26.16mm ID x 47.8mm OD x 3.18mm Thk

input drive shaft

1шт.

382900R1

LOCK WASHER

input drive shaft lock

1шт.

382879R1

NUT

input drive shaft

1шт.

8

574927R2

GEAR

second speed driven, 28 teeth

1шт.

9

379441R91

ROLLER BEARING,1.378" ID x 2.689" OD x 0.6693"

ASSY, input drive shaft

1шт.

10

379442R1

RETAINER

input shaft RH brg

1шт.

214168R1

CAPSCREW,5/16" x 7/8", Gr 5

SCREW W/NYLON PELLET, 5/16-18 x 7/8 hex-hd cap

3шт.

11

530108R1

GEAR WHEEL

GEAR, change drive pinion, 27 teeth, belt drive

1шт.

11

405437R1

GEAR

change drive pinion, 30 teeth, hydrostatic drive

1шт.

12

111710R91

SEAL

OIL SEAL, shifter rail

4шт.

13

574905R1

FORK

first and third gear shifter

1шт.

114494

NUT,Jam, 3/8"-24, G5

1шт.

573985R1

SET SCREW,Sq Hd, 3/8"-24 x 1"

SCREW, shifter fork set

1шт.

14

574903R1

RAIL

first and third gear shifter

1шт.

15

CASE, transmission, refer to transmission case this group

1шт.

16

(Not used in this application)

1шт.

17

ST212

BALL BEARING,30mm ID x 62mm OD x 16mm W

BEARING, transmission main shaft

1шт.

18

574929R2

GEAR

transmission input, 46T

1шт.

19

574930R1

SHAFT

PINION, first speed drive, 20T

1шт.

20

395908R11

SHAFT

W/COUPLING, 374639R1, transmission main

1шт.

374639R1

COUPLING

transmission main shaft

1шт.

21

574931R1

GEAR

second and reverse speed drive, 28 teeth

1шт.

22

ST212

BALL BEARING,30mm ID x 62mm OD x 16mm W

BEARING ASSY, transmission main shaft

1шт.

23

574904R1

FORK

reverse and second gear shifter

1шт.

114494

NUT,Jam, 3/8"-24, G5

1шт.

573985R1

SET SCREW,Sq Hd, 3/8"-24 x 1"

SCREW, shifter fork set

1шт.

24

574902R1

RAIL

reverse and second shifter

1шт.

25

379433R1

RING

transmission case sealing square

1шт.

26

574933R1

SHAFT, input pinion, 18 teeth, belt drive

1шт.

26

57147C1

SHAFT

input pinion, 18 teeth, hydrostatic drive, serial no. 3291 and above

1шт.

27

ST418

RING

input shaft bearing snap

1шт.

Выбрано товаров: 40