Запчасти Case IH 615 (07-10) - DRIVE TRAIN, CLUTCH AND CLUTCH HOUSING Drive Train

Схема запчастей Case IH 615 - (07-10) - DRIVE TRAIN, CLUTCH AND CLUTCH HOUSING Drive Train
25
20
30
29
5
23
17
10
26
13
3
6
24
8
12
21
32
15
35
34
7
22
11
9
16
14
2
33
27
1
4
18
19
28
31
FIT
1:1
100%

Артикул

Название

Примечание

Количество

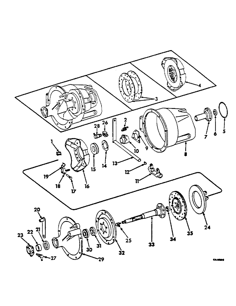
1

68289H

SPRING, clutch

9шт.

2

860239R1

SPRING

clutch release bearing carrier

2шт.

3

380638R91

KIT

W/FACING, clutch, consists of, (2) facing 380639R1 (NSS), (22) rivet 19948R1

1шт.

4

379483R91

PLATE ASSY.

PLATE ASSY, clutch pressure 10 in., composed of, (1) plate, back 102317HA, (1) plate, pressure 69289H, (3) pin, lever 29774HB, (3) pin 107762, (1) lever, package 43919 hex

1шт.

181340

BOLT,Hex, 5/16" - 24 x 1 1/8", Gr 5

SCREW, 5/16-24 x 1-1/8 hex-hd cap

6шт.

425-115

NUT,5/16"-24, G5

5/16-24 hex.

6шт.

5

379447R1

RING

clutch shaft bearing cap sq-type, seal, serial no. 3569 & below

1шт.

5

24807R1

O-RING,Rect, 4.25" ID x 4.5" OD, Cl 5

Clutch shaft bearing cap, S/N 3570 & above Rect, 4.25" ID x 4.5" OD, Cl 5

1шт.

6

938294R91

OIL SEAL,32.89mm ID x 54.08mm OD x 8mm Thk

OIL SEAL, input shaft LH bearing

1шт.

7

573996R2

CAP, clutch shaft bearing

1шт.

379446R1

SCREW,Hex, 3/8" - 16 x 1 3/8", W/ Nylon Pellet

W/ NYLON PELLET, 3/8-16 x 1-3/8 hex-hd cap

3шт.

8

574946R1

HOUSING, clutch

1шт.

376107R1

BOLT,Hex, 7/16" - 14 x 1 1/4", W/ Nylon Pellet

SCREW W/NYLON PELLET, 7/16-14 x 1-1/4 hex-hd cap

7шт.

9

379456R1

NO LONGER SERVICED

ANCHOR, clutch release bearing carrier inner

1шт.

10

584361R2

SLEEVE CYLINDER

CARRIER, clutch release bearing

1шт.

11

584392R1

NO LONGER SERVICED

YOKE, clutch release

1шт.

560171R1

SCREW, clutch release shaft set wire, 11 in. long, order from bulk stock

1шт.

12

126-119

WOODRUFF KEY,#11, 3/16" x 7/8", HT

KEY, 3/16 x 7/8 woodruff no. 11

1шт.

13

574906R91

SHAFT W/ARM, clutch release

1шт.

14

379463R1

ANCHOR

clutch release bearing carrier outer

1шт.

15

362028R92

BALL BEARING,52.39mm ID x 90.86mm OD x 20.5mm W

clutch release

1шт.

16

102317HA

LARGE PLATE

PLATE, back

1шт.

17

29774HB

PIN

lever

3шт.

107762

WASHER,3/32" x 5/8"

PIN, SPLIT, (COTTER), 3/32" x 5/8"

3шт.

18

43919HEX

LEVER

PACKAGE, clutch lever, consists of, (3) lever 91942R1, (6) roller 86025H, (3) screw 65819H, (3) nut 103026, (3) cap 52406R1, (3) block 65820H, (3) spring 91941R1, (3) pin 80950H

1шт.

19

(Not serviced seperately)

1шт.

20

628483R91

SUPPORT W/SPACER, axle LH rear

1шт.

18449R1

BOLT,Short NK, 5/8"-11 x 3", G2

5/8 x 3 znd sq-nk crg

1шт.

18840R1

BOLT

3/4 x 2-3/4 znd hex-hd mach

1шт.

280374

NUT,Hex, 5/8" - 11, Gr 5

5/8-11 znd hex.

1шт.

280954

NUT,3/4"-10, G5

1шт.

492-11062

BEARING WASHER,5/8"

WASHER, LOCK, 5/8"

1шт.

87340

LOCK WASHER,Helical Spring, 0.759" ID, CST, ZND

WASHER, LOCK, 3/4"

1шт.

21

380378R91

OIL RESERVOIR

OIL SEAL, clutch housing cover

1шт.

22

632244R1

SPACER

propulsion sheave hub

1шт.

23

379937R1

CAP

clutch housing cover bearing

1шт.

NLS

NO LONGER SERVICED

3шт.

24

102318HA

PLATE, pressure

1шт.

25

332040

LUBE NIPPLE,90 Degree, 1/8" NPT x .84" lg

FITTING, 1/8-27 90 deg angle lub

1шт.

26

586983R1

ELBOW, lub fitting adapter

1шт.

27

332040

LUBE NIPPLE,90 Degree, 1/8" NPT x .84" lg

FITTING, 1/8-27 90 deg angle lub, replaces 19583R91

1шт.

28

219-31

LUBE NIPPLE,30 Degree Elbow, 1/8" - 27 NPTF

FITTING, 1/8-27 30 deg angle lub

1шт.

29

379450R1

COVER, clutch housing

1шт.

103026

NUT,3/8"-24, G5

9шт.

560172R1

BOLT,Hex, 3/8" - 24 x 1 1/2", Gr 8

SCREW, 3/8-24 x 1-1/2 hex-hd

9шт.

30

ST341

BALL BEARING,35 mm ID x 72 mm OD x 17 mm

BEARING, input shaft outer

1шт.

31

554553R91

BALL BEARING,45mm ID x 75mm OD x 16mm W

input shaft inner

1шт.

32

379449R1

PLATE

clutch mounting

1шт.

102637

NUT,1/2"-13, G5

6шт.

413-828

BOLT,Hex, 1/2" - 13 x 1-3/4", Gr 5

6шт.

33

379448R1

SHAFT

transmission input

1шт.

23261R1

LOCK NUT,1"-14, GC

NUT, 1-14 elastic stop

1шт.

21162R1

WASHER

1-1/32 x 2 x .164 znd

1шт.

34

ST553

BEARING, BALL,20mm ID x 47mm OD x 14mm W

BEARING, clutch pilot

1шт.

35

379484R91

DISC

DISK ASSY, clutch drive 10 in.

1шт.

Выбрано товаров: 55