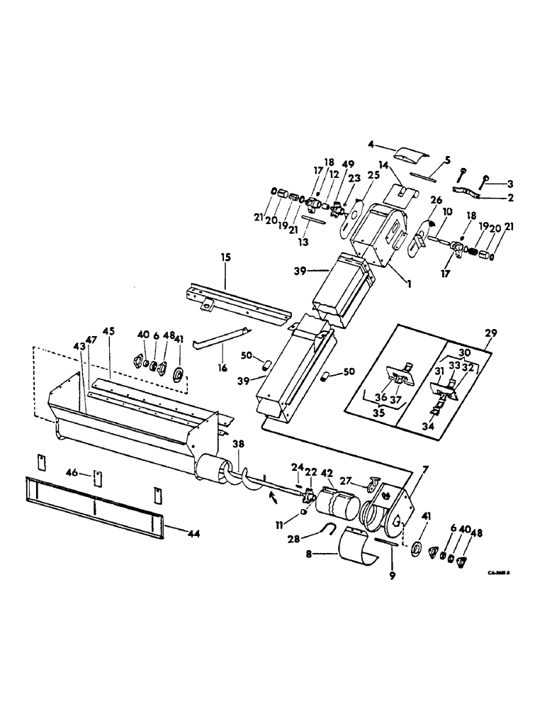
Запчасти Case IH 615 (25-08) - ELEVATORS, TAILINGS ELEVATOR AND TROUGH Elevators

Схема запчастей Case IH 615 - (25-08) - ELEVATORS, TAILINGS ELEVATOR AND TROUGH Elevators
43
39
26
31
10
30
19
14
13
44
49
18
40
39
4
40
9
16
1
48
21
25
2
34
24
17
17
42
50
48
28
33
11
46
6
15
50
5
20
38
18
27
37
36
22
45
8
19
21
12
29
35
32
7
41
20
41
6
21
47
3
23
FIT
1:1
100%

Артикул

Название

Примечание

Количество

1

627325R92

HEAD ASSY, tailings elevator

1шт.

18626R1

CARRIAGE BOLT,Short Sq Nk, 1/4" - 20 x 1/2", Gr 2

BOLT, 1/4 x 1/2 znd sq-nk crg

2шт.

12653R1

BOLT (SPREADER),Short NK, 1/4"-20 x 3/4", G2

BOLT, CARRIAGE, Short NK, 1/4"-20 x 3/4", G2

2шт.

120375

NUT,Hex, 1/4" - 20, Gr 5

4шт.

120377

NUT,3/8" - 16, Gr 5

1шт.

492-11025

LOCK WASHER,1/4"

WASHER, LOCK, 1/4"

4шт.

120382

LOCK WASHER,Helical Spring, 3/8"

WASHER, LOCK, 3/8"

1шт.

614452R1

WASHER

13/32 x 1-1/4 x 11 ga C-Z

1шт.

2

936546R1

STRAP, conveyor chain tightener bolt

1шт.

3

611421R1

BOLT,Hex, 7/16" - 14 x 3 1/2", Full Thd

conveyor chain tightener

2шт.

4

171652C1

DOOR, tailings elevator head

1шт.

18628R1

BOLT,Short NK, 1/4"-20 x 1 1/4", G2

1/4 x 1-1/4 znd sq-nk crg

1шт.

935735R1

WING NUT

1/4 wing

1шт.

492-11025

LOCK WASHER,1/4"

WASHER, LOCK, 1/4"

1шт.

21870R1

WASHER

17/64 x 3/4 x 16 ga C-Z

1шт.

5

564458R1

PIN, tailings elevator head door hinge

1шт.

6

564991R91

BEARING

tailings auger ball

2шт.

7

157144C91

BOOT ASSY, tailings elevator

1шт.

8

156236C1

DOOR, elevator boot, not edible bean

1шт.

8

157169C1

DOOR, elevator boot, edible bean and perforated

1шт.

9

564457R1

PIN, elevator boot door hinge

1шт.

10

628112R2

SHAFT

tailings elevator head

1шт.

25073R1

WASHER

29/32 x 1-3/4 x 22 ga C-Z

2шт.

20703R1

WASHER

29/32 x 1-3/4 x 16 ga C-Z

16шт.

11

571190R1

SPACER, tailings auger shaft

1шт.

12

553855R1

SPACER

elevator head shaft

1шт.

13

564451R1

SPACER, elevator head

1шт.

14

564459R2

SHIELD

elevator headshaft

1шт.

15

171471C1

SUPPORT ASSY, tlgs elev & fan control

1шт.

18508R1

CARRIAGE BOLT,Short Nk, 3/8" - 16 x 3/4", Gr 2, Full Thd

BOLT, 3/8 x 3/4 znd sq-nk crg

1шт.

17351R1

CARRIAGE BOLT,Short Sq Nk, 3/8" - 16 x 1", Gr 2

BOLT, 3/8 x 1 sq-nk crg

3шт.

17452R1

BOLT,Hex, 1/2"-13 x 1 1/4", G2

1/2 x 1-1/4 znd hex-hd mach

1шт.

120377

NUT,3/8" - 16, Gr 5

4шт.

120378

NUT,Hex, 1/2" - 13, Gr 5

NUT, 1/2"-13, G5

1шт.

120382

LOCK WASHER,Helical Spring, 3/8"

WASHER, LOCK, 3/8"

4шт.

120384

WASHER,1/2"

LOCK, 1/2"

1шт.

16

628995R1

BRACE, tailings elevator support front

1шт.

18494R1

BOLT,Hex, 3/8" - 16 x 1", Gr 2

3/8 x 1 znd hex-hd mach

1шт.

120377

NUT,3/8" - 16, Gr 5

1шт.

120382

LOCK WASHER,Helical Spring, 3/8"

WASHER, LOCK, 3/8"

1шт.

17

631704R1

HOUSING

BOX, elevator head shaft brg

2шт.

88574

BOLT,Hex, 5/16" - 18 x 1/2", Gr 5, Full Thd

4шт.

80681

LOCK WASHER,5/16"

WASHER, LOCK, 5/16"

4шт.

18

219-86

LUBE NIPPLE,1/8" NPTF

FITTING, 1/8-27 PTF str lub

2шт.

19

562708R91

BEARING ASSY,0.875" ID x 1.378" OD x 1.75"

roller elev head shaft

2шт.

20

631735R1

SLEEVE CYLINDER

RACE, elevator head shaft brg

2шт.

21

631734R91

OIL SEAL

elevator head brg box oil

4шт.

22

1811K

SPROCKET ASSY.

SPROCKET, auger shaft 6-T

1шт.

23

124553

WOODRUFF KEY,#15, 1/4" x 1", HT

1шт.

24

Q10

KEY,1/4" Sq x 1 3/8"

1/4 x 1/4 x 1-3/8 square

1шт.

25

631699R91

SUPPORT

BRACKET ASSY, conveyor tightener LH

1шт.

15330R1

BOLT, 5/16 x 6-1/4 sq-nk crg

1шт.

120376

NUT,5/16"-18, G5

1шт.

80681

LOCK WASHER,5/16"

WASHER, LOCK, 5/16"

1шт.

134238R1

WASHER

11/32 x 1 x 16 ga C-Z

1шт.

26

631700R91

SUPPORT

BRACKET ASSY, conveyor tightener RH

1шт.

27

155909C1

LATCH

elevator boot door

1шт.

648002

KNIFE

1/8" x 3/4"

1шт.

21879R1

HEADED PIN,1/4" x 1 1/4"

PIN, 1/4 x 1-1/4 C-Z std-hd

1шт.

28

664360R1

BOLT,U, 1/4" - 20 x 69.65"

elevator boot door U

1шт.

86625061

NUT,1/4"-20, GB

NUT, 1/4 hex. w/nylon inset

2шт.

29

628599R91

CHAIN (AG)

CHAIN ASSY, tailings elevator conveyor, not edible bean, includes ref. nos. 30 & 34

1шт.

29

152214C91

CHAIN ASSY, tailing elevator conveyor, edible bean, includes ref. nos. 30 thru 35

1шт.

30

568228R91

CONVEYOR

FLIGHT ASSY, tailing elevator

1шт.

31

564154R1

FLIGHT

1шт.

21360K

RIVET

5/16 x 1/2 ov-hd tubular

1шт.

32

55SE

LINK

steel chain attachment

1шт.

33

NLS

NO LONGER SERVICED

LINK, steel chain plain

1шт.

34

NLS

NO LONGER SERVICED

LINK, steel chain coupler

1шт.

35

557008R91

CONVEYOR

FLIGHT W/ATTACHING LINK & PLAIN LINK, steel

1шт.

104096

RIVET,But Hd, 5/16" x 5/8"

5/16 x 5/8 small b-hd

1шт.

36

557007R1

STEEL FLIGHT

FLIGHT, steel

1шт.

37

55SE

LINK

steel chain attaching

1шт.

38

153041C91

AUGER ASSY, tailings

1шт.

20703R1

WASHER

29/32 x 1-3/4 x 16 ga C-Z

2шт.

21220R1

WASHER

29/32 x 1-1/4 x 11 ga C-Z

2шт.

39

171653C1

HOUSING ASSY, tailings elevator

1шт.

18673R1

CARRIAGE BOLT,Short Sq Nk, 5/16" - 18 x 1/2", Gr 2

BOLT, 5/16 x 1/2 sq-nk crg

12шт.

938017R1

FLANGE NUT,Flg, USR, 5/16"-18

5/16 hex.

12шт.

120378

NUT,Hex, 1/2" - 13, Gr 5

NUT, 1/2"-13, G5

2шт.

180193

BOLT,Hex, 1/2" - 13 x 3 3/4", Gr 5

SCREW, 1/2 x 3-3/4 hex-hd cap

2шт.

134238R1

WASHER

11/32 x 1 x 16 ga C-Z

12шт.

120384

WASHER,1/2"

LOCK, 1/2"

2шт.

20601R1

WASHER

17/32 x 1-1/4 x 11 ga C-Z

4шт.

178374R1

WASHER

17/32 x 1-1/4 x 16 ga C-Z

4шт.

40

658006R11

COLLAR

ASSY, lkg w/set screw

2шт.

127782

SET SCREW,Hex Skt, 1/4"-20 x 1/4", Cup Pt

2шт.

41

589281R1

BRACKET

SHIELD, tailings auger brg

2шт.

42

627390R91

CLAMP

EXTENSION ASSY, tailings auger trough, not edible bean

1шт.

42

628648R91

CLAMP

EXTENSION ASSY, tailings auger trough, edible bean and perforated

1шт.

174602C1

BOLT, special mach

4шт.

120375

NUT,Hex, 1/4" - 20, Gr 5

4шт.

21097R1

SCREW, 1/4 x 1-1/4 slt-pan-hd

1шт.

492-11025

LOCK WASHER,1/4"

WASHER, LOCK, 1/4"

4шт.

43

154264C91

TROUGH ASSY, tailings auger

1шт.

16897R1

CARRIAGE BOLT,Short Nk, 5/16" - 18 x 3/4", Gr 2, Full Thd

BOLT, 5/16 x 3/4 sq-nk crg

3шт.

17351R1

CARRIAGE BOLT,Short Sq Nk, 3/8" - 16 x 1", Gr 2

BOLT, 3/8 x 1 sq-nk crg

8шт.

120375

NUT,Hex, 1/4" - 20, Gr 5

7шт.

120376

NUT,5/16"-18, G5

3шт.

120377

NUT,3/8" - 16, Gr 5

8шт.

160541

SCREW,Cross Pan Hd, 1/4" - 20 x 3/4"

1/4 x 3/4 C-Z slt-pan-hd mach

7шт.

492-11025

LOCK WASHER,1/4"

WASHER, LOCK, 1/4"

7шт.

80681

LOCK WASHER,5/16"

WASHER, LOCK, 5/16"

3шт.

120382

LOCK WASHER,Helical Spring, 3/8"

WASHER, LOCK, 3/8"

8шт.

44

154266C1

DOOR, tailings auger trough

1шт.

12653R1

BOLT (SPREADER),Short NK, 1/4"-20 x 3/4", G2

BOLT, CARRIAGE, Short NK, 1/4"-20 x 3/4", G2

3шт.

935735R1

WING NUT

1/4 wing

3шт.

615009R1

WASHER

17/64 x 3/4 x 16 ga

3шт.

45

628431R1

SEAL, tailings auger trough

1шт.

46

154263C1

SEAL

tailings auger trough door

3шт.

18626R1

CARRIAGE BOLT,Short Sq Nk, 1/4" - 20 x 1/2", Gr 2

BOLT, 1/4 x 1/2 C-Z sq-nk crg

3шт.

120375

NUT,Hex, 1/4" - 20, Gr 5

3шт.

21870R1

WASHER

17/64 x 3/4 x 16 ga C-Z

3шт.

47

628428R1

STRIP, tlgs auger trough seal

1шт.

48

571424R1

FLANGE

tailings auger brg

4шт.

12872R1

BOLT,Short NK, 5/16"-18 x 1", G2, Full Thd

CARRIAGE, Short NK, 5/16"-18 x 1", G2, Full Thd

6шт.

120376

NUT,5/16"-18, G5

12шт.

80681

LOCK WASHER,5/16"

WASHER, LOCK, 5/16"

6шт.

49

168696C1

SPROCKET ASSY.

SPROCKET, elevator headshaft 7-T

1шт.

50

661116R1

SPACER, 1/2 x 2-3/8 std pipe

2шт.

Выбрано товаров: 120