Запчасти Case IH 615 (20-02) - SEPARATOR, SEPARATOR AND RELATED PARTS Separation

Схема запчастей Case IH 615 - (20-02) - SEPARATOR, SEPARATOR AND RELATED PARTS Separation
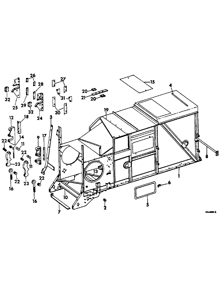
12
3
10
30
22
4
14
24
1
27
9
23
31
8
22
16
2
19
23
13
15
17
22
28
32
11
11
6
7
20
22
16
20
32
25
29
26
21
18
5
FIT
1:1
100%

Артикул

Название

Примечание

Количество

1

171616C91

BODY ASSY, separator, includes ref. no. 2, belt drive not straw chopper

1шт.

1

171619C91

BODY

ASSY, separator, includes ref. no. 2, hydrostatic drive not straw chopper, serial number 12000 and below

1шт.

1

171617C91

BODY ASSY, separator, includes ref. no. 2, belt drive for straw chopper

1шт.

1

171618C91

BODY ASSY, separator, includes ref no. 2, hydrostatic drive for straw chopper, serial number 12000 and below

1шт.

12653R1

BOLT (SPREADER),Short NK, 1/4"-20 x 3/4", G2

BOLT, CARRIAGE, Short NK, 1/4"-20 x 3/4", G2

1шт.

18654R1

BOLT,Hex, 1/4" - 20 x 3/4", Gr 2

1/4 x 3/4 hex-hd

2шт.

16897R1

CARRIAGE BOLT,Short Nk, 5/16" - 18 x 3/4", Gr 2, Full Thd

BOLT, 5/16 x 3/4 sq-nk crg

10шт.

16888R1

HARDWARE,Short NK, 5/16"-18 x 1 1/4", G2

BOLT, 5/16 x 1-1/4 x sq-nk crg

2шт.

19532R1

BOLT,Hex, 3/8" - 16 x 1/2", Gr 2

3/8 x 1/2 hex-hd

3шт.

18508R1

CARRIAGE BOLT,Short Nk, 3/8" - 16 x 3/4", Gr 2, Full Thd

BOLT, 3/8 x 3/4 znd sq-nk crg

1шт.

17351R1

CARRIAGE BOLT,Short Sq Nk, 3/8" - 16 x 1", Gr 2

BOLT, 3/8 x 1 znd sq-nk crg

1шт.

18495R1

BOLT,Hex, 3/8" - 16 x 1 1/4", Gr 2

3/8 x 1-1/4 hex-hd

1шт.

18779R1

BOLT,Hex, 3/8"-16 x 1 1/2", Gr 2

3/8 x 1-1/2 hex-hd

4шт.

19268R1

SCREW,Hex, 3/8" - 16 x 4 3/4", Gr 2

BOLT, 3/8 x 4-3/4 hex-hd

1шт.

18421R1

CARRIAGE BOLT,Short Sq Nk, 7/16" - 14 x 1", Gr 2

BOLT, CARRIAGE, Short NK, 7/16"-14 x 1", G5, Full Thd

4шт.

17433R1

HARDWARE,Hex, 1/2" - 13 x 1", Gr 2

BOLT, 1/2 x 1 hex-hd

1шт.

17140R1

CARRIAGE BOLT,Short Nk, 1/2" - 13 x 1 1/4", Gr 2, Full Thd

BOLT, 1/2 x 1-1/4 sq-nk crg

2шт.

12686R1

CARRIAGE BOLT,Sq Nk, 1/2" - 13 x 1/2", Gr 2, Full Thd

BOLT, CARRIAGE, Short NK, 1/2"-13 x 1 1/2", G2, Full Thd

6шт.

17281R1

BOLT, 1/2 x 1-1/2 weld

4шт.

18496R1

BOLT,Hex, 1/2"-13 x 1 1/2", G2

1/2 x 1-1/2 hex-hd

1шт.

18837R1

BOLT,Hex, 3/4" - 10 x 1 3/4", Gr 2

3/4 x 1-3/4 hex-hd

1шт.

120375

NUT,Hex, 1/4" - 20, Gr 5

7шт.

120376

NUT,5/16"-18, G5

32шт.

938017R1

FLANGE NUT,Flg, USR, 5/16"-18

5/16 whiz lock

3шт.

120377

NUT,3/8" - 16, Gr 5

1шт.

NLS

NO LONGER SERVICED

NUT, 7/16 hex.

3шт.

21330R1

NUT,1/2"-13, G8

1/2 hex.

2шт.

120378

NUT,Hex, 1/2" - 13, Gr 5

NUT, 1/2"-13, G5

21шт.

21434R1

NUT,5/8"-11, G8

5/8 hex.

1шт.

280374

NUT,Hex, 5/8" - 11, Gr 5

5/8 znd hex

1шт.

9413999

LOCK NUT,5/8"-11, GC

NUT, 5/8 torque hex. lock

2шт.

280954

NUT,3/4"-10, G5

2шт.

470-1256

SCREW,Slotted Pan Hd, 1/4"-20 x 3/8"

1/4 x 3/8 slt-pan-hd

5шт.

114633

SCREW, 5/16 x 3/4 slt-fl-hd mach

1шт.

135270

SERRATED SCREW,5/16" - 18 x 3/4"

5/16 x 3/4 slt-truss-hd

1шт.

172463

SELF-TAP SCREW,Hex Hd, 5/16" x 1"

SCREW, 5/16 x 1 hex-hd tap

7шт.

20543R1

BOLT,Hex, 5/8" - 18 x 6", Gr 8

SCREW, 1/2 x 1-3/4 hex-hd

2шт.

161068R1

BOLT,Spcl, Hex, 5/8" - 11 x 1 1/2"

1шт.

NLS

NO LONGER SERVICED

SCREW, 5/8 x 1-1/2 hex-hd

1шт.

432695R1

BOLT,Hex, 5/8" - 11 x 1 3/4", Gr 8

SCREW, 5/8 x 1-3/4 hex-hd

2шт.

492-11025

LOCK WASHER,1/4"

WASHER, LOCK, 1/4"

7шт.

80681

LOCK WASHER,5/16"

WASHER, LOCK, 5/16"

39шт.

619855R1

WASHER

11/32 x 3/4 x 16 ga

10шт.

120382

LOCK WASHER,Helical Spring, 3/8"

WASHER, LOCK, 3/8"

11шт.

469668R1

WASHER

13/32 x 3/4 x 16 ga

4шт.

120383

LOCK WASHER,Helical Spring, 7/16"

WASHER, LOCK, 7/16"

4шт.

120384

WASHER,1/2"

LOCK, 1/2"

16шт.

366864C1

LOCK WASHER,1/2"

1/2"

2шт.

607895R1

WASHER

17/32 x 1 x 11 ga

4шт.

21883R1

WASHER

17/32 x 1-3/4 x 11 ga C-Z

1шт.

492-11062

BEARING WASHER,5/8"

WASHER, LOCK, 5/8"

1шт.

131165

LOCK WASHER,5/8"

WASHER, LOCK, 5/8"

1шт.

366866C1

LOCK WASHER,5/8"

5/8"

1шт.

589068R1

WASHER

21/32 x 1-1/4 x 11 ga C-Z

1шт.

608701R1

WASHER

21/32 x 1-1/4 x 16 ga

4шт.

464623R1

WASHER

21/32 x 1-1/2 x 11 ga

2шт.

138561

LOCK WASHER,Int Tooth, 3/4"

WASHER, 3/4 med lock

2шт.

2

157560C1

BUSHING

cyl concave control shaft hub

1шт.

3

171640C1

BRACE ASSY, Serial Range: separator-axle

1шт.

17433R1

HARDWARE,Hex, 1/2" - 13 x 1", Gr 2

BOLT, 1/2 x 1 C-Z hex-hd mach

2шт.

17452R1

BOLT,Hex, 1/2"-13 x 1 1/4", G2

1/2 x 1-1/4 hex-hd

3шт.

120378

NUT,Hex, 1/2" - 13, Gr 5

NUT, 1/2"-13, G5

5шт.

181416R1

SCREW, w/nylon pellet insert hex-hd cap

2шт.

120384

WASHER,1/2"

LOCK, 1/2"

5шт.

138549

LOCK WASHER,Int Tooth, 1/2"

WASHER, LOCK, Int Tooth, 1/2"

1шт.

178373R1

WASHER

17/32 x 1 x 16 ga C-Z

2шт.

492-11062

BEARING WASHER,5/8"

WASHER, LOCK, 5/8"

2шт.

138557

WASHER,Int Tooth, 5/8"

5/8 C-Z int-tooth lock

2шт.

4

167409C1

TAPE, separator top

5шт.

5

568807R1

DOOR, straw rack inspection

2шт.

6

565449R1

CLIP

straw rack inspection door

16шт.

16897R1

CARRIAGE BOLT,Short Nk, 5/16" - 18 x 3/4", Gr 2, Full Thd

BOLT, 5/16 x 3/4 C-Z sq-nk crg

16шт.

120376

NUT,5/16"-18, G5

1шт.

935736R1

NUT, WING

NUT, 5/16 wing

15шт.

80681

LOCK WASHER,5/16"

WASHER, LOCK, 5/16"

16шт.

7

589564R1

STIFFENER, transmission shift bracket lower

1шт.

120377

NUT,3/8" - 16, Gr 5

1шт.

477-73816

SERRATED SCREW,Sl Truss Hd, 3/8" x 1"

3/8 x 1 slt-truss-hd

1шт.

120382

LOCK WASHER,Helical Spring, 3/8"

WASHER, LOCK, 3/8"

1шт.

8

631200R91

TIE ASSY, separator rear cross

1шт.

18764R1

HARDWARE,Hex, 5/16"-18 x 3/4", G2

BOLT, 5/16 x 3/4 znd hex-hd mach

2шт.

120376

NUT,5/16"-18, G5

2шт.

80681

LOCK WASHER,5/16"

WASHER, LOCK, 5/16"

2шт.

9

170708C1

SUPPORT, feeder pivot left, serial no. 8000 and below

1шт.

427566

BOLT,Hex, 1/2"-13 x 1 1/2", G8, Full Thd

1/2 x 1-1/2 hex-hd grade 8

4шт.

487374R1

BEARING LOCK NUT,Flg, USR, 1/2"-13

1/2 C-Z flange whiz lock

4шт.

25637R1

WASHER

17/32 x 1.06 x .095 hard

4шт.

21375R1

WASHER

17/32 x 1-1/4 x 3/16 C-Z

4шт.

10

629979R1

TIE, sep front cross

1шт.

18495R1

BOLT,Hex, 3/8" - 16 x 1 1/4", Gr 2

3/8 x 1-1/4 hex-hd mach

2шт.

120377

NUT,3/8" - 16, Gr 5

2шт.

120382

LOCK WASHER,Helical Spring, 3/8"

WASHER, LOCK, 3/8"

2шт.

11

170702C1

PIN, feeder pivot clamp, not used w/feeder hitch, serial no. 8000 and below

2шт.

12

170709C1

SUPPORT, feeder pivot right, serial no. 8000 and below

1шт.

427566

BOLT,Hex, 1/2"-13 x 1 1/2", G8, Full Thd

1/2 x 1-1/2 znd hex-hd grade 8

4шт.

487374R1

BEARING LOCK NUT,Flg, USR, 1/2"-13

1/2 C-Z flange whiz lock

4шт.

25637R1

WASHER

17/32 x 1.06 x .095 hard

4шт.

21375R1

WASHER

17/32 x 1-1/4 x 3/16 C-Z

4шт.

13

628231R91

TIE ASSY, separator center cross

1шт.

17140R1

CARRIAGE BOLT,Short Nk, 1/2" - 13 x 1 1/4", Gr 2, Full Thd

BOLT, 1/2 x 1-1/4 sq-nk crg

1шт.

120378

NUT,Hex, 1/2" - 13, Gr 5

NUT, 1/2"-13, G5

1шт.

120384

WASHER,1/2"

LOCK, 1/2"

1шт.

14

170705C1

BOLT, feeder pivot leveling, serial no. 8000 and below

1шт.

18497R1

BOLT,Hex, 1/2"-13 x 1 3/4", G2

1/2 x 1-3/4 znd hex-hd mach

1шт.

120378

NUT,Hex, 1/2" - 13, Gr 5

NUT, 1/2"-13, G5

1шт.

124847

COLLAR

5/8 C-Z hex. jam

2шт.

120384

WASHER,1/2"

LOCK, 1/2"

1шт.

464623R1

WASHER

21/32 x 1-1/2 x 11 ga

2шт.

15

171641C1

DOOR, separator top

1шт.

938017R1

FLANGE NUT,Flg, USR, 5/16"-18

5/16 C-Z flange lock

2шт.

135270

SERRATED SCREW,5/16" - 18 x 3/4"

5/16 x 3/4 flange lock

2шт.

16

170704C1

EYEBOLT, feeder pivot clamp, serial no. 8000 and below

2шт.

280954

NUT,3/4"-10, G5

2шт.

87340

LOCK WASHER,Helical Spring, 0.759" ID, CST, ZND

WASHER, LOCK, 3/4"

2шт.

467750R1

WASHER

25/32 x 1-1/2 x 11 ga

2шт.

17

172261C1

SPACER

SEAL, feeder pivot plate left, serial no. 8000 and below

1шт.

18

172262C1

SPACER

SEAL, feeder pivot plate right, serial no. 8000 and below

1шт.

19

629793R1

EXTENSION, separator top

1шт.

16897R1

CARRIAGE BOLT,Short Nk, 5/16" - 18 x 3/4", Gr 2, Full Thd

BOLT, 5/16 x 3/4 C-Z sq-nk crg

2шт.

120376

NUT,5/16"-18, G5

2шт.

24242R1

SCREW

no. 10-16 x 1/2 slt-pan-hd

1шт.

80681

LOCK WASHER,5/16"

WASHER, LOCK, 5/16"

2шт.

20

629505R1

PLATE, cyl beater cover

2шт.

16897R1

CARRIAGE BOLT,Short Nk, 5/16" - 18 x 3/4", Gr 2, Full Thd

BOLT, 5/16 x 3/4 C-Z sq-nk crg

4шт.

120376

NUT,5/16"-18, G5

4шт.

80681

LOCK WASHER,5/16"

WASHER, LOCK, 5/16"

4шт.

21

629506R1

FILLER, left front separator side

1шт.

22

170703C1

SCREW, feeder pivot shaft clamp and feeder pivot clamp eyebolt set, serial no. 8000 and below

4шт.

23

170706C1

CLAMP, feeder pivot, not used w/feeder hitch, serial no. 8000 and below

2шт.

24

177399C1

BRACKET

ASSY, feeder pivot LH, serial no. 8001 and above

1шт.

18508R1

CARRIAGE BOLT,Short Nk, 3/8" - 16 x 3/4", Gr 2, Full Thd

BOLT, 3/8 x 3/4 sq-nk crg

1шт.

27125R1

BOLT,Hex, 1/2" - 13 x 1 1/2", Gr 8

1/2 x 1-1/2 hex-hd

4шт.

120375

NUT,Hex, 1/4" - 20, Gr 5

4шт.

120377

NUT,3/8" - 16, Gr 5

1шт.

21330R1

NUT,1/2"-13, G8

1/2 hex.

4шт.

120657

SCREW

1/4 x 1 ft-slt-hd

4шт.

492-11025

LOCK WASHER,1/4"

WASHER, LOCK, 1/4"

4шт.

120382

LOCK WASHER,Helical Spring, 3/8"

WASHER, LOCK, 3/8"

1шт.

366864C1

LOCK WASHER,1/2"

1/2"

4шт.

25

177400C1

BRACKET ASSY, feeder pivot RH, serial no. 8001 and above

1шт.

18508R1

CARRIAGE BOLT,Short Nk, 3/8" - 16 x 3/4", Gr 2, Full Thd

BOLT, 3/8 x 3/4 sq-nk crg

1шт.

27125R1

BOLT,Hex, 1/2" - 13 x 1 1/2", Gr 8

1/2 x 1-1/2 hex-hd

1шт.

120375

NUT,Hex, 1/4" - 20, Gr 5

1шт.

120377

NUT,3/8" - 16, Gr 5

1шт.

21330R1

NUT,1/2"-13, G8

1/2 hex.

1шт.

492-11025

LOCK WASHER,1/4"

WASHER, LOCK, 1/4"

1шт.

120382

LOCK WASHER,Helical Spring, 3/8"

WASHER, LOCK, 3/8"

1шт.

366864C1

LOCK WASHER,1/2"

1/2"

1шт.

26

177407C1

SEAL

pivot side upper, serial no. 8001 and above

2шт.

27

177408C1

RETAINER, pivot seal upper, serial no. 8001 and above

2шт.

28

177409C1

SEAL

feeder pivot lower LH, serial no. 8001 and above

1шт.

29

177410C1

SEAL

feeder pivot lower RH, serial no. 8001 and above

1шт.

30

177411C1

RETAINER

feeder pivot lwr seal, serial no. 8001 and above

2шт.

31

177412C1

STRIP, feeder pivot bracket and separator side seal, serial no. 8001 and above

2шт.

32

177413C1

RETAINER

feeder pivot, serial no. 8001 and above

2шт.

231-14410

NUT,5/8"-11, GB

NUT, LOCK, 5/8"-11, GB

2шт.

273312

BOLT,Hex, 5/8" - 11 x 5 1/2", Gr 5

SCREW, 5/8 x 5-1/2 hex-hd

2шт.

Выбрано товаров: 157