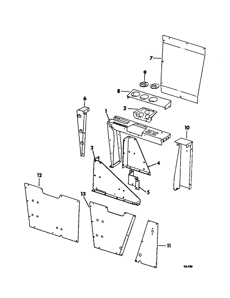
Запчасти Case IH 715 (13-08) - SUPERSTRUCTURE, INSTRUMENT PANEL, COVER AND CONTROL SHEET (05) - SUPERSTRUCTURE

Схема запчастей Case IH 715 - (13-08) - SUPERSTRUCTURE, INSTRUMENT PANEL, COVER AND CONTROL SHEET (05) - SUPERSTRUCTURE
3
13
11
2
10
1
8
6
12
5
7
9
4
FIT
1:1
100%

Артикул

Название

Примечание

Количество

1

171554C2

PANEL ASSY, operator instrument

1шт.

18764R1

HARDWARE,Hex, 5/16"-18 x 3/4", G2

BOLT, 5/16 x 3/4 C-Z hex-hd mach

2шт.

120376

NUT,5/16"-18, G5

2шт.

80681

LOCK WASHER,5/16"

WASHER, LOCK, 5/16"

2шт.

619855R1

WASHER

11/32 x 3/4 x 16 ga C-Z

2шт.

2

171377C2

SUPPORT, operator instrument gauge

1шт.

938016R1

FLANGE NUT,Flg, USR, 1/4"-20

1/4 C-Z whiz lock

3шт.

171754

BODY

1/4 x 1/2 C-Z slt-pan-hd tap.

1шт.

937059R1

SCREW,Serr, M10 x 70mm, Cl 10.9

1/4 x 1/2 C-Z slt-truss-hd

3шт.

3

938850R2

SECTION, control left

1шт.

18508R1

CARRIAGE BOLT,Short Nk, 3/8" - 16 x 3/4", Gr 2, Full Thd

BOLT, 3/8 x 3/4 C-Z sq-nk crg

3шт.

17351R1

CARRIAGE BOLT,Short Sq Nk, 3/8" - 16 x 1", Gr 2

BOLT, 3/8 x 1 C-Z sq-nk crg

1шт.

120377

NUT,3/8" - 16, Gr 5

4шт.

120382

LOCK WASHER,Helical Spring, 3/8"

WASHER, LOCK, 3/8"

4шт.

4

938851R2

SUPPORT, operators control housing right

1шт.

18508R1

CARRIAGE BOLT,Short Nk, 3/8" - 16 x 3/4", Gr 2, Full Thd

BOLT, 3/8 x 3/4 C-Z sq-nk crg

6шт.

120377

NUT,3/8" - 16, Gr 5

6шт.

120382

LOCK WASHER,Helical Spring, 3/8"

WASHER, LOCK, 3/8"

6шт.

619856R1

WASHER

13/32 x 1 x 16 ga C-Z

1шт.

5

938832R91

SUPPORT ASSY, operator control housing

1шт.

17351R1

CARRIAGE BOLT,Short Sq Nk, 3/8" - 16 x 1", Gr 2

BOLT, 3/8 x 1 C-Z sq-nk crg

4шт.

120377

NUT,3/8" - 16, Gr 5

4шт.

264-1478

SELF-TAP SCREW,Slotted Pan Hd, 1/4" x 1/2"

1/4 x 1/2 C-Z slt-pan-hd tap type D

7шт.

120382

LOCK WASHER,Helical Spring, 3/8"

WASHER, LOCK, 3/8"

4шт.

6

171381C1

COVER ASSY, instrument panel front

1шт.

938016R1

FLANGE NUT,Flg, USR, 1/4"-20

1/4 C-Z whiz lock

1шт.

171754

BODY

1/4 x 1/2 C-Z slt-pan-hd tap. type D

3шт.

937059R1

SCREW,Serr, M10 x 70mm, Cl 10.9

1/4 x 1/2 C-Z whiz lock

1шт.

7

171384C1

SHEET, control panel right

1шт.

275-5478

SELF-TAP SCREW,Hex Hd, 1/4" x 1/2"

1/4 x 1/2 hex-hd type 8

6шт.

8

171385C2

COVER, instrument gauge panel

1шт.

938016R1

FLANGE NUT,Flg, USR, 1/4"-20

1/4 C-Z whiz lock

4шт.

937059R1

SCREW,Serr, M10 x 70mm, Cl 10.9

1/4 x 1/2 C-Z whiz lock

4шт.

9

167008C1

PLUG, instrument panel

2шт.

10

171388C1

COVER ASSY, cyl speed control

1шт.

18764R1

HARDWARE,Hex, 5/16"-18 x 3/4", G2

BOLT, 5/16 x 3/4 znd hex-hd mach

1шт.

938016R1

FLANGE NUT,Flg, USR, 1/4"-20

1/4 C-Z whiz lock

2шт.

470-1258

SCREW,Slotted Pan Hd, 1/4"-20 x 1/2"

1/4 x 1/2 C-Z slt-pan-hd

1шт.

937059R1

SCREW,Serr, M10 x 70mm, Cl 10.9

1/4 x 1/2 C-Z whiz lock

2шт.

80681

LOCK WASHER,5/16"

WASHER, LOCK, 5/16"

1шт.

492-11025

LOCK WASHER,1/4"

WASHER, LOCK, 1/4"

1шт.

120393

BEARING WASHER,5/16", SAE

WASHER, 11/32 x 11/16 x 16 ga C-Z

1шт.

11

171394C1

SHEET, control panel left rear, variable cylinder drive

1шт.

264-1478

SELF-TAP SCREW,Slotted Pan Hd, 1/4" x 1/2"

1/4 x 1/2 pan-hd tap type D

2шт.

12

938852R1

SIDE, operators control housing left, cylinder chain drive

1шт.

171754

BODY

1/4 x 1/2 pan-hd tap type D

10шт.

13

171395C1

SHEET, control panel left front, variable cylinder drive

1шт.

264-1478

SELF-TAP SCREW,Slotted Pan Hd, 1/4" x 1/2"

1/4 x 1/2 pan-hd tap

9шт.

178974

SCREW,Sl Pan Hd, 1/4" - 14 x 1/2"

1/4 x 1/2 pan-hd tap type B

1шт.

Выбрано товаров: 49