Запчасти Case IH 715 (21-09) - THRESHING CYLINDER AND CONCAVE, CYLINDER CHAIN DRIVE AND SLIP CLUTCH, CHAIN DRIVE (14) - THRESHING

Схема запчастей Case IH 715 - (21-09) - THRESHING CYLINDER AND CONCAVE, CYLINDER CHAIN DRIVE AND SLIP CLUTCH, CHAIN DRIVE (14) - THRESHING
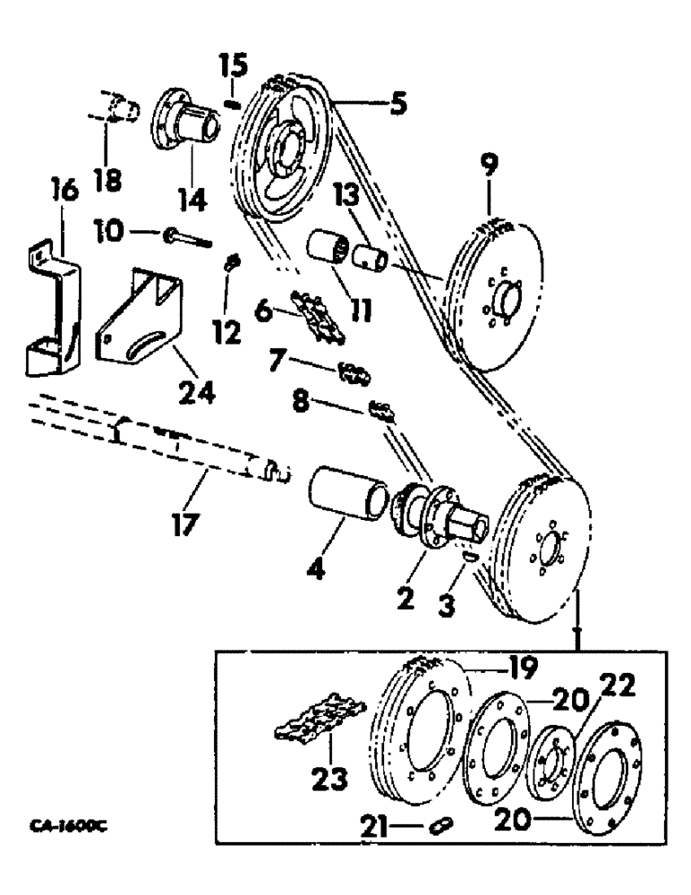
6
9
18
19
5
10
16
23
12
8
7
13
14
15
2
20
11
3
22
24
4
20
21
17
FIT
1:1
100%

Артикул

Название

Примечание

Количество

1

171191C1

SPROCKET, cylinder 25-T double, standard

1шт.

1

158418C1

DRIVE SPROCKET

SPROCKET, cylinder 30-T double, standard

1шт.

1

158421C1

SPROCKET, cylinder 48-T double, standard

1шт.

1

171133C1

SPROCKET, cylinder 22-T double, standard for grain, maize and, windrow special and edible bean, parts accessory for corn and rice

1шт.

1

160121C1

SPROCKET ASSY.

SPROCKET, cylinder 35-T double, parts accessory

1шт.

1

158420C1

SPROCKET, cylinder 54 T, edible bean, serial no. 8001 and above, parts accessory

1шт.

1

179106C1

SPROCKET, cylinder drive, 75T, edible bean, serial no. 8001 and above

1шт.

130560R1

SCREW,Hex, 7/16" - 14 x 2 1/4"

7/16 x 2-1/4 hex-hd cap

6шт.

366863R1

WASHER, 7/16 C-Z rib lock

6шт.

2

171192C1

HUB, cyl driven

1шт.

3

38260D

KEY

3/8 x 2-3/4 Woodruff

1шт.

4

171193C1

SPACER, cyl driven hub

1шт.

5

171191C1

SPROCKET, cylinder 25-T double, standard

1шт.

5

158418C1

DRIVE SPROCKET

SPROCKET, cylinder 30-T double, standard

1шт.

5

158421C1

SPROCKET, cylinder 48-T double, standard

1шт.

5

171133C1

SPROCKET, cylinder 22-T double, standard for grain, maize and windrow special and edible bean, parts accessory for corn and rice

1шт.

5

160121C1

SPROCKET ASSY.

SPROCKET, cylinder 35-T double, parts accessory

1шт.

5

158420C1

SPROCKET, cylinder drive 54 T, edible bean, serial no. 8001 and above, parts accessory

1шт.

5

179106C1

SPROCKET, cylinder drive, 75T, edible bean, serial no. 8001 and above

1шт.

170006R1

SCREW, 7/16 x 3 hex-hd type 8

6шт.

366863R1

WASHER, 7/16 C-Z rib lock

6шт.

6

CHAIN ASSY, cylinder drive double roller, use 79 links from 10-ft roll marked 1355D, one offset link 570988R91, four connecting links 569206R91 and two roller links 1316D

1шт.

6

CHAIN ASSY, cylinder drive double roller, corn and soybean, use 5 links from 10-ft roll marked 1355D, three connecting links 569206R91, one two pitch combination offset link 570988R91 and two roller links 1316D

1шт.

7

1313D

CHAIN LINK

LINK, offset, double pitch

1шт.

7

1316D

CHAIN LINK

LINK, roller

2шт.

8

569206R91

CHAIN LINK

LINK, connecting, double pitch

1шт.

9

172076C91

SPROCKET ASSY, cyl drive chain tightener 20T, includes ref. no. 11

1шт.

10

575280R1

BOLT (SPREADER)

BOLT, cyl drive tightener

1шт.

280374

NUT,Hex, 5/8" - 11, Gr 5

5/8 C-Z hex.

1шт.

492-11062

BEARING WASHER,5/8"

WASHER, LOCK, 5/8"

1шт.

NLS

NO LONGER SERVICED

21/32 x 1-5/16 x 12 ga

4шт.

21783R1

SQ HOLE WASHER,41/64" x 1 1/2" x .105", Sq Hole

21/32 sq x 1-1/2 x 12 ga C-Z

1шт.

11

577006R91

NEEDLE BEARING,Needle, 22.2mm ID x 33.36mm OD x 38.1mm W

ASSY, tightener sprocket

1шт.

12

332040

LUBE NIPPLE,90 Degree, 1/8" NPT x .84" lg

FITTING, 1/8 90 deg angle lub

1шт.

13

578607R1

SLEEVE CYLINDER

SLEEVE, cyl drive tightener sprocket

1шт.

14

171195C1

HUB, cyl drive

1шт.

15

174403C1

KEY

3/8 x 3-1/8 parallel

1шт.

16

171196C1

BRACKET ASSY, cyl drive tightener

1шт.

18695R1

CARRIAGE BOLT,Short Sq Nk, 7/16" - 14 x 1 1/4", Gr 2

BOLT, 7/16 x 1-1/4 znd sq-nk crg

2шт.

454998

BOLT,Hex, 1/2" - 13 x 1", Gr 8

1/2 x 1 znd hex-hd mach

1шт.

NLS

NO LONGER SERVICED

NUT, 7/16 C-Z hex.

2шт.

21330R1

NUT,1/2"-13, G8

1/2 C-Z hex.

1шт.

120383

LOCK WASHER,Helical Spring, 7/16"

WASHER, LOCK, 7/16"

2шт.

120384

WASHER,1/2"

LOCK, 1/2"

1шт.

17

SHAFT ASSY, cylinder, refer to this group under cylinder, rasp bar

1шт.

18

SHAFT ASSY, cylinder beater, refer to this group under cylinder beater

1шт.

19

171225C1

SPROCKET, cylinder driven 54-T, serial no. 8000 and below

1шт.

19

570655R1

SPROCKET, cylinder driven 48-T, serial no. 8000 and below, cylinder drive slip clutch, standard for edible bean

1шт.

20

158690C2

PLATE, cyl drive slip clutch outer, serial no. 8000 and below, cylinder drive slip clutch, standard for edible bean

2шт.

274993

SHIELD

3/8 C-Z stove lock

8шт.

189305

BOLT,Hex, 3/8" - 16 x 3 1/2", Gr 5

SCREW, 3/8 x 3-1/2 znd hex-hd cap

8шт.

619856R1

WASHER

13/32 x 1 x 16 ga C-Z

8шт.

21

M74156

SPRING

cyl drive slip clutch, serial no. 8000 and below, cylinder drive slip clutch, standard for edible bean

8шт.

22

158691C1

RETAINER, cyl drive slip clutch inner, serial no. 8000 and below, cylinder drive slip clutch, standard for edible bean

1шт.

208491R1

BOLT,Hex, 7/16" - 14 x 1 1/4", Gr 8

7/16 x 1-1/4 znd hex-hd type 8

6шт.

366863C1

LOCK WASHER

WASHER, 7/16 znd rib lock

6шт.

CHAIN ASSY, cylinder drive double roller extension, cylinder drive slip clutch, standard for edible bean, use 5 links from 10-ft roll marked 1355D, three connecting links 569206R91, one two pitch combination offset link 570988R91 and two offset links 1316D

1шт.

23

CHAIN, cylinder drive extension, edible bean, serial no. 8001 and above, use 13 links from roll marked 1355D and 1 connecting link 569206R91

1шт.

24

178935C1

ANGLE, cylinder drive idler support, edible bean, serial no. 8001 and above

1шт.

17351R1

CARRIAGE BOLT,Short Sq Nk, 3/8" - 16 x 1", Gr 2

BOLT, 3/8 x 1 sq-nk crg

1шт.

18821R1

BOLT

5/8 x 1-1/4 hex-hd

1шт.

120377

NUT,3/8" - 16, Gr 5

1шт.

124589

BALL STUD,Hex, 5/8" - 11 x 2", Gr 5

5/8 hex.

1шт.

120382

LOCK WASHER,Helical Spring, 3/8"

WASHER, LOCK, 3/8"

1шт.

492-11062

BEARING WASHER,5/8"

WASHER, LOCK, 5/8"

1шт.

Выбрано товаров: 65