Запчасти Case IH 715 (24-04) - CLEANING FAN, VARIABLE FAN DRIVE, SERIAL NO. 5328 AND BELOW (15) - CLEANING

Схема запчастей Case IH 715 - (24-04) - CLEANING FAN, VARIABLE FAN DRIVE, SERIAL NO. 5328 AND BELOW (15) - CLEANING
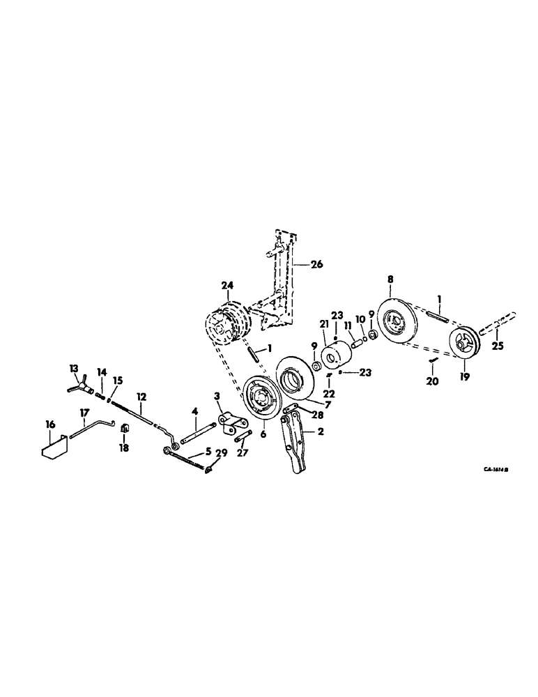
14
12
18
16
15
25
3
17
1
13
27
29
23
7
11
9
20
8
5
6
28
24
10
23
9
2
4
21
22
19
1
26
FIT
1:1
100%

Артикул

Название

Примечание

Количество

1

170954C11

V-BELT,1.00" W x 63.73" L

Fan drive matched pair, Consists of 2 belts, Must be serviced in pairs 1.00" W x 63.73" L

1шт.

2

170955C1

SUPPORT, variator upper

1шт.

20340R1

COTTER PIN,1/4" x 1 1/2"

Pin, Split (Cotter), 1/4" x 1 1/2"

1шт.

21753R1

WASHER

25/32 x 1-1/2 x 16 ga C-Z

4шт.

3

170956C1

SUPPORT, variator lower

1шт.

20340R1

COTTER PIN,1/4" x 1 1/2"

Pin, Split (Cotter), 1/4" x 1 1/2"

2шт.

22980R1

HEADED PIN,3/4" x 4 1/2"

PIN, 3/4 x 4-1/2 C-Z std-hd

1шт.

4

172268C1

STUD, variable pulley brg support

1шт.

426099

NUT,3/4"-16, G5

3/4-16 znd hex.

1шт.

20340R1

COTTER PIN,1/4" x 1 1/2"

Pin, Split (Cotter), 1/4" x 1 1/2"

1шт.

19479R1

PIN,1/4" x 2", Coiled

1шт.

87340

LOCK WASHER,Helical Spring, 0.759" ID, CST, ZND

WASHER, LOCK, 3/4"

1шт.

178375R1

WASHER

25/32 x 1-1/4 x 16 ga C-Z

1шт.

467750R1

WASHER

25/32 x 1-1/2 x 11 ga C-Z

1шт.

5

170958C1

BOLT, fan drive variator draw

1шт.

120378

NUT,Hex, 1/2" - 13, Gr 5

NUT, 1/2"-13, G5

1шт.

120238

JAM NUT,Jam, 1/2"-13, G5

1/2 C-Z hex. jam

1шт.

460908R1

WASHER

17/32 x 1-1/2 x 11 ga C-Z

1шт.

6

164223C1

PULLEY

fan drive outer 9-7/8 in. OD

1шт.

7

164221C1

PULLEY

fan drive center 7-1/4 in. OD

1шт.

8

164222C1

PULLEY

fan drive inner 9-7/8 in. OD

1шт.

180122

BOLT,Hex, 3/8" - 16 x 1", Gr 5

3/8 x 1 znd hex-hd cap

8шт.

120382

LOCK WASHER,Helical Spring, 3/8"

WASHER, LOCK, 3/8"

8шт.

9

586156R91

BEARING

ASSY, variator pulley

2шт.

10

357323R1

RING, SNAP

RING, variator pulley brg snap

1шт.

11

168566C1

SPACER,1" Tube x 1 7/8"

variator pulley brg

1шт.

12

170964C1

BOLT, fan speed control

1шт.

13

169705C1

HANDLE

fan speed control

1шт.

591715R1

WASHER

1-1/32 x 1-1/2 x 16 ga C-Z

1шт.

14

12209D

SPRING

fan speed control rod

1шт.

15

454417R1

SNAP RING,#100, Ext

Ring, Snap, , fan speed control handle #100, Ext

1шт.

16

170966C1

BAR, fan speed indicator support

1шт.

17351R1

CARRIAGE BOLT,Short Sq Nk, 3/8" - 16 x 1", Gr 2

BOLT, 3/8 x 1 znd sq-nk crg

1шт.

120377

NUT,3/8" - 16, Gr 5

1шт.

120382

LOCK WASHER,Helical Spring, 3/8"

WASHER, LOCK, 3/8"

1шт.

17

170968C1

ROD, fan speed indicator

1шт.

18

167325C11

CLAMP

ASSY, fan speed indicator

1шт.

18654R1

BOLT,Hex, 1/4" - 20 x 3/4", Gr 2

1/4 x 3/4 C-Z hex-hd mach

1шт.

109084

NUT,1/4"-20, G5

1шт.

19

170969C1

PULLEY

fan driven 7 in. OD

1шт.

20

Q3930

KEY,Gib, 5/16" Sq x 1 3/4"

5/16 x 1-3/4 gib

1шт.

21

172267C1

HUB, fan drive pulley

1шт.

22

126131

FITTING

1/4-28NF str lub

1шт.

23

617077R1

WICK

lubricating

2шт.

24

PULLEY ASSY, straw walker idler and fan drive, 7 in. OD, refer to group 22 under straw walker drive

1шт.

25

SHAFT, fan, refer to this group under fan wind deflector and separator fan rotary screen

1шт.

26

SUPPORT W/SHAFT, straw walker drive idler, refer to group 22 under straw walker drive

1шт.

27

173883C1

PIN, variator lower support pivot

1шт.

20340R1

COTTER PIN,1/4" x 1 1/2"

Pin, Split (Cotter), 1/4" x 1 1/2"

2шт.

21753R1

WASHER

25/32 x 1-1/2 x 16 ga C-Z

4шт.

28

173882C1

PIN

variator upper support pivot

1шт.

20340R1

COTTER PIN,1/4" x 1 1/2"

Pin, Split (Cotter), 1/4" x 1 1/2"

2шт.

21753R1

WASHER

25/32 x 1-1/2 x 16 ga C-Z

4шт.

29

173879C1

WASHER, fan drawbolt

1шт.

Выбрано товаров: 54