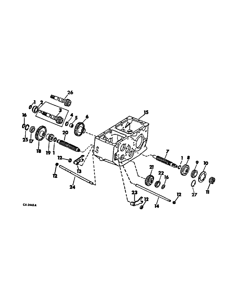
Запчасти Case IH 715 (07-04) - DRIVE TRAIN,TRANS.,TRANS. MAIN SHAFT,INPUT DRIVE SHAFT,INPUT PINION SHAFT,SHIFTER RAILS & FORKS Drive Train

Схема запчастей Case IH 715 - (07-04) - DRIVE TRAIN,TRANS.,TRANS. MAIN SHAFT,INPUT DRIVE SHAFT,INPUT PINION SHAFT,SHIFTER RAILS & FORKS Drive Train
20
7
12
13
10
26
5
3
1
19
16
15
12
21
12
4
23
12
8
25
2
16
6
11
9
1
24
14
27
22
1
18
17
FIT
1:1
100%

Артикул

Название

Примечание

Количество

1

359141R1

RING, SNAP

RING, input shaft snap

3шт.

2

379441R91

ROLLER BEARING,1.378" ID x 2.689" OD x 0.6693"

ASSY, input pinion shaft inner, belt drive

1шт.

2

671028R91

BEARING ASSY,38.1mm ID x 72.02mm OD x 20.64mm W

ASSY, input pinion shaft inner, hydrostatic drive

1шт.

3

379482R1

SHAFT, input pinion, 20 T, belt drive

1шт.

3

389439R1

SHAFT, input pinion, 20 T, hydrostatic drive, serial no. 5328 and below

1шт.

4

555601R1

RING, SNAP

RING, input drive shaft snap

1шт.

5

358034R91

NEEDLE BEARING

BEARING ASSY, input pinion shaft

1шт.

6

379478R1

GEAR

first and third sliding, 46 teeth and 20 teeth

1шт.

7

382946R1

SHAFT

input drive

1шт.

382879R1

NUT

input drive shaft

1шт.

382901R1

LOCK WASHER,26.16mm ID x 47.8mm OD x 3.18mm Thk

input drive shaft

1шт.

382900R1

LOCK WASHER

input drive shaft lock

1шт.

8

379479R2

GEAR

second speed driven, 30-T

1шт.

9

379437R91

BEARING ASSY

input drive shaft

1шт.

ST419

RING

input drive shaft brg snap

1шт.

10

379481R1

RETAINER

input shaft RH brg

1шт.

214168R1

CAPSCREW,5/16" x 7/8", Gr 5

SCREW W/NYLON PELLET, 5/16-18 x 7/8 hex-hd cap

3шт.

11

530108R1

GEAR WHEEL

GEAR, change drive pinion 27 T, regular speed 27/28 gear ratio for grain and track

1шт.

11

573999R1

GEAR, change drive pinion 21-T, belt drive slow speed 21/34 gear ratio for grain and hydrostatic drive slow speed 21/34 gear ratio for rice special w/tires

1шт.

11

374004R1

PIN

GEAR, change drive pinion 15-T, belt drive 15/40 gear ratio for rice

1шт.

12

549712R1

OIL SEAL

OIL SEAL, shifter rail

4шт.

13

574905R1

FORK

first and third gear shifter

1шт.

114494

NUT,Jam, 3/8"-24, G5

1шт.

573985R1

SET SCREW,Sq Hd, 3/8"-24 x 1"

SCREW, shifter fork set

1шт.

14

574903R1

RAIL

first and third gear shifter

1шт.

15

CASE, transmission, refer to transmission case this group

1шт.

16

370504R1

RING

transmission main shaft bearing snap

2шт.

17

ST246

BALL BEARING,30mm ID x 62mm OD x 16mm W

BEARING, transmission main shaft LH

1шт.

18

379495R1

GEAR

transmission input, 44 teeth

1шт.

19

379472R1

GEAR

PINION, first speed drive, 18 teeth

1шт.

20

395648R11

SHAFT

W/COUPLING, 374639R1, transmission main

1шт.

374639R1

COUPLING

transmission main shaft

1шт.

1963871C91 S/B 4981

1шт.

21

379473R1

GEAR

second and reverse drive, 26-T

1шт.

22

379474R91

BEARING ASSY

transmission main shaft

1шт.

ST421

SNAP RING,1.65mm Thk, Ext

RING, main shaft bearing snap

1шт.

23

574904R1

FORK

reverse and second gear shifter

1шт.

114494

NUT,Jam, 3/8"-24, G5

1шт.

573985R1

SET SCREW,Sq Hd, 3/8"-24 x 1"

SCREW, shifter fork set

1шт.

24

574902R1

RAIL

reverse and second shifter

1шт.

25

404207R1

RING,61.6mm ID x 68.4mm OD x 2.54mm Thk

transmission case seal

1шт.

26

379482R1

SHAFT, input pinion, 20T, belt drive

1шт.

26

402846R1

SHAFT

input pinion, 20 T, hydrostatic drive, serial no. 5329 and above

1шт.

27

ST418

RING

input shaft bearing snap, belt drive

1шт.

Выбрано товаров: 44