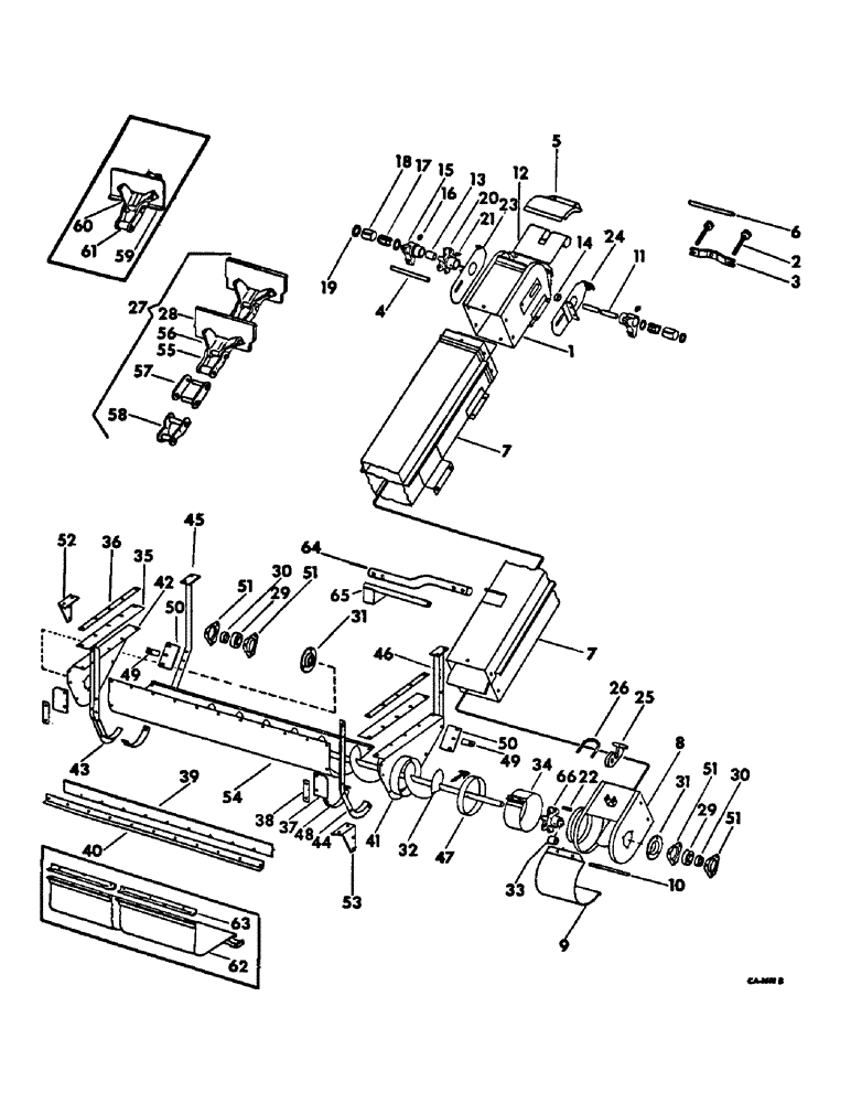
Запчасти Case IH 715 (25-02) - ELEVATORS, GRAIN ELEVATOR AND TROUGH Elevators

Схема запчастей Case IH 715 - (25-02) - ELEVATORS, GRAIN ELEVATOR AND TROUGH Elevators
50
31
5
59
13
66
2
14
48
51
24
53
9
12
23
40
49
50
25
62
46
41
1
45
3
31
21
20
56
60
15
36
63
7
32
58
34
4
38
29
33
54
51
7
30
39
26
17
44
43
29
51
47
18
52
49
11
55
6
61
30
10
37
57
16
51
28
27
65
8
64
42
19
35
22
FIT
1:1
100%

Артикул

Название

Примечание

Количество

PARTS ACCESSORY, grain elevator steel flight, includes ref nos 59, 60 and 61

1шт.

1

153168C91

HEAD

ASSY, grain elevator

1шт.

18626R1

CARRIAGE BOLT,Short Sq Nk, 1/4" - 20 x 1/2", Gr 2

BOLT, 1/4 x 1/2 C-Z sq-nk crg

4шт.

17446R1

BOLT,3/8" - 16 x 1 1/4", Gr 2

3/8 x 1-1/4 znd hex-hd mach

1шт.

120375

NUT,Hex, 1/4" - 20, Gr 5

4шт.

120377

NUT,3/8" - 16, Gr 5

1шт.

492-11025

LOCK WASHER,1/4"

WASHER, LOCK, 1/4"

4шт.

120382

LOCK WASHER,Helical Spring, 3/8"

WASHER, LOCK, 3/8"

1шт.

614452R1

WASHER

13/32 x 1-1/4 x 11 ga C-Z

1шт.

2

611421R1

BOLT,Hex, 7/16" - 14 x 3 1/2", Full Thd

grain elev concave chain tightener

2шт.

3

936553R1

STRAP, grain elev concave chain tightener bolt

1шт.

4

629192R1

PIPE

SPACER, grain elevator head

1шт.

5

165490C1

DOOR

grain elevator head

1шт.

18628R1

BOLT,Short NK, 1/4"-20 x 1 1/4", G2

1/4 x 1-1/4 znd sq-nk crg

1шт.

935735R1

WING NUT

1/4 wing

1шт.

492-11025

LOCK WASHER,1/4"

WASHER, LOCK, 1/4"

1шт.

21870R1

WASHER

17/64 x 3/4 x 16 ga C-Z

1шт.

6

U16249

PIN, grain elev head door hinge

1шт.

7

627941R91

HOUSING ASSY, grain elevator, serial no. 3250 and below

1шт.

7

174429C1

HOUSING

ASSY, grain elevator, serial no. 3251 and above

1шт.

17351R1

CARRIAGE BOLT,Short Sq Nk, 3/8" - 16 x 1", Gr 2

BOLT, 3/8 x 1 C-Z sq-nk crg

2шт.

18673R1

CARRIAGE BOLT,Short Sq Nk, 5/16" - 18 x 1/2", Gr 2

BOLT, 5/16 x 1/2 C-Z sq-nk crg

10шт.

120376

NUT,5/16"-18, G5

10шт.

938017R1

FLANGE NUT,Flg, USR, 5/16"-18

5/16 whiz lock

1шт.

120377

NUT,3/8" - 16, Gr 5

2шт.

80681

LOCK WASHER,5/16"

WASHER, LOCK, 5/16"

10шт.

134238R1

WASHER

11/32 x 1 x 16 ga C-Z

10шт.

120382

LOCK WASHER,Helical Spring, 3/8"

WASHER, LOCK, 3/8"

2шт.

8

157080C91

BOOT

ASSY, grain elevator, not rice

1шт.

8

157081C91

BOOT

ASSY, grain elevator, rice

1шт.

9

157083C1

DOOR

grain elevator boot, not rice

1шт.

9

157084C1

DOOR

grain elevator boot, rice

1шт.

9

157254C1

DOOR

grain elevator boot, not rice, edible bean, perforated

1шт.

10

628485R1

PIN, grain elevator boot door, not rice

1шт.

10

586657R1

PIN

grain elevator boot door, rice

1шт.

11

627965R1

SHAFT

grain elevator head

1шт.

137214

COTTER PIN

1/8" x 1-3/4"

1шт.

20703R1

WASHER

29/32 x 1-3/4 x 16 ga

13шт.

12

627981R2

SHIELD

grain elevator headshaft

1шт.

13

583590R1

SPACER

grain elevator head shaft inner

1шт.

14

631385R1

SPACER

grain elevator head shaft outer

1шт.

15

631704R1

HOUSING

BOX, grain elev head shaft bearing

2шт.

88574

BOLT,Hex, 5/16" - 18 x 1/2", Gr 5, Full Thd

4шт.

80681

LOCK WASHER,5/16"

WASHER, LOCK, 5/16"

4шт.

16

219-86

LUBE NIPPLE,1/8" NPTF

FITTING, 1/8-27 str lub self tap

2шт.

17

562708R91

BEARING ASSY,0.875" ID x 1.378" OD x 1.75"

roller elevator headshaft

2шт.

18

631735R1

SLEEVE CYLINDER

RACE, grain elev head shaft bearing

2шт.

19

631734R91

OIL SEAL

elev hd brg box oil

4шт.

20

168696C1

SPROCKET ASSY.

SPROCKET ASSY, elevator conveyor chain 7-teeth

1шт.

21

124553

WOODRUFF KEY,#15, 1/4" x 1", HT

1шт.

22

Q10

KEY,1/4" Sq x 1 3/8"

1/4 x 1/4 x 1-3/8 sq

1шт.

23

631699R91

SUPPORT

BRACKET ASSY, grain elev concave chain tightener left

1шт.

20790R1

BOLT, 5/16 x 8-1/2 znd sq-nk crg

1шт.

120376

NUT,5/16"-18, G5

1шт.

80681

LOCK WASHER,5/16"

WASHER, LOCK, 5/16"

1шт.

134238R1

WASHER

11/32 x 1 x 16 ga C-Z

1шт.

24

631700R91

SUPPORT

BRACKET ASSY, elev cnvr ch tghtnr right

1шт.

25

155909C1

LATCH

elevator boot door

1шт.

648002

KNIFE

1/8" x 3/4"

1шт.

21879R1

HEADED PIN,1/4" x 1 1/4"

PIN, 1/4 x 1-1/4 C-Z std-hd

1шт.

26

664360R1

BOLT,U, 1/4" - 20 x 69.65"

elevator boot door U

1шт.

26

86625061

NUT,1/4"-20, GB

NUT, 1/4 hex. w/nylon insert

1шт.

27

150705C91

CONVEYOR

ASSY, grain elevator, not edible bean

1шт.

27

150709C91

CONVEYOR

ASSY, grain elevator, edible bean

1шт.

581290R1

RIVET

5/16 x 11/16 tubular

1шт.

28

150717C91

RUBBER FLIGHT

FLIGHT W/ATTACHING AND ROLLER LINKS, tire carcass

1шт.

29

455965R91

BALL BEARING,1.0005" ID x 52 mm OD x 15 mm

grain auger ball

2шт.

30

455102R11

COLLAR

ASSY W/SET SCREW

2шт.

31

589281R1

BRACKET

SHIELD, grain auger bearing, serial no. 5328 and below

2шт.

31

606695R1

COVER

SHIELD, grain auger bearing, serial no. 5329 and above

2шт.

32

153031C91

AUGER

ASSY, grain, serial no. 5328 and below

1шт.

32

175721C1

AUGER

ASSY, grain, serial no. 5329 and above

1шт.

21220R1

WASHER

29/32 x 1-1/4 x 11 ga C-Z

2шт.

656049R1

WASHER

29/32 x 1-1/2 x 3/16

1шт.

20703R1

WASHER

29/32 x 1-3/4 x 16 ga C-Z

1шт.

20704R1

WASHER

1-1/32 x 1-1/2 x 11 ga

1шт.

33

38223K

SPACER, grain auger shaft, serial no. 5328 and below

1шт.

33

151478C1

SPACER,1 1/4" Tube x 1 5/8"

grain auger shaft, serial no. 5329 and above

1шт.

34

627182R91

CLAMP

EXTENSION ASSY, grain auger trough, not edible bean

1шт.

34

628644R91

CLAMP

EXTENSION ASSY, grain auger trough, edible bean

1шт.

174602C1

BOLT, special machine

2шт.

120375

NUT,Hex, 1/4" - 20, Gr 5

2шт.

492-11025

LOCK WASHER,1/4"

WASHER, LOCK, 1/4"

2шт.

35

564174R1

SEAL

gr auger trough side

2шт.

36

564175R1

STRAP, gr auger trough side seal

2шт.

552897R1

SELF-TAP SCREW,1/4" - 20 x 1/2"

SCREW, 1/4 x 1/2 washer faced hex-hd cutting

10шт.

37

564176R1

SEAL

grain auger trough side rear

2шт.

38

564177R1

STRAP, gr auger trgh side rear seal

2шт.

120375

NUT,Hex, 1/4" - 20, Gr 5

4шт.

160541

SCREW,Cross Pan Hd, 1/4" - 20 x 3/4"

1/4 x 3/4 C-Z slt-pan-hd mach

4шт.

492-11025

LOCK WASHER,1/4"

WASHER, LOCK, 1/4"

4шт.

21870R1

WASHER

17/64 x 3/4 x 16 ga C-Z

2шт.

39

568643R1

SEAL

grain auger trough rear

1шт.

40

568644R1

ANGLE, grain auger trough rear seal, grain, maize, corn and soybean, not edible bean

1шт.

41

627175R92

PLATE ASSY.

PLATE ASSY, grain auger trough right

1шт.

120375

NUT,Hex, 1/4" - 20, Gr 5

7шт.

85700996

SCREW,Phillips Drive, Pan HD, 1/4" - 20 x 1/2"

1/4-20 x 1/2 C-Z slt-rd-hd mach

6шт.

160541

SCREW,Cross Pan Hd, 1/4" - 20 x 3/4"

1/4 x 3/4 C-Z slt-pan-hd mach

1шт.

492-11025

LOCK WASHER,1/4"

WASHER, LOCK, 1/4"

7шт.

42

627186R1

END

PLATE, grain auger trough left

1шт.

120375

NUT,Hex, 1/4" - 20, Gr 5

7шт.

85700996

SCREW,Phillips Drive, Pan HD, 1/4" - 20 x 1/2"

1/4-20 x 1/2 C-Z slt-rd-hd mach

6шт.

160541

SCREW,Cross Pan Hd, 1/4" - 20 x 3/4"

1/4 x 3/4 C-Z slt-pan-hd mach

1шт.

492-11025

LOCK WASHER,1/4"

WASHER, LOCK, 1/4"

7шт.

43

627187R1

SUPPORT, grain auger trough rear left

1шт.

18474R1

BOLT,Hex, 5/16" - 18 x 1", Gr 2

5/16 x 1 C-Z hex-hd mach

2шт.

120376

NUT,5/16"-18, G5

2шт.

80681

LOCK WASHER,5/16"

WASHER, LOCK, 5/16"

2шт.

44

627188R1

SUPPORT, grain auger trough rear right

1шт.

18474R1

BOLT,Hex, 5/16" - 18 x 1", Gr 2

5/16 x 1 hex-hd mach

2шт.

120376

NUT,5/16"-18, G5

2шт.

80681

LOCK WASHER,5/16"

WASHER, LOCK, 5/16"

2шт.

45

627189R91

SUPPORT ASSY, auger trough LH front

1шт.

12872R1

BOLT,Short NK, 5/16"-18 x 1", G2, Full Thd

CARRIAGE, Short NK, 5/16"-18 x 1", G2, Full Thd

2шт.

120376

NUT,5/16"-18, G5

2шт.

80681

LOCK WASHER,5/16"

WASHER, LOCK, 5/16"

2шт.

46

627190R91

SUPPORT ASSY, grain auger trough RH front

1шт.

12872R1

BOLT,Short NK, 5/16"-18 x 1", G2, Full Thd

CARRIAGE, Short NK, 5/16"-18 x 1", G2, Full Thd

2шт.

120376

NUT,5/16"-18, G5

2шт.

80681

LOCK WASHER,5/16"

WASHER, LOCK, 5/16"

2шт.

47

935948R1

SEAL, grain auger trough extension

1шт.

48

568328R1

BAR

SEAL, grain auger trough bottom

2шт.

49

570989R1

STIFFENER, gr aug trgh outer frt seal

4шт.

50

936569R1

SEAL

grain auger trough outer front

2шт.

120375

NUT,Hex, 1/4" - 20, Gr 5

4шт.

160541

SCREW,Cross Pan Hd, 1/4" - 20 x 3/4"

1/4 x 3/4 C-Z slt-pan-hd mach

4шт.

492-11025

LOCK WASHER,1/4"

WASHER, LOCK, 1/4"

4шт.

21870R1

WASHER

17/64 x 3/4 x 16 ga C-Z

4шт.

51

571424R1

FLANGE

gr aug brg

4шт.

12872R1

BOLT,Short NK, 5/16"-18 x 1", G2, Full Thd

CARRIAGE, Short NK, 5/16"-18 x 1", G2, Full Thd

6шт.

120376

NUT,5/16"-18, G5

12шт.

80681

LOCK WASHER,5/16"

WASHER, LOCK, 5/16"

6шт.

52

628638R1

BRACKET, grain auger trough left rear

1шт.

17351R1

CARRIAGE BOLT,Short Sq Nk, 3/8" - 16 x 1", Gr 2

BOLT, 3/8 x 1 C-Z sq-nk crg

2шт.

120377

NUT,3/8" - 16, Gr 5

2шт.

120382

LOCK WASHER,Helical Spring, 3/8"

WASHER, LOCK, 3/8"

2шт.

53

628639R1

BRACKET, grain auger trough right rear

1шт.

17351R1

CARRIAGE BOLT,Short Sq Nk, 3/8" - 16 x 1", Gr 2

BOLT, 3/8 x 1 C-Z sq-nk crg

2шт.

120377

NUT,3/8" - 16, Gr 5

2шт.

120382

LOCK WASHER,Helical Spring, 3/8"

WASHER, LOCK, 3/8"

2шт.

54

627185R1

ASSEMBLY

TROUGH, grain auger, grain, maize, corn and soybean, not edible bean

1шт.

54

628656R1

SIEVE

TROUGH, grain auger, edible bean

1шт.

16897R1

CARRIAGE BOLT,Short Nk, 5/16" - 18 x 3/4", Gr 2, Full Thd

BOLT, 5/16 x 3/4 C-Z sq-nk crg

2шт.

120375

NUT,Hex, 1/4" - 20, Gr 5

17шт.

120376

NUT,5/16"-18, G5

2шт.

160541

SCREW,Cross Pan Hd, 1/4" - 20 x 3/4"

1/4 x 3/4 C-Z slt-pan-hd mach

17шт.

492-11025

LOCK WASHER,1/4"

WASHER, LOCK, 1/4"

17шт.

80681

LOCK WASHER,5/16"

WASHER, LOCK, 5/16"

2шт.

Ref #54 - Non Perforated.. 11/16/95

1шт.

Ref #54A - Perforated 11/16/95

1шт.

55

588566R91

LINK

roller

1шт.

56

150722C91

LINK

attaching

1шт.

57

588564R11

LINK

connecting

1шт.

58

588562R91

CHAIN LINK

LINK, offset

1шт.

59

150740C91

STEEL FLIGHT

FLIGHT W/ATTACHING AND ROLLER LINK, steel, regular for edible

1шт.

60

150722C91

LINK

attaching

1шт.

61

631253R91

LINK

roller

1шт.

62

653925R91

VALVE BLOCK

COVER ASSY, grain auger trough, edible bean

1шт.

120375

NUT,Hex, 1/4" - 20, Gr 5

2шт.

160541

SCREW,Cross Pan Hd, 1/4" - 20 x 3/4"

1/4 x 3/4 C-Z slt-pan-hd mach

2шт.

492-11025

LOCK WASHER,1/4"

WASHER, LOCK, 1/4"

2шт.

63

570669R1

ANGLE, grain auger trough rear cross, edible bean

1шт.

18764R1

HARDWARE,Hex, 5/16"-18 x 3/4", G2

BOLT, 5/16 x 3/4 C-Z hex-hd mach

10шт.

120376

NUT,5/16"-18, G5

10шт.

80681

LOCK WASHER,5/16"

WASHER, LOCK, 5/16"

10шт.

64

171017C1

BRACE, grain elevator lower rod, not grain tank extension w/raised leveling auger

1шт.

64

171077C1

BRACE, grain elevator lower rod, for grain tank extension w/raised leveling auger

1шт.

18766R1

BOLT,Hex, 5/16"-18 x 1 3/4", G2

5/16 x 1-3/4 znd hex-hd mach

2шт.

120376

NUT,5/16"-18, G5

2шт.

80681

LOCK WASHER,5/16"

WASHER, LOCK, 5/16"

2шт.

65

627989R91

BRACE ASSY, grain elevator front, grain tank

1шт.

16897R1

CARRIAGE BOLT,Short Nk, 5/16" - 18 x 3/4", Gr 2, Full Thd

BOLT, 5/16 x 3/4 znd sq-nk crg

2шт.

18765R1

BOLT,Hex, 5/16" - 18 x 1 1/2", Gr 2

5/16 x 1-1/2 hex-hd

2шт.

120376

NUT,5/16"-18, G5

4шт.

80681

LOCK WASHER,5/16"

WASHER, LOCK, 5/16"

4шт.

66

165292C1

SPROCKET ASSY.

SPROCKET, elevator auger shaft 6-T

1шт.

Ref #66 - for >S/N 5328. 157242C1 <S/N5328

1шт.

Выбрано товаров: 177