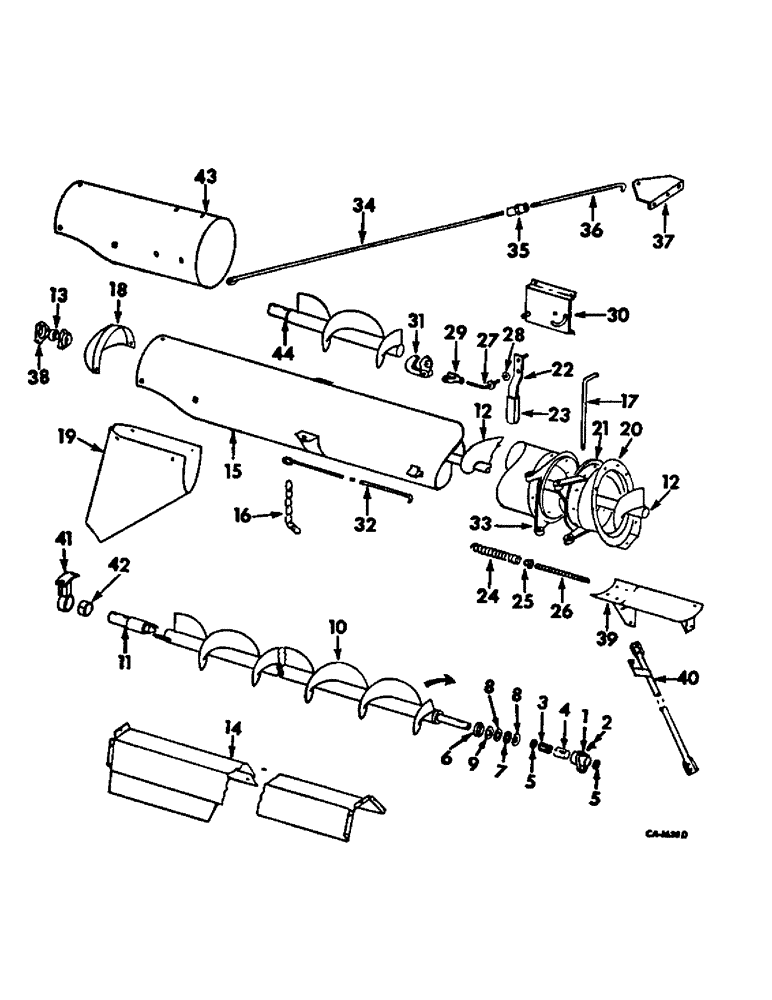
Запчасти Case IH 715 (26-12) - GRAIN TANK, GRAIN TANK UNLOADER Grain Tank

Схема запчастей Case IH 715 - (26-12) - GRAIN TANK, GRAIN TANK UNLOADER Grain Tank
30
25
6
7
11
13
36
42
40
17
20
9
44
21
39
4
29
19
16
27
12
34
8
22
8
41
3
5
43
24
31
38
35
23
37
2
5
33
15
32
18
12
28
26
1
10
14
FIT
1:1
100%

Артикул

Название

Примечание

Количество

1

564556R1

BOX

unloader lower auger brg

1шт.

648002

KNIFE

1/8" x 3/4"

1шт.

21886R1

HEADED PIN,1/4" x 1"

PIN, 1/4 x 1 C-Z std-hd

1шт.

2

80717

LUBE NIPPLE,45 Degree, 1/8" NPT x 7/8" lg

FITTING, 1/8-27 PTF 45 deg angle lub

1шт.

3

564557R91

BEARING ASSY,1" ID x 1.378" OD x 1.75"

ASSY, unloader lower auger

1шт.

4

551689R1

RACE

unloader lower auger brg

1шт.

5

564592R91

SEAL,23.5mm ID x 36.6mm OD x 6.5mm Thk

unloader lower auger brg oil

2шт.

6

U14764

WASHER

unloader lower auger thrust brg cup

1шт.

7

368372R91

THRUST BEARING

unloader lower auger thrust

1шт.

8

864982R1

THRUST WASHER,1.012" ID x 1.552" OD x 0.93"

RACE, unloader lower auger thrust brg

2шт.

9

21127R1

WASHER

thrust brg seal felt

1шт.

10

936509R91

AUGER

ASSY, unloader lower

1шт.

19471R1

PIN, SPLIT (COTTER),1/4" x 1 3/4"

1шт.

591715R1

WASHER

1-1/32 x 1-1/2 x 16 ga

4шт.

21213R1

WASHER

1-1/32 x 2 x 11 ga C-Z

1шт.

11

629482R91

STUD

ASSY, unloader auger

1шт.

18783R1

BOLT,Hex, 3/8"-16 x 2 1/2", G2

3/8 x 2-1/2 hex-hd

2шт.

120377

NUT,3/8" - 16, Gr 5

2шт.

120382

LOCK WASHER,Helical Spring, 3/8"

WASHER, LOCK, 3/8"

2шт.

21750R1

WASHER

1-29/32 x 2-1/2 x 16 ga C-Z

1шт.

12

154270C91

AUGER

ASSY, unloader upper

1шт.

13

155264C91

BALL BEARING,25.43mm ID x 52.09mm OD x 16mm W

ASSY, unloader upper auger

1шт.

14

629659R91

SHIELD ASSY, unloader lower auger

1шт.

16897R1

CARRIAGE BOLT,Short Nk, 5/16" - 18 x 3/4", Gr 2, Full Thd

BOLT, 5/16 x 3/4 sq-nk crg

3шт.

938017R1

FLANGE NUT,Flg, USR, 5/16"-18

5/16 C-Z hex. whiz lock

3шт.

172455

SELF-TAP SCREW,Sl Hex, 5/16" - 18 x 3/4"

SCREW, 5/16 x 3/4 hex-hd

4шт.

80681

LOCK WASHER,5/16"

WASHER, LOCK, 5/16"

4шт.

619855R1

WASHER

11/32 x 3/4 x 16 ga

4шт.

15

172064C91

TUBE

ASSY, unloader, includes ref. no. 33

1шт.

938016R1

FLANGE NUT,Flg, USR, 1/4"-20

1/4 flange lock

1шт.

482256R1

BEARING LOCK NUT,Flg, USR, 3/8"-16

3/8 flange lock

1шт.

106914

RIVET, 5/16 x 3/4 wgn box hd

7шт.

937059R1

SCREW,Serr, M10 x 70mm, Cl 10.9

1/4 x 1/2 znp slt-truss-hd

1шт.

477-73812

SERRATED SCREW,Truss HD, 3/8" - 16 x 3/4"

3/8 x 3/4 znp slt-truss-hd

1шт.

16

CHAIN, QA cotter retainer, order 12 links of no. 1/0 .023 40 pound test chain

1шт.

NLS

NO LONGER SERVICED

PIN, 7/16 x 3/4 cotter

1шт.

17

587686R1

PIN, unloader tube hinge

1шт.

18481R1

COTTER PIN,3/16" x 1"

PIN, SPLIT (COTTER), 3/16" x 1"

1шт.

608701R1

WASHER

21/32 x 1-1/4 x 16 ga C-Z

2шт.

18

584267R1

SUPPORT

BRACKET, unloader upper auger brg

1шт.

18764R1

HARDWARE,Hex, 5/16"-18 x 3/4", G2

BOLT, 5/16 x 3/4 znd hex-hd mach

3шт.

120376

NUT,5/16"-18, G5

3шт.

80681

LOCK WASHER,5/16"

WASHER, LOCK, 5/16"

3шт.

134238R1

WASHER

11/32 x 1 x 16 ga C-Z

2шт.

19

172071C1

SPOUT, DISCHARGE

SPOUT, unloader tube

1шт.

16897R1

CARRIAGE BOLT,Short Nk, 5/16" - 18 x 3/4", Gr 2, Full Thd

BOLT, 5/16 x 3/4 znd sq-nk crg

2шт.

18764R1

HARDWARE,Hex, 5/16"-18 x 3/4", G2

BOLT, 5/16 x 3/4 znd hex-hd mach

2шт.

120376

NUT,5/16"-18, G5

4шт.

80681

LOCK WASHER,5/16"

WASHER, LOCK, 5/16"

4шт.

134238R1

WASHER

11/32 x 1 x 16 ga C-Z

4шт.

20

171240C91

TUBE ASSY, unloader inner

1шт.

16897R1

CARRIAGE BOLT,Short Nk, 5/16" - 18 x 3/4", Gr 2, Full Thd

BOLT, 5/16 x 3/4 znd sq-nk crg

4шт.

938017R1

FLANGE NUT,Flg, USR, 5/16"-18

5/16 znd hex. whiz lock

4шт.

21

171242C1

HINGE, unloader auger inner

1шт.

106900

RIVET,Truss Hd, 1/4" x 3/4"

9шт.

22

171243C1

HANDLE ASSY, unloader tube

1шт.

274993

SHIELD

3/8 CDP torque type hex. lock

1шт.

469668R1

WASHER

13/32 x 3/4 x 16 ga C-Z

1шт.

23

938885R1

GRIP

handle

1шт.

24

PO181

SPRING, unloader tube

1шт.

25

PO2315

PLUG

spring

1шт.

26

667486R1

BOLT

BOLT, spring

1шт.

120378

NUT,Hex, 1/2" - 13, Gr 5

NUT, 1/2"-13, G5

1шт.

27

171245C1

ROD

ASSY, latch control

1шт.

648002

KNIFE

1/8" x 3/4"

1шт.

469668R1

WASHER

13/32 x 3/4 x 16 ga C-Z

1шт.

28

318329R1

WASHER

spring

1шт.

29

144243

CLEVIS

3/8-14 C-Z adj rod end

1шт.

121222

COTTER PIN,3/32" x 3/4"

PIN, SPLIT (COTTER), 3/32" x 3/4"

1шт.

138084

SPLIT PIN/SAFETY PIN

PIN, 3/8 x 1-3/32 C-Z rod end

1шт.

469668R1

WASHER

13/32 x 3/4 x 16 ga

1шт.

30

171247C1

BRACKET ASSY, tube latch support

1шт.

938017R1

FLANGE NUT,Flg, USR, 5/16"-18

5/16 C-Z whiz lock

4шт.

18481R1

COTTER PIN,3/16" x 1"

PIN, SPLIT (COTTER), 3/16" x 1"

1шт.

161945C1

SERRATED SCREW,Sl Truss Hd, 5/16" - 18 x 1"

5/16 x 1 C-Z whiz lock

4шт.

20893R1

WASHER

11/32 x 1 x 11 ga C-Z

4шт.

134238R1

WASHER

11/32 x 1 x 16 ga C-Z

2шт.

178373R1

WASHER

17/32 x 1 x 16 ga C-Z

3шт.

31

171249C1

LATCH

unloader tube

1шт.

32

172070C1

ROD, unloader tube transport

1шт.

586591R1

COTTER PIN

PIN, QA cotter

1шт.

33

171238C1

HINGE

1шт.

34

627363R1

ROD, unloader tube pivot lower front

1шт.

18797R1

BOLT

7/16 x 1-3/4 znd hex-hd mach

1шт.

NLS

NO LONGER SERVICED

NUT, 7/16 znd hex.

2шт.

35

M4175

TURNBUCKLE, unloader tube rod

1шт.

36

587892R1

ROD, unloader tube pivot upper

1шт.

280374

NUT,Hex, 5/8" - 11, Gr 5

5/8 znd hex.

1шт.

37

939603R1

ANCHOR, unloader tube pivot rod

1шт.

18494R1

BOLT,Hex, 3/8" - 16 x 1", Gr 2

3/8 x 1 znd hex-hd mach

3шт.

482256R1

BEARING LOCK NUT,Flg, USR, 3/8"-16

3/8 flange lock

1шт.

38

571424R1

FLANGE

unloader upper auger

2шт.

16897R1

CARRIAGE BOLT,Short Nk, 5/16" - 18 x 3/4", Gr 2, Full Thd

BOLT, 5/16 x 3/4 znd sq-nk crg

3шт.

120376

NUT,5/16"-18, G5

3шт.

80681

LOCK WASHER,5/16"

WASHER, LOCK, 5/16"

3шт.

39

170988C1

SUPPORT ASSY, unloader auger

1шт.

12872R1

BOLT,Short NK, 5/16"-18 x 1", G2, Full Thd

CARRIAGE, Short NK, 5/16"-18 x 1", G2, Full Thd

9шт.

18494R1

BOLT,Hex, 3/8" - 16 x 1", Gr 2

3/8 x 1 hex-hd

2шт.

938017R1

FLANGE NUT,Flg, USR, 5/16"-18

5/16 C-Z whiz lock

9шт.

482256R1

BEARING LOCK NUT,Flg, USR, 3/8"-16

3/8 flange lock

2шт.

40

171764C1

BRACE ASSY, unloader support

1шт.

18494R1

BOLT,Hex, 3/8" - 16 x 1", Gr 2

3/8 x 1 znd hex-hd mach

2шт.

482256R1

BEARING LOCK NUT,Flg, USR, 3/8"-16

3/8 flange lock

2шт.

41

629478R92

BRACKET

SUPPORT ASSY, upper auger, includes ref no 42

1шт.

18474R1

BOLT,Hex, 5/16" - 18 x 1", Gr 2

5/16 x 1 hex-hd mach

2шт.

120376

NUT,5/16"-18, G5

2шт.

80681

LOCK WASHER,5/16"

WASHER, LOCK, 5/16"

2шт.

134238R1

WASHER

11/32 x 1 x 16 ga C-Z

4шт.

42

629481R1

BEARING

BUSHING

1шт.

43

177487C1

EXTENSION, unloader upper tube

1шт.

938016R1

FLANGE NUT,Flg, USR, 1/4"-20

1/4 whiz lock

4шт.

938017R1

FLANGE NUT,Flg, USR, 5/16"-18

5/16 whiz lock

6шт.

937059R1

SCREW,Serr, M10 x 70mm, Cl 10.9

1/4 x 1/2 slt-truss-hd

4шт.

477-73108

SERRATED SCREW,Sl Truss Hd, 5/16" - 18 x 1/2"

5/16 x 1/2 slt-truss-hd

6шт.

44

177488C1

AUGER

ASSY, unloader extension

1шт.

18783R1

BOLT,Hex, 3/8"-16 x 2 1/2", G2

3/8 x 2-1/2 hex-hd

2шт.

120377

NUT,3/8" - 16, Gr 5

2шт.

120382

LOCK WASHER,Helical Spring, 3/8"

WASHER, LOCK, 3/8"

2шт.

21750R1

WASHER

1-29/32 x 2-1/2 x 16 ga

2шт.

Выбрано товаров: 119