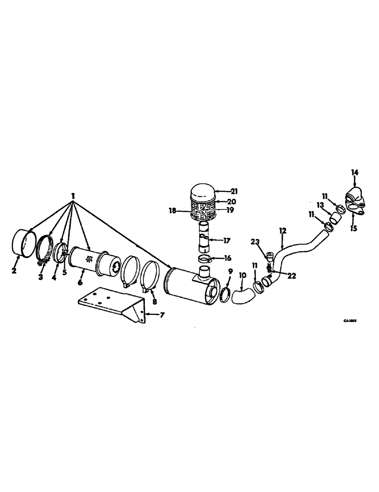
Запчасти Case IH 715 (12-09) - POWER, AIR CLEANER AND CONNECTIONS, DIESEL ENGINE COMBINES Power

Схема запчастей Case IH 715 - (12-09) - POWER, AIR CLEANER AND CONNECTIONS, DIESEL ENGINE COMBINES Power
18
11
21
4
3
15
23
22
17
16
1
11
9
1
7
19
13
14
8
12
20
11
6
10
5
FIT
1:1
100%

Артикул

Название

Примечание

Количество

1

388025R92

CLEANER ASSY, dry type air, includes ref. nos. 2 thru 6

1шт.

2

389266R91

CUP ASSY

1шт.

3

59860D

CLAMP

ASSY

1шт.

4

389265R1

CUP ASSY.

SKIRT, baffle

1шт.

5

389264R91

BOLT (SPREADER),Wing, 3/8" - 16, W/ Wshr, Gasket

BOLT ASSY

1шт.

6

389263R92

FILTER, ELEMENT

ELEMENT ASSY

1шт.

7

388027R22

BRACKET ASSY, air cleaner

1шт.

180122

BOLT,Hex, 3/8" - 16 x 1", Gr 5

3/8-16 x 1 znd hex-hd cap

2шт.

120382

LOCK WASHER,Helical Spring, 3/8"

WASHER, LOCK, 3/8"

2шт.

8

347672R91

BAND

ASSY, air cleaner

2шт.

120376

NUT,5/16"-18, G5

4шт.

180077

BOLT,Hex, 5/16" - 18 x 3/4", Gr 5

SCREW, 5/16-18 x 3/4 C-Z hex-hd cap

4шт.

80681

LOCK WASHER,5/16"

WASHER, LOCK, 5/16"

4шт.

9

397257R1

HOSE CLAMP,#52, 2.81/3.75 Type F Worm, W/liner

CLAMP, hose

1шт.

10

388445R2

INTAKE AIR HOSE,2.75" ID, 3.00" ID, SAE 20R4 Class SC R1

Air Cleaner Pipe 2.75" ID, 3.00" ID, SAE 20R4 Class SC R1

1шт.

11

397257R1

HOSE CLAMP,#52, 2.81/3.75 Type F Worm, W/liner

CLAMP, hose

3шт.

12

397271R91

PIPE ASSY, air cleaner

1шт.

445671

PLUG,Sq Hd, 1/8"-27 NPTF

1/8-27 autom sq-hd pipe

1шт.

13

275340R2

HOSE, air cleaner pipe

1шт.

14

379977R1

ELBOW, intake manifold

1шт.

15

369497R2

GASKET

intake manifold elbow

1шт.

16

379974R91

CLAMP, prescreener pipe

1шт.

17

383356R2

PIPE, pre-screener 3" OD, 30" Length

1шт.

18

353758R1

CLIP

screen lock tension

1шт.

19

353639R1

VALVE SPRING

SPRING, screen lock tension

2шт.

20

393364R91

SCREEN

ASSY

1шт.

21

265515R91

PRECLEANER

PRE-SCREENER W/QUICK REMOVABLE SCREEN

1шт.

180146

BOLT,Hex, 7/16" - 14 x 1 1/8", Gr 5

SCREW, 7/16-14 x 1-1/8 C-Z hex-hd

2шт.

120383

LOCK WASHER,Helical Spring, 7/16"

WASHER, LOCK, 7/16"

2шт.

22

547008R1

ADAPTER ASSY, filter

1шт.

23

366078C1

INDICATOR

air restriction

1шт.

Выбрано товаров: 31