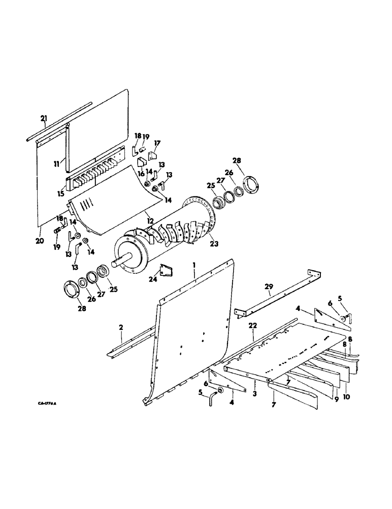
Запчасти Case IH 715 (20-12) - SEPARATOR, STRAW CHOPPER, CUTTING PARTS, SERIAL NO. 3251 AND ABOVE Separation

Схема запчастей Case IH 715 - (20-12) - SEPARATOR, STRAW CHOPPER, CUTTING PARTS, SERIAL NO. 3251 AND ABOVE Separation
29
2
7
5
17
22
1
13
6
4
14
14
27
20
5
11
21
13
3
8
15
13
25
19
23
26
16
10
24
14
14
4
13
8
18
28
19
27
6
12
9
2
18
28
26
FIT
1:1
100%

Артикул

Название

Примечание

Количество

1

174710C1

DEFLECTOR, hood rear

1шт.

938017R1

FLANGE NUT,Flg, USR, 5/16"-18

5/16 C-Z whiz lock

8шт.

477-73108

SERRATED SCREW,Sl Truss Hd, 5/16" - 18 x 1/2"

5/16 x 1/2 C-Z slt-truss-hd

8шт.

2

172749C1

EXTENSION, air deflector

1шт.

938017R1

FLANGE NUT,Flg, USR, 5/16"-18

5/16 whiz lock

11шт.

477-73108

SERRATED SCREW,Sl Truss Hd, 5/16" - 18 x 1/2"

5/16 x 1/2 slt-truss-hd

11шт.

3

175081C2

EXTENSION

SUPPORT, straw deflectors

1шт.

938017R1

FLANGE NUT,Flg, USR, 5/16"-18

5/16 C-Z whiz lock

4шт.

477-73108

SERRATED SCREW,Sl Truss Hd, 5/16" - 18 x 1/2"

5/16 x 1/2 C-Z slt-truss-hd

4шт.

4

172514C1

SUPPORT

rear deflector extension

2шт.

5

174971C1

BOLT,Adj, 5/16" - 18 x 1.60", 2"

spreader board adjusting

4шт.

6

161946C1

NUT

deflector support adjusting bolt

4шт.

564266R1

NUT

5/16 weld

4шт.

7

174671C1

DEFLECTOR

outer LH straw

2шт.

938016R1

FLANGE NUT,Flg, USR, 1/4"-20

1/4 C-Z whiz lock

12шт.

937059R1

SCREW,Serr, M10 x 70mm, Cl 10.9

1/4 x 1/2 C-Z slt-truss-hd

12шт.

8

174672C1

DEFLECTOR

outer RH straw

2шт.

938016R1

FLANGE NUT,Flg, USR, 1/4"-20

1/4 C-Z whiz lock

12шт.

937059R1

SCREW,Serr, M10 x 70mm, Cl 10.9

1/4 x 1/2 C-Z slt-truss-hd

12шт.

9

174673C1

DEFLECTOR

center LH straw

1шт.

10

174674C1

DEFLECTOR

center RH straw

1шт.

11

171158C1

DEFLECTOR

front upper

1шт.

16897R1

CARRIAGE BOLT,Short Nk, 5/16" - 18 x 3/4", Gr 2, Full Thd

BOLT, 5/16 x 3/4 znd sq-nk crg

6шт.

938017R1

FLANGE NUT,Flg, USR, 5/16"-18

5/16 C-Z whiz lock

6шт.

482256R1

BEARING LOCK NUT,Flg, USR, 3/8"-16

3/8 whiz lock

2шт.

477-73812

SERRATED SCREW,Truss HD, 3/8" - 16 x 3/4"

3/8 x 3/4 C-Z slt-truss-hd

2шт.

12

174699C1

DEFLECTOR

ASSY, front lower

1шт.

13

174685C1

BOLT,Adj, 3/8" - 16 x 2.10", 2.50"

front deflector adjusting

4шт.

14

174688C1

NUT

front deflector adjusting bolt

4шт.

15

174701C91

SUPPORT ASSY.

BAR ASSY, chopper concave, includes ref. nos. 16 and 17

1шт.

16

174680C1

BLADE

concave

9шт.

104235

RIVET,FH, 3/16" x 1/2"

18шт.

17

174681C1

BLADE

concave end

1шт.

104235

RIVET,FH, 3/16" x 1/2"

2шт.

18

174689C1

PIN

stationary knife adjusting

2шт.

18607R1

LOCK PIN,1/8" x 3/4", Slotted

PIN, 1/8" x 3/4", Slotted

2шт.

23408R1

WASHER

15/32 x 3/4 x 16 ga C-Z

2шт.

19

352105R1

SPRING

stationary knife adjusting pin

2шт.

20

175031C1

FLAP

separator rear check, for corn

1шт.

21

157176C1

ROD

sepatator check flap, for corn

1шт.

648002

KNIFE

1/8" x 3/4"

1шт.

22

159012C1

ROD

straw defector support

1шт.

648002

KNIFE

1/8" x 3/4"

1шт.

23

174639C91

ROTOR

W/BLADES, straw chopper, includes ref no. 24

1шт.

24

174641C1

BLADE

straw chopper rotor, serial no. 8000 and below

22шт.

24

197124C1

PACKAGE

BLADE, service package, serial no. 8001 and above

1шт.

487374R1

BEARING LOCK NUT,Flg, USR, 1/2"-13

1/2 C-Z whiz lock

44шт.

180173

BOLT,Hex, 1/2" - 13 x 1", Gr 5

44шт.

25

936133R91

BEARING ASSY,38.1mm ID x 80mm OD x 18mm W

BEARING ASSY, rotor shaft ball

2шт.

26

455112R11

COLLAR

ASSY, locking w/set screw

2шт.

102592

SET SCREW,Hex Skt, 3/8" - 16 x 3/8"

SCREW, 3/8 x 3/8 hex-soc-hd cup-pt set

2шт.

27

936131R1

RUBBER RING,92.46mm ID x 23.01mm OD x 23.01mm L

bearing

2шт.

28

936130R1

FLANGE

bearing mounting

2шт.

18707R1

CARRIAGE BOLT,Short Sq Nk, 1/2" - 13 x 1", Gr 2

BOLT, 1/2 x 1 sq-nk crg

1шт.

12686R1

CARRIAGE BOLT,Sq Nk, 1/2" - 13 x 1/2", Gr 2, Full Thd

BOLT, CARRIAGE, Short NK, 1/2"-13 x 1 1/2", G2, Full Thd

1шт.

120378

NUT,Hex, 1/2" - 13, Gr 5

NUT, 1/2"-13, G5

1шт.

120384

WASHER,1/2"

LOCK, 1/2"

1шт.

29

175088C1

REINFORCEMENT

HINGE, for corn

1шт.

938017R1

FLANGE NUT,Flg, USR, 5/16"-18

5/16 whiz lock

7шт.

135270

SERRATED SCREW,5/16" - 18 x 3/4"

5/16 x 3/4 slt-truss-hd

7шт.

Выбрано товаров: 60