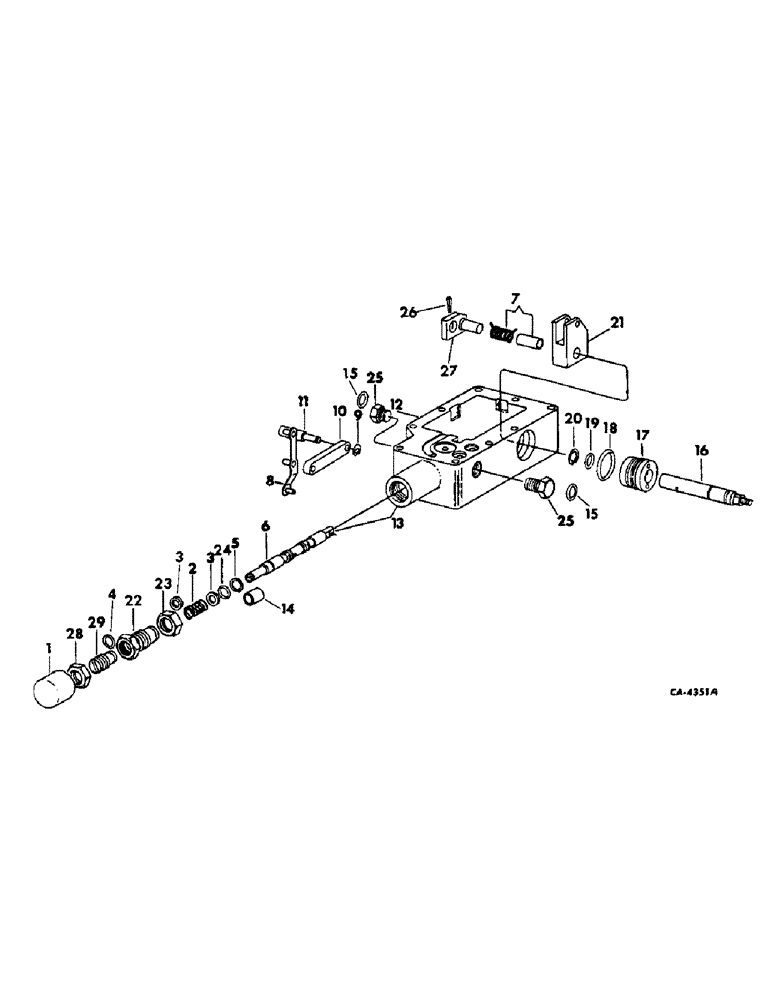
Запчасти Case IH 715 (10-16) - HYDRAULICS, HYDRAULIC TRANSMISSION PUMP, CONTROL VALVE (07) - HYDRAULICS

Схема запчастей Case IH 715 - (10-16) - HYDRAULICS, HYDRAULIC TRANSMISSION PUMP, CONTROL VALVE (07) - HYDRAULICS
23
12
9
1
14
29
2
25
7
3
5
21
20
15
26
27
16
6
15
18
3
17
13
4
24
28
10
11
8
19
22
25
FIT
1:1
100%

Артикул

Название

Примечание

Количество

1

400546R1

COVER

center spring housing

1шт.

2

527554R1

SPRING

centering

1шт.

3

527553R1

SPRING WASHER

centering spring

2шт.

4

364840R1

O-RING,0.07" Thk x 0.801" ID, -19, Cl 5, 75 Duro

13/36 x 15/16 x 1/16

1шт.

5

233045R1

SNAP RING,#25, Ext, Crescent

Ring, Snap, , Spring adjusting screw #25, Ext, Crescent

1шт.

6

VALVE SPOOL, not serviced separately order spool and housing kit, 533856R1

1шт.

7

71923C91

KIT

sleeve and spring

1шт.

8

128033C1

LINK ASSY.

LINK ASSY, control valve

1шт.

9

21346R1

SNAP RING,#25, Ext, E-Type

Ring, Retaining, , valve link pivot pin #25, Ext, E-Type

1шт.

10

406904R1

ELEC CONNECTOR

CONNECTOR, control valve link

1шт.

11

406905R1

PIN

control valve handle shaft link

1шт.

12

VALVE HOUSING, not serviced separately order spool and housing kit, 533856R1

1шт.

13

533856R1

VALVE

KIT, control valve and spool

1шт.

702222

SUPPORT

1/4 x 2-1/4 pln type 5

1шт.

385180R1

WASHER

9/32 x 1/2 x .065

1шт.

14

394227R1

SLEEVE

centering spring

1шт.

15

369751R1

O-RING,0.072" Thk x 0.351" ID, -904, Cl 6, 90 Duro

4-1, 90 Duro, .351" ID x .072" Thk, 1/4 OD tube

2шт.

16

394228R1

SHAFT

control valve handle

1шт.

17

404711R1

BUSHING

control shaft

1шт.

18

23178R1

O-RING,0.07" Thk x 1.051" ID, -23, Cl 5, 75 Duro

-023, 70 Duro, 1.051" ID x .070" Thk

1шт.

19

379365R1

O-RING,0.07" Thk x 0.364" ID, -12, Cl 6, 90 Duro

3/8 x 1/2 x 1/16

1шт.

20

235529R1

SNAP RING,#50, Ext, Crescent

Ring, Snap, , handle #50, Ext, Crescent

1шт.

21

406903R1

LINK

handle shaft

1шт.

22

394222R1

HOUSING

center spring

1шт.

23

394223R1

LOCK NUT

centering spring housing

1шт.

24

370920R1

O-RING,1/2" ID

1/2 x 5/8 x 1/16

1шт.

25

9410356

PLUG

7/16-20 str thr o-ring boss

2шт.

26

18518R1

LOCK PIN,1/8" x 1", Slotted

PIN, 1/8" x 1", Slotted

1шт.

27

394232R1

ARM

ACUTUATOR, spring

1шт.

28

219758

JAM NUT,Jam, 3/4"-10, G5

3/4-16 hex jam

1шт.

29

394224R1

SCREW,Sl, 3/4" - 16 x 1.56"

centering spring adjusting

1шт.

142876C91

HYDRAULIC VALVE

KIT, control valve, replacing 128032C91 valve assy, consists of

1шт.

404711R1

BUSHING

1шт.

394237R2

GASKET

1шт.

404782R1

HANDLE

1шт.

533856R1

VALVE

KIT, valve and spool

1шт.

23178R1

O-RING,0.07" Thk x 1.051" ID, -23, Cl 5, 75 Duro

-023, 70 Duro, 1.051" ID x .070" Thk

1шт.

382997R1

O-RING,0.07" Thk x 0.489" ID, -14, Cl 6, 90 Duro

1шт.

9410356

PLUG

1шт.

404783R1

SPACER

1шт.

369751R1

O-RING,0.072" Thk x 0.351" ID, -904, Cl 6, 90 Duro

4-1, 90 Duro, .351" ID x .072" Thk

1шт.

Выбрано товаров: 41