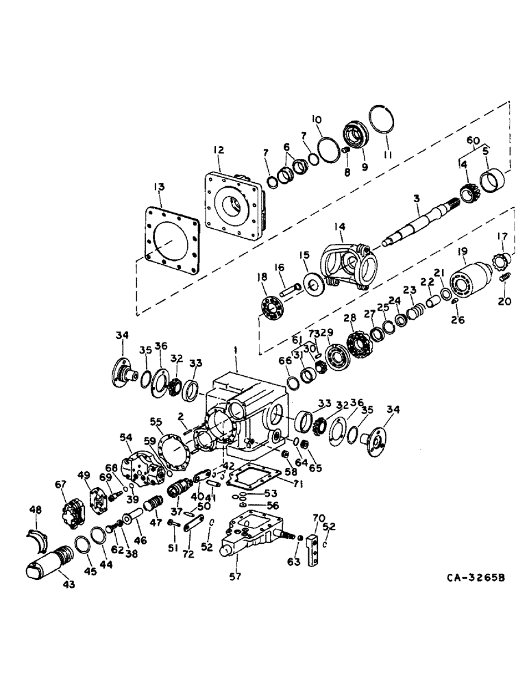
Запчасти Case IH 715 (10-17) - HYDRAULICS, HYDRAULIC TRANSMISSION PUMP, FOR HYDROSTATIC GROUND DRIVE (07) - HYDRAULICS

Схема запчастей Case IH 715 - (10-17) - HYDRAULICS, HYDRAULIC TRANSMISSION PUMP, FOR HYDROSTATIC GROUND DRIVE (07) - HYDRAULICS
27
51
2
33
8
15
55
40
9
19
32
10
4
69
5
25
23
48
52
56
58
30
3
65
63
46
18
61
35
44
22
59
53
39
20
13
47
14
7
26
60
52
11
72
54
34
62
17
16
45
67
28
34
37
36
12
42
41
71
24
43
35
36
33
68
64
7
49
32
70
66
6
57
50
38
21
3
1
29
73
FIT
1:1
100%

Артикул

Название

Примечание

Количество

67863C92

REMAN-HYD PUMP

PUMP ASSY, ground drive, renewed

1шт.

280374

NUT,Hex, 5/8" - 11, Gr 5

5/8 type 5

1шт.

271725

SNAP RING,Hex, 5/8" - 11 x 2 1/2", Gr 5

5/8 X 2-1/2 type 5

1шт.

492-11062

BEARING WASHER,5/8"

WASHER, LOCK, 5/8"

1шт.

614774R1

WASHER, 21/32 x 1-11/16 x 3/16

1шт.

1

394179R1

HOUSING

transmission pump

1шт.

2

21061R1

DOWEL,3/8" x 1/2"

PIN, 3/8 x 1/2 dowel

4шт.

3

394180R1

SHAFT

pump drive

1шт.

4

BEARING ASSY, drive shaft front cone not serviced separately order bearing assy, 394181R91

1шт.

5

BEARING, drive shaft front cup, not serviced separately order bearing assy, 394181R91

1шт.

6

403072R92

O-RING KIT

o-ring and seal, includes ref. no. 7, 8, and 10

1шт.

7

26078R1

O-RING,-129, Cl 7, 1.549" ID x .103" Thk

1-9/16 x 1-3/4 x 3/32

2шт.

8

393882R1

SPRING

drive shaft face seal retainer

6шт.

9

393881R91

RETAINER

ASSY, drive shaft face seal

1шт.

10

707220R1

O-RING,0.139" Thk x 2.984" ID, -234, Cl 5, 75 Duro

3 x 3-1/4 x 1/8

1шт.

11

393883R1

SNAP RING,3.346", Int, #334

Ring, Snap, , drive shaft face seal 3.346", Int, #334

1шт.

12

394183R1

COVER, transmission pump front

1шт.

179839

BOLT,Hex, 3/8" - 16 x 1", Gr 5

1шт.

179841

BOLT,Hex, 3/8" - 16 x 1 1/4", Gr 5

3/8-16 x 1-1/4 pln type 5

1шт.

179850

BOLT,Hex, 3/8" - 16 x 2 3/4", Gr 5

3/8 x 2-3/4 pln type 5

1шт.

394881R1

WASHER

13/32 x 11/16 x .106

1шт.

13

394184R1

GASKET

transmission pump front cover

1шт.

14

394185R1

SWASHPLATE, transmission pump

1шт.

15

394186R3

PLATE

piston slipper thrust

1шт.

16

142484C1

PISTON ASSY.

PISTON ASSY, cylinder block, replaces 539252R1 piston assy

9шт.

17

394188R1

GUIDE

cylinder block piston slipper

1шт.

18

394189R1

RETAINER

cylinder block piston slipper

1шт.

19

133789C92

KIT

cylinder block consist of

1шт.

394188R1

GUIDE

retainer

1шт.

394193R1

BUSHING

GUIDE, spring

1шт.

394197R1

RING

PILOT, bearing plate

1шт.

527636R1

PIN

piston cylinder

1шт.

142484C1

PISTON ASSY.

PISTON ASSY

9шт.

399406R1

PLATE

bearing

1шт.

394189R1

RETAINER

slipper

1шт.

394195R1

RETAINER

spring

1шт.

21016R1

SNAP RING,#231, 2.413, Int, Spiral

RING, internal retaining

1шт.

394192R1

SEAT

spring

1шт.

532303R2

SPRING

cylinder block

1шт.

67789C1

SPRING

retainer

6шт.

20

67789C1

SPRING

piston cylinder block

6шт.

21

394192R1

SEAT

piston cylinder block spring

1шт.

22

394193R1

BUSHING

drive shaft rear spring

1шт.

23

532290R2

SPRING

cylinder block bearing plate

1шт.

24

394195R1

RETAINER

drive shaft rear spring

1шт.

25

21016R1

SNAP RING,#231, 2.413, Int, Spiral

RING, drive shaft rear spring retainer snap

1шт.

26

527636R1

PIN

cylinder block bearing plate

1шт.

27

394197R1

RING

cyl block bearing plate pilot

1шт.

28

399406R1

PLATE

cylinder block bearing

1шт.

29

530769R1

PLATE

cylinder block valve

1шт.

30

CONE ASSY, drive shaft rear pilot bearing, not serviced separately order bearing assy, 394200R91

1шт.

31

CUP, drive shaft rear pilot bearing, not serviced separately order bearing assy, 394200R91

1шт.

32

165963R91

BEARING

CONE ASSY, swashplate bearing

2шт.

33

560954R1

BEARING ASSY,1.37525" ID x 2.8755" OD x 0.9688"

CUP, swashplate bearing

2шт.

34

393204R1

TRUNNION, swashplate bearing

1шт.

179837

BOLT,Hex, 3/8" - 16 x 3/4", Gr 5

1шт.

394881R1

WASHER

13/32 x 11/16 x 106

1шт.

35

21003R1

O-RING,2.484" ID x 2.762" OD x 0.139"

2-1/2 x 2-3/4 x 1.8

2шт.

36

394205R91

SET

swashplate brg trunnion gasket

1шт.

37

537761R1

PISTON

servo

2шт.

38

394207R1

WASHER

servo piston bolt

2шт.

39

364885R1

O-RING,0.097" Thk x 0.755" ID, -910, Cl 6, 90 Duro

3/4 x 15/16 x 3/32

1шт.

40

549725R1

LINK

servo piston

2шт.

41

65797C1

PIN

servo link

4шт.

42

267805R1

RING

servo piston link pin snap

8шт.

43

403074R2

SLEEVE

servo piston

2шт.

44

327110R1

O-RING,-144, 90 Duro, 2.487" ID x .103" Thk

2-1/2 x 2-11/16 x 3/32

2шт.

45

21005R1

O-RING,0.103" Thk x 2.362" ID, -142, Cl 5, 75 Duro

2-3/8 x 2-9/16 x 3/32

2шт.

46

394211R1

GUIDE

servo piston spring

2шт.

47

549726R1

SPRING

servo piston

2шт.

48

394213R1

RETAINER

servo piston sleeve

2шт.

536291R1

SCREW

10-24 x 3/8 hex-soc-hd

1шт.

49

533858R1

GASKET

charge pump

1шт.

50

394215R1

PIN

control valve link front

1шт.

51

404781R1

PIN

control valve link rear

1шт.

137130

PIN

1/16 x 7/16 pln cot

1шт.

385180R1

WASHER

9/32 x 1/2 x .065

1шт.

52

21346R1

SNAP RING,#25, Ext, E-Type

Ring, Retaining, , control valve link pin #25, Ext, E-Type

2шт.

53

382997R1

O-RING,0.07" Thk x 0.489" ID, -14, Cl 6, 90 Duro

1/2 x 5/8 x 1/16

3шт.

54

530731R1

CAP

COVER, transmission pump rear end

1шт.

179847

BOLT,Hex, 3/8" - 16 x 2", Gr 5

1шт.

280161

BOLT,Hex, 3/8" - 16 x 3", Gr 5

1шт.

394881R1

WASHER

13/32 x 11/16 x .106

1шт.

55

394218R1

GASKET

trans pump rear end cover

1шт.

56

394219R1

PLUG

control valve orifice

1шт.

57

VALVE ASSY, control, refer to this group under hyd transmission pump control valve

1шт.

58

444687

PLUG,Hex Soc, 1/8"-27

Automotive, Pipe Hex Soc, 1/8"-27

1шт.

59

382997R1

O-RING,0.07" Thk x 0.489" ID, -14, Cl 6, 90 Duro

1/2 x 5/8 x 1/16

1шт.

60

394181R91

BEARING ASSY,1.563" ID x 3.1572" OD x 1.1593, 0.9375"

ASSY, drive shaft front

1шт.

61

394200R91

BEARING ASSY,1.0005" ID x 2.3442" OD x 0.923, 0.72"

ASSY, drive shaft rear

1шт.

62

537762R1

SCREW

1/4-20 1-5/8 nylon coated hex-hd cap

2шт.

63

404783R1

SPACER

control valve handle

1шт.

64

369751R1

O-RING,0.072" Thk x 0.351" ID, -904, Cl 6, 90 Duro

4-1, 90 Duro, .351" ID x .072" Thk, 1/4 OD tube

3шт.

65

9410356

PLUG

7/16-20 hex-hd o-ring boss

3шт.

66

404780R1

SHIM

pump shaft rear bearing .010

1шт.

67

404777R92

PUMP, HYDRAULIC

PUMP ASSY, charge RH

1шт.

179809

BOLT,Hex, 1/4" - 20 x 3", Gr 5

1шт.

385180R1

WASHER

9/32 x 1/2 x .065

1шт.

68

371544R1

O-RING,0.07" Thk x 0.551" ID, -15, Cl 5, 75 Duro

9/16 x 11/16 x 1/16

1шт.

69

394238R91

VALVE

ASSY, charge pump check

2шт.

70

404782R1

HANDLE

control valve shaft

1шт.

114501

JAM NUT,Jam, 1/4"-20, G5

1шт.

493-41026

LOCK WASHER,Ext Tooth, 1/4"

WASHER, 1/4 ext tooth lock

1шт.

71

394237R2

GASKET

control valve housing

1шт.

72

394214R1

LINK

control valve

1шт.

73

394825R1

DOWEL

PIN, 5/16 x 5/8 dowel

1шт.

Выбрано товаров: 0