Запчасти Case IH 715 (10-28) - HYDRAULICS, STEERING VALVE (07) - HYDRAULICS

Схема запчастей Case IH 715 - (10-28) - HYDRAULICS, STEERING VALVE (07) - HYDRAULICS
10
8
13
6
7
12
3
1
11
14
2
4
9
5
2
4
FIT
1:1
100%

Артикул

Название

Примечание

Количество

171920C91

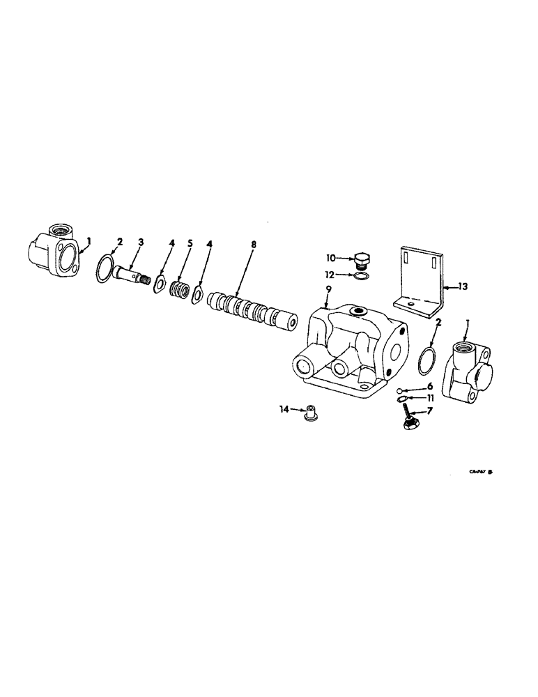
VALVE ASSY, steering, includes ref. nos. 1 thru 12

1шт.

18779R1

BOLT,Hex, 3/8"-16 x 1 1/2", Gr 2

3/8 x 1-1/2 type 1

1шт.

1

379894R1

CAP

end

2шт.

2

387088R1

SEALING RING,1.237" ID x 0.103" Width

SEAL, end cap

2шт.

3

379896R1

SCREW,3/8" - 24, Drilled, W/ Nylon Pellet

spring centering

1шт.

4

379897R1

WASHER

centering screw

2шт.

5

397754R1

SPRING, valve centering

1шт.

6

16008R1

BALL,1/4" Dia, Steel

1/4 dia.

1шт.

7

379901R91

PLUG

ASSY, includes ref. no. 11

1шт.

8

SPOOL, steering valve, not serviced separately order 171920C91 valve assy

1шт.

9

BODY, steering valve, not serviced separately order 171920C91 valve assy

1шт.

10

9410357

PLUG

o-ring boss

1шт.

11

379795R1

O-RING,0.064" Thk x 0.301" ID, -903, Cl 6, 90 Duro

3-1, .301" ID x .064" Thk, Boss plug

1шт.

12

369384R1

O-RING,0.072" Thk x 0.414" ID, -905, Cl 6, 90 Duro

5-1, 90 Duro, .414" ID x .072" Thk, Boss plug not used in this application

1шт.

14

198374C1

NUT

INSULATOR, vibration mount

2шт.

379793R91

O-RING

KIT ASSY, repair

1шт.

Выбрано товаров: 16