Запчасти Case IH 715 (10-30) - HYDRAULICS, PROPULSION AND REEL LIFT VALVE, BELT DRIVE (07) - HYDRAULICS

Схема запчастей Case IH 715 - (10-30) - HYDRAULICS, PROPULSION AND REEL LIFT VALVE, BELT DRIVE (07) - HYDRAULICS
2
17
5
9
15
7
1
20
1
13
14
7
14
12
9
10
6
11
13
13
4
20
1
5
6
14
3
11
4
9
12
1
14
18
19
2
9
21
11
16
3
13
19
18
17
11
16
8
15
12
12
8
FIT
1:1
100%

Артикул

Название

Примечание

Количество

164754C91

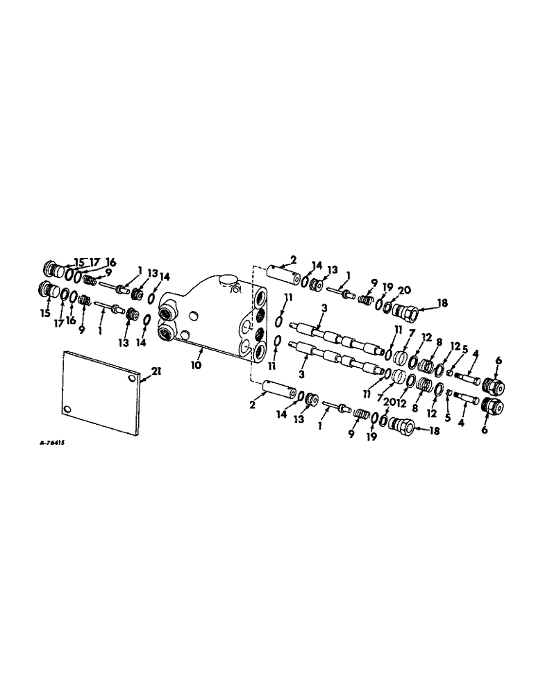
VALVE

ASSY, grain tank unloader tube swing and reel lift valve, includes ref. nos. 1 thru 20

1шт.

18660R1

BOLT,Hex, 1/4" - 20 x 2 1/4", Gr 2

1/4 x 2-1/4 type 1

1шт.

120375

NUT,Hex, 1/4" - 20, Gr 5

1шт.

492-11025

LOCK WASHER,1/4"

WASHER, LOCK, 1/4"

1шт.

1

588351R91

VALVE

POPPET ASSY

4шт.

2

588352R1

PLUNGER

lockout

2шт.

3

SPOOL, not serviced separately order 167754C91 valve assy

2шт.

4

674491R1

SCREW

spool

2шт.

5

674492R1

SPACER

spool

2шт.

6

674493R91

CAP

ASSY

2шт.

7

674775R1

BUSHING

2шт.

8

674490R1

SPRING

spool center

2шт.

9

674509R1

SPRING

lockout

4шт.

10

BODY, not serviced separately order 164754C91 valve assy

1шт.

11

252739R1

O-RING,0.103" Thk x 0.487" ID, -112, Cl 5, 75 Duro

1/2 x 11/16 x 3/32

4шт.

12

673628R1

WASHER

4шт.

13

674505R91

SEAT

ASSY, includes ref. no. 14

1шт.

14

370920R1

O-RING,1/2" ID

1/2 x 5/8 x 1/16

4шт.

15

674506R91

PLUG

ASSY, seat retainer, includes ref. nos. 16 and 17

1шт.

16

350429R1

O-RING,0.103" Thk x 0.612" ID, -114, Cl 5, 75 Duro

5/8 x 13/16 x 3/32

2шт.

17

587585R1

WASHER

backup

2шт.

18

674507R1

PLUG ASSY, port adapter, includes ref. nos. 19 and 20

1шт.

19

350429R1

O-RING,0.103" Thk x 0.612" ID, -114, Cl 5, 75 Duro

5/8 x 13/16 x 3/32

2шт.

20

587595R1

WASHER, backup

2шт.

21

(Not used in this application)

1шт.

168028C91

PACKAGE, REPAIR

KIT ASSY, major seal repair, consists of (4) poppet assy, 588351R91, (4) o-ring 1/2 x 11/16 x 3/32 252739R1, (4) o-rings 5/8 x 13/16 x 3/32 350429R1, (4) washer, back-up, (4) o-rings 1/2 x 5/8 x 1/16 370920R1

1шт.

Выбрано товаров: 26