Запчасти Case IH 715 (21-06) - THRESHING CYLINDER AND CONCAVE, CYLINDER CHAIN DRIVE AND SLIP CLUTCH, CHAIN DRIVE (14) - THRESHING

Схема запчастей Case IH 715 - (21-06) - THRESHING CYLINDER AND CONCAVE, CYLINDER CHAIN DRIVE AND SLIP CLUTCH, CHAIN DRIVE (14) - THRESHING
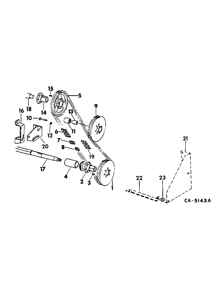
17
11
3
16
4
13
18
2
5
14
19
12
6
8
23
15
22
9
1
21
7
10
20
FIT
1:1
100%

Артикул

Название

Примечание

Количество

1

171191C1

SPROCKET, cylinder, 25 T, double standard

1шт.

1

158418C1

DRIVE SPROCKET

SPROCKET, cylinder, 30 T, double standard

1шт.

1

158421C1

SPROCKET, cylinder, 48 T, double standard

1шт.

1

171133C1

SPROCKET, cylinder, 22 T, double standard for grain, maize and, windrow special and edible bean

1шт.

1

160121C1

SPROCKET ASSY.

SPROCKET, cylinder, 35 T, double, parts accessory

1шт.

1

158420C1

SPROCKET, cylinder drive, 54 T, edible bean, parts accessory

1шт.

1

179106C1

SPROCKET, cylinder drive, 75 T, edible bean

1шт.

130560R1

SCREW,Hex, 7/16" - 14 x 2 1/4"

BOLT, 7/16 x 2-1/4 type 8

1шт.

366863R1

WASHER, 7/16 rib lock

1шт.

2

171192C1

HUB, cylinder driven

1шт.

3

38260D

KEY

3/8 x 2-3/4 Woodruff

1шт.

4

171193C1

SPACER, cylinder driven hub

1шт.

5

171191C1

SPROCKET, cylinder, 25 T, double standard

1шт.

5

158418C1

DRIVE SPROCKET

SPROCKET, cylinder, 30 T, double standard

1шт.

5

158421C1

SPROCKET, cylinder, 48 T, double standard

1шт.

5

171133C1

SPROCKET, cylinder, 22 T, double standard for grain, maize and windrow special and edible bean

1шт.

5

160121C1

SPROCKET ASSY.

SPROCKET, cylinder, 35 T, double, parts accessory

1шт.

5

158420C1

SPROCKET, cylinder drive, 54 T, edible bean, parts accessory

1шт.

5

179106C1

SPROCKET, cylinder drive, 75 T, edible bean

1шт.

170006R1

BOLT, 7/16 x 3 type 8

1шт.

366863R1

WASHER, 7/16 rib lock

1шт.

6

CHAIN ASSY, cylinder drive double roller, use 79 links from 10-ft roll marked 1355D, one offset link 570988R91, four connecting links 569206R91 and two roller links 1316D

1шт.

7

1313D

CHAIN LINK

LINK, offset, double pitch

1шт.

7

1316D

CHAIN LINK

LINK, roller

2шт.

8

569206R91

CHAIN LINK

LINK, connecting, double pitch

1шт.

9

172076C91

SPROCKET ASSY, cylinder drive chain tightener, 20 T, includes ref no 11

1шт.

10

575280R1

BOLT (SPREADER)

BOLT, cylinder drive tightener

1шт.

124589

BALL STUD,Hex, 5/8" - 11 x 2", Gr 5

5/8 C-Z hex

1шт.

492-11062

BEARING WASHER,5/8"

WASHER, LOCK, 5/8"

1шт.

NLS

NO LONGER SERVICED

.656 x 1.312 x .074

1шт.

21783R1

SQ HOLE WASHER,41/64" x 1 1/2" x .105", Sq Hole

21/32 sq x 1-1/2 x 12 ga C-Z

1шт.

11

577006R91

NEEDLE BEARING,Needle, 22.2mm ID x 33.36mm OD x 38.1mm W

ASSY, tightener sprocket

1шт.

12

332040

LUBE NIPPLE,90 Degree, 1/8" NPT x .84" lg

FITTING, 1/8 90 deg angle lub

1шт.

13

578607R1

SLEEVE CYLINDER

SLEEVE, cyl drive tightener sprocket

1шт.

14

1711795C1

HUB, cylinder drive

1шт.

15

174403C1

KEY

3/8 x 3-1/8 parallel

1шт.

16

171196C1

BRACKET ASSY, cylinder drive tightener

1шт.

18695R1

CARRIAGE BOLT,Short Sq Nk, 7/16" - 14 x 1 1/4", Gr 2

BOLT, 7/16 x 1-1/4 crg type 1

1шт.

454998

BOLT,Hex, 1/2" - 13 x 1", Gr 8

1/2 x 1 znd hex-hd mach

1шт.

NLS

NO LONGER SERVICED

NUT, 7/16 type 5

1шт.

21330R1

NUT,1/2"-13, G8

1/2 C-Z hex

1шт.

120383

LOCK WASHER,Helical Spring, 7/16"

WASHER, LOCK, 7/16"

1шт.

120384

WASHER,1/2"

LOCK, 1/2"

1шт.

17

SHAFT ASSY, cylinder, refer to this group under cylinder, rasp bar

1шт.

18

SHAFT ASSY, cylinder beater, refer to this group under cylinder beater

1шт.

19

CHAIN ASSY, cylinder drive double roller extension, standard for edible bean, use 5 links from 10-ft roll marked 1355D, three connecting links 569206R91, one two pitch combination offset link 570988R91 and two offset links 1316D

1шт.

19

CHAIN, cylinder drive extension, edible bean, use 13 links from roll marked 1355D and 1 connecting link 569206R91

1шт.

20

178935C1

ANGLE, cylinder drive idler support, edible bean

1шт.

17351R1

CARRIAGE BOLT,Short Sq Nk, 3/8" - 16 x 1", Gr 2

BOLT, 3/8 x 1 sq-nk crg

1шт.

18821R1

BOLT

5/8 x 1-1/4 hex-hd

1шт.

120377

NUT,3/8" - 16, Gr 5

1шт.

280374

NUT,Hex, 5/8" - 11, Gr 5

5/8 hex

1шт.

120382

LOCK WASHER,Helical Spring, 3/8"

WASHER, LOCK, 3/8"

1шт.

492-11062

BEARING WASHER,5/8"

WASHER, LOCK, 5/8"

1шт.

21

SUPPORT, cylinder drive shield, refer to this group under variable cylinder drive-belt drive

1шт.

22

SUPPORT, cylinder drive, refer to this group under variable cylinder drive-belt drive

1шт.

23

120393

BEARING WASHER,5/16", SAE

WASHER, .344 x .688 x .65

5шт.

Выбрано товаров: 57