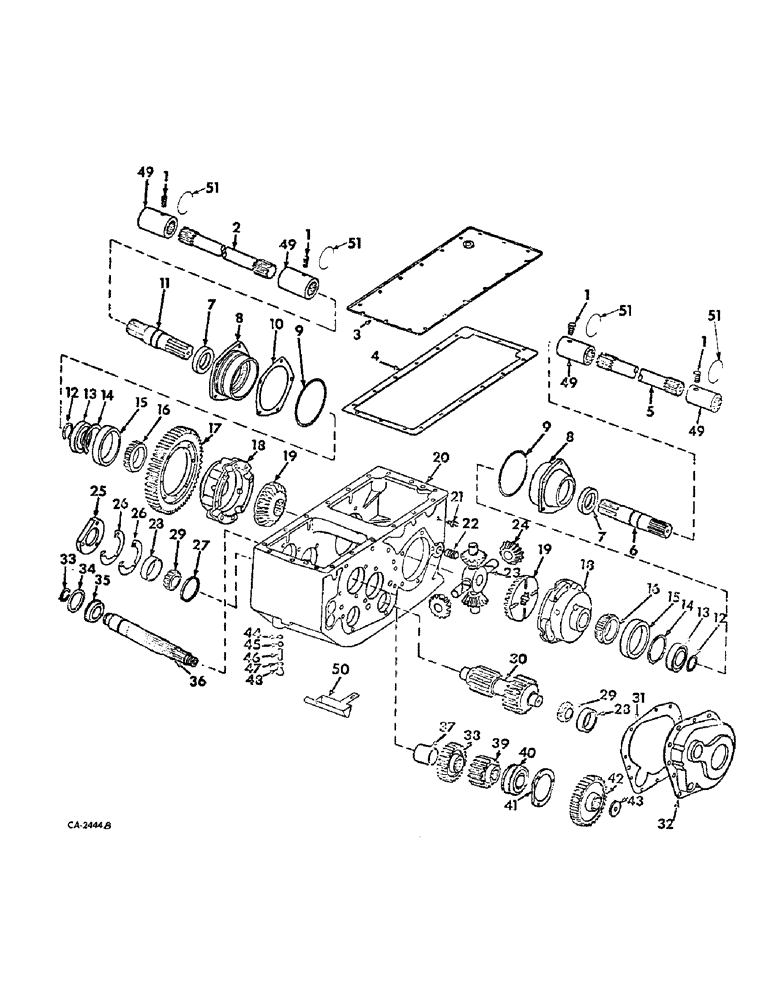
Запчасти Case IH 715 (07-01) - DRIVE TRAIN, TRANS., TRANS. CASE, DIFFERENL. PINION SHAFT, DIFFERENL. AND TRANS., INTERMEDIATE SHAFT Drive Train

Схема запчастей Case IH 715 - (07-01) - DRIVE TRAIN, TRANS., TRANS. CASE, DIFFERENL. PINION SHAFT, DIFFERENL. AND TRANS., INTERMEDIATE SHAFT Drive Train
1
49
36
51
30
17
1
41
18
24
16
23
46
15
19
10
49
8
35
33
28
4
49
37
9
51
51
49
9
14
22
45
12
50
7
29
39
31
21
19
27
18
28
32
13
3
6
8
42
15
40
47
20
5
13
43
33
2
44
26
1
16
25
34
14
7
12
29
51
43
11
26
1
FIT
1:1
100%

Артикул

Название

Примечание

Количество

1

22337R1

PIN,1/4" x 2 1/2", Coiled

4шт.

2

533736R1

SHAFT, axle drive left

1шт.

3

531070R1

COVER, transmission case

1шт.

179837

BOLT,Hex, 3/8" - 16 x 3/4", Gr 5

1шт.

179840

BOLT,Hex, 3/8" - 16 x 1 1/8", Gr 5

SCREW, 3/8-16 x 1-1/4 hex-hd cap

1шт.

93-41039

LOCK WASHER,Ext Tooth, 3/8"

WASHER, 3/8 ext-tooth lock

1шт.

4

573998R2

GASKET

transmission case cover

1шт.

5

533737R1

SHAFT

axle drive right

1шт.

6

380026R1

SHAFT

differential RH

1шт.

7

380182R91

OIL SEAL,42.42mm ID x 62.05mm OD x 8.41mm Thk

differential cage bearing oil

2шт.

8

379445R1

BEARING ASSY,61.9 mm ID x 76.2 mm

differential bearing

2шт.

181421R1

BOLT,Hex, 3/8" - 16 x 1 1/8", w/ Nylon Pellet

SCREW, w/nylon pellet, 3/8 -16 x 1-1/8 hex-hd cap

1шт.

9

610412C1

O-RING,0.139" Thk x 4.609" ID, -247, Cl 5, 75 Duro

4-5/8 x 4-7/8 x 1/8, differential brg cage

2шт.

10

573976R1

DISC

SHIM, differential bearing cage, light

1шт.

10

573977R1

SHIM

differential bearing cage, medium

1шт.

10

573978R1

SHIM

differential bearing cage, heavy

1шт.

11

379435R1

SHAFT

differential LH

1шт.

12

379511R1

SNAP RING,#177, 1.657", Ext

RING, differential shaft snap

2шт.

13

ST560

BEARING, BALL,45 mm ID x 75 mm OD x 16 mm

BEARING, differential cage

2шт.

14

379485R1

RING

differential bearing cage snap

2шт.

15

13390D

ROLLER BEARING,3.06" ID x 4.3317" OD x 0.866"

CUP, differential roller bearing

2шт.

16

ST2026

BEARING ASSY,63.5mm ID x 21.996mm

CONE ASSY, differential roller bearing

2шт.

17

GEAR, differential drive, 57 teeth, not serviced separately, order service package, 382906R92

1шт.

18

382906R92

CASE

PACKAGE, differential case and gear

1шт.

382911R2

BOLT,1/2" - 20 x 3 3/4"

differential case

1шт.

381368R1

NUT,Hex, 1/2" - 20, Gr 8

1/2-20 hex thick

1шт.

WIRE .042 x 8-1/2 in. long

4шт.

ORDER FROM BULK STOCK

1шт.

19

360962R2

GEAR

differential bevel, 28-T

2шт.

20

379452R3

CASE

transmission, belt drive

1шт.

20

402837R1

CASE, transmission, hydrostatic drive

1шт.

21

61991R91

BREATHER,1/8"-27 NPT, Short, w/washer

transmission case oil

1шт.

22

444592

PLUG,Sq Hd, 1/4"-14 NPTF

3/4 auto. sq-hd pipe

3шт.

23

388093R1

U-JOINT SPIDER

SPIDER, differential

1шт.

24

360961R1

GEAR

PINION, differential bevel, 15-T

4шт.

25

573971R2

CAP

differential pinion shaft

1шт.

181421R1

BOLT,Hex, 3/8" - 16 x 1 1/8", w/ Nylon Pellet

SCREW W/NYLON PELLETS, 3/8-16 x 1-1/8 C-Z hex-hd cap

1шт.

26

381222R1

SHIM

differential pinion LH - .007 (or as required)

1шт.

26

405626R1

SHIM

differential pinion BRG .003 (or as required)

1шт.

27

548585R1

BEARING WASHER,71.17mm ID x 74.52mm OD x 3.61mm Thk

differential pinion shaft cap LH seal

1шт.

28

50213V

BEARING CUP

CUP, differential pinion shaft bearing

2шт.

29

50212VA

ROLLER BEARING,33.35mm ID x 24.01mm W

CONE ASSY, differential pinion shaft bearing

2шт.

30

379453R2

SHAFT

AND GEAR, differential pinion, 15 and 23 teeth

1шт.

31

573997R2

GASKET

change gear cover

1шт.

32

395647R11

COVER

W/TWO PINS, change gear

1шт.

141262

PIN,7/16" x 7/8"

7/16 x 7/8 dowel

1шт.

438159

DRAIN PLUG,Sq Hd, 1/2"-14 NPTF

PLUG, 1/2-14 auto. sq-hd filler

1шт.

181421R1

BOLT,Hex, 3/8" - 16 x 1 1/8", w/ Nylon Pellet

SCREW W/NYLON PELLET, 3/8-16 x 1-1/8 C-Z hex-hd cap

1шт.

33

370504R1

RING

transmission intermediate shaft snap

1шт.

34

404207R1

RING,61.6mm ID x 68.4mm OD x 2.54mm Thk

transmission case seal

1шт.

35

ST246

BALL BEARING,30mm ID x 62mm OD x 16mm W

BEARING, transmission intermediate shaft LH

1шт.

36

395553R1

SHAFT

transmission intermediate

1шт.

382879R1

NUT

transmission intermediate shaft

1шт.

382900R1

LOCK WASHER

transmission intermediate shaft lock

1шт.

37

379461R1

SPACER

intermediate, belt drive

1шт.

37

389434R1

SPACER, intermediate, hydrostatic drive

1шт.

38

379462R1

GEAR

intermediate and reverse driven, 30 teeth, belt drive

1шт.

39

574925R2

GEAR

intermediate drive pinion, 17 T

1шт.

40

379465R91

BEARING, ROLLER, CYL,1.378" ID x 3.1496" OD x 1.5"

intermediate shaft RH

1шт.

ST419

RING

intermediate shaft brg snap

1шт.

41

379466R1

CAGE

intermediate shaft bearing RH

1шт.

27970R1

BOLT,Hex, 5/16" - 18 x 7/8", Gr 8

5/16 x 7/8 PHC pre-torq type 8

1шт.

42

379467R1

GEAR

change driven, 28 T, 27/28 gear ratio, not rice

1шт.

42

379468R1

GEAR, change driven, 34 T, 21/34 gear ratio, for rice

1шт.

42

379469R1

GEAR, change driven, 40 T, 15/40 gear ratio, for rice

1шт.

43

382901R1

LOCK WASHER,26.16mm ID x 47.8mm OD x 3.18mm Thk

transmission intermediate shaft

1шт.

44

17014R1

BALL

7/16 diameter gear shift lock

2шт.

45

17016R1

BALL,1/2" Dia

Gear shift lock 1/2" Dia

2шт.

46

588801R1

SPRING

gear shift lock ball

2шт.

47

364839R1

O-RING,0.078" Thk x 0.468" ID, -906, Cl 6, 90 Duro

6-1, 90 Duro, .468" ID x .078" Thk, shift lock ball spring outer plug

1шт.

48

9410358

PLUG

shift lock ball spring

2шт.

49

59890C1

PORT

SLEEVE, axle drive shaft

4шт.

50

402838R1

TROUGH

THROUGH, oil-hydrostatic drive

1шт.

470-12510

SCREW,Slotted Pan Hd, 1/4"-20 x 5/8"

1/4-20 x 5/8 C-Z slt-pan-hd

1шт.

103319

LOCK WASHER,1/4"

WASHER, LOCK, 1/4"

1шт.

106260

WASHER,#12

1/4 x 9/16 x .036

1шт.

51

180525C2

WIRE

4шт.

Выбрано товаров: 77