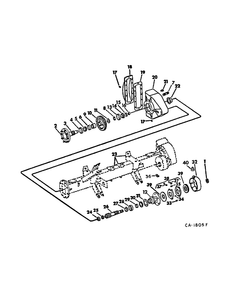
Запчасти Case IH 715 (07-05) - DRIVE TRAIN, FINAL DRIVE AND WHEEL BRAKES Drive Train

Схема запчастей Case IH 715 - (07-05) - DRIVE TRAIN, FINAL DRIVE AND WHEEL BRAKES Drive Train
28
22
10
37
36
20
25
14
33
18
23
26
17
21
1
35
16
34
19
9
30
15
27
17
39
3
32
2
13
40
5
38
4
6
12
37
31
39
8
29
11
24
7
FIT
1:1
100%

Артикул

Название

Примечание

Количество

1

380637R91

SEAL,44.45mm ID x 66.72mm OD x 5.08mm Thk

brake housing dirt

2шт.

2

566206R2

BOLT,5/8" - 18 x 2.38", Class 8

wheel, serial no. 26000 and below

16шт.

25676R1

NUT,5/8"-18, G8

5/8-NF PHC type 8

1шт.

25556R1

WASHER,21/32" x 1 1/2" x .188", HDN

.656 x 1.500 x .188 PHC HDN

1шт.

2

565130R3

BOLT,3/4" - 16 x 2 5/8", Class 8

wheel, serial no. 26001 and above

16шт.

25548R1

WASHER

812 x 1.500 x .219 PHC HDN

1шт.

3

533718R1

SHAFT

final drive, serial no. 26000 and below

2шт.

3

131018C1

SHAFT, final drive, serial no. 26001 and above

2шт.

4

404489R91

OIL SEAL,83.57mm ID x 127.1mm OD x 11.89mm Thk

final drive outer bearing cage oil

2шт.

5

ST2157

TAPERED BEARING,3.035" ID x 4.8126" OD x 1.3"

BEARING ASSY, final drive shaft outer cone

2шт.

6

ST985

CUP

BEARING, final drive shaft outer cup

2шт.

7

441553R1

STUD

5/8-11 x 2.75 tap end

12шт.

8

316222R1

RING

retainer snap

2шт.

9

57360C1

SPACER

outer bearing, serial no. 26000 and below

2шт.

9

533719R1

SPACER

outer bearing, serial no. 26001 and above

2шт.

10

533721R1

GEAR

ASSY, final drive, 69 T

2шт.

11

533722R1

SPACER

inner bearing

2шт.

12

57584C91

ADAPTER

ASSY, brake LH

1шт.

12

57585C91

ADAPTER

ASSY, brake RH

1шт.

141279

DOWEL,1/2" x 3/4"

PIN, 1/2 x 3/4 dowel

1шт.

28138R1

BOLT,Hex, 7/16" - 14 x 1 1/8", Gr 8

7/16 x 1-1/8 PHC pre-torq type 8

1шт.

429-1112

NUT,3/4"-16, G5

3 4-NF type 8

1шт.

25545R1

WASHER

.469 x .922 x .134 hard

1шт.

13

533727R1

BEARING, CUP

CUP

1шт.

14

533726R91

BEARING

CONE

1шт.

15

533730R1

WASHER

final drive shaft

2шт.

16

528935R1

NUT

final drive shaft

2шт.

125637

COTTER PIN,1/8" x 2"

PIN, SPLIT (COTTER), 1/8" x 2"

1шт.

17

444592

PLUG,Sq Hd, 1/4"-14 NPTF

3/4-14 auto. sq-hd pipe

4шт.

18

587078R91

PAN ASSY.

PAN ASSY, final drive housing

2шт.

179837

BOLT,Hex, 3/8" - 16 x 3/4", Gr 5

1шт.

103321

LOCK WASHER,3/8"

WASHER, LOCK, 3/8"

1шт.

19

587655R1

GASKET

final drive housing pan

2шт.

20

533712R1

HOUSING

final drive LH

1шт.

20

57910C1

HOUSING, final drive RH

1шт.

21

61991R91

BREATHER,1/8"-27 NPT, Short, w/washer

final drive housing oil

2шт.

22

533716R1

CAP

final drive shaft inner bearing

2шт.

23

AXLE ASSY, transmission, refer to this group under main axle

1шт.

24

618024R1

BEARING CUP,65.113mm OD x 13.97mm W

Final drive pinion shaft outer

2шт.

25

618023R91

BEARING ASSY,34.93mm ID x 18.2mm W

CONE ASSY, final drive pinion shaft outer bearing

2шт.

26

376461R2

SHAFT

final drive pinion, 13 teeth

2шт.

27

56934D

ROLLER BEARING,2.1663" ID x 3.8125" OD x 0.8268"

CONE ASSY, final drive pinion shaft inner bearing

2шт.

28

105497H

BEARING CUP,96.85mm OD x 15.77mm W

CUP, final drive pinion shaft inner bearing

2шт.

29

380186R92

OIL SEAL

brake adapter oil

2шт.

30

610411C1

O-RING,0.139" Thk x 3.484" ID, -238, Cl 5, 75 Duro

3-1/2 x 3-3/4 x 1/8 class 5, brake adapter

2шт.

31

376467R1

SHIM

brake adapter, .007

1шт.

31

405627R1

SHIM

brake adapter, .003

1шт.

32

574914R2

HOUSING

wheel brake

2шт.

NLS

NO LONGER SERVICED

7/16-14 hex

1шт.

179873

BOLT,Hex, 7/16" - 14 x 3 3/4", Gr 5

1шт.

186292

BOLT,Hex, 7/16" - 14 x 4 1/4", Gr 5

7/16 x 4-1/4 pln type 5

1шт.

NLS

NO LONGER SERVICED

.469 x .922 x .051

1шт.

PO10535

WASHER

17032 x 1-1/4 x 11 GA

1шт.

33

619731C1

SPRING

6шт.

34

17028R1

BALL,7/8" Dia

10шт.

35

354642R1

STUD

actuating disc

4шт.

114493

JAM NUT,Jam, 5/16"-24, G5

1шт.

36

357043R1

CLEVIS,3/8" - 24

YOKE, brake operating

2шт.

107762

WASHER,3/32" x 5/8"

PIN, SPLIT, (COTTER), 3/32" x 5/8"

1шт.

16618R1

CLEVIS PIN,7/16" x 1.190"

PIN, 7/16 x 1-5/16 drilled

1шт.

37

357113R1

LINK

actuating plain

4шт.

38

366182R92

BRAKE DISC

DISC ASSY, actuating, includes ref. no. 33, 34, 35 and 37

2шт.

39

121961C91

CLUTCH DISC

DISC ASSY, middle

4шт.

40

381699R1

BOOT

wheel brake

2шт.

Выбрано товаров: 64