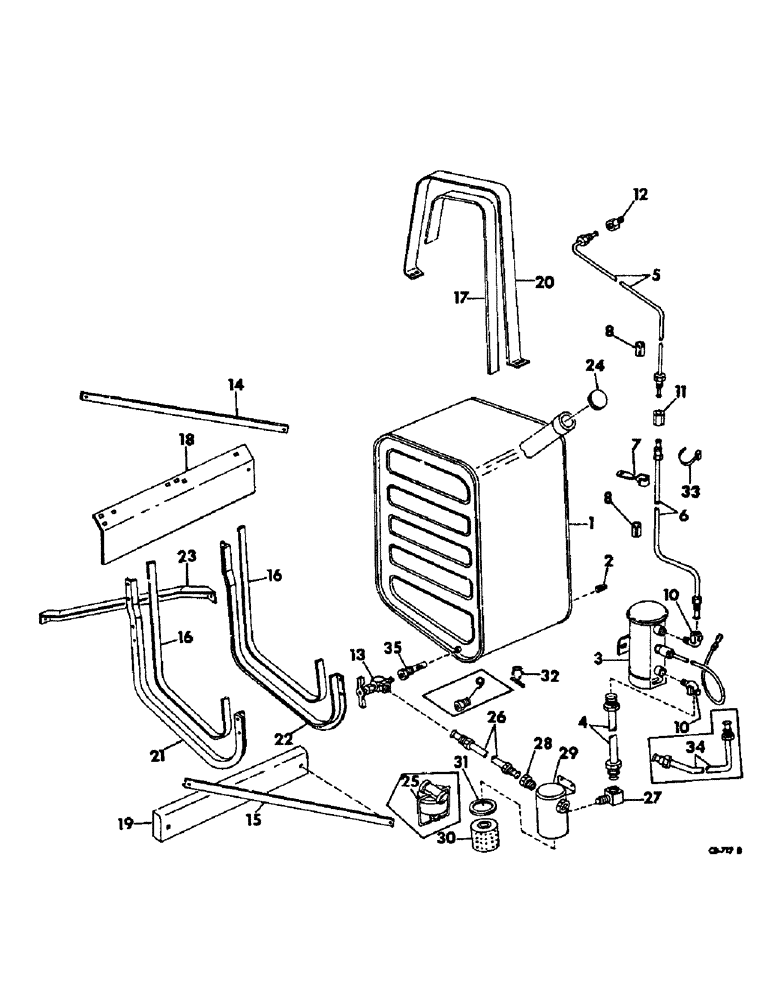
Запчасти Case IH 815 (E-14) - FUEL SYSTEM, FUEL TANK, LINES AND SUPPORT, FOR V-8 GASOLINE ENGINES (02) - FUEL SYSTEM

Схема запчастей Case IH 815 - (E-14) - FUEL SYSTEM, FUEL TANK, LINES AND SUPPORT, FOR V-8 GASOLINE ENGINES (02) - FUEL SYSTEM
23
10
24
10
28
27
6
33
32
5
29
14
11
7
22
12
34
13
35
18
8
8
15
9
19
26
3
20
21
30
2
4
31
1
16
25
16
17
FIT
1:1
100%

Артикул

Название

Примечание

Количество

1

160922C91

TANK ASSY, fuel, 66 gal

1шт.

2

20958R1

PLUG,Sq Hd, 3/8"-18 NPTF

3/8 NPTF C-Z sq-hd pipe

1шт.

3

163832C91

PUMP

ASSY, fuel, refer to fuel pump for D-407 diesel or V8 gasoline for listing, serial no. 1972 and below

1шт.

3

170351C1

PUMP

ASSY, fuel, serial no., Serial Range: 1973-8000

1шт.

413-412

BOLT,Hex, 1/4" - 20 x 3/4", Gr 5

2шт.

492-11025

LOCK WASHER,1/4"

WASHER, LOCK, 1/4"

2шт.

TUBE ASSY, fuel strainer to fuel pump, use 9 in. of 5/16 OD copper tubing from 50 ft roll marked 995062R1 and two 142427 nuts

1шт.

5

TUBE, fuel line upper, use 53 in. of 5/16 OD copper tubing from 50 ft roll marked 995062R1 and two nuts 142427

1шт.

6

TUBE, fuel line lower, use 55 in. of 5/16 OD copper tubing from 50 ft roll marked 995062R1 and two 142427 nuts

1шт.

7

363660R1

CLIP

fuel tube

1шт.

8

163489C1

STRIP

fuel line rubber

2шт.

9

444026

REDUCER,3/8"-18 NPTF x 1/8"-27 Fem NPTF

BUSHING, 3/8 x 1/8 reducing pipe brass, serial no. 3566 and below

1шт.

10

137422

ELBOW

90 deg 5/16 OD tube inverted

2шт.

11

222-1054

HYD CONNECTOR,5/16" Inv Fl

UNION, 5/16 OD tube invrtd flare brass

1шт.

12

222-1014

HYD CONNECTOR,1/2"-20 Inv Fl x 1/8" NPT

CONNECTOR, 5/16 OD tube, plain brass

1шт.

13

152572C91

VALVE

ASSY, fuel shut off

1шт.

14

164009C1

STRAP, fuel tank front support

1шт.

18495R1

BOLT,Hex, 3/8" - 16 x 1 1/4", Gr 2

3/8 x 1-1/4 C-Z hex-hd mach

2шт.

120377

NUT,3/8" - 16, Gr 5

2шт.

120382

LOCK WASHER,Helical Spring, 3/8"

WASHER, LOCK, 3/8"

2шт.

15

164010C1

STRAP, fuel tank rear support

1шт.

18495R1

BOLT,Hex, 3/8" - 16 x 1 1/4", Gr 2

3/8 x 1-1/4 C-Z hex-hd mach

2шт.

120377

NUT,3/8" - 16, Gr 5

2шт.

120382

LOCK WASHER,Helical Spring, 3/8"

WASHER, LOCK, 3/8"

2шт.

16

LINING, fuel tank support, order from bulk stock, cotton webbing 1-1/4 x 40-3/4 x 1/8 2 ply

1шт.

17

LINING, fuel tank support, order from bulk stock, cotton webbing 2-1/4 x 39-1/2 x 1/8 2 ply

1шт.

18

164014C91

SUPPORT ASSY, fuel tank front

1шт.

17351R1

CARRIAGE BOLT,Short Sq Nk, 3/8" - 16 x 1", Gr 2

BOLT, 3/8 x 1 C-Z sq-nk crg

2шт.

120377

NUT,3/8" - 16, Gr 5

2шт.

120382

LOCK WASHER,Helical Spring, 3/8"

WASHER, LOCK, 3/8"

2шт.

19

164018C91

PLATE ASSY, fuel tank rear support

1шт.

17351R1

CARRIAGE BOLT,Short Sq Nk, 3/8" - 16 x 1", Gr 2

BOLT, 3/8 x 1 C-Z sq-nk crg

3шт.

120377

NUT,3/8" - 16, Gr 5

3шт.

120382

LOCK WASHER,Helical Spring, 3/8"

WASHER, LOCK, 3/8"

3шт.

20

164021C1

STRAP, fuel tank retaining

1шт.

16897R1

CARRIAGE BOLT,Short Nk, 5/16" - 18 x 3/4", Gr 2, Full Thd

BOLT, 5/16 x 3/4 C-Z sq-nk crg

4шт.

120376

NUT,5/16"-18, G5

2шт.

80681

LOCK WASHER,5/16"

WASHER, LOCK, 5/16"

2шт.

21

164022C1

ANGLE, fuel tank support left

1шт.

938017R1

FLANGE NUT,Flg, USR, 5/16"-18

5/16 C-Z flange lock

2шт.

135270

SERRATED SCREW,5/16" - 18 x 3/4"

5/16 x 3/4 C-Z whiz lock

4шт.

22

164023C1

ANGLE, fuel tank support right

1шт.

938017R1

FLANGE NUT,Flg, USR, 5/16"-18

5/16 C-Z flange lock

2шт.

135270

SERRATED SCREW,5/16" - 18 x 3/4"

5/16 x 3/4 C-Z whiz lock

4шт.

23

167322C1

BRACE, fuel tank front

1шт.

18778R1

SCREW,Hex, 3/8"-16 x 3/4", G2

BOLT, 3/8 x 3/4 C-Z hex-hd mach

2шт.

120377

NUT,3/8" - 16, Gr 5

2шт.

120382

LOCK WASHER,Helical Spring, 3/8"

WASHER, LOCK, 3/8"

2шт.

24

23995DC

FILLER CAP

CAP ASSY, fuel tank, vented

1шт.

24

361910R91

PLUG

CAP ASSY, fuel tank, non vented

1шт.

25

614692R91

FILTER

STRAINER ASSY, fuel, serial no. 1972 and below

1шт.

26

TUBE ASSY, fuel tank to fuel strainer, serial no. 789 and above, use 13 in. of 5/16 OD copper tubing from 50 ft roll marked 995062R1 and 2 nuts 142427

1шт.

27

137422

ELBOW

90 deg 5/16 OD tube inverted flare

1шт.

28

222-1014

HYD CONNECTOR,1/2"-20 Inv Fl x 1/8" NPT

CONNECTOR, 5/16 OD tube inverted flare

1шт.

29

170348C91

FILTER ASSY

fuel, includes ref nos. 30 and 31, serial no. 1973 and above

1шт.

30

170349C1

ELEMENT

filter, serial no. 1973 and above

1шт.

31

405500C1

GASKET

filter, serial no. 1973 and above

1шт.

32

118536

VALVE

ASSY, drain

1шт.

33

702093C1

CABLE TIE

CLAMP, strip tie

1шт.

34

TUBE, fuel tank to fuel pump, serial no. 788 and below, use 16- 3/16 inches of 5/16 OD copper tubing from 50 ft roll marked 995062R1 and two nuts 142427

1шт.

35

666129R91

STRAINER ASSY.

STRAINER ASSY, fuel, serial no. 3567 and above

1шт.

Выбрано товаров: 0