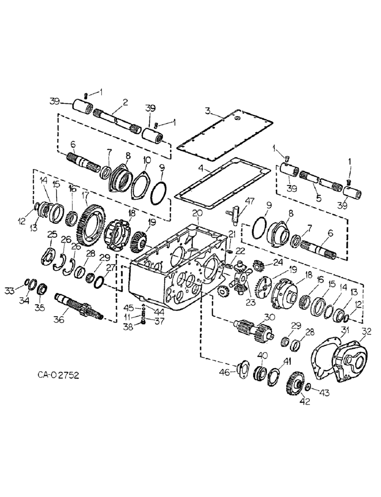
Запчасти Case IH 815 (B-02) - POWER TRAIN, TRANS, TRANS CASE, DIFFERENTIAL PINION SHAFT DIFFERENTIAL AND TRANS INTERMEDIATE SHAFT (03) - POWER TRAIN

Схема запчастей Case IH 815 - (B-02) - POWER TRAIN, TRANS, TRANS CASE, DIFFERENTIAL PINION SHAFT DIFFERENTIAL AND TRANS INTERMEDIATE SHAFT (03) - POWER TRAIN
17
15
12
39
13
26
18
37
31
30
23
39
38
9
1
9
16
27
44
7
18
15
24
46
8
7
12
20
41
35
6
25
13
11
21
14
8
29
1
39
19
3
14
5
1
16
34
29
26
28
28
45
4
42
39
6
47
43
36
32
10
2
19
22
1
33
40
FIT
1:1
100%

Артикул

Название

Примечание

Количество

1

22337R1

PIN,1/4" x 2 1/2", Coiled

4шт.

2

403542R1

SHAFT, LH final drive

1шт.

3

531070R1

COVER, transmission case

1шт.

179837

BOLT,Hex, 3/8" - 16 x 3/4", Gr 5

18шт.

93-41039

LOCK WASHER,Ext Tooth, 3/8"

WASHER, 3/8 ext-tooth lock

18шт.

4

573998R2

GASKET

transmission case cover

1шт.

5

606631R1

SHAFT

RH final drive

1шт.

6

380026R1

SHAFT

differential

2шт.

7

380182R91

OIL SEAL,42.42mm ID x 62.05mm OD x 8.41mm Thk

differential brg cage oil

2шт.

8

379445R1

BEARING ASSY,61.9 mm ID x 76.2 mm

differential brg

2шт.

376811R1

BOLT,Hex, 3/8" - 16 x 1 1/8", W/ Nylon Pellet

SCREW W/NYLON PELLET, 3/8-16 x 1-1/8 hex-hd cap nylock

10шт.

9

610412C1

O-RING,0.139" Thk x 4.609" ID, -247, Cl 5, 75 Duro

4-5/8 x 4-7/8 x 1/8, replaces 297060R1

2шт.

10

573976R1

DISC

SHIM, differential brg cage, light

1шт.

10

573977R1

SHIM

differential brg cage, med

1шт.

10

573978R1

SHIM

differential brg cage, hv

1шт.

11

588801R1

SPRING

gear shift lock ball

2шт.

12

379511R1

SNAP RING,#177, 1.657", Ext

RING, differential shaft snap

2шт.

13

ST560

BEARING, BALL,45 mm ID x 75 mm OD x 16 mm

BEARING, differential cage

2шт.

14

379485R1

RING

differential cage brg snap

2шт.

15

13390D

ROLLER BEARING,3.06" ID x 4.3317" OD x 0.866"

differential roller cup

2шт.

16

ST2039

BEARING CONE,68.26mm ID x 22.07mm W

BEARING ASSY, roller cone

2шт.

17

GEAR, differential drive, order service package 395631R92, ref no. 18

1шт.

18

395631R92

PACKAGE

differential case & gear, consists of (4) wire (NSS), (1) case 395632R92, (8) nut 381368R1, (8) bolt 382911R2

1шт.

395636R1

BOLT,1/2" - 20 x 3 7/8"

differential case

8шт.

381368R1

NUT,Hex, 1/2" - 20, Gr 8

1/2-20 hex. thick

8шт.

19

360962R2

GEAR

differential bevel, 28T

2шт.

20

402837R1

CASE, transmission

1шт.

320185C1

PLUG

304-14 sq sol mag pipe

1шт.

9409947

DRAIN PLUG,Sq Soc, 3/4"-14 NPTF

PLUG, 3/4-14 auto sq-hd pipe

1шт.

21

61991R91

BREATHER,1/8"-27 NPT, Short, w/washer

transmission case oil

1шт.

22

444592

PLUG,Sq Hd, 1/4"-14 NPTF

3/4-14 auto sq-hd pipe

2шт.

23

388093R1

U-JOINT SPIDER

SPIDER, differential

1шт.

24

360961R1

GEAR

PINION, differential bevel, 15T

4шт.

25

573971R2

CAP

differential pinion shaft

1шт.

376811R1

BOLT,Hex, 3/8" - 16 x 1 1/8", W/ Nylon Pellet

SCREW W/NYLON PELLET INSERT, 3/8-16 x 1-1/8 hex-hd cap

3шт.

26

381222R1

SHIM

pinion left brg. .007

1шт.

26

405626R1

SHIM

pinion left brg. .003

1шт.

27

548585R1

BEARING WASHER,71.17mm ID x 74.52mm OD x 3.61mm Thk

pinion shaft left brg seal ( replaced 167793C1 )

1шт.

28

50213V

BEARING CUP

BEARING, pinion shaft cup

2шт.

29

50212VA

ROLLER BEARING,33.35mm ID x 24.01mm W

BEARING ASSY, pinion shaft cone

2шт.

30

395630R1

GEAR

differential pinion shaft, 13 and 23T

1шт.

31

573997R2

GASKET

change gear cover

1шт.

32

395647R11

COVER

ASSY, change gear

1шт.

181421R1

BOLT,Hex, 3/8" - 16 x 1 1/8", w/ Nylon Pellet

SCREW W/NYLON PELLET, 3/8 x 1-1/8, znd hex-hd cap

10шт.

141262

PIN,7/16" x 7/8"

7/16 x 7/8 dowel

2шт.

438159

DRAIN PLUG,Sq Hd, 1/2"-14 NPTF

PLUG, 1/2-14 auto sq-hd filler

1шт.

30443V

PLUG

13/16-20 hex-hd

1шт.

33

370504R1

RING

transmission bearing snap

1шт.

34

402207R1

LARGE HOSE,50.80 mm ID x 179.83 mm, SAE 20R2

RING, transmission case sq seal

1шт.

34

402207R1GV

RADIATOR HOSE

Value, RING, transmission case sq seal

1шт.

35

ST364

BALL BEARING,30mm ID x 62mm OD x 16mm W

BEARING, intermediate shaft left

1шт.

36

402839R1

SHAFT

intermediate gear, 17T

1шт.

382879R1

NUT

transmission intermediate shaft

1шт.

382900R1

LOCK WASHER

transmission intermediate shaft

1шт.

37

364839R1

O-RING,0.078" Thk x 0.468" ID, -906, Cl 6, 90 Duro

6-1, 90 Duro, .468" ID x .078" Thk, 3/8 OD tube

1шт.

38

9410358

PLUG

9/16-18 str thd-o-ring Boss shift lock ball spring

2шт.

39

404862R2

COUPLING, BREAK AWAY

SLEEVE, axle drive shaft

4шт.

40

395642R91

BALL BEARING

BEARING W/SNAP RING, intermediate shaft snap

1шт.

41

395645R1

RETAINER

intermediate shaft brg right cage

1шт.

42

402840R1

GEAR

change driven, 28T, standard speed 27-28 gears for rice and four row corn machines

1шт.

42

405438R1

GEAR

change driven 25T, standard speed 30-25 gears for grain machines

1шт.

42

395646R1

GEAR

change driven 30T, slow speed 25-30 gears for four row corn head machines

1шт.

43

382901R1

LOCK WASHER,26.16mm ID x 47.8mm OD x 3.18mm Thk

transmission intermediate shaft

1шт.

44

16014R1

BALL

7/16 cr-stl

2шт.

45

16016R1

BALL

1/2 cr-stl

2шт.

46

395644R1

CAGE

intermediate shaft brg right

1шт.

214168R1

CAPSCREW,5/16" x 7/8", Gr 5

SCREW W/NYLON PELLET, 5/16-18 x 7/8 hex-hd cap

3шт.

47

402838R1

TROUGH

oil

1шт.

470-12510

SCREW,Slotted Pan Hd, 1/4"-20 x 5/8"

1/4 x 5/8 C-Z slt-pan-hd mach

1шт.

103319

LOCK WASHER,1/4"

WASHER, LOCK, 1/4"

1шт.

106260

WASHER,#12

1/4 x 9/16 x .036

1шт.

Выбрано товаров: 71