Запчасти Case IH 815 (N-10) - PARTS, ACCESSORIES AND ATTACHMENTS, AIR CONDITIONING COMPRESSOR AND CONDENSER S/N 3451 AND BELOW Accessories & Attachments

Схема запчастей Case IH 815 - (N-10) - PARTS, ACCESSORIES AND ATTACHMENTS, AIR CONDITIONING COMPRESSOR AND CONDENSER S/N 3451 AND BELOW Accessories & Attachments
34
38
3
6
27
45
39
5
41
28
39
45
24
33
10
29
7
46
21
1
44
9
4
36
16
43
11
11
40
31
26
14
8
22
25
12
42
30
22
15
17
13
18
37
23
32
20
19
35
2
FIT
1:1
100%

Артикул

Название

Примечание

Количество

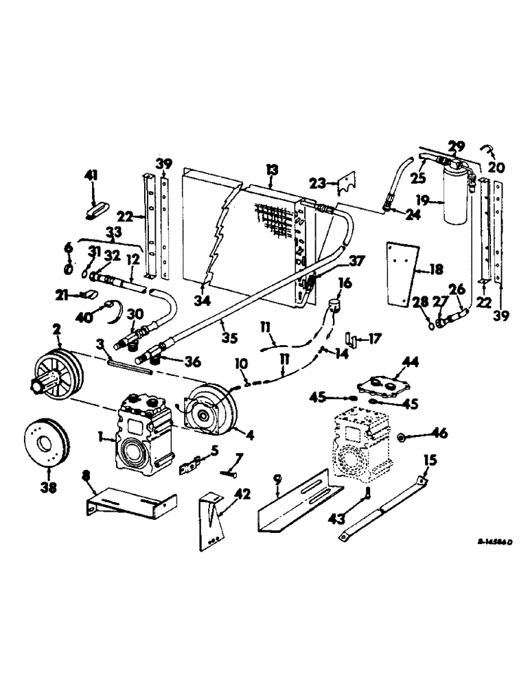
1

527541R91

AIRCOND. COMPRESSOR

COMPRESSOR ASSY, air conditioning, includes ref nos. 43 thru 46 and kit assy 302810R91, 527624R91 and 527732R91

1шт.

1

417888C93

AIRCOND. COMPRESSOR

Compressor Assy., A/C

1шт.

1

1924004C2

REMAN-A/C COMPRESSOR

Remanufactured COMPRESSOR

1шт.

1

1924005C1

CORE-A/C COMPRESSOR

Return Number

1шт.

18778R1

SCREW,Hex, 3/8"-16 x 3/4", G2

BOLT, 3/8 x 3/4 C-Z hex-hd mach

2шт.

120382

LOCK WASHER,Helical Spring, 3/8"

WASHER, LOCK, 3/8"

2шт.

2

PULLEY, water pump & compressor drive, all V-8 engines, refer to eng-3 parts catalog section A or B for listing

1шт.

3

167031C2

V-BELT,0.50" W x 51.23" L

V-BELT, , Compressor Drive, for V-8 Gas and LP Gas Engines 0.50" W x 51.23" L

1шт.

3

574615R1

V-BELT,0.50" W

Compressor drive, Diesel engine

1шт.

4

165129C91

CLUTCH

CLUTCH ASSY, compressor

1шт.

18653R1

BOLT,Hex, 1/4" - 20 x 1/2", Gr 2

BOLT, 1/4 x 1/2 C-Z hex-hd mach

4шт.

181610

SCREW,Hex, 5/16" - 24 x 1 1/4", Gr 5

SCREW, 5/16-24 x 1-1/4 C-Z hex-hd cap

1шт.

492-11025

LOCK WASHER,1/4"

WASHER, LOCK, 1/4"

4шт.

22859R1

WASHER

WASHER, 11/32 x 3/4 x 7 ga C-Z

1шт.

5

165125C1

SPARE PART STRAP, compressor tightener

1шт.

18778R1

SCREW,Hex, 3/8"-16 x 3/4", G2

BOLT, 3/8 x 3/4 C-Z hex-hd mach

2шт.

120382

LOCK WASHER,Helical Spring, 3/8"

WASHER, LOCK, 3/8"

2шт.

6

142350

GROMMET,7/8" ID x 1 5/8" x .125", Diag Cut

GROMMET, 7/8 ID rubber

2шт.

7

935032R1

SPARE PART BOLT, compressor draw

1шт.

120377

NUT,3/8" - 16, Gr 5

NUT, 3/8"-16, G5

2шт.

8

166146C92

SPARE PART BRACKET ASSY, compressor mount

1шт.

18495R1

BOLT,Hex, 3/8" - 16 x 1 1/4", Gr 2

BOLT, 3/8 x 1-1/4 C-Z hex-hd

2шт.

120377

NUT,3/8" - 16, Gr 5

NUT, 3/8"-16, G5

2шт.

120382

LOCK WASHER,Helical Spring, 3/8"

WASHER, LOCK, 3/8"

2шт.

9

168877C1

SPARE PART SUPPORT, compressor, diesel engine

1шт.

10

46894H

WIRE CONNECTOR,14 - 16 SAE

TERMINAL, compressor clutch wire

1шт.

11

CABLE, thermostat, use 30 in. of 14 ga wire from 100 ft roll marked 995055R1 and 2 terminals 46894H

2шт.

12

167887C1

HOSE

HOSE ASSY, 185 in.

1шт.

13

165144C91

CONDENSER

CONDENSER ASSY, air conditioning, includes ref. nos. 34 thru 37

1шт.

14

46893H

CONNECTION

CONNECTOR, cable snap-in

4шт.

15

168879C1

SPARE PART SUPPORT, compression, for diesel engine

1шт.

18474R1

BOLT,Hex, 5/16" - 18 x 1", Gr 2

BOLT, 5/16 x 1 C-Z hex-hd mach

1шт.

120376

NUT,5/16"-18, G5

NUT, 5/16"-18, G5

1шт.

80681

LOCK WASHER,5/16"

WASHER, LOCK, 5/16"

1шт.

16

155491C91

THERMOSTAT

THERMOSTAT ASSY, 170 deg

1шт.

17

155482C1

CLIP

CLIP, thermostat

1шт.

18

165165C91

SPARE PART SUPPORT ASSY, receiver dryer filter

1шт.

19

572832R91

CONTAINER

FILTER ASSY, receiver

1шт.

20

165164C1

BOLT

SPARE PART BOLT, receiver dryer filter U

1шт.

120375

NUT,Hex, 1/4" - 20, Gr 5

NUT, 1/4"-20, G5

2шт.

492-11025

LOCK WASHER,1/4"

WASHER, LOCK, 1/4"

2шт.

21

394271R1

CLIP

CLIP, cab to compressor hose

2шт.

22

162363C1

SPARE PART ANGLE, condenser support, V-8 gasoline and LP gas engine

1шт.

938017

NUT, 5/16 C-Z flange lock

8шт.

135270

SERRATED SCREW,5/16" - 18 x 3/4"

SCREW, 5/16 x 3/4 C-Z whiz lock

8шт.

23

159940C1

BAR

COVER, compressor hose opening

2шт.

178974

SCREW,Sl Pan Hd, 1/4" - 14 x 1/2"

SCREW, 1/4 x 1/2 C-Z slt-pan-hd tap

2шт.

24

163658C91

SPARE PART COUPLING ASSY

1шт.

25

167888C1

HOSE ASSY.

HOSE ASSY, suction 16 in.

1шт.

26

167889C1

HOSE

HOSE ASSY, discharge 195 in.

1шт.

27

168528C1

SPARE PART COUPLING, quick

1шт.

28

168530C1

SPARE PART O-RING, 3/8 x 1/2 x 1/16

1шт.

29

165142C91

SPARE PART FILTER AND HOSE TO COMPRESSOR ASSY, includes ref nos. 19, 24, 25, 26, 27 and 28

1шт.

30

938196R91

VALVE

VALVE ASSY

1шт.

31

168531C1

SPARE PART O-RING, 11/16 x 13/16 x 1/16

1шт.

32

168529C1

SPARE PART COUPLING, quick

1шт.

33

165143C91

SPARE PART HOSE ASSY, compressor 70 cap, includes ref nos. 12, 30, 31 and 32

1шт.

34

165130C91

COIL

CORE ASSY

1шт.

35

159930C91

A/C HOSE,0.41" ID x 48.00"

1шт.

36

938197R91

LOCK VALVE

VALVE ASSY

1шт.

37

163657C91

SPARE PART COUPLING ASSY

1шт.

38

168791C11

SPARE PART PULLEY ASSY, compressor, diesel engine

1шт.

180177

BOLT,Hex, 1/2" - 13 x 1 1/2", Gr 5

SCREW, 1/2 x 1-1/2 C-Z hex-hd cap

4шт.

120384

WASHER,1/2"

WASHER, LOCK, 1/2"

4шт.

39

167344C1

SPARE PART SUPPORT, condenser, for diesel engine

2шт.

18654R1

BOLT,Hex, 1/4" - 20 x 3/4", Gr 2

BOLT, 1/4 x 3/4 C-Z hex-hd mach

8шт.

120375

NUT,Hex, 1/4" - 20, Gr 5

NUT, 1/4"-20, G5

8шт.

938017R1

FLANGE NUT,Flg, USR, 5/16"-18

NUT, 5/16 C-Z flange lock

8шт.

135270

SERRATED SCREW,5/16" - 18 x 3/4"

SCREW, 5/16 x 3/4 C-Z slt truss-hd

8шт.

492-11025

LOCK WASHER,1/4"

WASHER, LOCK, 1/4"

8шт.

40

702093C1

CABLE TIE

CABLE STRAP STRAP COMPRESSION HOSE TY

6шт.

41

154695C1

CLAMP

CLAMP, cab to compressor hose

2шт.

42

166984C1

SUPPORT ASSY, compressor, V-8 gasoline & LP gas engine

1шт.

18474R1

BOLT,Hex, 5/16" - 18 x 1", Gr 2

BOLT, 5/16 x 1 C-Z hex-hd mach

3шт.

120376

NUT,5/16"-18, G5

NUT, 5/16"-18, G5

3шт.

80681

LOCK WASHER,5/16"

WASHER, LOCK, 5/16"

3шт.

43

527730R1

SPARE PART SCREW, 5/16 x 1-3/8 12 PT hd cap

4шт.

44

527731R1

SPARE PART CYLINDER HEAD, rotalock

1шт.

45

527733R1

GASKET

GASKET, rotalock

2шт.

46

406838R1

SPARE PART FLINGER, dust cap

1шт.

527732R91

SPARE PART KIT, valve plate

1шт.

302810R91

KIT, compressor gasket

1шт.

527624R91

SEAL KIT

KIT, seal service

1шт.

Выбрано товаров: 83