Запчасти Case IH 815 (H-08) - CONTROLS, GROUND SPEED AND HYDRAULIC REEL DRIVE SPEED CONTROL Controls

Схема запчастей Case IH 815 - (H-08) - CONTROLS, GROUND SPEED AND HYDRAULIC REEL DRIVE SPEED CONTROL Controls
23
28
27
25
2
12
21
12
1
5
2
3
6
7
3
5
24
3
13
20
16
16
18
22
8
26
17
11
15
14
12
18
9
19
4
10
FIT
1:1
100%

Артикул

Название

Примечание

Количество

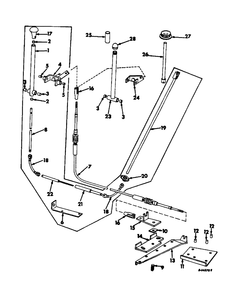
1

164335C91

LEVER ASSY, ground speed control, includes ref nos. 2 and 3, serial no. 3987 and below

1шт.

2

291522R1

BUSHING, ground speed control lever, serial no. 3987 and below

2шт.

3

165685C1

BUSHING

control lever pivot

2шт.

4

165686C91

PIVOT ASSY, pump control cable, serial no. 3987 and below

1шт.

119120

COTTER PIN,3/32" x 1 1/4"

PIN, SPLIT (COTTER), 3/32 x 1 1/4"

1шт.

21757R1

WASHER

25/32 x 1-1/4 x 22 ga C-Z

1шт.

5

165682C1

PIN, ground speed control, serial no. 3987 and below

2шт.

22920R1

LOCK PIN,5/32" x 1", Slotted

PIN, 5/32" x 1", Slotted

2шт.

18567R1

PIN, 5/32 x 3/4 C-Z slt spring

1шт.

23042R1

WASHER

17/32 x 1 x 22 ga C-Z

4шт.

6

167863C2

STOP, reel drive speed control, serial no. 3987 and below

1шт.

16897R1

CARRIAGE BOLT,Short Nk, 5/16" - 18 x 3/4", Gr 2, Full Thd

BOLT, 5/16 x 3/4 C-Z sq-nk crg

1шт.

120376

NUT,5/16"-18, G5

1шт.

80681

LOCK WASHER,5/16"

WASHER, LOCK, 5/16"

1шт.

7

165507C91

CABLE

ASSY, pump control, 158 in.

1шт.

120613

JAM NUT,Hex, 1/4" - 28, Gr 5

2шт.

8

164334C1

SHAFT, reel speed control, serial no. 3987 and below

1шт.

121222

COTTER PIN,3/32" x 3/4"

PIN, SPLIT (COTTER), 3/32" x 3/4"

1шт.

18567R1

PIN, 5/32 x 3/4 C-Z slt spring

1шт.

469668R1

WASHER

13/32 x 3/4 x 16 ga C-Z

4шт.

9

28395H

SPRING

pump control compression

1шт.

10

150627C1

FRICTION WASHER

pump control friction

2шт.

11

165515C1

BRACKET, pump control up

1шт.

113-257

BOLT,Hex, 3/8" - 16 x 2-1/2", Gr 5

SCREW, 3/8 x 2-1/2 C-Z hex-hd cap

3шт.

120382

LOCK WASHER,Helical Spring, 3/8"

WASHER, LOCK, 3/8"

3шт.

12

938828R1

SPACER

pump control bracket

3шт.

13

172234C1

BRACKET, pump control lower

1шт.

18494R1

BOLT,Hex, 3/8" - 16 x 1", Gr 2

3/8 x 1 C-Z hex-hd mach

2шт.

120377

NUT,3/8" - 16, Gr 5

2шт.

120382

LOCK WASHER,Helical Spring, 3/8"

WASHER, LOCK, 3/8"

2шт.

14

172235C1

STOP, pump control

1шт.

18795R1

BOLT,Hex, 7/16"-14 x 1 1/4", G2

7/16 x 1-1/4 C-Z hex-hd mach

2шт.

NLS

NO LONGER SERVICED

NUT, 7/16 C-Z hex

2шт.

120383

LOCK WASHER,Helical Spring, 7/16"

WASHER, LOCK, 7/16"

2шт.

607891R1

WASHER

15/32 x 1 x 16 ga C-Z

2шт.

15

165508C91

ARM ASSY, pump control

1шт.

18802R1

SCREW,Hex, 7/16"-14 x 3", G8

BOLT, 7/16 x 3 C-Z hex-hd mach

1шт.

271501

SOCKET

NUT, 7/16 C-Z hex

1шт.

272122

BUSHING

7/16 C-Z hex-jam

1шт.

607891R1

WASHER

15/32 x 1 x 16 ga C-Z

1шт.

16

104037

CLEVIS

pump control cable

1шт.

121222

COTTER PIN,3/32" x 3/4"

PIN, SPLIT (COTTER), 3/32" x 3/4"

2шт.

427-5094

CLEVIS PIN,7.92mm OD x 23.88mm L

PIN, 5/16 x 31/32 rod end

2шт.

17

164901C1

KNOB, control lever, serial no. 3987 and below

1шт.

18

164638C91

FLEXIBLE DRIVE SHAFT

SHAFT ASSY, reel drive flexible, serial no. 3987 and below

2шт.

17283R1

LOCK PIN,3/32" x 5/8", Slotted

PIN, 3/32" x 5/8", Slotted

4шт.

19

165898C92

ROD ASSY, reel drive speed control, serial no. 3987 and below

1шт.

648002

KNIFE

1/8" x 3/4"

1шт.

138083

PIN

1/4 x 51/64 C-Z rod end

1шт.

20

164636C91

BUSHING ASSY, reel drive speed control, serial no. 3987 and below

1шт.

225-14112

NUT,#12-24

no. 12-24 C-Z hex

4шт.

436767

SCREW, no. 12 x 1/2 C-Z slt pan-hd

4шт.

492-11012

LOCK WASHER,#12

Washer, Lock, #12

4шт.

21

166449C91

SOCKET ASSY, reel drive speed control, serial no. 3987 and below

1шт.

22

166452C91

ROD ASSY, reel drive speed control upper, serial no. 3987 and below

1шт.

23

174776C91

LEVER

ASSY, ground speed control, includes ref no. 3, serial no. 3988 and above

1шт.

24

174780C1

PIVOT ASSY, ground speed control, serial no. 3988 and above

1шт.

120377

NUT,3/8" - 16, Gr 5

1шт.

19876R1

PIN

1/2 x 3-7/16 rod end

1шт.

137185

COTTER PIN,1/8" x 1"

PIN, SPLIT (COTTER), 1/8" x 1"

1шт.

87395

COTTER PIN,1/8" OD x 1-1/4" OAL

PIN, SPLIT (COTTER), 1/8" x 1-1/4"

1шт.

25

174779C1

KNOB, ground speed control, serial no. 3988 thru 4688

1шт.

26

174789C1

ROD ASSY, valve control, serial no. 3988 and above

1шт.

24519R1

SET SCREW,Hex Soc, #10-24 x 1/4"

SCREW, no. 10 x 1/4 hex-soc-hd set

1шт.

27

174792C2

KNOB

reel drive, serial no. 3988 and above

1шт.

23398R1

SCREW, no. 10 x 3/4 hex-soc-hd set

2шт.

28

175815C1

KNOB

ground speed control, serial no. 4689 and above

1шт.

Выбрано товаров: 67