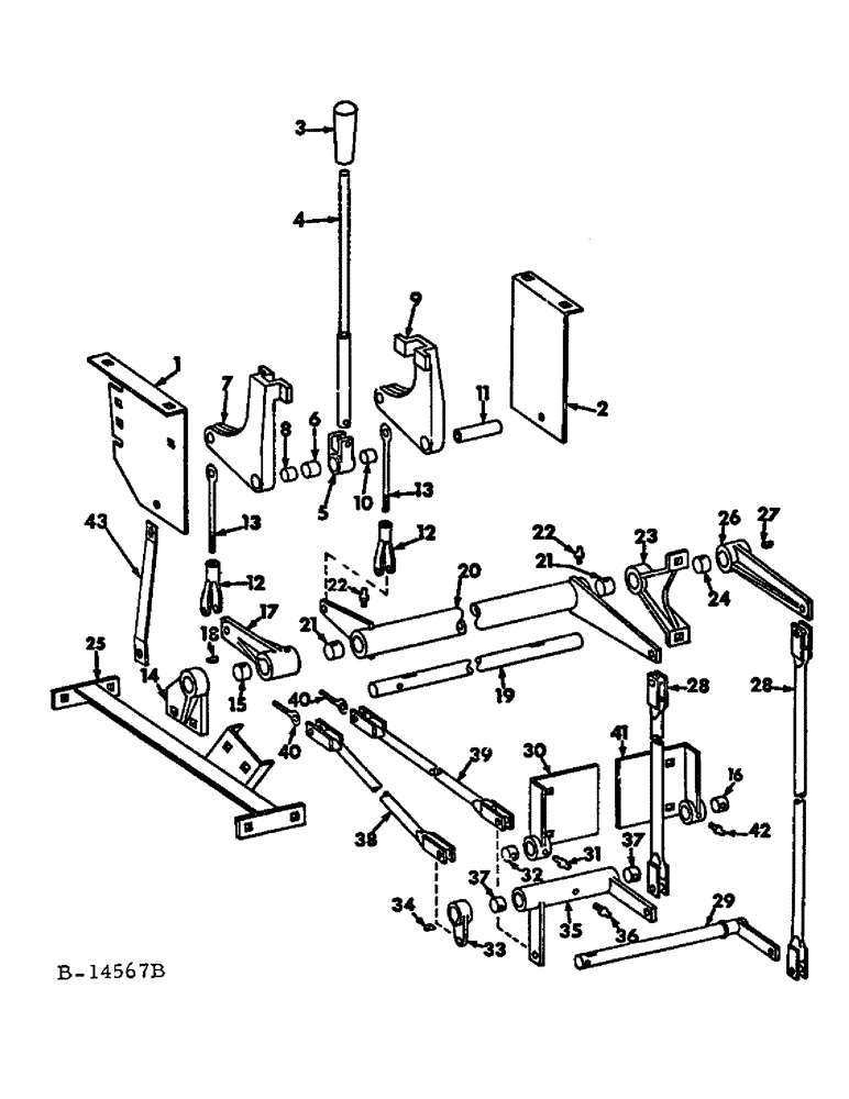
Запчасти Case IH 815 (H-17) - CONTROLS, TRANSMISSION GEAR SHIFT CONTROL Controls

Схема запчастей Case IH 815 - (H-17) - CONTROLS, TRANSMISSION GEAR SHIFT CONTROL Controls
37
16
35
23
5
21
21
11
33
18
22
29
10
15
43
25
36
6
37
42
13
28
27
19
31
8
40
12
17
22
13
32
4
3
38
41
30
2
24
34
26
1
7
20
12
28
9
40
39
FIT
1:1
100%

Артикул

Название

Примечание

Количество

1

165284C1

SECTOR, gear shift pattern front

1шт.

16897R1

CARRIAGE BOLT,Short Nk, 5/16" - 18 x 3/4", Gr 2, Full Thd

BOLT, 5/16 x 3/4 C-Z sq-nk crg

2шт.

120376

NUT,5/16"-18, G5

2шт.

80681

LOCK WASHER,5/16"

WASHER, LOCK, 5/16"

2шт.

2

164669C1

SECTOR, gear shift pattern rear

1шт.

16897R1

CARRIAGE BOLT,Short Nk, 5/16" - 18 x 3/4", Gr 2, Full Thd

BOLT, 5/16 x 3/4 C-Z sq-nk crg

2шт.

120376

NUT,5/16"-18, G5

2шт.

80681

LOCK WASHER,5/16"

WASHER, LOCK, 5/16"

2шт.

3

157473C1

KNOB

GRIP, gear shift rod

1шт.

4

164694C91

ROD ASSY, gear shift

1шт.

5

157360C11

ARM

W/BUSHING, gear shift rod, includes ref no. 6

1шт.

19790R1

PIN,5/16" x 1 1/4", Coiled

1шт.

6

568920R1

BUSHING

gear shift rod arm

1шт.

7

164697C11

LEVER W/BUSHING, gear shift left, includes ref no. 8

1шт.

8

568921R1

BUSHING,15.9mm ID x 19.02mm OD x 22.23mm L

gear shift left lever

1шт.

9

164698C11

LEVER W/BUSHING, gear shift right, includes ref no. 10

1шт.

19677R1

BOLT, 3/8 x 4-1/4 C-Z hex-hd mach

1шт.

120377

NUT,3/8" - 16, Gr 5

1шт.

120382

LOCK WASHER,Helical Spring, 3/8"

WASHER, LOCK, 3/8"

1шт.

178375R1

WASHER

25/32 x 1-1/4 x 16 ga C-Z

2шт.

10

568921R1

BUSHING,15.9mm ID x 19.02mm OD x 22.23mm L

gear shift right lever

1шт.

11

564519R1

BUSHING, gear shift lever pivot

1шт.

12

144243

CLEVIS

3/8-24 x 2-1/2 C-Z lt adj rod end

2шт.

121222

COTTER PIN,3/32" x 3/4"

PIN, SPLIT (COTTER), 3/32" x 3/4"

2шт.

138084

SPLIT PIN/SAFETY PIN

PIN, 3/8 x 1-3/32 rod end

2шт.

13

164699C1

EYE BOLT, gear shift

2шт.

124925

JAM NUT,Jam, 3/8"-24, G5

2шт.

121222

COTTER PIN,3/32" x 3/4"

PIN, SPLIT (COTTER), 3/32" x 3/4"

2шт.

865197R1

CLEVIS PIN,3/8" x 1.218"

PIN, 3/8 x 1-7/32 rod end

2шт.

14

164591C11

SUPPORT W/BUSHING, gear shift front, includes ref no. 15

1шт.

17351R1

CARRIAGE BOLT,Short Sq Nk, 3/8" - 16 x 1", Gr 2

BOLT, 3/8 x 1 C-Z sq-nk crg

1шт.

18684R1

BOLT,Sht Sq Nk, 3/8" - 16 x 1 1/4", Gr 2

3/8 x 1-1/4 C-Z hex-hd mach

1шт.

120377

NUT,3/8" - 16, Gr 5

2шт.

120382

LOCK WASHER,Helical Spring, 3/8"

WASHER, LOCK, 3/8"

2шт.

15

559154R1

BUSHING,25.45mm ID x 28.6mm OD x 25.4mm L

front support

1шт.

16

575990R1

BUSHING, transmission shift rear bracket, 2 holes, 3/16 dia.

1шт.

16

561905R1

BUSHING

transmission shift rear bracket, solid

1шт.

17

164707C1

ARM, gear selector outer front

1шт.

616255R1

LOCK PIN,1/4" x 1 5/8", Slotted

Pin, 1/4" x 1 5/8", Slotted

1шт.

18

124553

WOODRUFF KEY,#15, 1/4" x 1", HT

1шт.

19

164696C1

SHAFT, gear selector upper

1шт.

609836R1

WASHER

1-1/32 x 1-3/4 x 16 ga C-Z

6шт.

20

164702C91

CRANK W/BUSHING, gear selector, includes ref no. 21

1шт.

21

559154R1

BUSHING,25.45mm ID x 28.6mm OD x 25.4mm L

tube

2шт.

22

219-37

LUBE NIPPLE,45 Degree Elbow, 1/4" - 28 NPTF

FITTING, 1/4-28 45 deg angle lub

2шт.

23

164700C11

BLOCK W/BUSHING, gear selector rear, includes ref no. 24

1шт.

17351R1

CARRIAGE BOLT,Short Sq Nk, 3/8" - 16 x 1", Gr 2

BOLT, 3/8 x 1 C-Z sq-nk crg

2шт.

120377

NUT,3/8" - 16, Gr 5

2шт.

120382

LOCK WASHER,Helical Spring, 3/8"

WASHER, LOCK, 3/8"

2шт.

24

559154R1

BUSHING,25.45mm ID x 28.6mm OD x 25.4mm L

pivot

1шт.

25

167043C91

BRACKET ASSY, gear shift front

1шт.

17351R1

CARRIAGE BOLT,Short Sq Nk, 3/8" - 16 x 1", Gr 2

BOLT, 3/8 x 1 C-Z sq-nk crg

2шт.

18508R1

CARRIAGE BOLT,Short Nk, 3/8" - 16 x 3/4", Gr 2, Full Thd

BOLT, 3/8 x 3/4 C-Z sq-nk crg

4шт.

120377

NUT,3/8" - 16, Gr 5

6шт.

120382

LOCK WASHER,Helical Spring, 3/8"

WASHER, LOCK, 3/8"

6шт.

26

164706C1

ARM, gear selector outer rear

1шт.

121222

COTTER PIN,3/32" x 3/4"

PIN, SPLIT (COTTER), 3/32" x 3/4"

1шт.

138084

SPLIT PIN/SAFETY PIN

PIN, 3/8 x 1-3/32 rod end

1шт.

27

124553

WOODRUFF KEY,#15, 1/4" x 1", HT

1шт.

28

164708C91

LINK ASSY, vertical shift

2шт.

121222

COTTER PIN,3/32" x 3/4"

PIN, SPLIT (COTTER), 3/32" x 3/4"

4шт.

138084

SPLIT PIN/SAFETY PIN

PIN, 3/8 x 1-3/32 rod end

4шт.

29

164711C91

LEVER ASSY, shift, 1st and 3rd gear

1шт.

18481R1

COTTER PIN,3/16" x 1"

PIN, SPLIT (COTTER), 3/16" x 1"

1шт.

30

166247C91

BRACKET ASSY, transmission shift front, includes ref no. 32

1шт.

17351R1

CARRIAGE BOLT,Short Sq Nk, 3/8" - 16 x 1", Gr 2

BOLT, 3/8 x 1 C-Z sq-nk crg

2шт.

120377

NUT,3/8" - 16, Gr 5

1шт.

120382

LOCK WASHER,Helical Spring, 3/8"

WASHER, LOCK, 3/8"

2шт.

31

219-8

LUBE NIPPLE,1/4" - 28 NPTF

FITTING, 1/4-28 str lub

1шт.

32

575990R1

BUSHING, transmission shaft front bracket, 2 holes, 3/16 dia.

1шт.

32

561905R1

BUSHING

transmission shaft front bracket, solid

1шт.

33

164720C1

ARM, shift, 1st and 3rd gear

1шт.

34

112139

WOODRUFF KEY,#A, 1/4" x 7/8"

KEY, 1/4 x 7/8 woodruff 15

1шт.

35

164721C91

LEVER ASSY, shift, 2nd gear, includes ref no. 37

1шт.

36

219-8

LUBE NIPPLE,1/4" - 28 NPTF

FITTING, 1/4-28 str lub

1шт.

37

575990R1

BUSHING, shift tube, 2 holes, 3/16 dia.

2шт.

37

561905R1

BUSHING

shift tube, solid

2шт.

38

164865C91

LINK ASSY, horizontal shift, 2nd gear

1шт.

121222

COTTER PIN,3/32" x 3/4"

PIN, SPLIT (COTTER), 3/32" x 3/4"

2шт.

138084

SPLIT PIN/SAFETY PIN

PIN, 3/8 x 1-3/32 rod end

2шт.

39

164917C91

LINK ASSY, horizontal shift, 1st & 3rd gear

1шт.

121222

COTTER PIN,3/32" x 3/4"

PIN, SPLIT (COTTER), 3/32" x 3/4"

2шт.

138084

SPLIT PIN/SAFETY PIN

PIN, 3/8 x 1-3/32 rod end

2шт.

40

589460R1

BOLT, shifter rail eye

2шт.

124829

JAM NUT,Hex, 3/8" - 16, Gr 5

2шт.

41

166249C91

BRACKET ASSY, transmission shift rear, includes ref no. 16

1шт.

17351R1

CARRIAGE BOLT,Short Sq Nk, 3/8" - 16 x 1", Gr 2

BOLT, 3/8 x 1 C-Z sq-nk crg

2шт.

120377

NUT,3/8" - 16, Gr 5

2шт.

120382

LOCK WASHER,Helical Spring, 3/8"

WASHER, LOCK, 3/8"

2шт.

42

219-8

LUBE NIPPLE,1/4" - 28 NPTF

FITTING, 1/4-28 str lub

1шт.

43

168968C1

STRAP, transmission shift support

1шт.

Выбрано товаров: 0