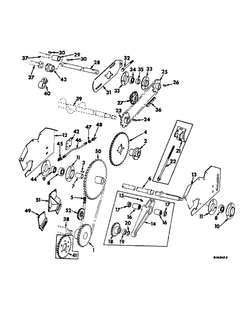
Запчасти Case IH 815 (S-08) - ELEVATORS, GRAIN ELEVATOR DRIVE Elevators

Схема запчастей Case IH 815 - (S-08) - ELEVATORS, GRAIN ELEVATOR DRIVE Elevators
42
11
18
34
30
25
49
19
27
17
30
6
50
8
21
35
11
45
1
48
39
46
22
38
17
51
5
37
9
8
36
3
44
40
16
23
43
10
26
13
29
52
2
28
37
14
4
12
41
16
31
7
15
47
20
33
33
24
32
FIT
1:1
100%

Артикул

Название

Примечание

Количество

1

160237C91

SPROCKET ASSY.

SPROCKET ASSY, elev jackshaft drive 25T, mechanical cylinder drive, serial no. 3783 and below, all combines, serial no. 3784 and above

1шт.

2

160622C1

HUB, elevator jackshaft driven sprocket, mechanical cylinder drive, serial no. 3987 and below

1шт.

2

164193C2

HUB, jackshaft driven sprocket, variable cylinder drive, serial no. 3987 and below

1шт.

21651R1

LOCK PIN,5/16" x 2", Slotted

Pin, 5/16" x 2", Slotted

1шт.

557266R1

WASHER, 15/32 x 1-3/4 x 16 ga

4шт.

3

88907

WOODRUFF KEY,#B, 5/16" x 1", HT

KEY, 5/16 x 1 woodruff hard, mechanical cylinder drive

1шт.

4

160621C1

SPROCKET, elev jackshaft driven 47T, serial no. 3987 and below

1шт.

18475R1

BOLT,Hex, 5/16" - 18 x 1 1/4", Gr 2

5/16 x 1-1/4 hex-hd mach

4шт.

120376

NUT,5/16"-18, G5

4шт.

80681

LOCK WASHER,5/16"

WASHER, LOCK, 5/16"

4шт.

5

CHAIN, jkshft drive, use 73 links from 10 ft roll marked 1793D, one connecting link 1786D and one offset link 1318D

1шт.

6

160623C11

SHAFT

ASSY, elevator drive jack, mechanical cylinder drive, serial no. 3783 and below

1шт.

6

164192C11

SHAFT ASSY, elevator drive jack, variable cylinder drive, serial no. 3783 and below

1шт.

6

174441C1

SHAFT ASSY, elevator drive jack, mechanical cylinder drive, serial no. 3784 thru 3987

1шт.

6

174442C1

SHAFT ASSY, elevator drive jack, variable cylinder drive, serial no. 3784 thru 3987

1шт.

6

172460C11

SHAFT

ASSY, elevator drive jack, serial no. 3988 and above

1шт.

22244R1

LOCK NUT

3/4-10 C-Z hex nylon insert lock

1шт.

21753R1

WASHER

25/32 x 1-1/2 x 16 ga C-Z

2шт.

467750R1

WASHER

25/32 x 1-1/2 x 11 ga C-Z

1шт.

478258R1

WASHER

1-5/32 x 1-3/4 x 11 ga

2шт.

7

174439C1

SPACER, elevator jackshaft, serial no. 3987 and below

1шт.

8

939475R91

BEARING

ASSY, elev jackshaft ball, serial no. 3783 and below

2шт.

8

670373R91

BALL BEARING,1.1255" ID x 62 mm OD x 1.4375"

ASSY, elev jackshaft ball, serial no. 3784 and above

2шт.

9

557115R11

COLLAR

COLLAR W/SET SCREW, jackshaft LH brg lkg

1шт.

115321

SET SCREW,Hex Skt, 5/16"-18 x 5/16"

SCREW, 5/16 x 5/16 hex-soc-hd cup PT set

1шт.

10

939460R91

FLANGE

W/65 DEG LUB FITTING, outer brg

1шт.

11

939461R1

FLANGE

jackshaft brg grooved

2шт.

16897R1

CARRIAGE BOLT,Short Nk, 5/16" - 18 x 3/4", Gr 2, Full Thd

BOLT, 5/16 x 3/4 C-Z sq-nk crg

6шт.

120376

NUT,5/16"-18, G5

6шт.

80681

LOCK WASHER,5/16"

WASHER, LOCK, 5/16"

6шт.

12

169212C1

SUPPORT

elevator jackshaft bearing inner

1шт.

18508R1

CARRIAGE BOLT,Short Nk, 3/8" - 16 x 3/4", Gr 2, Full Thd

BOLT, 3/8 x 3/4 C-Z sq-nk crg

2шт.

18778R1

SCREW,Hex, 3/8"-16 x 3/4", G2

BOLT, 3/8 x 3/4 C-Z hex-hd mach

3шт.

120377

NUT,3/8" - 16, Gr 5

5шт.

120382

LOCK WASHER,Helical Spring, 3/8"

WASHER, LOCK, 3/8"

5шт.

13

160627C1

SUPPORT, jackshaft brg outer, serial no. 1972 and below

1шт.

13

169289C1

SUPPORT, jackshaft brg outer, serial no. 1973 and above

1шт.

16897R1

CARRIAGE BOLT,Short Nk, 5/16" - 18 x 3/4", Gr 2, Full Thd

BOLT, 5/16 x 3/4 C-Z sq-nk crg

2шт.

18778R1

SCREW,Hex, 3/8"-16 x 3/4", G2

BOLT, 3/8 x 3/4 C-Z hex-hd mach

3шт.

120376

NUT,5/16"-18, G5

2шт.

120377

NUT,3/8" - 16, Gr 5

3шт.

80681

LOCK WASHER,5/16"

WASHER, LOCK, 5/16"

2шт.

120382

LOCK WASHER,Helical Spring, 3/8"

WASHER, LOCK, 3/8"

3шт.

14

160678C11

LEVER W/BRGS AND SEALS, jackshaft chain idler, includes ref nos. 16 and 17, serial no. 3987 and below

1шт.

21885R1

WASHER

1-11/32 x 2 x 16 ga C-Z

8шт.

15

109461

LUBE NIPPLE,1/8"-27 x .66 lg

NIPPLE, LUBE, , S/Ns 3987 and below 1/8"-27 x .66 lg

1шт.

16

454256R91

BEARING CUP,Needle, 28.56mm ID x 38.11mm OD x 19.05mm W

ASSY, roller, serial no. 3987 and below

2шт.

17

460550R91

OIL RESERVOIR

SEAL ASSY, oil, serial no. 3987 and below

2шт.

18

160679C91

SPROCKET ASSY, jackshaft drive chain tightener, 16T, serial no. 3987 and below

1шт.

18826R1

BOLT,Hex, 5/8"-11 x 3", G2

5/8 x 3 C-Z hex-hd mach

1шт.

124589

BALL STUD,Hex, 5/8" - 11 x 2", Gr 5

5/8 hex

1шт.

492-11062

BEARING WASHER,5/8"

WASHER, LOCK, 5/8"

1шт.

608701R1

WASHER

21/32 x 1-1/4 x 16 ga

5шт.

19

666624R91

BALL BEARING,16.26mm ID x 40mm OD x 18mm W

ASSY, jackshaft drive chain tightener sprocket ball, serial no. 3987 and below

1шт.

20

571393R1

SNAP RING

RING, jackshaft tightener sprocket snap, serial no. 3987 and below

2шт.

21

160750C91

SUPPORT ASSY, jackshaft drive chain tightener draw bolt pivot, serial no. 3987 and below

1шт.

16897R1

CARRIAGE BOLT,Short Nk, 5/16" - 18 x 3/4", Gr 2, Full Thd

BOLT, 5/16 x 3/4 C-Z sq-nk crg

2шт.

120376

NUT,5/16"-18, G5

2шт.

80681

LOCK WASHER,5/16"

WASHER, LOCK, 5/16"

2шт.

22

160749C1

BOLT

jackshaft drive tightener draw, serial no. 3987 and below

1шт.

271501

SOCKET

NUT, 7/16 C-Z hex

2шт.

20614R1

CLEVIS PIN,9.53mm OD x 34.14mm L

PIN, 1/8 x 1-3/8 C-Z rod end

1шт.

121222

COTTER PIN,3/32" x 3/4"

PIN, SPLIT (COTTER), 3/32" x 3/4"

1шт.

619856R1

WASHER

13/32 x 1 x 16 ga C-Z

1шт.

23

167448C1

SPROCKET ASSY, grain elev drive 22T, grain and windrow special not raised leveling auger serial no. 1290 and below

1шт.

23

168687C1

DRIVE SPROCKET

SPROCKET ASSY, grain elev drive 19T, bean special, grain & windrow special not raised leveling auger, serial no. 1291 and above

1шт.

23

162463C91

SPROCKET ASSY.

SPROCKET ASSY, grain elev drive 27T, bean special

1шт.

23

167449C1

SPROCKET ASSY.

SPROCKET ASSY, grain elev drive 16T, standard for corn special, fast speed leveling auger

1шт.

24

Q53

KEY,1/4" Sq x 1", Par

Not raised leveling auger, bean special 1/4" Sq x 1", Par

1шт.

25

167449C1

SPROCKET ASSY.

SPROCKET ASSY, grain elevator driven 16T, not bean special or fast speed grain tank level auger drive

1шт.

25

162463C91

SPROCKET ASSY.

SPROCKET ASSY, grain elevator driven 27T, bean special

1шт.

25

168687C1

DRIVE SPROCKET

SPROCKET ASSY, grain elevator driven 19T, standard for corn special, for fast speed level auger drive

1шт.

20340R1

COTTER PIN,1/4" x 1 1/2"

Pin, Split (Cotter), 1/4" x 1 1/2"

1шт.

21789R1

WASHER

1-1/32 x 1-104 x 16 ga

2шт.

26

124553

WOODRUFF KEY,#15, 1/4" x 1", HT

1шт.

27

594706R91

SPROCKET ASSY.,15T

SPROCKET ASSY, grain elevator drive chain tightener 15T

1шт.

18720R1

SCREW,Short NK, 5/8"-11 x 2", G2

BOLT, 5/8 x 2 C-Z sq-nk crg

1шт.

280374

NUT,Hex, 5/8" - 11, Gr 5

5/8 C-Z hex

1шт.

492-11062

BEARING WASHER,5/8"

WASHER, LOCK, 5/8"

1шт.

22858R1

SQ HOLE WASHER,41/64" x 1 1/4" x .105", Sq Hole

21/32 sq x 1-1/4 x 12 ga C-Z

1шт.

589068R1

WASHER

21/32 x 1-1/4 x 11 ga C-Z

3шт.

28

160692C1

SHAFT

grain elevator drive extension

1шт.

29

160693C1

COUPLING, grain elevator drive extension shaft, serial no. 1972 and below

1шт.

30

112139

WOODRUFF KEY,#A, 1/4" x 7/8"

KEY, 1/4 x 7/8 woodruff A, 2 used serial no. 1972 and below, 1 used serial no. 1973 to 3601

1шт.

30

124553

WOODRUFF KEY,#15, 1/4" x 1", HT

S/N 3602 and above #15, 1/4" x 1", HT

1шт.

31

160428C11

SUPPORT

W/NUT, grain elevator drive extension shaft, not raised leveling auger

1шт.

16897R1

CARRIAGE BOLT,Short Nk, 5/16" - 18 x 3/4", Gr 2, Full Thd

BOLT, 5/16 x 3/4 C-Z sq-nk crg

1шт.

120376

NUT,5/16"-18, G5

1шт.

80681

LOCK WASHER,5/16"

WASHER, LOCK, 5/16"

1шт.

32

611421R1

BOLT,Hex, 7/16" - 14 x 3 1/2", Full Thd

grain elevator drive adjusting, fast speed leveling auger, not raised leveling auger

1шт.

NLS

NO LONGER SERVICED

NUT, 7/16 C-Z hex

1шт.

33

155265C1

FLANGE

grain elevator drive extension shaft brg

2шт.

16897R1

CARRIAGE BOLT,Short Nk, 5/16" - 18 x 3/4", Gr 2, Full Thd

BOLT, 5/16 x 3/4 C-Z sq-nk crg

2шт.

120376

NUT,5/16"-18, G5

2шт.

80681

LOCK WASHER,5/16"

WASHER, LOCK, 5/16"

2шт.

34

160796C91

BALL BEARING,25.4mm ID x 51.99mm OD x 16.56mm W

BEARING ASSY, grain elevator drive extension shaft ball

1шт.

35

564853R11

COLLAR

W/SET SCREW, brg lkg

1шт.

83-1254

SET SCREW,Hex Soc, 1/4"-20 x 1/4"

SCREW, 1/4 x 1/4 hex-soc-hd cup PT set

1шт.

36

CHAIN ASSY, grain elevator drive, for standard grain tank extension, use 53 links from 10 ft roll marked 1791D, one connecting link 1310D & two offset links 1315D

1шт.

36

CHAIN ASSY, grain elevator drive, for high capacity grain tank, use 45 links from 10 ft roll marked 1791D, 1 connecting link 1310D

1шт.

37

HEADSHAFT, grain elevator, refer to grain elevator unit for listing

1шт.

38

SHAFT, cylinder beater, refer to section R, cylinder beater grate & concave unit for listing

1шт.

39

AUGER, grain tank distributor, refer to section T, grain tank extension & distributor auger unit for listing

1шт.

40

561695R11

CLAMP ASSY, grain elevator drive, serial no. 1972 and below

1шт.

181646

BOLT,Hex, 3/8" - 24 x 1 3/4", Gr 5

3/8-24 x 2 C-Z hex-hd

1шт.

120369

NUT,3/8"-24, G5

1шт.

120382

LOCK WASHER,Helical Spring, 3/8"

WASHER, LOCK, 3/8"

1шт.

41

163877C1

SPROCKET ASSY.

SPROCKET, elevator jackshaft drive 25T, variable cylinder drive, serial no. 3783 and below

1шт.

271501

SOCKET

NUT, 7/16 C-Z hex

6шт.

20571R1

SCREW, 7/16 x 7 C-Z hex-hd cap

6шт.

120383

LOCK WASHER,Helical Spring, 7/16"

WASHER, LOCK, 7/16"

6шт.

42

169213C1

PLATE, tightener pivot inner bearing, variable cylinder drive

1шт.

16897R1

CARRIAGE BOLT,Short Nk, 5/16" - 18 x 3/4", Gr 2, Full Thd

BOLT, 5/16 x 3/4 C-Z sq-nk crg

2шт.

120376

NUT,5/16"-18, G5

2шт.

80681

LOCK WASHER,5/16"

WASHER, LOCK, 5/16"

2шт.

20893R1

WASHER

11/32 x 1 x 11 ga C-Z

2шт.

43

939108R1

COUPLING

grain elev drive ext shaft, serial no. 1973 and above

1шт.

236485R1

BOLT,Hex, 1/2" - 13 x 2 1/4", Gr 8

1/2 x 2-1/4 znd hex-hd mach

1шт.

21330R1

NUT,1/2"-13, G8

1/2 C-Z hex type 8

1шт.

366864C1

LOCK WASHER,1/2"

1/2"

1шт.

44

939460R91

FLANGE

W/65 DEG LUB FITTING, jackshaft, serial no. 3783 and below

1шт.

44

164948C91

FLANGE

W/STR LUB ADAPTER, inner brg, serial no. 3784 and above

1шт.

45

21340R1

ADAPTER,90 Degree, 1/4"-1/8 NPTF

90 degree lube hose, serial no. 3784 and above

1шт.

46

937775R91

HOSE,3.56mm ID x 330.2mm L

Inner Brg Lub, Serial No. 3784 and Above

1шт.

47

581873R1

TUBE NUT,4.8 mm Length

inner brg lub hose clamp, serial no. 3784 and above

1шт.

48

219-37

LUBE NIPPLE,45 Degree Elbow, 1/4" - 28 NPTF

FITTING, 1/4-28 45 degree angle lub, S/N 3784 and above

1шт.

49

172463C1

BRACKET

elevator jackshaft drive chain tightener, variable cyl drive, serial no. 3988 and above

1шт.

50

172465C1

SPROCKET ASSY.

SPROCKET, elevator jackshaft driven 47T, serial no. 3988 and above

1шт.

124824

NUT,Hex, 5/16" - 18

5/16 C-Z hex-jam

2шт.

178758

SET SCREW,Sq Hd, 5/16" - 18 x 3/4", Cup Pt

SCREW, 5/16 x 3/4 znp sq-hd set

2шт.

51

172461C1

BRACKET

ASSY, elevator jackshaft drive chain tightener, mechanical cyl drive, serial no. 3988 and above

1шт.

18778R1

SCREW,Hex, 3/8"-16 x 3/4", G2

BOLT, 3/8 x 3/4 C-Z hex-hd mach

1шт.

482256R1

BEARING LOCK NUT,Flg, USR, 3/8"-16

3/8 C-Z flange lock

1шт.

52

154113C91

DRIVE SPROCKET

SPROCKET ASSY, elevator jackshaft drive chain tightener 13T, serial no. 3988 and above

1шт.

18721R1

CARRIAGE BOLT,Sq Nk, 5/8" - 11 x 2 1/4", Gr 2

BOLT, 5/8 x 2-1/4 C-Z sq-nk crg

1шт.

124589

BALL STUD,Hex, 5/8" - 11 x 2", Gr 5

5/8 C-Z hex

1шт.

492-11062

BEARING WASHER,5/8"

WASHER, LOCK, 5/8"

1шт.

589068R1

WASHER

21/32 x 1-1/4 x 11 ga C-Z

3шт.

22858R1

SQ HOLE WASHER,41/64" x 1 1/4" x .105", Sq Hole

21/32 x 1-1/4 x 12 ga sq-hole

1шт.

Выбрано товаров: 139