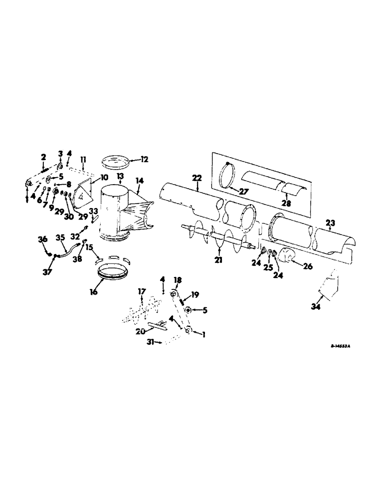
Запчасти Case IH 815 (T-09) - GRAIN TANK AND BAGGER, UPPER UNLOADER AUGER AND DRIVE Grain Tank

Схема запчастей Case IH 815 - (T-09) - GRAIN TANK AND BAGGER, UPPER UNLOADER AUGER AND DRIVE Grain Tank
4
23
9
29
15
20
16
33
2
32
11
21
5
8
3
30
1
7
26
6
19
5
38
14
28
29
34
10
37
25
35
22
27
4
24
4
36
17
24
18
31
1
13
12
4
FIT
1:1
100%

Артикул

Название

Примечание

Количество

1

162334C91

SPROCKET ASSY.

SPROCKET ASSY, sloping auger & unloader final auger driver 20T

2шт.

NLS

NO LONGER SERVICED

5/16 C-Z hex-jam

2шт.

178758

SET SCREW,Sq Hd, 5/16" - 18 x 3/4", Cup Pt

SCREW, 5/16 x 3/4 C-Z sq hd cup PT set

2шт.

2

CHAIN ASSY, grain tank unloader final auger drive, use 73 links from 10 ft roll marked 1790D and 1 connecting link 1301D

1шт.

3

160104C91

SPROCKET ASSY.

SPROCKET ASSY, unloader final auger driven 19T

1шт.

124824

NUT,Hex, 5/16" - 18

5/16 C-Z hex-jam

1шт.

178758

SET SCREW,Sq Hd, 5/16" - 18 x 3/4", Cup Pt

SCREW, 5/16 x 3/4 C-Z sq hd cup PT

1шт.

4

124553

WOODRUFF KEY,#15, 1/4" x 1", HT

4шт.

5

607779R91

DRIVE SPROCKET

SPROCKET ASSY, sloping auger & unloader final auger drive tghther 18T

2шт.

20180R1

CARRIAGE BOLT,Sq Nk, 1/2" - 13 x 2", Gr 2

BOLT, 1/2 x 2 C-Z sq-nk crg

2шт.

120378

NUT,Hex, 1/2" - 13, Gr 5

NUT, 1/2"-13, G5

2шт.

120384

WASHER,1/2"

LOCK, 1/2"

2шт.

178374R1

WASHER

17/32 x 1-1/4 x 16 ga C-Z

3шт.

607896R1

SQ HOLE WASHER,17/32" x 1 1/4" x .120", Sq Hole

17/32 sq x 1-1/4 x 11 ga C-Z

2шт.

20601R1

WASHER

17/32 x 1-1/4 x 11 ga C-Z

1шт.

6

697494R91

OIL SEAL

SEAL ASSY, unloader auger up oil

1шт.

7

466509R91

BEARING ASSY

ASSY, unloader lower auger up

1шт.

8

219-8

LUBE NIPPLE,1/4" - 28 NPTF

FITTING, 1-4/28 str lub

1шт.

9

160114C91

HUB

ASSY, unloader upper auger outer brg, includes ref nos. 6 & 7

1шт.

16897R1

CARRIAGE BOLT,Short Nk, 5/16" - 18 x 3/4", Gr 2, Full Thd

BOLT, 5/16 x 3/4 C-Z sq-nk crg

3шт.

120376

NUT,5/16"-18, G5

3шт.

80681

LOCK WASHER,5/16"

WASHER, LOCK, 5/16"

3шт.

10

162321C91

SUPPORT ASSY, upper auger brg

1шт.

16897R1

CARRIAGE BOLT,Short Nk, 5/16" - 18 x 3/4", Gr 2, Full Thd

BOLT, 5/16 x 3/4 C-Z sq-nk crg

7шт.

120376

NUT,5/16"-18, G5

7шт.

80681

LOCK WASHER,5/16"

WASHER, LOCK, 5/16"

7шт.

11

SHAFT, unloader upper auger drive, refer to unloader sloping and vertical auger sec T for listing

1шт.

12

162061C11

COVER ASSY, unloader vertical auger top

1шт.

18764R1

HARDWARE,Hex, 5/16"-18 x 3/4", G2

BOLT, 5/16 x 3/4 C-Z hex-hd mach

7шт.

120376

NUT,5/16"-18, G5

7шт.

80681

LOCK WASHER,5/16"

WASHER, LOCK, 5/16"

7шт.

13

160183C2

TUBE, unloader vertical auger upper

1шт.

18673R1

CARRIAGE BOLT,Short Sq Nk, 5/16" - 18 x 1/2", Gr 2

BOLT, 5/16 x 1/2 C-Z sq-nk crg

9шт.

120376

NUT,5/16"-18, G5

12шт.

80681

LOCK WASHER,5/16"

WASHER, LOCK, 5/16"

12шт.

14

163867C91

TUBE ASSY, unloader vertical auger upper, includes ref nos. 13 and 16

1шт.

15

160215C1

BAR, unloader tube swivel male keeper

3шт.

18796R1

BOLT,Hex, 7/16"-14 x 1 1/2", G2

7/16 x 1-1/2 C-Z hex-hd mach

6шт.

271501

SOCKET

NUT, 7/16 C-Z hex

6шт.

120383

LOCK WASHER,Helical Spring, 7/16"

WASHER, LOCK, 7/16"

6шт.

16

160115C1

RING, unloader tube swivel male

1шт.

18673R1

CARRIAGE BOLT,Short Sq Nk, 5/16" - 18 x 1/2", Gr 2

BOLT, 5/16 x 1/2 C-Z sq-nk crg

8шт.

16897R1

CARRIAGE BOLT,Short Nk, 5/16" - 18 x 3/4", Gr 2, Full Thd

BOLT, 5/16 x 3/4 C-Z sq-nk crg

6шт.

120376

NUT,5/16"-18, G5

14шт.

106900

RIVET,Truss Hd, 1/4" x 3/4"

12шт.

80681

LOCK WASHER,5/16"

WASHER, LOCK, 5/16"

14шт.

17

1 UGER ASSY, lower, refer to unloader sloping and vertical auger sec T for listing

1шт.

18

162074C91

SPROCKET ASSY.

SPROCKET ASSY, grain tank unloader sloping auger driven 24T

1шт.

19

CHAIN ASSY, grain tank sloping auger drive, use 67 links from a 10 ft roll marked 1790D, 1 connecting link 1301D and 1 offset link 1303D

1шт.

20

160211C91

SUPPORT ASSY, unloader sloping auger drive chain tightener, serial no. 4240 and below

1шт.

20

172627C1

SUPPORT ASSY, unloader sloping auger drive chain tightener, serial no. 4241 and above

1шт.

18508R1

CARRIAGE BOLT,Short Nk, 3/8" - 16 x 3/4", Gr 2, Full Thd

BOLT, 3/8 x 3/4 C-Z sq-nk crg

2шт.

120377

NUT,3/8" - 16, Gr 5

2шт.

120382

LOCK WASHER,Helical Spring, 3/8"

WASHER, LOCK, 3/8"

2шт.

21

160138C92

AUGER ASSY, unloader upper

1шт.

20704R1

WASHER

1-1/32 x 1-1/2 x 11 ga C-Z

3шт.

22

160182C91

TUBE ASSY, unloader vertical auger upper

1шт.

16897R1

CARRIAGE BOLT,Short Nk, 5/16" - 18 x 3/4", Gr 2, Full Thd

BOLT, 5/16 x 3/4 sq-nk crg

11шт.

120376

NUT,5/16"-18, G5

11шт.

80681

LOCK WASHER,5/16"

WASHER, LOCK, 5/16"

11шт.

23

160135C91

TUBE ASSY, unloader auger, not bean special or combines w/perforated screen

1шт.

23

161905C91

TUBE ASSY, unloader upper auger, for bean special or combines w/perforated screen 86.44" Length

1шт.

19532R1

BOLT,Hex, 3/8" - 16 x 1/2", Gr 2

3/8 x 1/2 C-Z hex-hd mach

12шт.

120377

NUT,3/8" - 16, Gr 5

12шт.

120382

LOCK WASHER,Helical Spring, 3/8"

WASHER, LOCK, 3/8"

12шт.

24

571424R1

FLANGE

unloader upper auger outer brg

2шт.

16897R1

CARRIAGE BOLT,Short Nk, 5/16" - 18 x 3/4", Gr 2, Full Thd

BOLT, 5/16 x 3/4 C-Z sq-nk crg

3шт.

120376

NUT,5/16"-18, G5

3шт.

80681

LOCK WASHER,5/16"

WASHER, LOCK, 5/16"

3шт.

25

155264C91

BALL BEARING,25.43mm ID x 52.09mm OD x 16mm W

ASSY, unloader upper auger outer

1шт.

26

584267R1

SUPPORT

BRACKET, unloader upper auger outer brg

1шт.

18763R1

BOLT,Hex, 5/16" - 18 x 1/2", Gr 2

5/16 x 1/2 C-Z hex-hd mach

3шт.

18764R1

HARDWARE,Hex, 5/16"-18 x 3/4", G2

BOLT, 5/16 x 3/4 C-Z hex-hd mach

1шт.

120376

NUT,5/16"-18, G5

4шт.

80681

LOCK WASHER,5/16"

WASHER, LOCK, 5/16"

4шт.

134238R1

WASHER

11/32 x 1 x 16 ga C-Z

1шт.

27

161908C1

CLAMP, unloader upper auger cover, for bean special or combines w/perforated screen

3шт.

18475R1

BOLT,Hex, 5/16" - 18 x 1 1/4", Gr 2

5/16 x 1-1/4 C-Z hex-hd mach

3шт.

120376

NUT,5/16"-18, G5

3шт.

80681

LOCK WASHER,5/16"

WASHER, LOCK, 5/16"

3шт.

28

161907C1

COVER, unloader upper auger tube, for bean special or combines w/perforated screen

1шт.

29

864982R1

THRUST WASHER,1.012" ID x 1.552" OD x 0.93"

unloader upper auger inner shaft thrust

2шт.

30

368372R91

THRUST BEARING

ASSY, unloader upper auger inner shaft needle

1шт.

31

SHAFT, unloader auger drive, refer to unloader sloping and vertical auger sec T for listing

1шт.

32

126122

FITTING

1/4-28 str lub, serial no. 4240 and below

1шт.

33

144621

NIPPLE, LUBE,Nipple, 1/8" NPT x 5"

PIPE, unloader upper gear housing grease, serial no. 4240 and below

1шт.

34

167286C1

SPOUT, unloader down plastic, parts accessories

1шт.

34

170021C1

SPOUT, DISCHARGE

SPOUT, unloader tube down, parts accessories

1шт.

18764R1

HARDWARE,Hex, 5/16"-18 x 3/4", G2

BOLT, 5/16 x 3/4 C-Z hex-hd mach

4шт.

120376

NUT,5/16"-18, G5

4шт.

80681

LOCK WASHER,5/16"

WASHER, LOCK, 5/16"

4шт.

134238R1

WASHER

11/32 x 1 x 16 ga C-Z

4шт.

35

937775R91

HOSE,3.56mm ID x 330.2mm L

Unloader Upper Auger Outer Brg Lub, Serial No. 4241 and Above 0.14" ID x 13.00"

1шт.

36

219-8

LUBE NIPPLE,1/4" - 28 NPTF

FITTING, 1/4-28 str lub, serial no. 4241 and above

1шт.

37

581873R1

TUBE NUT,4.8 mm Length

lub hose mounting, serial no. 4241 and above

1шт.

38

21450R1

ADAPTER,1/4"-1/8 NPTF

1/4-28 str lub, serial no. 4241 and above

1шт.

Выбрано товаров: 96