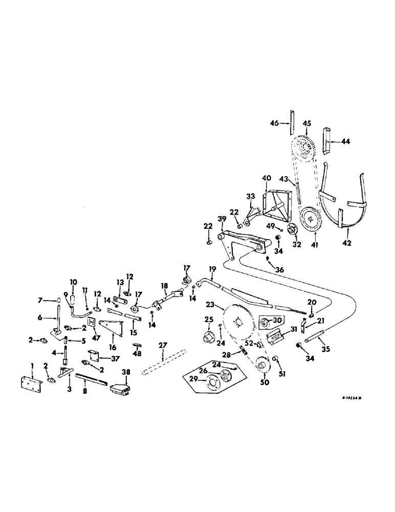
Запчасти Case IH 815 (T-14) - GRAIN TANK AND BAGGER, GRAIN TANK UNLOADER MAIN DRIVE AND CONTROLS Grain Tank

Схема запчастей Case IH 815 - (T-14) - GRAIN TANK AND BAGGER, GRAIN TANK UNLOADER MAIN DRIVE AND CONTROLS Grain Tank
18
7
34
43
49
14
12
4
3
46
14
22
51
39
1
48
27
9
2
41
23
52
30
25
34
24
33
11
17
42
29
13
50
24
6
20
36
14
26
12
28
19
16
38
45
32
2
10
21
17
37
22
15
35
8
5
2
31
2
40
47
44
FIT
1:1
100%

Артикул

Название

Примечание

Количество

1

164809C1

BRACKET, unloader swing bellcrank LH

1шт.

16897R1

CARRIAGE BOLT,Short Nk, 5/16" - 18 x 3/4", Gr 2, Full Thd

BOLT, 5/16 x 3/4 C-Z sq-nk crg

2шт.

120376

NUT,5/16"-18, G5

2шт.

80681

LOCK WASHER,5/16"

WASHER, LOCK, 5/16"

2шт.

2

382508R91

BEARING ASSY,0.752" ID x 0.81"

BEARING ASSY, bellcrank shaft & control lever

4шт.

16897R1

CARRIAGE BOLT,Short Nk, 5/16" - 18 x 3/4", Gr 2, Full Thd

BOLT, 5/16 x 3/4 C-Z sq-nk crg

4шт.

120376

NUT,5/16"-18, G5

4шт.

938017R1

FLANGE NUT,Flg, USR, 5/16"-18

5/16 C-Z whiz lock

4шт.

477-73108

SERRATED SCREW,Sl Truss Hd, 5/16" - 18 x 1/2"

5/16 x 1/2 slt truss-hd

1шт.

80681

LOCK WASHER,5/16"

WASHER, LOCK, 5/16"

4шт.

3

164805C91

LEVER ASSY, unloader swing

1шт.

4

164799C91

ROD ASSY, unloader swing adjusting

1шт.

124925

JAM NUT,Jam, 3/8"-24, G5

1шт.

121222

COTTER PIN,3/32" x 3/4"

PIN, SPLIT (COTTER), 3/32" x 3/4"

1шт.

21881R1

CLEVIS PIN

PIN, 3/8 x 1 C-Z rod end

1шт.

5

104038

ADJUSTABLE CLEVIS,3/8"-24 x 2 1/2"

YOKE, unloader swing link

1шт.

121222

COTTER PIN,3/32" x 3/4"

PIN, SPLIT (COTTER), 3/32" x 3/4"

1шт.

21881R1

CLEVIS PIN

PIN, 3/8 x 1 C-Z rod end

1шт.

6

164795C91

HANDLE ASSY, unloader swing control

1шт.

7

164338C1

KNOB, unloader control lever

1шт.

8

164802C91

ROD ASSY, unloader control valve

1шт.

112726

COTTER PIN,1/16" x 1/2"

PIN, SPLIT (COTTER), 1/16" x 1/2"

1шт.

121222

COTTER PIN,3/32" x 3/4"

PIN, SPLIT (COTTER), 3/32" x 3/4"

1шт.

20155R1

CLEVIS PIN,3/16" x .719"

PIN, 3/16 x 23/32 C-Z rod end

1шт.

21881R1

CLEVIS PIN

PIN, 3/8 x 1 C-Z rod end

1шт.

9

161649C1

LEVER, unloader control

1шт.

10

157473C1

KNOB

GRIP, unloader control lever

1шт.

11

18465D

WASHER

unloader control lever key

1шт.

12

164864C91

FLANGE,15.89mm ID

BEARING ASSY, control lever

2шт.

475954R1

NUT

3/8 C-Z flange lock

4шт.

477-73812

SERRATED SCREW,Truss HD, 3/8" - 16 x 3/4"

3/8 x 3/4 C-Z slt-truss hd

4шт.

13

161650C1

LEVER

unloader control

1шт.

21333R1

NUT,3/8"-16, G8

3/8 C-Z hex

1шт.

454467

BOLT,Hex, 3/8" - 16 x 1 3/4", Gr 8

SCREW, 3/8 x 1-3/4 C-Z hex-hd cap

1шт.

366862C1

LOCK WASHER,3/8"

3/8"

1шт.

14

27251K

SPACER,5/8" Tube x 7/16"

3шт.

18779R1

BOLT,Hex, 3/8"-16 x 1 1/2", Gr 2

3/8 x 1-1/2 C-Z hex-hd mach

1шт.

120377

NUT,3/8" - 16, Gr 5

1шт.

120382

LOCK WASHER,Helical Spring, 3/8"

WASHER, LOCK, 3/8"

1шт.

20803R1

WASHER

13/32 x 1 x 11 ga C-Z

1шт.

15

161652C1

PIPE, unloader control upper

1шт.

18495R1

BOLT,Hex, 3/8" - 16 x 1 1/4", Gr 2

3/8 x 1-1/4 C-Z hex-hd mach

2шт.

120377

NUT,3/8" - 16, Gr 5

1шт.

274993

SHIELD

3/8 znd hex-lock

1шт.

120382

LOCK WASHER,Helical Spring, 3/8"

WASHER, LOCK, 3/8"

2шт.

20803R1

WASHER

13/32 x 1 x 11 ga C-Z

2шт.

16

164880C1

BRACKET, outer brg support

1шт.

17

157428C91

BUSHING

BEARING ASSY, control pivot shaft

2шт.

938017R1

FLANGE NUT,Flg, USR, 5/16"-18

5/16 C-Z flange lock

4шт.

477-73108

SERRATED SCREW,Sl Truss Hd, 5/16" - 18 x 1/2"

5/16 x 1/2 C-Z slt truss-hd

4шт.

18

161653C91

LEVER ASSY, unloader control pivot

1шт.

19

161648C91

PIPE ASSY, unloader control lower

1шт.

425-1110

NUT,5/8"-18, G5

5/8-18 NF C-Z hex

2шт.

20

567995R1

TRUNNION, unloader control lower link

1шт.

21

161658C1

SUPPORT, unloader control lower link trunnion

1шт.

18494R1

BOLT,Hex, 3/8" - 16 x 1", Gr 2

3/8 x 1 C-Z hex-hd mach

2шт.

120377

NUT,3/8" - 16, Gr 5

2шт.

120382

LOCK WASHER,Helical Spring, 3/8"

WASHER, LOCK, 3/8"

2шт.

22

568615R2

BEARING

BUSHING, unloader jackshaft upper lever

2шт.

23

162060C1

SPROCKET ASSY.

SPROCKET, grain tank unloader auger lower gear case driven 57T

1шт.

18778R1

SCREW,Hex, 3/8"-16 x 3/4", G2

BOLT, 3/8 x 3/4 C-Z hex-hd mach

4шт.

120377

NUT,3/8" - 16, Gr 5

4шт.

120382

LOCK WASHER,Helical Spring, 3/8"

WASHER, LOCK, 3/8"

4шт.

24

124553

WOODRUFF KEY,#15, 1/4" x 1", HT

2 used S/N 1972 and below, 1 used S/N 1973 and above #15, 1/4" x 1", HT

1шт.

25

160209C1

HUB

unloader auger lower gear case driven sprocket

1шт.

NLS

NO LONGER SERVICED

5/16 C-Z hex-jam

1шт.

178758

SET SCREW,Sq Hd, 5/16" - 18 x 3/4", Cup Pt

SCREW, 5/16 x 3/4 C-Z sq hd cup PT

1шт.

26

160208C1

HUB

unloader auger lower gear case drive sprocket, serial no. 1972 and below

1шт.

120377

NUT,3/8" - 16, Gr 5

4шт.

17069R1

LOCK PIN,5/16" x 1 3/4", Slotted

Pin, 5/16" x 1 3/4", Slotted

1шт.

180124

BOLT,Hex, 3/8" - 16 x 1 1/4", Gr 5

SCREW, 3/8 x 1-1/4 C-Z hex-hd

4шт.

120382

LOCK WASHER,Helical Spring, 3/8"

WASHER, LOCK, 3/8"

4шт.

27

SHAFT, unloader auger drive, refer to unloader lower vertical augers and drive sec T for listing

1шт.

28

CHAIN ASSY, grain tank unloader auger lower gear case, use 93 links from 10 ft roll marked 1791D and 1 connecting link 1310D

1шт.

29

162059C1

SPROCKET, unloader lower auger gear case drive 27T, not diesel, serial no. 1972 and below

1шт.

29

168677C1

SPROCKET, unloader lower auger gear case drive 31T, diesel, serial no. 1972 and below

1шт.

18494R1

BOLT,Hex, 3/8" - 16 x 1", Gr 2

3/8 x 1 C-Z hex-hd mach

4шт.

120377

NUT,3/8" - 16, Gr 5

4шт.

120382

LOCK WASHER,Helical Spring, 3/8"

WASHER, LOCK, 3/8"

4шт.

30

565442R91

SPROCKET

ASSY, up jkshft lever idler 17T, serial no. 3632 and below

1шт.

20180R1

CARRIAGE BOLT,Sq Nk, 1/2" - 13 x 2", Gr 2

BOLT, 1/2 x 2 C-Z sq-nk crg

1шт.

120378

NUT,Hex, 1/2" - 13, Gr 5

NUT, 1/2"-13, G5

1шт.

120384

WASHER,1/2"

LOCK, 1/2"

1шт.

607896R1

SQ HOLE WASHER,17/32" x 1 1/4" x .120", Sq Hole

17/32 sq x 1-1/4 x 11 ga C-Z

1шт.

20601R1

WASHER

17/32 x 1-1/4 x 11 ga C-Z

1шт.

31

165908C1

BRACKET, upper jackshaft lever idler

1шт.

18764R1

HARDWARE,Hex, 5/16"-18 x 3/4", G2

BOLT, 5/16 x 3/4 C-Z hex-hd mach

2шт.

120376

NUT,5/16"-18, G5

2шт.

80681

LOCK WASHER,5/16"

WASHER, LOCK, 5/16"

2шт.

32

160208C1

HUB

unloader driven pulley

1шт.

18494R1

BOLT,Hex, 3/8" - 16 x 1", Gr 2

3/8 x 1 C-Z hex-hd mach

4шт.

120377

NUT,3/8" - 16, Gr 5

4шт.

17069R1

LOCK PIN,5/16" x 1 3/4", Slotted

Pin, 5/16" x 1 3/4", Slotted

1шт.

120382

LOCK WASHER,Helical Spring, 3/8"

WASHER, LOCK, 3/8"

4шт.

33

164124C91

PLATE ASSY, grain tank unloader arm pivot shaft

1шт.

18494R1

BOLT,Hex, 3/8" - 16 x 1", Gr 2

3/8 x 1 C-Z hex-hd mach

2шт.

120377

NUT,3/8" - 16, Gr 5

2шт.

120382

LOCK WASHER,Helical Spring, 3/8"

WASHER, LOCK, 3/8"

2шт.

34

586633R91

NEEDLE BEARING

unloader jackshaft upper lever

2шт.

35

160296C1

JACKSHAFT, unloader drive, serial no. 1972 and below

1шт.

35

170441C1

JACKSHAFT, unloader drive, serial no. 1973 and above

1шт.

609836R1

WASHER

1-1/32 x 1-3/4 x 16 ga C-Z

4шт.

36

219-8

LUBE NIPPLE,1/4" - 28 NPTF

FITTING, 1/4-28 str lub

1шт.

37

164808C1

BRACKET, unloader swing bellcrank RH

1шт.

16897R1

CARRIAGE BOLT,Short Nk, 5/16" - 18 x 3/4", Gr 2, Full Thd

BOLT, 5/16 x 3/4 C-Z sq-nk crg

2шт.

120376

NUT,5/16"-18, G5

2шт.

80681

LOCK WASHER,5/16"

WASHER, LOCK, 5/16"

2шт.

38

164754C91

VALVE

unloader control, refer to unloader tube swing valve sec F for components

1шт.

39

160210C11

LEVER ASSY, unloader jackshaft upper, includes ref nos. 22 and 34

1шт.

40

162085C91

BRACKET ASSY GRAIN TANK UNLOADER DRIVE JACKSHAFT ARM

1шт.

18494R1

BOLT,Hex, 3/8" - 16 x 1", Gr 2

3/8 x 1 C-Z hex-hd mach

4шт.

120377

NUT,3/8" - 16, Gr 5

4шт.

20340R1

COTTER PIN,1/4" x 1 1/2"

Pin, Split (Cotter), 1/4" x 1 1/2"

1шт.

120382

LOCK WASHER,Helical Spring, 3/8"

WASHER, LOCK, 3/8"

4шт.

591715R1

WASHER

1-1/32 x 1-1/2 x 16 ga C-Z

3шт.

41

160286C11

PULLEY

ASSY, unloader jackshaft driven

1шт.

104233

RIVET, 3/16 x 1/4 flat hd 3/16" x 1/4"

36шт.

42

164121C92

GUIDE

ASSY, grain tank unloader jackshaft drive belt

1шт.

16897R1

CARRIAGE BOLT,Short Nk, 5/16" - 18 x 3/4", Gr 2, Full Thd

BOLT, 5/16 x 3/4 C-Z sq-nk crg

3шт.

120376

NUT,5/16"-18, G5

3шт.

80681

LOCK WASHER,5/16"

WASHER, LOCK, 5/16"

3шт.

43

160173C1

BELT,96.99" L

Unloader Jackshaft Drive 96.99" L

1шт.

44

174660C1

SUPPORT

GUIDE, unloader drive belt rear

1шт.

18494R1

BOLT,Hex, 3/8" - 16 x 1", Gr 2

3/8 x 1 C-Z hex-hd mach

2шт.

120377

NUT,3/8" - 16, Gr 5

2шт.

120382

LOCK WASHER,Helical Spring, 3/8"

WASHER, LOCK, 3/8"

2шт.

469668R1

WASHER

13/32 x 3/4 x 16 ga C-Z

2шт.

45

PULLEY ASSY, unloader jackshaft drive, refer to section B, separator drive unit for listing

1шт.

46

174658C1

GUIDE, unloader drive belt front

1шт.

18474R1

BOLT,Hex, 5/16" - 18 x 1", Gr 2

5/16 x 1 hex-hd

4шт.

80681

LOCK WASHER,5/16"

WASHER, LOCK, 5/16"

4шт.

469668R1

WASHER

13/32 x 3/4 x 16 ga C-Z

4шт.

47

167024C1

STRIP, unloader control adj stop

1шт.

16897R1

CARRIAGE BOLT,Short Nk, 5/16" - 18 x 3/4", Gr 2, Full Thd

BOLT, 5/16 x 3/4 C-Z sq-nk carr

2шт.

120376

NUT,5/16"-18, G5

2шт.

80681

LOCK WASHER,5/16"

WASHER, LOCK, 5/16"

2шт.

48

168407C1

ANGLE, unloader control outer brg support bracket

1шт.

49

88907

WOODRUFF KEY,#B, 5/16" x 1", HT

5/16 x 1 woodruff, hard

1шт.

50

170448C91

SPROCKET ASSY, unloader lower auger gear case 27T, not diesel, serial no. 1973 and above, includes ref no. 51

1шт.

50

170449C91

SPROCKET ASSY.

SPROCKET ASSY, unloader lower auger gear case 31T, diesel, serial no. 1973 and above, includes ref no. 51

1шт.

648002

KNIFE

1/8" x 3/4"

1шт.

24812R1

HEADED PIN,1/4" x 2"

PIN, HEADED, , Hardened 1/4" x 2"

1шт.

51

568615R1

BUSHING

drive sprocket hub, serial no. 1973 and above

1шт.

52

936878R1

BLOCK

upper jackshaft lever idler, serial no. 3633 and above

1шт.

18707R1

CARRIAGE BOLT,Short Sq Nk, 1/2" - 13 x 1", Gr 2

BOLT, 1/2 x 1 sq-nk crg

1шт.

120378

NUT,Hex, 1/2" - 13, Gr 5

NUT, 1/2"-13, G5

1шт.

120384

WASHER,1/2"

LOCK, 1/2"

1шт.

607896R1

SQ HOLE WASHER,17/32" x 1 1/4" x .120", Sq Hole

17/32 sq x 1-1/4 x 11 ga C-Z

1шт.

20601R1

WASHER

17/32 x 1-1/4 x 11 ga C-Z

1шт.

Выбрано товаров: 149