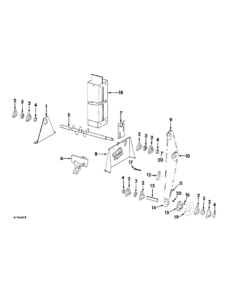
Запчасти Case IH 815 (T-17) - GRAIN TANK AND BAGGER, GRAIN TANK RAISED LEVELING AUGER Grain Tank

Схема запчастей Case IH 815 - (T-17) - GRAIN TANK AND BAGGER, GRAIN TANK RAISED LEVELING AUGER Grain Tank
5
2
10
11
9
18
4
2
19
6
14
12
3
8
2
1
15
20
2
4
3
17
3
13
2
2
4
3
16
4
2
2
20
7
FIT
1:1
100%

Артикул

Название

Примечание

Количество

1

164794C1

PANEL, bearing support LH

1шт.

18508R1

CARRIAGE BOLT,Short Nk, 3/8" - 16 x 3/4", Gr 2, Full Thd

BOLT, 3/8 x 3/4 C-Z hex-hd mach

3шт.

120377

NUT,3/8" - 16, Gr 5

3шт.

120382

LOCK WASHER,Helical Spring, 3/8"

WASHER, LOCK, 3/8"

3шт.

2

571424R1

FLANGE

bearing

8шт.

16897R1

CARRIAGE BOLT,Short Nk, 5/16" - 18 x 3/4", Gr 2, Full Thd

BOLT, 5/16 x 3/4 C-Z sq-nk crg

12шт.

120376

NUT,5/16"-18, G5

12шт.

80681

LOCK WASHER,5/16"

WASHER, LOCK, 5/16"

12шт.

3

160796C91

BALL BEARING,25.4mm ID x 51.99mm OD x 16.56mm W

BEARING ASSY

4шт.

4

564853R11

COLLAR

W/SET SCREW LKG

4шт.

83-1254

SET SCREW,Hex Soc, 1/4"-20 x 1/4"

SCREW, 1/4-20 x 1/4 hex-soc-hd cup PT set

4шт.

5

161533C91

AUGER

ASSY, raised leveling

1шт.

20885R1

WASHER

15/32 x 2 x 16 ga C-Z

4шт.

6

161550C91

CHAIN ASSY, grain elevator ext conveyor, serial no. 3687 and below, not bean special combines, consists of

1шт.

631253R91

LINK

plain

18шт.

150722C91

LINK

attachment

6шт.

588562R91

CHAIN LINK

LINK, attachment

6шт.

7

168243C1

SUPPORT

ASSY, elevator drive shaft

1шт.

18508R1

CARRIAGE BOLT,Short Nk, 3/8" - 16 x 3/4", Gr 2, Full Thd

BOLT, 3/8 x 3/4 C-Z sq-nk crg

2шт.

120377

NUT,3/8" - 16, Gr 5

2шт.

120382

LOCK WASHER,Helical Spring, 3/8"

WASHER, LOCK, 3/8"

2шт.

8

166153C92

SUPPORT ASSY, grain tank leveling auger RH, not bean special combines

1шт.

8

166692C91

SUPPORT ASSY, elevator drive shaft, for bean special combines

1шт.

16897R1

CARRIAGE BOLT,Short Nk, 5/16" - 18 x 3/4", Gr 2, Full Thd

BOLT, 5/16 x 3/4 C-Z sq-nk crg

6шт.

120376

NUT,5/16"-18, G5

6шт.

80681

LOCK WASHER,5/16"

WASHER, LOCK, 5/16"

6шт.

9

167449C1

SPROCKET ASSY.

SPROCKET ASSY, leveling auger driven 16T, not bean special, serial no. 1290 and below

1шт.

9

168687C1

DRIVE SPROCKET

SPROCKET ASSY, leveling auger driven 19T, not bean special, serial no. 1291 and above

1шт.

9

162463C91

SPROCKET ASSY.

SPROCKET ASSY, leveling auger driven 27T, for bean special

1шт.

10

167448C1

SPROCKET ASSY, leveling auger drive 22T, not bean special

1шт.

10

162463C91

SPROCKET ASSY.

SPROCKET ASSY, leveling auger drive 27T, for bean special

1шт.

11

CHAIN ASSY, elevator and auger drive, not bean special combines, use 99 links from 10 ft roll marked 1791D, 2 connecting links 1310D, 1 offset link 1315D & 1 roller link 1309D

1шт.

11

CHAIN ASSY, elevator and auger drive, for bean special combines, use 159 links from 10 ft roll marked 1791D, 1 connecting link 1310D and 1 offset link 1315D

1шт.

12

594706R91

SPROCKET ASSY.,15T

SPROCKET ASSY, auger & elev chain drive tightener 15T

1шт.

13

161554C1

SHAFT

jack

1шт.

Q3481

WASHER

1-1/32 x 1-1/2 x 16 ga

7шт.

14

167448C1

SPROCKET ASSY, elevator and auger drive 22T, not bean special combines, serial no. 1290 and below

1шт.

14

168687C1

DRIVE SPROCKET

SPROCKET ASSY, elevator and auger drive 19T, not bean special, serial no. 1291 to 3783, all combines serial no. 3784 and above

1шт.

14

162463C91

SPROCKET ASSY.

SPROCKET ASSY, elevator and auger drive 27T, for bean special, serial no. 3783 and below

1шт.

15

161549C1

HUB

jackshaft driven sprocket

1шт.

16

Y24430

KEY,1/4" Sq x 1 1/2", Par

1/4 x 1-1/2 sq parallel

1шт.

17

611421R1

BOLT,Hex, 7/16" - 14 x 3 1/2", Full Thd

elevator drive shaft tightener

1шт.

NLS

NO LONGER SERVICED

NUT, 7/16 C-Z hex

3шт.

18

161541C91

HOUSING ASSY, grain elevator extension, not bean special, serial no. 3783 and below

1шт.

16897R1

CARRIAGE BOLT,Short Nk, 5/16" - 18 x 3/4", Gr 2, Full Thd

BOLT, 5/16 x 3/4 C-Z sq-nk crg

6шт.

120376

NUT,5/16"-18, G5

6шт.

80681

LOCK WASHER,5/16"

WASHER, LOCK, 5/16"

6шт.

19

SPROCKET, grain tank distributor auger driven 33T, refer to grain tank ext and distributor auger sec T for listing

1шт.

20

Q53

KEY,1/4" Sq x 1", Par

2шт.

172411C1

PLATE, gt distr. auger RH brg, not for fast speed sprocket

1шт.

16897R1

CARRIAGE BOLT,Short Nk, 5/16" - 18 x 3/4", Gr 2, Full Thd

BOLT, 5/16 x 3/4 sq-nk crg

1шт.

120376

NUT,5/16"-18, G5

1шт.

80681

LOCK WASHER,5/16"

WASHER, LOCK, 5/16"

1шт.

120393

BEARING WASHER,5/16", SAE

WASHER, 11/32 x 11/16 x .051

1шт.

21789R1

WASHER

1-1/32 x 1-1/4 x 16 ga

1шт.

Выбрано товаров: 55