Запчасти Case IH 815 (14-01) - SUSPENSION, STEERING AXLE, NON-ADJUSTABLE Suspension

Схема запчастей Case IH 815 - (14-01) - SUSPENSION, STEERING AXLE, NON-ADJUSTABLE Suspension
5
22
28
2
6
15
24
13
28
30
34
7
27
4
31
20
9
16
23
8
3
11
29
36
1
26
12
21
33
32
25
18
17
30
35
2
14
10
19
FIT
1:1
100%

Артикул

Название

Примечание

Количество

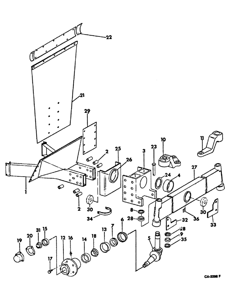
1

177740C1

SUPPORT ASSY, steering axle

1шт.

454998

BOLT,Hex, 1/2" - 13 x 1", Gr 8

1/2 x 1 type 8

10шт.

380916R1

BOLT,Hex, 3/4" - 10 x 1 1/2", Gr 8

3/4 x 1-1/2 znd hex-hd type 8

4шт.

24896R1

BOLT,Hex, 3/4" - 10 x 5", Gr 8

8шт.

487374R1

BEARING LOCK NUT,Flg, USR, 1/2"-13

1/2 C-Z flange lock

10шт.

177744C1

FLANGE NUT,Flg, USR, 3/4"-10

3/4 znd flange lock

8шт.

25712R1

WASHER

25/32 x 1-1/2 x .179 znd

8шт.

2

177748C1

SPACER

steering axle support 13/16 x 1-1/4 x 2-13/16

12шт.

3

177749C92

SUPPORT ASSY.

SUPPORT ASSY, steering axle pivot, includes ref. no. 4

1шт.

4

177751C1

BUSHING,101.7mm ID x 106.36mm OD x 38.1mm L

axle pivot

1шт.

5

196334C2

KNUCKLE

ASSY, steering

2шт.

427646

SLOTTED NUT,7/8"-14, G5

NUT, 7/8-14NF znd hex. SLT

2шт.

427547

JAM NUT,Jam, 1 3/8"-12, G5

1-3/8-12-NF znd hex.

2шт.

137228

COTTER PIN,5/32" x 1 1/2"

PIN, SPLIT (COTTER), 5/32" x 1 1/2"

2шт.

370255R2

WASHER,22.63mm ID x 47.75mm OD x 4.18mm Thk

.891 x 1.88 x 5 ga hard

2шт.

22827R1

WASHER

1-13/32 x 2-3/4 x 16 ga znd

2шт.

6

48701D

SHIELD

steering knuckle dust

2шт.

7

370254R91

OIL SEAL,57.02mm ID x 82.55mm OD x 6.86mm Thk

steering knuckle oil

2шт.

8

146008R1

SNAP RING,M41.15 x 2.46mm Thk, Ext

RING, steering knuckle retainer, serial no. 23000 and below

2шт.

9

405831R91

BEARING

ASSY, steering knuckle thrust B

2шт.

10

177776C2

ARM

steering knuckle LH

1шт.

11

177777C1

ARM

steering knuckle RH

1шт.

12

391823R11

HUB

ASSY, steering 6 bolt type, not rice

2шт.

12

391823R11GV

HUB

Value, Hub Assy.

2шт.

12

391824R11

HUB ASSY.

HUB ASSY, steering 8 bolt type, for rice

2шт.

13

48703D

RETAINER

steering hub seal

2шт.

14

619387R1

BEARING CUP

BEARING, steering hub inner cup

2шт.

15

618024R1

BEARING CUP,65.113mm OD x 13.97mm W

Steering hub outer

2шт.

16

80722

LUBE NIPPLE,3/16" x .55" lg, Drive

FITTING, 3/16 STR drive type lub

2шт.

16

19700R91

FITTING

3/16 45 deg drive type lub

2шт.

17

364451R1

BOLT,9/16" - 18 x 1 7/32"

steering hub, 12 used not rice, 16 used for rice

1шт.

18

G15215

ROLLER BEARING

BEARING ASSY, steering hub inner cone

2шт.

19

369859R1

CAP

steering hub

2шт.

21533R1

BOLT

SCREW, 5/16 x 5/8 CDP hex-hd cap

6шт.

80681

LOCK WASHER,5/16"

WASHER, LOCK, 5/16"

6шт.

20

369860R1

GASKET,0.79mm Thk

steering hub cap

2шт.

21

196422C1

SHIELD

ASSY, steering axle

1шт.

938017R1

FLANGE NUT,Flg, USR, 5/16"-18

5/16 C-Z flange lock

5шт.

135270

SERRATED SCREW,5/16" - 18 x 3/4"

5/16 x 3/4 znp slt-truss-hd mach

5шт.

21448R1

WASHER

11/32 x 3/4 x 16 ga znd

5шт.

22

179416C1

SUPPORT

steering axle shield

1шт.

23

177762C1

PIN

steering axle pivot tube

1шт.

217973

COTTER PIN,1/4" x 1 1/4"

Pin, Split (Cotter), 1/4" x 1-1/4"

1шт.

24

168385C2

WASHER,102.6mm ID x 127mm OD x 3.3mm Thk

steering axle pivot tube

3шт.

25

177781C92

SUPPORT ASSY.

SUPPORT ASSY, steering axle front pivot, includes ref. no. 26

1шт.

24896R1

BOLT,Hex, 3/4" - 10 x 5", Gr 8

4шт.

177744C1

FLANGE NUT,Flg, USR, 3/4"-10

3/4 znd flange lock

4шт.

25712R1

WASHER

25/32 x 1-1/2 x .179 hard

4шт.

26

177751C1

BUSHING,101.7mm ID x 106.36mm OD x 38.1mm L

steering axle front pivot support

1шт.

27

177752C93

AXLE ASSY, steering, include ref. no. 28

1шт.

28

376099R1

BUSHING

axle spindle pivot tube

4шт.

29

179420C1

CUSHION

steering axle shield wear

1шт.

9380017R1

NUT, 5/16 flange lock

8шт.

135270

SERRATED SCREW,5/16" - 18 x 3/4"

5/16 x 3/4 slt-truss-hd

8шт.

21448R1

WASHER

17/32 x 3/4 x 16 ga

8шт.

30

SEAL, steering hose, refer to group 10 under steering and header lift

1шт.

31

618023R1

CONE

BEARING ASSY, steering hub outer cone

2шт.

32

196163C1

STOP ASSY, steering axle LH, serial no. 12000 and below

1шт.

33

196164C1

STOP ASSY, steering axle RH, serial no. 12000 and below

1шт.

34

196084C1

BAR

STRAP, combine tow

1шт.

24876R1

BOLT,Hex, 5/8" - 11 x 2 1/4", Gr 8

2шт.

174763C1

FLANGE NUT,Flg, USR, 5/8"-12

5/8 flange lock

2шт.

35

15943DA

SEALING WASHER,60.33mm ID x 72.23mm OD x 4.76mm Thk

Steering knuckle pivot felt

2шт.

36

80722

LUBE NIPPLE,3/16" x .55" lg, Drive

FITTING, 3/16 STR lub drive

2шт.

Выбрано товаров: 64