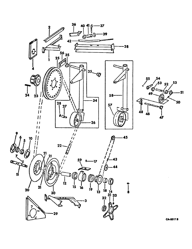
Запчасти Case IH 815 (21-07) - THRESHING CYLINDER AND CONCAVE, VARIABLE CYLINDER DRIVE (14) - THRESHING

Схема запчастей Case IH 815 - (21-07) - THRESHING CYLINDER AND CONCAVE, VARIABLE CYLINDER DRIVE (14) - THRESHING
9
4
41
19
48
22
36
14
51
43
24
29
26
16
6
38
27
59
8
47
31
10
35
34
50
33
7
20
53
3
25
13
1
2
40
5
37
30
28
52
12
49
11
35
56
21
18
53
44
32
45
42
39
54
21
15
46
58
17
57
23
55
21
FIT
1:1
100%

Артикул

Название

Примечание

Количество

1

168291C1

SUPPORT ASSY, variable cylinder drive jackshaft upper

1шт.

18494R1

BOLT,Hex, 3/8" - 16 x 1", Gr 2

3/8 x 1 hex-hd mach

4шт.

120377

NUT,3/8" - 16, Gr 5

4шт.

120382

LOCK WASHER,Helical Spring, 3/8"

WASHER, LOCK, 3/8"

4шт.

2

168294C1

ANGLE, variable cylinder drive upper jackshaft support tie

1шт.

18778R1

SCREW,Hex, 3/8"-16 x 3/4", G2

BOLT, 3/8 x 3/4 hex-hd mach

2шт.

120377

NUT,3/8" - 16, Gr 5

2шт.

120382

LOCK WASHER,Helical Spring, 3/8"

WASHER, LOCK, 3/8"

2шт.

3

168286C2

SUPPORT ASSY, variable cylinder drive jackshaft lower

1шт.

18494R1

BOLT,Hex, 3/8" - 16 x 1", Gr 2

3/8 x 1 hex-hd mach

4шт.

120377

NUT,3/8" - 16, Gr 5

4шт.

120382

LOCK WASHER,Helical Spring, 3/8"

WASHER, LOCK, 3/8"

4шт.

4

168803C1

SUPPORT ASSY, variable cyl drive inner bearing

1шт.

455000

BOLT,Hex, 1/2" - 13 x 1 1/4", Gr 8

1/2 x 1-1/4 hex-hd type B

6шт.

120378

NUT,Hex, 1/2" - 13, Gr 5

NUT, 1/2"-13, G5

4шт.

366864R1

WASHER, 1/2 rib lock

1шт.

120384

WASHER,1/2"

LOCK, 1/2"

4шт.

607895R1

WASHER

.531 x 1.000 x .105

1шт.

5

172404C91

BALL BEARING,42.86mm ID x 85mm OD x 22mm W

BEARING, variable pulley jackshaft inner

1шт.

6

629724R1

COLLAR w/SET SCREW, variable pulley jackshaft inner

1шт.

7

382432R1

O-RING,1.984" ID x 0.139" Width

2 x 2-1/4 x 1/8

2шт.

8

80711

LUBE NIPPLE,65 Degree, 1/8" NPT x 7/8" lg

FITTING, 1/8 x 67-1/2 deg lub

1шт.

9

152290C91

FLANGE, w/65 deg lub inner jackshaft

1шт.

10

152921C1

FLANGE

inner jackshaft brg

1шт.

11

173160C1

SHAFT

variable pulley jack

1шт.

19392R1

LOCK NUT,1 1/8"-12, G5

NUT, 1-1/8 nylon insert

1шт.

478258R1

WASHER

1-5/32 x 1-3/4 x 11 ga

1шт.

12

173158C1

SLEEVE

variable cyl pulley drive

1шт.

13

174277C1

SLEEVE

variable cyl pulley control RH 26-T

1шт.

14

174279C91

BALL BEARING,2.5" ID x 4.082 mm OD x 0.875 mm

BEARING, variable cyl pulley control male sleeve

1шт.

15

165992C91

BALL BEARING,2.778" ID x 4.266" OD x 0.875"

BEARING, variable cyl pulley control RH female sleeve

1шт.

16

168200C1

SLEEVE

variable cylinder pulley control

1шт.

17

219-86

LUBE NIPPLE,1/8" NPTF

FITTING, 1/8 STR lub self tapping

1шт.

18

174278C1

SPACER

variable cyl control RH sleeve

1шт.

19

168362C2

COVER

variable cyl drive control sleeve

1шт.

20

163883C11

PULLEY

ASSY, variable cyl fixed half driven, grain, corn and rice, 18 in. OD, includes ref. no. 21

1шт.

20

174184C91

PULLEY ASSY, variable cyl fixed half, bean, 18 in. OD, includes ref. no. 21

1шт.

454948

BOLT,Hex, 7/16" - 14 x 2 1/2", Gr 8

7/16 x 2-1/2 type 8

1шт.

366863C1

LOCK WASHER

WASHER, 7/16 rib lock

1шт.

21

633433R1

BEARING

BUSHING, variable cylinder pulley

3шт.

22

164006C1

V-BELT,2.00" W x 116.48" L

Variable Cylinder Drive 2.00" W x 116.48" L

1шт.

23

172713C1

HUB

variable cyl drive pulley

1шт.

24

172303C1

KEY

1/2 x 6 sq parallel hard

1шт.

25

172712C11

PULLEY

variable cyl drive, 20 in. OD

1шт.

226092R1

BOLT,Hex, 7/16" - 14 x 1 1/2", Gr 8

7/16 x 1-1/2 hex-hd type B

6шт.

9418646

NUT,7/16"-14, G8

7/16 hex type B

6шт.

390306R1

WASHER, .469 x .922 x .065 hard

1шт.

26

164024C3

PULLEY

variable cyl drive belt idler, 8 in. OD, for use w/168568C1 lever assy ref. no. 34, and 559205R91 bearing ref. no. 27 and 559205R91 snap ring

1шт.

271796

BOLT,Hex, 3/4" - 16 x 2 3/4", Gr 5

SCREW, 3/4 x 1-3/4 hex-hd cap snap ring

1шт.

27

559205R91

BEARING ASSY,15.92 mm ID x 30 mm OD x 82.55 mm

variable cyl drive belt idler pulley, for use w/164024C3 pulley ref. no. 26, and 168568C1 lever ref. no. 34 and 559203R1 snap ring ( replaced 559205C91 )

1шт.

28

559203R1

SNAP RING,#118, 1.260", Int, Spiral

RING, variable cyl drive belt idler snap, for use w/164024C3 pulley ref. no. 26 and 168568C1 lever ref. no. 34 and 559205R91 bearing ref. no. 27

1шт.

29

168283C1

SUPPORT, variable cylinder drive jackshaft outer bearing bracket

1шт.

17351R1

CARRIAGE BOLT,Short Sq Nk, 3/8" - 16 x 1", Gr 2

BOLT, 3/8 x 1 sq-nk crg

7шт.

120377

NUT,3/8" - 16, Gr 5

7шт.

120382

LOCK WASHER,Helical Spring, 3/8"

WASHER, LOCK, 3/8"

7шт.

20803R1

WASHER

.406 x 1.000 x .105

6шт.

30

163882C11

PULLEY

w/PINS & BUSHINGS, variable cylinder adj half driven, 18 in. OD, grain, corn and rice

1шт.

30

174185C1

PULLEY, w/PINS, variable cylinder adj half drive, bean, 18 in. OD

1шт.

31

174182C92

BRACKET w/BRG, jackshaft outer brg, includes ref. no. 32

1шт.

18685R1

CARRIAGE BOLT,Short Sq Nk, 3/8" - 16 x 1 1/2", Gr 2

BOLT, 3/8 x 1-1/4 sq-nk crg

2шт.

482256R1

BEARING LOCK NUT,Flg, USR, 3/8"-16

3/8 flange lock

4шт.

181643

BOLT,Hex, 3/8" - 24 x 1 1/2", Gr 5

SCREW, 3/8 x 1-1/2 hex-hd cap

2шт.

20803R1

WASHER

13/32 x 1 x 11 ga

4шт.

32

174180C91

BALL BEARING

BEARING, variable cylinder jackshaft outer RH ( replaced 174180R91 )

1шт.

33

219-8

LUBE NIPPLE,1/4" - 28 NPTF

FITTING, 1/4-28 STR lub

1шт.

34

168568C1

LEVER ASSY, variable cyl drive belt, for sue w/164024C3 pulley ref. no. 26 and 559203R1 snap ring ref. no. 559205R91 bearing ref. no. 27

1шт.

35

157428C91

BUSHING

BEARING, belt tightener pivot shaft side flange

1шт.

18764R1

HARDWARE,Hex, 5/16"-18 x 3/4", G2

BOLT, 5/16 x 3/4 hex-hd mach

4шт.

120376

NUT,5/16"-18, G5

4шт.

80681

LOCK WASHER,5/16"

WASHER, LOCK, 5/16"

4шт.

36

168572C1

ANCHOR ASSY, variable cylinder drive

1шт.

17351R1

CARRIAGE BOLT,Short Sq Nk, 3/8" - 16 x 1", Gr 2

BOLT, 3/8 x 1 sq-nk crg

1шт.

120377

NUT,3/8" - 16, Gr 5

1шт.

120382

LOCK WASHER,Helical Spring, 3/8"

WASHER, LOCK, 3/8"

1шт.

20803R1

WASHER

13/32 x 1 x 11 ga

1шт.

18508R1

CARRIAGE BOLT,Short Nk, 3/8" - 16 x 3/4", Gr 2, Full Thd

BOLT, 3/8 x 3/4 crg type 1

1шт.

482256R1

BEARING LOCK NUT,Flg, USR, 3/8"-16

3/8 flange lock

1шт.

37

168753C1

PLATE, variable cyl drive tightener frame

1шт.

17351R1

CARRIAGE BOLT,Short Sq Nk, 3/8" - 16 x 1", Gr 2

BOLT, 3/8 x 1 sq-nk crg

2шт.

482256R1

BEARING LOCK NUT,Flg, USR, 3/8"-16

3/8 flange

2шт.

38

168575C1

ANCHOR ASSY, variable cyl drive belt tightener

1шт.

18494R1

BOLT,Hex, 3/8" - 16 x 1", Gr 2

3/8 x 1 hex-hd mach

2шт.

17351R1

CARRIAGE BOLT,Short Sq Nk, 3/8" - 16 x 1", Gr 2

BOLT, 3/8 x 1 sq-nk crg

4шт.

18708R1

BOLT,Short NK, 1/2"-13 x 1 3/4", G2

1/2 x 1-3/4 sq-nk crg

1шт.

482256R1

BEARING LOCK NUT,Flg, USR, 3/8"-16

3/8 flange lock

4шт.

120378

NUT,Hex, 1/2" - 13, Gr 5

NUT, 1/2"-13, G5

1шт.

120384

WASHER,1/2"

LOCK, 1/2"

1шт.

39

168579C1

RETAINER, variable cyl drive belt tightener spring

1шт.

40

168580C1

RETAINER, variable cyl drive belt spring ball

1шт.

41

608347R1

SPRING

variable speed drive belt tightener

1шт.

42

168581C1

LINK ASSY, variable cylinder drive tightener drawbolt

1шт.

22244R1

LOCK NUT

3/4 nylon insert

1шт.

217973

COTTER PIN,1/4" x 1 1/4"

Pin, Split (Cotter), 1/4" x 1-1/4"

1шт.

23283R1

PIN, 3/4 x 1-1/2 std-hd-dlo 3/4" x 1 1/2"

1шт.

366112R1

WASHER

25/32 x 1-1/4 x 11 ga

1шт.

43

CHAIN, variable speed cylinder adj control auger, use 121 links from 10 foot roll marked 569088R91, two connecting links 457113R91, two offset links 457114R91 and one roller link 457112R91

1шт.

44

171784C1

SPROCKET ASSY.

SPROCKET, lower adj control chain tightener 6-T

1шт.

120238

JAM NUT,Jam, 1/2"-13, G5

1/2 hex jam

1шт.

487374R1

BEARING LOCK NUT,Flg, USR, 1/2"-13

1/2 flange lock

1шт.

180181

BOLT,Hex, 1/2" - 13 x 2", Gr 5

SCREW, 1/2 x 2 hex-hd cap

1шт.

45

164302C1

SPROCKET ASSY.

SPROCKET, variable speed cyl drive upper control shaft 8-T

1шт.

21648R1

LOCK PIN,1/4" x 1 1/4", Slotted

Pin, 1/4" x 1 1/4", Slotted

1шт.

46

164304C4

SHAFT, variable cylinder speed upper control

1шт.

47

382508R91

BEARING ASSY,0.752" ID x 0.81"

BEARING, variable cylinder speed upper control shaft

1шт.

938017R1

FLANGE NUT,Flg, USR, 5/16"-18

5/16 flange lock

2шт.

477-73108

SERRATED SCREW,Sl Truss Hd, 5/16" - 18 x 1/2"

5/16 x 1/2 slt-truss-hd

2шт.

48

165909C91

BUSHING

BEARING, variable cyl speed upper

1шт.

938017R1

FLANGE NUT,Flg, USR, 5/16"-18

5/16 flange lock

2шт.

135270

SERRATED SCREW,5/16" - 18 x 3/4"

5/16 x 3/4 slt-truss-hd

2шт.

49

164793C1

SPROCKET, variable cyl speed upper control shaft 18-T

1шт.

21648R1

LOCK PIN,1/4" x 1 1/4", Slotted

Pin, 1/4" x 1 1/4", Slotted

1шт.

50

CHAIN ASSY, variable speed cyl drive console adjusting, use 31 links from 10 ft roll marked 569088R91 and one connecting link 457113R91

1шт.

51

164302C1

SPROCKET ASSY.

SPROCKET, variable speed control console shaft 8-T

1шт.

21468R1

DOWEL,7/16" x 1 1/2"

PIN, 1/4 x 1-1/4 SLT spring

1шт.

52

164303C2

SHAFT, variable speed control console

1шт.

21648R1

LOCK PIN,1/4" x 1 1/4", Slotted

Pin, 1/4" x 1 1/4", Slotted

1шт.

178375R1

WASHER

25/32 x 1-1/4 x 16 ga

1шт.

53

382508R91

BEARING ASSY,0.752" ID x 0.81"

BEARING, variable speed control console

2шт.

16897R1

CARRIAGE BOLT,Short Nk, 5/16" - 18 x 3/4", Gr 2, Full Thd

BOLT, 5/16 x 3/4 sq-nk crg

4шт.

120376

NUT,5/16"-18, G5

4шт.

80681

LOCK WASHER,5/16"

WASHER, LOCK, 5/16"

4шт.

54

170282C1

HANDLE

cyl speed adj. ratchet

1шт.

55

691360C91

SWITCH

KEY, 3/16 x 3/4 Woodruff hard

1шт.

56

169213C1

PLATE TIGHTENER PIVOT INNER

1шт.

16897R1

CARRIAGE BOLT,Short Nk, 5/16" - 18 x 3/4", Gr 2, Full Thd

BOLT, 5/16 x 3/4 crg type 1

1шт.

120376

NUT,5/16"-18, G5

1шт.

80681

LOCK WASHER,5/16"

WASHER, LOCK, 5/16"

1шт.

20893R1

WASHER

.344 x 1.000 x .105

1шт.

57

174510C91

PULLEY ASSY.

PULLEY ASSY, variable cyl drive belt idler, 8 in. OD, for use w/180205C1 lever ref. no. 58

1шт.

271796

BOLT,Hex, 3/4" - 16 x 2 3/4", Gr 5

SCREW, 3/4 x 1-3/4 hex-hd cap

1шт.

58

180250C1

LEVER ASSY, variable cyl drive belt, for use w/174510C91 pulley ref. no. 57

1шт.

59

168216C1

BAR

variable cylinder drive control stop

1шт.

180122

BOLT,Hex, 3/8" - 16 x 1", Gr 5

3/8 x 1 type 5

1шт.

120377

NUT,3/8" - 16, Gr 5

1шт.

120382

LOCK WASHER,Helical Spring, 3/8"

WASHER, LOCK, 3/8"

1шт.

Выбрано товаров: 135