Запчасти Case IH 815 (07-04) - DRIVE TRAIN, FINAL DRIVE, SERIAL NO. 12755 AND ABOVE Drive Train

Схема запчастей Case IH 815 - (07-04) - DRIVE TRAIN, FINAL DRIVE, SERIAL NO. 12755 AND ABOVE Drive Train
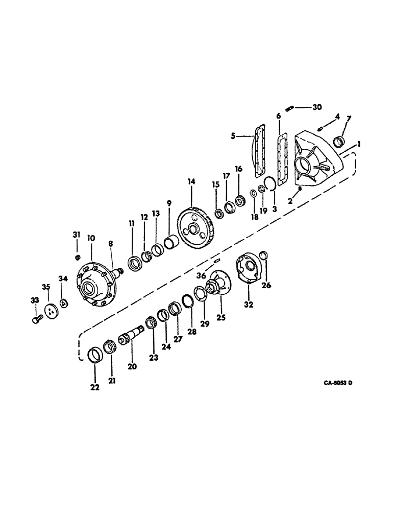
19
14
31
34
10
8
1
25
24
2
35
27
11
18
30
32
6
17
21
23
5
20
3
7
29
36
16
28
26
22
13
33
15
4
12
9
FIT
1:1
100%

Артикул

Название

Примечание

Количество

63436C92

PARTS ACCESSORY, final drive assy LH, consists of ref. nos. 1 thru 30, 33 thru 37 and ref. no. 24 and 44 under wheel and parking brakes group 10

1шт.

63437C92

PACKAGE

PARTS ACCESSORY, final drive assy RH, consists of ref. nos. 1 thru 30, 33 thru 37 and ref. no. 24 and 44 group 10 under wheel and brake parking brakes group 10

1шт.

1

63434C1

HOUSING

final drive LH

1шт.

28032R1

SET SCREW,Hex Soc, 5/8"-11 x 1/2"

SCREW, 5/8 x 1/2 C/PT znd hdl/s set

3шт.

1

63435C1

HOUSING

final drive RH

1шт.

28032R1

SET SCREW,Hex Soc, 5/8"-11 x 1/2"

SCREW, 5/8 x 1/2 C/PT znd hdl/s set

3шт.

2

9409947

DRAIN PLUG,Sq Soc, 3/4"-14 NPTF

PLUG, 3/4-14 auto sq-hd pipe

2шт.

3

107625C1

RING

snap

2шт.

4

61991R91

BREATHER,1/8"-27 NPT, Short, w/washer

ASSY, oil

2шт.

5

587078R91

PAN ASSY.

PAN ASSY

2шт.

179837

BOLT,Hex, 3/8" - 16 x 3/4", Gr 5

12шт.

103321

LOCK WASHER,3/8"

WASHER, LOCK, 3/8"

12шт.

6

587655R1

GASKET

pan

2шт.

7

107622C1

CAP

final drive shaft

2шт.

8

63283C92

SHAFT

final drive

1шт.

9

107627C1

SPACER

shift outer

2шт.

10

565130R3

BOLT,3/4" - 16 x 2 5/8", Class 8

wheel

20шт.

31

429-1112

NUT,3/4"-16, G5

3/4-16 hex-hd type 8 wheelbolt

20шт.

11

59881C1

OIL SEAL,96.14mm ID x 133.5mm OD x 11.89mm Thk

outer bearing cage oil

2шт.

12

63461C91

BEARING ASSY,3.25" ID x 5.25" OD x 1.5625"

ASSY, outer cone

2шт.

13

160301R1

BEARING ASSY,133.35mm OD x 32.55mm W

BEARING, outer cup

2шт.

14

107628C1

GEAR

final drive

2шт.

15

107626C1

SPACER

gear inner

1шт.

16

298033R91

TAPERED BEARING,53.98mm ID x 36.51mm W

ASSY, cone

2шт.

17

107624C1

BEARING CUP,104.78mm OD x 28.57mm W

cup

2шт.

18

404076R1

WASHER

final drive shaft

2шт.

19

528935R1

NUT

final drive shaft

2шт.

125637

COTTER PIN,1/8" x 2"

PIN, SPLIT (COTTER), 1/8" x 2"

1шт.

20

395675R1

SHAFT

pinion

2шт.

21

56934D

ROLLER BEARING,2.1663" ID x 3.8125" OD x 0.8268"

ASSY, cone

2шт.

22

105497H

BEARING CUP,96.85mm OD x 15.77mm W

BEARING ASSY, cup

2шт.

23

50212VA

ROLLER BEARING,33.35mm ID x 24.01mm W

BEARING ASSY, cone

2шт.

24

50213V

BEARING CUP

BEARING ASSY, cup

2шт.

25

60002C91

ADAPTER

ASSY, brake LH

1шт.

25

60004C91

ADAPTER

ASSY, brake RH

1шт.

28138R1

BOLT,Hex, 7/16" - 14 x 1 1/8", Gr 8

SCREW, w/nylon pellet, 7/16-14 x 1-1/8 hex-hd cap

10шт.

25545R1

WASHER

.469 x .922 x .134 hard

10шт.

26

380637R91

SEAL,44.45mm ID x 66.72mm OD x 5.08mm Thk

brake housing dirt

2шт.

27

380186R92

OIL SEAL

brake housing oil

10шт.

28

610411C1

O-RING,0.139" Thk x 3.484" ID, -238, Cl 5, 75 Duro

3-1/2 x 3-3/4 x 1/8

2шт.

29

376467R1

SHIM

brake housing adapter .007

1шт.

29

405627R1

SHIM

brake housing adapter .003

1шт.

30

441553R1

STUD

5/8-11 x 2-3/4 long

12шт.

25548R1

WASHER

.812 x 1.500 x .219 PHC hdn

20шт.

32

BRAKE HOUSING ASSY, refer to group 10 under wheel unit listing

1шт.

33

875933R1

BOLT, axle, retaining, 5/8-114 NC dld.

6шт.

WIRE, bolt retaining no. 19 bwg .042 x 8-1/2 in.

2шт.

34

121798C1

SHIM

final drive shaft .015

1шт.

34

127799C1

SHIM, final drive shaft .018

1шт.

34

127800C1

SHIM, final drive shaft .021

1шт.

35

121797C1

WASHER

final drive shaft

2шт.

36

141279

DOWEL,1/2" x 3/4"

PIN, 1/2 x 3/4 dowel

2шт.

Выбрано товаров: 52