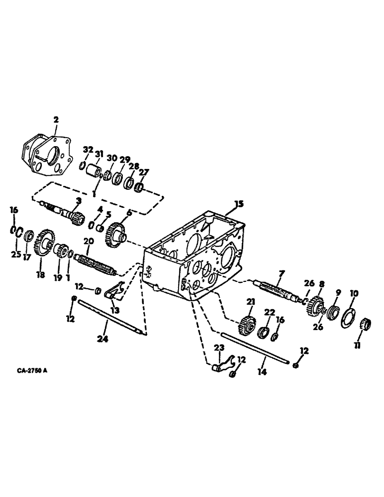
Запчасти Case IH 815 (07-08) - DRIVE TRAIN, TRANS., TRANS. MAIN SHAFT, INPUT DRIVE SHAFT, INPUT PINION SHAFT, SHIFTER RAILS & FORKS Drive Train

Схема запчастей Case IH 815 - (07-08) - DRIVE TRAIN, TRANS., TRANS. MAIN SHAFT, INPUT DRIVE SHAFT, INPUT PINION SHAFT, SHIFTER RAILS & FORKS Drive Train
32
10
21
14
28
3
24
12
2
25
27
4
13
19
11
9
31
15
12
1
26
7
1
5
17
26
29
16
22
6
18
23
12
8
20
16
30
12
FIT
1:1
100%

Артикул

Название

Примечание

Количество

1

359141R1

RING, SNAP

RING, input pinion shaft brg

2шт.

2

402849R1

HOUSING

motor adapter

1шт.

700518C1

PLUG

1/4 C-Z magnetic pipe

1шт.

26315R1

BOLT,Hex, 7/16" - 14 x 1 1/4", Gr 8

SCREW w/NYLON PELLET, 7/16-14 x 1-1/4 hex-hd cap

7шт.

3

402846R2

SHAFT

input pinion

1шт.

4

555601R1

RING, SNAP

RING, input drive shaft snap

1шт.

5

358035R91

BEARING, ROLLER, CYL,25mm ID x 44.82mm OD x 20.64mm W

input drive shaft

1шт.

6

395652R1

GEAR

first and third sliding 38 T and 20 T

1шт.

7

402842R2

SHAFT

input drive

1шт.

382901R1

LOCK WASHER,26.16mm ID x 47.8mm OD x 3.18mm Thk

input drive shaft

1шт.

382900R1

LOCK WASHER

input drive shaft lock

1шт.

382879R1

NUT

input drive shaft

1шт.

8

402844R1

GEAR

second speed driven, 30 T

1шт.

9

379438R91

ROLLER BEARING,34.99mm ID x 80mm OD x 21mm W

input drive shaft

1шт.

ST419

RING

input drive shaft brg snap

1шт.

10

379481R1

RETAINER

input drive shaft right brg

1шт.

214168R1

CAPSCREW,5/16" x 7/8", Gr 5

SCREW w/NYLON PELLET, 5/16-18 x 7/8 hex-hd cap

3шт.

11

402845R1

GEAR

change drive pinion, 27 T, standard speed 27-28 gears for rice and four row corn machine

1шт.

11

405437R1

GEAR

change drive pinion 30-T, standard speed 30-25 gears for grain machine

1шт.

11

395653R1

GEAR

change drive pinion 25-T, slow speed 25-30 gears for four row corn head machine

1шт.

12

549712R1

OIL SEAL

shifter rail oil

4шт.

13

574904R1

FORK

reverse and second gear shifter

1шт.

114494

NUT,Jam, 3/8"-24, G5

1шт.

573985R1

SET SCREW,Sq Hd, 3/8"-24 x 1"

SCREW, shifter fork set

1шт.

14

405436R1

RAIL, second gear shifter

1шт.

15

402837R1

CASE, transmission

1шт.

16

370504R1

RING

transmission bearing snap

2шт.

17

ST364

BALL BEARING,30mm ID x 62mm OD x 16mm W

BEARING, transmission main shaft left

1шт.

18

379495R1

GEAR

transmission input drive, 44 T

1шт.

19

395649R1

GEAR

PINION, first speed drive, 18 teeth

1шт.

20

395648R11

SHAFT

w/COUPLING, transmission main

1шт.

374639R1

COUPLING

transmission main shaft

1шт.

21

402841R1

GEAR

second speed drive, 26 T

1шт.

22

379475R91

BEARING, ROLLER, CYL,30mm ID x 62.03mm OD x 16mm W

ASSY, transmission main shaft right

1шт.

ST421

SNAP RING,1.65mm Thk, Ext

RING, transmission main shaft right bearing snap

1шт.

23

395656R1

FORK

first and third gear shifter

1шт.

114494

NUT,Jam, 3/8"-24, G5

1шт.

573985R1

SET SCREW,Sq Hd, 3/8"-24 x 1"

SCREW, shifter fork set

1шт.

24

405435R1

RAIL, first & third gear shifter

1шт.

25

404207R1

RING,61.6mm ID x 68.4mm OD x 2.54mm Thk

transmission case sq seal

1шт.

26

100070R1

RING

input drive shaft snap

2шт.

27

671028R91

BEARING ASSY,38.1mm ID x 72.02mm OD x 20.64mm W

ASSY, cone, includes ref. no. 28

1шт.

28

Included in ref. no. 27

1шт.

29

Included in ref. no. 30

1шт.

30

184076C91

BEARING ASSY,33.45mm ID x 69.04mm OD x 19.9mm W

cone

1шт.

31

402847R11

COUPLING

ASSY, input, includes ref. no. 32

1шт.

32

402848R1

RING

retaining

1шт.

Выбрано товаров: 47