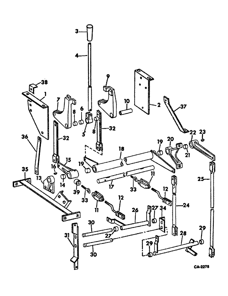
Запчасти Case IH 815 (07-11) - DRIVE TRAIN, TRANSMISSION GEAR SHIFT CONTROLS Drive Train

Схема запчастей Case IH 815 - (07-11) - DRIVE TRAIN, TRANSMISSION GEAR SHIFT CONTROLS Drive Train
5
14
19
28
4
18
3
19
24
29
2
12
9
34
31
27
29
35
6
37
33
23
20
30
26
16
27
21
36
13
7
8
33
12
30
32
1
39
32
22
10
8
17
38
11
11
15
25
FIT
1:1
100%

Артикул

Название

Примечание

Количество

1

165284C1

SECTOR, gear shift pattern front

1шт.

16897R1

CARRIAGE BOLT,Short Nk, 5/16" - 18 x 3/4", Gr 2, Full Thd

BOLT, 5/16 x 3/4 C-Z sq-nk crg

2шт.

120376

NUT,5/16"-18, G5

2шт.

80681

LOCK WASHER,5/16"

WASHER, LOCK, 5/16"

2шт.

2

164669C1

SECTOR, gear shift pattern rear

1шт.

16897R1

CARRIAGE BOLT,Short Nk, 5/16" - 18 x 3/4", Gr 2, Full Thd

BOLT, 5/16 x 3/4 C-Z sq nk crg

2шт.

120376

NUT,5/16"-18, G5

2шт.

80681

LOCK WASHER,5/16"

WASHER, LOCK, 5/16"

2шт.

3

157473C1

KNOB

GRIP, gear shift rod

1шт.

4

164694C91

ROD ASSY, gear shift

1шт.

5

157360C11

ARM

w/BUSHING, gear shift rod, includes ref. no. 6

1шт.

19790R1

PIN,5/16" x 1 1/4", Coiled

1шт.

6

568920R1

BUSHING

gear shift rod arm

1шт.

7

164697C11

LEVER w/BUSHING, gear shift left, includes ref. no. 8

1шт.

8

568921R1

BUSHING,15.9mm ID x 19.02mm OD x 22.23mm L

gear shift right lever

2шт.

9

164698C11

LEVER w/BUSHING, gear shift right, includes ref. no. 8

1шт.

18788R1

BOLT

3/8 x 4-1/2 hex-hd mach

1шт.

120377

NUT,3/8" - 16, Gr 5

1шт.

120382

LOCK WASHER,Helical Spring, 3/8"

WASHER, LOCK, 3/8"

1шт.

178375R1

WASHER

25/32 x 1-1/4 x 16 ga

1шт.

10

564519R1

BUSHING, gear shift lever pivot

1шт.

11

144243

CLEVIS

3/8-24 x 2-1/2 C-Z lt adj rod

1шт.

121222

COTTER PIN,3/32" x 3/4"

PIN, SPLIT (COTTER), 3/32" x 3/4"

2шт.

20614R1

CLEVIS PIN,9.53mm OD x 34.14mm L

PIN, 3/8 x 1-11/32 C-Z rod end

2шт.

12

177562C1

LINK ASSY, transmission shift horizontal

2шт.

124925

JAM NUT,Jam, 3/8"-24, G5

2шт.

121222

COTTER PIN,3/32" x 3/4"

PIN, SPLIT (COTTER), 3/32" x 3/4"

2шт.

865197R1

CLEVIS PIN,3/8" x 1.218"

PIN, 3/8 x 1-7/32 rod end

2шт.

13

169296C11

SUPPORT w/BUSHING, gear shift front, includes ref. no. 14

1шт.

17351R1

CARRIAGE BOLT,Short Sq Nk, 3/8" - 16 x 1", Gr 2

BOLT, 3/8 x 1 C-Z sq-nk crg

1шт.

18684R1

BOLT,Sht Sq Nk, 3/8" - 16 x 1 1/4", Gr 2

3/8 x 1-1/4 znd sq-nk crg

1шт.

120377

NUT,3/8" - 16, Gr 5

2шт.

120382

LOCK WASHER,Helical Spring, 3/8"

WASHER, LOCK, 3/8"

2шт.

14

629232R1

BUSHING,31.8mm ID x 34.92mm OD x 25.4mm L

front support

1шт.

15

169301C1

ARM, gear selector outer front

1шт.

142680H

BOLT (SPREADER),Hex, 3/8"-16 x 2 1/2", G8

BOLT, Hex, 3/8"-16 x 2 1/2", G8

1шт.

21333R1

NUT,3/8"-16, G8

3/8 znd hex. type 8

1шт.

366862C1

LOCK WASHER,3/8"

3/8"

1шт.

16

88907

WOODRUFF KEY,#B, 5/16" x 1", HT

5/16 x 1 woodruff, hard

1шт.

17

169302C1

SHAFT, gear selector upper

1шт.

608700R1

WASHER

1-9/32 x 2 x 16 ga C-Z

6шт.

18

169297C91

CRANK w/BUSHINGS, gear selector, includes ref. no. 19

1шт.

19

629232R1

BUSHING,31.8mm ID x 34.92mm OD x 25.4mm L

tube

2шт.

20

169304C11

SUPPORT w/BUSHING, gear selector rear, includes ref. no. 21

1шт.

17351R1

CARRIAGE BOLT,Short Sq Nk, 3/8" - 16 x 1", Gr 2

BOLT, 3/8 x 1 znd sq-nk crg

4шт.

120377

NUT,3/8" - 16, Gr 5

4шт.

120382

LOCK WASHER,Helical Spring, 3/8"

WASHER, LOCK, 3/8"

4шт.

21

629232R1

BUSHING,31.8mm ID x 34.92mm OD x 25.4mm L

pivot

1шт.

22

169303C1

ARM, gear selector outer rear

1шт.

142680H

BOLT (SPREADER),Hex, 3/8"-16 x 2 1/2", G8

BOLT, Hex, 3/8"-16 x 2 1/2", G8

1шт.

21333R1

NUT,3/8"-16, G8

3/8 znd hex. type 8

1шт.

366862C1

LOCK WASHER,3/8"

3/8"

1шт.

23

124554

O-RING

5/16 x 1 Woodruff, hard

1шт.

24

177565C1

LINK ASSY, vertical shift, 1st-n-3rd

1шт.

121222

COTTER PIN,3/32" x 3/4"

PIN, SPLIT (COTTER), 3/32" x 3/4"

2шт.

138084

SPLIT PIN/SAFETY PIN

PIN, 3/8 x 1-3/32 C-Z rod end hard

2шт.

25

177567C1

LINK ASSY, vertical shift, 2nd-n

1шт.

121222

COTTER PIN,3/32" x 3/4"

PIN, SPLIT (COTTER), 3/32" x 3/4"

2шт.

138084

SPLIT PIN/SAFETY PIN

PIN, 3/8 x 1-3/32 C-Z rod end hard

2шт.

26

177573C91

CRANK ASSY, lower control 2nd-n, includes ref. no. 18

1шт.

27

561905R1

BUSHING

transmission shift crank

2шт.

28

177569C91

CRANK ASSY, lower control 1st-n-3rd, includes ref. no. 29

1шт.

29

561905R1

BUSHING

transmission shift crank

1шт.

30

177575C1

SHAFT, transmission lower control pivot

2шт.

217973

COTTER PIN,1/4" x 1 1/4"

Pin, Split (Cotter), 1/4" x 1-1/4"

4шт.

31

177576C1

BRACKET ASSY, pivot shaft support

1шт.

18495R1

BOLT,Hex, 3/8" - 16 x 1 1/4", Gr 2

3/8 x 1-1/4 hex-hd mach

2шт.

482256R1

BEARING LOCK NUT,Flg, USR, 3/8"-16

3/8 flange lock

2шт.

32

177579C1

LINK ASSY, console vertical trans shift

2шт.

121222

COTTER PIN,3/32" x 3/4"

PIN, SPLIT (COTTER), 3/32" x 3/4"

4шт.

138084

SPLIT PIN/SAFETY PIN

PIN, 3/8 x 1-3/32 rod end hard

4шт.

33

167997C1

BOLT

shifter rail eye

2шт.

124829

JAM NUT,Hex, 3/8" - 16, Gr 5

2шт.

34

177581C1

BRACKET, pivot shaft rear

1шт.

18494R1

BOLT,Hex, 3/8" - 16 x 1", Gr 2

3/8 x 1 hex-hd mach

2шт.

482256R1

BEARING LOCK NUT,Flg, USR, 3/8"-16

3/8 flange

2шт.

35

167043C91

BRACKET ASSY, gear shift front

1шт.

18508R1

CARRIAGE BOLT,Short Nk, 3/8" - 16 x 3/4", Gr 2, Full Thd

BOLT, 3/8 x 3/4 sq-nk crg

4шт.

17351R1

CARRIAGE BOLT,Short Sq Nk, 3/8" - 16 x 1", Gr 2

BOLT, 3/8 x 1 sq-nk crg

2шт.

120377

NUT,3/8" - 16, Gr 5

6шт.

120382

LOCK WASHER,Helical Spring, 3/8"

WASHER, LOCK, 3/8"

6шт.

36

168968C1

STRAP, transmission shift support

1шт.

37

169322C1

STRAP, selector support

1шт.

18684R1

BOLT,Sht Sq Nk, 3/8" - 16 x 1 1/4", Gr 2

3/8 x 1-1/4 crg type 1

1шт.

120377

NUT,3/8" - 16, Gr 5

1шт.

120382

LOCK WASHER,Helical Spring, 3/8"

WASHER, LOCK, 3/8"

1шт.

38

177582C1

STOP, shift lever

1шт.

16897R1

CARRIAGE BOLT,Short Nk, 5/16" - 18 x 3/4", Gr 2, Full Thd

BOLT, 5/16 x 3/4 sq-nk crg

1шт.

938017R1

FLANGE NUT,Flg, USR, 5/16"-18

5/16 flange lock

1шт.

39

(Not used in this application)

1шт.

Выбрано товаров: 90