Запчасти Case IH 815 (11-01) - INSTRUMENTS, GAUGES AND INDICATORS Instruments

Схема запчастей Case IH 815 - (11-01) - INSTRUMENTS, GAUGES AND INDICATORS Instruments
13
29
23
16
18
26
2
17
8
26
20
9
16
14
3
16
3
22
12
8
21
33
19
17
24
17
27
1
10
25
30
4
5
28
31
11
15
6
17
27
32
7
FIT
1:1
100%

Артикул

Название

Примечание

Количество

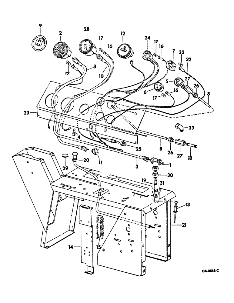
1

156232C91

DRIVE

JOINT ASSY, speedometer flexible shaft angle, grain

1шт.

1

160701C1

DRIVE

JOINT ASSY, speedometer flexible shaft angle, rice, corn and bean

1шт.

2

167307C91

SPEEDOMETER ASSY

1шт.

3

156042C91

SHAFT ASSY.

SHAFT ASSY, speedometer flexible

1шт.

4

362120R1

CLAMP,9.53mm ID, 10.32mm Bolt Hole, P Type

CLIP, speedometer shaft

2шт.

4

263717R91

CLIP

speedometer shaft

1шт.

5

163835C91

GAUGE

ASSY, oil pressure

1шт.

6

163836C91

GAUGE

ASSY, fuel

1шт.

7

178914C1

VOLTMETER

GAUGE ASSY, volt meter

1шт.

8

TUBE, oil pressure gauge, use 124 in. of 1/8 OD copper tubing from a 50-ft. roll marked 995059R1

1шт.

9

167008C1

PLUG, instrument panel

1шт.

10

164883C91

HOSE ASSY.

SHAFT ASSY, speed indicator flexible

1шт.

11

164884C1

ADAPTER

UNION, speed indicator flexible shaft

1шт.

12

389985R92

METER

hour 12-volt

1шт.

13

673050C91

TIP and WASHER ASSY, speedometer

1шт.

14

170716C1

BRACKET, fuse block support

1шт.

16897R1

CARRIAGE BOLT,Short Nk, 5/16" - 18 x 3/4", Gr 2, Full Thd

BOLT, 5/16 x 3/4 sq-nk crg

2шт.

120376

NUT,5/16"-18, G5

2шт.

938016R1

FLANGE NUT,Flg, USR, 1/4"-20

1/4 flange lock

2шт.

80681

LOCK WASHER,5/16"

WASHER, LOCK, 5/16"

2шт.

937059R1

SCREW,Serr, M10 x 70mm, Cl 10.9

1/4-20 x 1/2 slt-truss-hd

1шт.

15

198065C2

BLOCK

fuse panel

1шт.

120361

NUT,Hex Mach Screw, #10 - 24

2шт.

436734

SCREW,Slotted Pan Hd, #10-24 x 3/4"

no. 10 x 3/4 slt-pan-hd

2шт.

120217

LOCK WASHER,#10

WASHER, LOCK, #10

2шт.

16

372546R91

CABLE

SOCKET ASSY

1шт.

17

A14553

BULB

socket

1шт.

18

192043

NIPPLE, 1/8 x 2 C-Z pipe, not diesel

1шт.

19

(Not used in this application)

1шт.

20

174893C1

CABLE

ASSY, choke, not diesel

1шт.

21

CONSOLE ASSY, operator control, refer to group 13 under operators console for unit listing

1шт.

22

179102C1

HARNESS ASSY, voltmeter light socket

1шт.

23

PANEL, instrument, refer to group 13 under operators console for unit listing

1шт.

24

163834C91

GAUGE

ASSY, water temperature, gasoline engine, serial no. 19000 and below

1шт.

24

174467C1

GAUGE

ASSY, water temperature, diesel engine

1шт.

25

144216

BUSHING,1/2" NPT Male x 3/8" NPT Fem

REDUCER, 1/2 x 3/8 steel, znp

1шт.

26

222-500

TUBE NUT,5/16" - 24 NPT

NUT, 5/16-14 flange tube, use one for diesel, use two for gasoline

1шт.

27

19715D

CONNECTOR, 1/8 NPTF female hi-duty, use one for diesel, use two for gasoline

1шт.

28

159884C91

INDICATOR

ASSY, cylinder speed

1шт.

29

432535

HOLE PLUG BUTTON,13/32"

PLUG, 1/2 C-Z button, diesel engine

1шт.

30

892787R1

SLEEVE, speedometer

1шт.

30

128548HX

SLEEVE and SEAL ASSY

1шт.

31

(Not used in this application)

1шт.

32

23713R1

BULB,C2F, #1889, 14V

voltmeter panel light

1шт.

33

140304

ELBOW

90 deg 1/8 NPTF ball-sleeve, use for diesel

1шт.

Выбрано товаров: 45