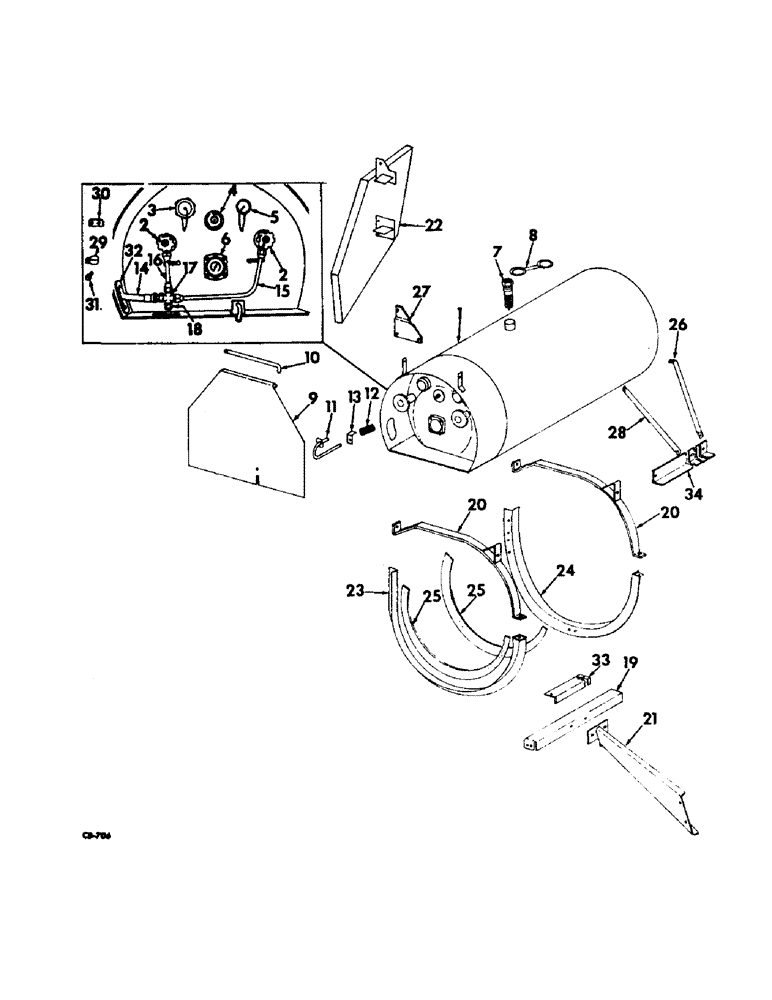
Запчасти Case IH 915 (E-16) - FUEL SYSTEM, FUEL TANK, GAUGES, HOSE, LINES, VALVE AND SUPPORTS FOR LP GAS ENGINE (02) - FUEL SYSTEM

Схема запчастей Case IH 915 - (E-16) - FUEL SYSTEM, FUEL TANK, GAUGES, HOSE, LINES, VALVE AND SUPPORTS FOR LP GAS ENGINE (02) - FUEL SYSTEM
22
7
12
2
1
23
6
27
18
13
26
2
33
25
14
10
25
20
16
30
19
5
20
4
21
31
11
8
17
32
28
34
24
3
15
9
29
FIT
1:1
100%

Артикул

Название

Примечание

Количество

1

163916C91

TANK w/GAUGES, fuel, includes ref. nos. 1 thru 8

1шт.

2

109850R91

VALVE ASSY, service w/excess float check

2шт.

3

363688R91

VALVE ASSY, filler w/double back check

1шт.

4

363693R91

GAUGE ASSY, liquid level w/dial

1шт.

5

109567R91

VALVE ASSY, vapor return w/excess flow check

1шт.

6

662599R91

GAUGE ASSY, magnetic liquid wheel

1шт.

7

363690R91

VALVE ASSY, check

1шт.

8

363692R1

CAP, relief valve rain

1шт.

9

163930C91

DOOR ASSY, fuel tank

1шт.

10

574056R1

ROD, fuel tank door hinge

1шт.

648002

KNIFE

1/8" x 3/4"

1шт.

11

661772R11

LOCK ASSY, fuel tank door lock

1шт.

648002

KNIFE

1/8" x 3/4"

1шт.

95-11034

WASHER,1/4"

11/32 x 11/16 x .051

1шт.

12

E5641/2

SPRING, fuel tank door lock

1шт.

13

661794R1

BRACKET, fuel tank door lock

1шт.

17433R1

HARDWARE,Hex, 1/2" - 13 x 1", Gr 2

BOLT, 1/2 x 1 C-Z hex-hd mach

1шт.

120378

NUT,Hex, 1/2" - 13, Gr 5

NUT, 1/2"-13, G5

1шт.

120384

WASHER,1/2"

LOCK, 1/2"

1шт.

14

163941C91

HOSE ASSY, fuel tank 168 inches

1шт.

15

574110R11

LINE ASSY, liquid valve to cross fuel

1шт.

16

574111R11

LINE ASSY, vapor to cross fuel

1шт.

17

661777R1

FITTING, fuel line cross

1шт.

18

661788R1

CAP, fuel line cross fitting

1шт.

19

163923C1

SUPPORT, gas fuel tank

1шт.

18494R1

BOLT,Hex, 3/8" - 16 x 1", Gr 2

3/8 x 1 C-Z hex-hd mach

2шт.

120377

NUT,3/8" - 16, Gr 5

2шт.

120382

LOCK WASHER,Helical Spring, 3/8"

WASHER, LOCK, 3/8"

2шт.

20

168962C1

STRAP ASSY, fuel tank support

2шт.

18495R1

BOLT,Hex, 3/8" - 16 x 1 1/4", Gr 2

3/8 x 1-1/4 C-Z hex-hd mach

4шт.

120377

NUT,3/8" - 16, Gr 5

4шт.

120382

LOCK WASHER,Helical Spring, 3/8"

WASHER, LOCK, 3/8"

4шт.

21

163932C91

SUPPORT ASSY, fuel tank

1шт.

18779R1

BOLT,Hex, 3/8"-16 x 1 1/2", Gr 2

3/8 x 1-1/2 C-Z hex-hd mach

2шт.

120377

NUT,3/8" - 16, Gr 5

2шт.

120382

LOCK WASHER,Helical Spring, 3/8"

WASHER, LOCK, 3/8"

2шт.

22

163935C91

SUPPORT ASSY, fuel tank

1шт.

23

163918C91

SUPPORT ASSY, fuel tank lower front

1шт.

18494R1

BOLT,Hex, 3/8" - 16 x 1", Gr 2

3/8 x 1 C-Z hex-hd mach

7шт.

120377

NUT,3/8" - 16, Gr 5

7шт.

120382

LOCK WASHER,Helical Spring, 3/8"

WASHER, LOCK, 3/8"

7шт.

24

163919C91

SUPPORT ASSY, fuel tank lower rear

1шт.

18494R1

BOLT,Hex, 3/8" - 16 x 1", Gr 2

3/8 x 1 C-Z hex-hd mach

7шт.

120377

NUT,3/8" - 16, Gr 5

7шт.

120382

LOCK WASHER,Helical Spring, 3/8"

WASHER, LOCK, 3/8"

7шт.

25

LINING, fuel tank, use from bulk stock cotton webbing 1 x 54 x 1/8 2 ply

2шт.

26

168839C1

PIPE, tank support

1шт.

18494R1

BOLT,Hex, 3/8" - 16 x 1", Gr 2

3/8 x 1 C-Z hex-hd mach

2шт.

120377

NUT,3/8" - 16, Gr 5

2шт.

120382

LOCK WASHER,Helical Spring, 3/8"

WASHER, LOCK, 3/8"

2шт.

27

168861C1

PLATE, tank support

1шт.

28

168862C1

PIPE, tank support

1шт.

18494R1

BOLT,Hex, 3/8" - 16 x 1", Gr 2

3/8 x 1 C-Z hex-hd mach

2шт.

120377

NUT,3/8" - 16, Gr 5

2шт.

120382

LOCK WASHER,Helical Spring, 3/8"

WASHER, LOCK, 3/8"

2шт.

29

571716R1

CLIP, fuel line hose

6шт.

30

634778R1

BAR, fuel hose clip

5шт.

31

477-73812

SERRATED SCREW,Truss HD, 3/8" - 16 x 3/4"

3/8 x 3/4 C-Z slt-truss-hd

5шт.

475954R1

NUT

3/8 C-Z flange lock

5шт.

32

168948C1

STRIP, fuel tank rubber wear

1шт.

33

167972C1

ANGLE, service ladder support

1шт.

34

167973C1

ANGLE, service ladder step support

1шт.

18494R1

BOLT,Hex, 3/8" - 16 x 1", Gr 2

3/8 x 1 C-Z hex-hd mach

2шт.

120377

NUT,3/8" - 16, Gr 5

2шт.

120382

LOCK WASHER,Helical Spring, 3/8"

WASHER, LOCK, 3/8"

2шт.

Выбрано товаров: 65