Запчасти Case IH 915 (B-02) - POWER TRAIN, AXLE TRANSMISSION AND BRAKES (03) - POWER TRAIN

Схема запчастей Case IH 915 - (B-02) - POWER TRAIN, AXLE TRANSMISSION AND BRAKES (03) - POWER TRAIN
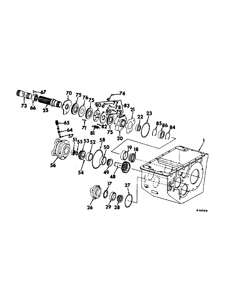
85
52
20
78
80
75
53
75
64
25
65
76
17
23
71
81
22
54
70
29
57
82
49
66
79
26
83
27
75
48
74
67
51
56
50
28
86
73
80
77
58
19
1
55
18
84
21
FIT
1:1
100%

Артикул

Название

Примечание

Количество

1

401873R1

CASE

transmission

1шт.

2

320185C1

PLUG

3/4-14 sq-soc mag pipe

1шт.

3

9409947

DRAIN PLUG,Sq Soc, 3/4"-14 NPTF

PLUG, 3/4-14 auto sq-soc pipe

1шт.

4

9410358

PLUG

9/16-18 C-Z st-thd O-ring

2шт.

5

364839R1

O-RING,0.078" Thk x 0.468" ID, -906, Cl 6, 90 Duro

6-1, 90 Duro, .468" ID x .078" Thk

1шт.

6

588801R1

SPRING

bear shift lock ball

2шт.

7

16016R1

BALL

1/2 cr stl

2шт.

8

16014R1

BALL

7/16 cr stl

2шт.

9

401859R3

COVER, transmission case

1шт.

179837

BOLT,Hex, 3/8" - 16 x 3/4", Gr 5

18шт.

10

61991R91

BREATHER,1/8"-27 NPT, Short, w/washer

trans case oil

1шт.

11

401860R1

GASKET

trans case cover

1шт.

12

404081R1

CASE ASSY.

CASE ASSY, differential

1шт.

13

404085R1

GEAR

diff driven, 66 T

1шт.

14

361061R2

PINION

differential bevel, 10 T

4шт.

15

404084R1

PINION

GEAR, diff bevel, 20 T

2шт.

16

393637R2

DIFF. SPIDER

SPIDER, differential

1шт.

17

530704R1

THRUST WASHER

WASHER, thrust

1шт.

18

ST2096

BEARING ASSY,73.03mm ID x 25.4mm W

diff roller cone

2шт.

19

ST981

BEARING CONE,112.71mm OD x 19.05mm W

BEARING, diff roller cup

2шт.

20

404088R2

HOUSING

brake

2шт.

413-1036

BOLT,Hex, 5/8" - 11 x 2-1/4", Gr 5

SCREW, 5/8-11 x 2-1/4 hex-hd. cap

7шт.

21398R1

SCREW

5/8-11 x 2-1/4 hex-hd. cap w/nylon pellet insert

1шт.

21

401898R1

SHIM

brake housing .003

1шт.

21

401899R1

SHIM

brake housing .005

1шт.

21

401900R1

SHIM

brake housing .007

1шт.

22

406902R91

SEAL ASSY.

SEAL, housing oil

2шт.

23

22292R1

O-RING,4.725" ID x 5.275" OD x 0.275"

4-3/4 x 5-1/4 x 1/4

2шт.

24

401872R91

SEAL,73.03mm ID x 110.24mm OD x 11.1mm Thk

brake adapter hsg cover

2шт.

25

404087R2

SHAFT, differential

2шт.

26

403362R2

CAGE

bearing cap

1шт.

179841

BOLT,Hex, 3/8" - 16 x 1 1/4", Gr 5

3/8-16 x 1-1/4 hex-hd cap

3шт.

27

355740R1

O-RING,0.139" Thk x 3.734" ID, -240, Cl 5, 75 Duro

3-3/4 x 4 x 1/8, replaces 313305R1

3шт.

28

871244R91

ROLLER BEARING

BRG ASSY, diff pinion shaft roller cone

1шт.

29

871245R1

BEARING, CUP,72.233 mm OD x 19.842 mm

BRG, diff pinion shaft roller cup

1шт.

30

401877R1

GEAR, spool, 59-39-27 T, serial no. 1249 and below

1шт.

30

530699R1

PINION

GEAR, spool, 59-39-27 T, serial no. 1250 and above

1шт.

31

675708R91

NEEDLE BEARING

BEARING, spool gear

2шт.

32

401878R1

SHAFT

& GEAR, diff pinion, 14 T

1шт.

33

401879R1

SPACER,54.1mm ID x 79.2mm OD x 6.28mm L

spool gear

1шт.

34

406606R1

GEAR

change driven 41-T, 32-41 gears for corn & rice

1шт.

34

401881R1

GEAR

change, driven 37 T, 3637 gears for grain

1шт.

35

196693H1

RING

change driven snap

2шт.

36

ST791

TAPERED BEARING,1.6255" ID x 3.376" OD x 1.202"

BEARING ASSY, pinion shaft roller cone

1шт.

37

ST951

TAPERED BEARING,1.6255" ID x 3.376" OD x 1.202"

BEARING, diff pinion shaft roller cup

1шт.

38

403363R1

BEARING CAP,73.4 mm ID x 101.5 mm OD x 54.1 mm

CAGE, bearing cap

1шт.

179842

SPACER

3/8-16 x 1-3/8 hex-hd. cap

3шт.

39

401883R1

SHIM

brg cap ret, .003

1шт.

39

401884R1

SHIM

.005

1шт.

39

401885R1

SHIM

.007

1шт.

40

401886R1

SHAFT

& GEAR, change drive 36-T, 36-37 gears for grain

1шт.

40

406607R1

GEAR WHEEL

SHAFT & GEAR, change drive 32-T, 32-41 gears for corn & rice

1шт.

41

50212VA

ROLLER BEARING,33.35mm ID x 24.01mm W

BEARING ASSY, change drive shaft roller cone

1шт.

42

50213V

BEARING CUP

BEARING, change drive shaft roller cup

1шт.

43

401888R1

GEAR, 2nd & 3rd sliding, 26 & 46 T, serial no. 1249 and below

1шт.

43

530700R1

GEAR

2nd & 3rd sliding, 26 & 46 T, serial no. 1250 and above

1шт.

44

401889R1

GEAR

1st sliding, 58 T

1шт.

45

290099C91

TAPERED BEARING,39.69mm ID x 22.1mm W

BEARING ASSY, input drive shaft roller cone

1шт.

46

290100C1

BEARING CUP,73.05mm OD x 17.78mm W

BEARING, input drive shaft roller cup

1шт.

47

401882R1

CAGE

CAP, brg ret

1шт.

413-622

BOLT,Hex, 3/8" - 16 x 1-3/8", Gr 5

3/8-16 x 1-3/8 hex-hd. cap

3шт.

48

401890R1

SHAFT

input pinion

1шт.

49

300426R91

BEARING ASSY,45.618 mm ID x 25.4 mm

BEARING ASSY, input pinion shaft cone

1шт.

50

130503H

BEARING CUP

BEARING, input pinion shaft cup

1шт.

51

359950R91

NEEDLE BEARING

BEARING, needle

1шт.

52

406310R1

SPACER, gear

1шт.

53

406311R1

GEAR, drive 5-T speedometer, 32-41 gears for corn and rice

1шт.

53

406312R1

GEAR, drive 7-T speedometer, 36-37 gears for grain

1шт.

54

16008R1

BALL,1/4" Dia, Steel

1/4 dia

1шт.

55

336000R1

SNAP RING,#175, 1.640", Ext

RING, gear ret snap

1шт.

56

406309R2

HOUSING ASSY, input, includes ref no. 57

1шт.

NLS

NO LONGER SERVICED

4шт.

57

300538R1

BUSHING, speedometer driven gear

1шт.

58

22291R1

O-RING,0.21" Thk x 4.35" ID, -348, Cl 5, 75 Duro

4-3/8 x 4-3/4 x 3/16

1шт.

59

401895R1

SHAFT, 2nd & 3rd gear shifter, serial no. 1249 and below

1шт.

59

530701R1

SHAFT, 2nd & 3rd gear shifter, serial no. 1250 and above

1шт.

60

401896R1

SHAFT, 1st gear shifter, serial no. 1249 and below

1шт.

60

530702R1

SHAFT, 1st gear shifter, serial no. 1250 and above

1шт.

61

401897R2

FORK

gear shifter

2шт.

62

573985R1

SET SCREW,Sq Hd, 3/8"-24 x 1"

SCREW, shifter fork set

2шт.

114494

NUT,Jam, 3/8"-24, G5

2шт.

63

111710R91

SEAL

shifter rail oil

4шт.

64

167832C1

GEAR, speedometer driven 16-T, 36/37 gears, standard w/18.4-26 or 23.1-16 main wheel tires, rice special w/tracks

1шт.

64

167574C1

GEAR, speedometer driven 14-T, 32/41 gears, standard for rice w/rubber tires, special for 28.1-26 main wheel tires

1шт.

64

167831C1

GEAR, speedometer driven 14-T, 36/37 gears, standard for 28.1-26 main wheel tires

1шт.

64

167575C1

GEAR, speedometer driven 16-T, 32/41 gears, standard for corn special, optional for bean and windrow special w/18.4-26 or 23.1-26 main wheel tires

1шт.

65

892787R1

SLEEVE, speedometer gear

1шт.

66

SLEEVE PACKAGE, axle shaft, refer to axle and final drive this section for unit listing

2шт.

67

BOLT, 3/8 x 3-3/8 hex-hd., refer to axle and final drive this section for unit listing

4шт.

68

404171R1

BOLT,1/4" - 20 x 4"

diff case

12шт.

69

381368R1

NUT,Hex, 1/2" - 20, Gr 8

1/2-20 hex. thick

12шт.

70

401871R11

COVER

ASSY, brake adapter housing, includes ref no. 71

2шт.

179885

BOLT,Hex, 1/2" - 13 x 1 1/2", Gr 5

6шт.

71

22274R1

DOWEL,7/8" x 5"

PIN, 7/8 x 5 dowel

2шт.

72

402725R2

SHAFT

LH final drive, for combines w/out track att

1шт.

72

402726R2

SHAFT

LH final drive, for combines w/track att

1шт.

73

402724R2

SHAFT, RH final drive, for combines w/out track att

1шт.

73

402727R2

SHAFT, RH final drive, for combines w/track att

1шт.

74

162323C91

ROD

ASSY, brake pull

2шт.

103385

COTTER PIN,1/8" x 1"

PIN, SPLIT (COTTER), 1/8" x 1"

2шт.

103498

CLEVIS PIN,1/2" x 1.360"

PIN, 1/2 x 1-27/64 DLD

2шт.

75

369079R92

PLATE

DISC ASSY, middle

6шт.

76

401870R1

DISC

intermediate

2шт.

77

369236R91

LINK

YOKE ASSY, link

2шт.

78

369237R1

LINK

plain

2шт.

79

369238R1

BOLT,3/8" - 24 x 1 3/8", HT

STUD

4шт.

114494

NUT,Jam, 3/8"-24, G5

4шт.

80

(Not serviced separately order assy 401868R91)

1шт.

81

619731C1

SPRING

extension

6шт.

82

16028R1

BALL

7/8 dia

10шт.

83

401868R91

BRAKE DISC

DISC ASSY, actuating, includes ref. nos. 77 thru 82

2шт.

84

289134R1

SNAP RING,3.938", Int, #393

Ring, Snap, , brake hsg 3.938", Int, #393

2шт.

85

358059R1

SNAP RING

RING, differential shaft snap

2шт.

86

ST265

BALL BEARING,55mm ID x 100mm OD x 21mm Thk

BEARING, differential shaft

2шт.

87

121210

PIPE,Nipple, 1/4" NPT x 4 1/2"

1шт.

88

105420

REDUCER FITTING

REDUCER, pipe 1/4 x 1/8

1шт.

Выбрано товаров: 116