Запчасти Case IH 915 (B-06) - POWER TRAIN, AXLE AND FINAL DRIVE (03) - POWER TRAIN

Схема запчастей Case IH 915 - (B-06) - POWER TRAIN, AXLE AND FINAL DRIVE (03) - POWER TRAIN
35
31
27
21
13
22
14
28
8
1
12
30
25
4
32
10
15
17
29
2
24
2
9
23
7
5
34
11
26
33
19
18
36
20
3
16
6
FIT
1:1
100%

Артикул

Название

Примечание

Количество

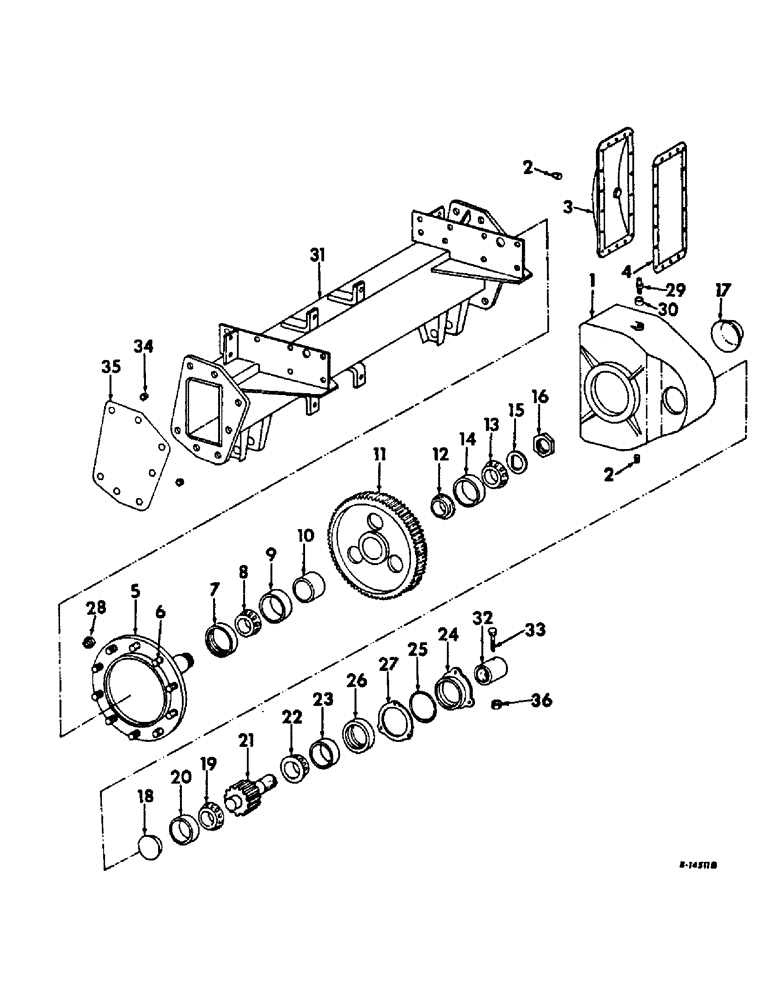
1

401901R1

HOUSING

final drive

2шт.

2

9409947

DRAIN PLUG,Sq Soc, 3/4"-14 NPTF

PLUG, 3/4-14 auto sq-hd pip

4шт.

3

403894R1

COVER

ASSY, housing

2шт.

179837

BOLT,Hex, 3/8" - 16 x 3/4", Gr 5

36шт.

103321

LOCK WASHER,3/8"

WASHER, LOCK, 3/8"

36шт.

4

401903R1

GASKET

final drive housing cover

2шт.

5

403897R1

SHAFT

drive

2шт.

6

565130R3

BOLT,3/4" - 16 x 2 5/8", Class 8

wheel

20шт.

7

401905R91

OIL SEAL,98.93mm ID x 152.58mm OD x 15.88mm Thk

outer bearing cage

2шт.

8

283444C91

BEARING ASSY,85.03mm ID x 46.67mm W

BEARING ASSY, shaft roller cone

2шт.

9

18241H

BEARING, CUP,150.09mm OD x 36.51mm W

BEARING, shaft roller cup

2шт.

10

401906R1

SPACER

gear outer

2шт.

11

401907R1

GEAR

drive 66 T

2шт.

12

401908R1

SPACER

gear

2шт.

13

ST2018A

BEARING ASSY,66.67mm ID x 30.24mm W

shaft inner cone

2шт.

14

ST967

BEARING, CUP,2.5" ID x 4.4385" OD x 1.1955"

BEARING, shaft inner cup

2шт.

15

43896R1

WASHER, final drive

2шт.

16

147030R1

SLOTTED NUT

shaft

2шт.

120466

COMPRESSOR

PIN, 1/8 x 3-1/4 cot.

2шт.

17

403895R1

COVER

main shaft

2шт.

18

57719C1

PLUG

expansion, replaces 560950R1 cap

2шт.

19

401911R91

BEARING ASSY,44.45mm ID x 31.75mm W

BEARING ASSY, pinion shaft outer cone

2шт.

20

61012R1

BEARING, CUP,93.66mm OD x 25.4mm W

BEARING, pinion shaft outer cup

2шт.

21

401912R1

SHAFT

pinion

2шт.

22

M53320

BEARING ASSY

inner cone

2шт.

23

50320R1

BEARING CUP

inner cup

2шт.

24

401913R2

CAGE

pinion inner bearing

2шт.

25

393120R1

O-RING,0.139" Thk x 4.359" ID, -245, Cl 5, 75 Duro

4-3/8 x 4-5/8 x 1/8, replaces 301314R1

2шт.

26

401914R91

OIL SEAL,54.28mm ID x 85.22mm OD x 11.13mm Thk

bearing cage

2шт.

179818

BOLT,Hex, 5/16" - 18 x 1", Gr 5

6шт.

27

401915R1

SHIM

pinion inner brg, .003

1шт.

27

401916R1

SHIM

.005

1шт.

27

401917R1

SHIM

.007

1шт.

28

69500D

SPECIAL NUT

NUT, 3/4-16 wheel bolt

20шт.

29

61991R91

BREATHER,1/8"-27 NPT, Short, w/washer

ASSY, oil

2шт.

30

21276R1

ADAPTER,3/4" NPT Male x 1/8" NPT Fem

REDUCER, 3/4 x 1/8 pipe

2шт.

31

162443C91

AXLE ASSY, main, for combines w/out track att

1шт.

21452R1

BOLT,Hex, 3/4" - 10 x 2", Gr 8

3/4 x 2 C-Z hex-hd. type-8

10шт.

21457R1

BOLT,Hex, 3/4" - 10 x 2 1/4", Gr 8

3/4 x 2-1/4 C-Z hex-hd type 8

4шт.

629358R1

NUT

5/8 heavy

1шт.

161068R1

BOLT,Spcl, Hex, 5/8" - 11 x 1 1/2"

8шт.

432695R1

BOLT,Hex, 5/8" - 11 x 1 3/4", Gr 8

SCREW, 5/8 x 1-3/4 C-Z hex-hd. cap type 4

6шт.

449805R1

SCREW, 5/8 x 2 C-Z hex-hd. cap

6шт.

24771R1

LOCK WASHER,3/4"

WASHER, LOCK, 3/4"

1шт.

138561

LOCK WASHER,Int Tooth, 3/4"

WASHER, 3/4 C-Z int-tooth lock

4шт.

366866C1

LOCK WASHER,5/8"

5/8"

1шт.

31

167754C2

AXLE ASSY, main, for combines w/track att

1шт.

18508R1

CARRIAGE BOLT,Short Nk, 3/8" - 16 x 3/4", Gr 2, Full Thd

BOLT, 3/8 x 3/4 C-Z sq-nk crg

1шт.

120377

NUT,3/8" - 16, Gr 5

1шт.

629358R1

NUT

5/8 heavy

1шт.

161068R1

BOLT,Spcl, Hex, 5/8" - 11 x 1 1/2"

8шт.

432695R1

BOLT,Hex, 5/8" - 11 x 1 3/4", Gr 8

SCREW, 5/8 x 1-3/4 C-Z hex-hd. cap

6шт.

469805R1

BOLT,Hex, 5/8" - 11 x 2", Gr 8

SCREW, 5/8 x 2 C-Z hex-hd. cap

6шт.

120382

LOCK WASHER,Helical Spring, 3/8"

WASHER, LOCK, 3/8"

1шт.

619856R1

WASHER

13/32 x 1 x 16 ga C-Z

1шт.

366866C1

LOCK WASHER,5/8"

5/8"

1шт.

138557

WASHER,Int Tooth, 5/8"

5/8 int-tooth lock

1шт.

32

401875R31

SLEEVE

PACKAGE, axle shaft

2шт.

33

25782R1

SCREW,Hex, 3/8"-16 x 3 3/8", G8

BOLT, 3/8 x 3-3/8 hex-hd.

4шт.

34

163909C1

BUSHING,19.15mm ID x 28.57mm OD x 12.7mm L

DOWEL, main axle end flange

4шт.

35

167950C1

SHIM, main axle, for combines w/out track att

2шт.

36

654049R1

LOCK NUT

3/8-16 flex-loc

4шт.

Выбрано товаров: 62