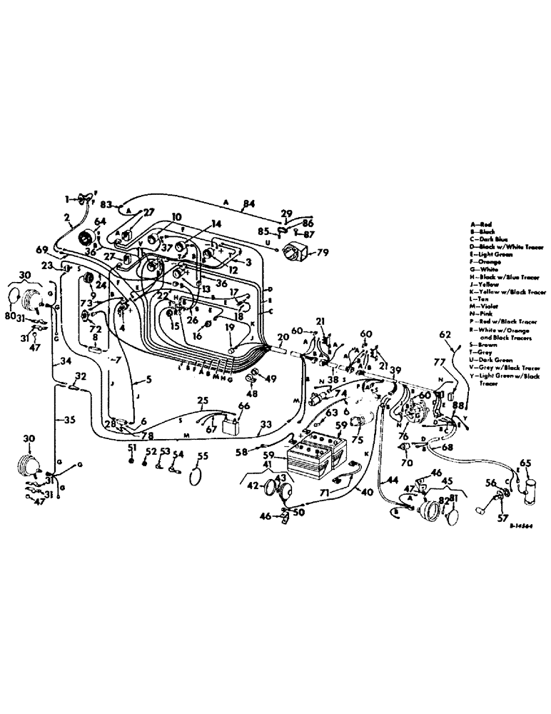
Запчасти Case IH 915 (G-11) - ELECTRICAL SYSTEM, WIRING DIAGRAM, BASIC, FOR DIESEL ENGINE, SERIAL NO. 1249 AND BELOW (06) - ELECTRICAL SYSTEMS

Схема запчастей Case IH 915 - (G-11) - ELECTRICAL SYSTEM, WIRING DIAGRAM, BASIC, FOR DIESEL ENGINE, SERIAL NO. 1249 AND BELOW (06) - ELECTRICAL SYSTEMS
24
41
85
19
10
81
12
59
4
60
63
26
2
23
36
60
31
86
29
13
41
30
15
74
8
44
38
1
50
45
18
16
31
60
21
52
51
32
35
71
33
54
37
76
66
84
64
75
47
28
72
62
47
14
83
46
27
21
27
88
34
25
5
79
56
36
73
39
6
48
17
78
70
3
67
87
82
77
55
80
30
68
53
49
58
69
7
46
43
59
65
57
42
9
20
22
FIT
1:1
100%

Артикул

Название

Примечание

Количество

1

366317R93

SWITCH

ASSY, starting

1шт.

1

366317R93GV

CONTROL

Value, Control Switch

1шт.

120611

NUT,#10 - 32

no. 10-32 C-Z sq

2шт.

436695

SCREW,Slotted Pan Hd, #8-32 x 1/2"

8-32 x 1/2 C-Z pan hd mach

2шт.

436750

SCREW,Slotted Pan Hd, #10-32 x 1/2"

no. 10-32 x 1/2 C-Z pan hd mach

2шт.

120217

LOCK WASHER,#10

WASHER, LOCK, #10

2шт.

607893R1

WASHER

13/64 x 1/2 x 16 ga C-Z

2шт.

2

165667C91

HARNESS ASSY, starting switch, 24 in.

1шт.

3

CABLE ASSY, key switch, use 5 in. and 17 in. of 14 ga wire from 100-ft roll marked 995055R1 and three 54772R2 terminals

1шт.

4

164895C91

SWITCH

ASSY, ignition w/keys

1шт.

365502R1

NUT

13/16-20 hex.

2шт.

NLS

NO LONGER SERVICED

LOCK, Int Tooth, 13/16"

2шт.

5

CABLE ASSY, parking brake warning light, use 80 in. of 16 ga wire from 100 ft roll marked 995056R1, one 54772R2 terminal and one 165565R1 terminal

1шт.

6

633643R91

SWITCH

ASSY, parking brake warning light

1шт.

134530

NUT,Hex, #6 - 32

2шт.

436668

SCREW, no. 6-32 x 7/8 C-Z pan-hd SLTD mach

2шт.

131044

LOCK WASHER

Lock, #6

2шт.

7

163814C91

CABLE ASSY, warning buzzer

1шт.

8

303236R91

INDICATOR LIGHT

FLASHER, warning light signal

1шт.

9

166827C91

LIGHT

warning

1шт.

120361

NUT,Hex Mach Screw, #10 - 24

2шт.

436732

SCREW,Slotted Pan Hd, #10-24 x 1/2"

no. 10-24 x 1/2 C-Z pan-hd SLTD mach

2шт.

120217

LOCK WASHER,#10

WASHER, LOCK, #10

2шт.

10

163835C91

GAUGE

ASSY, oil pressure

1шт.

11

167021C1

GAUGE ASSY.

GAUGE ASSY, ammeter

1шт.

12

167020C1

GAUGE ASSY, air cleaner restriction indicator

1шт.

13

163836C91

GAUGE

ASSY, fuel

1шт.

14

163834C91

GAUGE

ASSY, water temp

1шт.

15

166380C92

SWITCH

ASSY, light

1шт.

16

394771R91

IGNITION SWITCH

SWITCH ASSY FLASHER LAMP

1шт.

17

376852R91

HOUSING

ASSY, fuse

1шт.

18

223-31

FUSE,10 Amp, Type 3AG

cartridge type 3AG 1-1/4 in long 30 amp

1шт.

19

394132R91

FLASHER UNIT

FLASHER ASSY

1шт.

20

163818C91

HARNESS ASSY, main cable front

1шт.

21

378336R91

BLOCK

ASSY, junction, 3 terminal

2шт.

18653R1

BOLT,Hex, 1/4" - 20 x 1/2", Gr 2

1/4 x 1/2 C-Z hex hd mach

4шт.

120375

NUT,Hex, 1/4" - 20, Gr 5

4шт.

120611

NUT,#10 - 32

no. 10-32 C-Z sq

4шт.

492-11025

LOCK WASHER,1/4"

WASHER, LOCK, 1/4"

4шт.

22

CABLE ASSY, ammeter gauge, use 16 in. of 12 ga wire from 100 ft roll marked 995054R1, 15 in. of 14 ga wire from 100 ft roll marked 995055R1, two 54772R1 terminal, one 879552R1 terminal and one 899167R1 connector

1шт.

23

244641R91

SWITCH

ASSY, feeder clutch throw out

1шт.

24

CABLE ASSY, ignition switch to feeder clutch throw out switch, use 34 in. of 14 ga wire from 100 ft roll marked 995055R1 and two 54771R2 terminals

1шт.

25

CABLE ASSY, feeder clutch throw out switch, use 112 in. of 14 ga wire from 100 ft. roll marked 995055R1, two 54772R2 terminals, one 188395R1 connector and one 879636R1 terminal

1шт.

26

165668C91

CABLE ASSY, instrument light

1шт.

27

241120R91

RELAY

ASSY, warning buzzer

2шт.

18653R1

BOLT,Hex, 1/4" - 20 x 1/2", Gr 2

1/4 x 1/2 C-Z hex hd mach

4шт.

120375

NUT,Hex, 1/4" - 20, Gr 5

4шт.

492-11025

LOCK WASHER,1/4"

WASHER, LOCK, 1/4"

4шт.

28

68107H

LOCK NUT

parking brake warning light micro switch

1шт.

29

CABLE ASSY, elevator clutch ground, use 4 in. of 14 ga wire from 100 ft roll marked 995055R1, one 54771R2 terminal and one 54775R2 terminal

1шт.

30

391005R91

HEADLIGHT

LAMP ASSY, head

2шт.

120378

NUT,Hex, 1/2" - 13, Gr 5

NUT, 1/2"-13, G5

2шт.

120384

WASHER,1/2"

LOCK, 1/2"

2шт.

178373R1

WASHER

17/32 x 1 x 16 ga C-Z

2шт.

31

167032C1

CLAMP, head light

4шт.

18764R1

HARDWARE,Hex, 5/16"-18 x 3/4", G2

BOLT, 5/16 x 3/4 C-Z hex-hd mach

2шт.

120376

NUT,5/16"-18, G5

2шт.

80681

LOCK WASHER,5/16"

WASHER, LOCK, 5/16"

2шт.

32

250381C91

PIN

CONNECTOR, front head light, not operators cab

1шт.

33

170519C1

CABLE ASSY, head light, not operators cab

1шт.

34

167033C1

CABLE ASSY, head light rail LH, not operators cab

1шт.

35

167034C1

CABLE ASSY, headlight rail RH, not operators cab

1шт.

36

372546R91

CABLE

SOCKET ASSY, instrument light

5шт.

37

A14553

BULB

instrument panel light

5шт.

38

163817C91

HARNESS ASSY, main center, 90 in.

1шт.

39

529377R1

HARNESS ASSY, main cable

1шт.

40

165670C91

CABLE ASSY, flasher to flasher light

1шт.

41

394129R91

LIGHT

LAMP ASSY, flasher

1шт.

120371

NUT,1/2"-20, G5

1шт.

42

396585R1

LENS

warning light, amber

1шт.

42

397442R1

LENS, warning light, red

1шт.

43

9417866

BULB,C6, #1156, 12.8V

no. 1156

1шт.

44

163815C92

HARNESS ASSY, tail lamp cable, 177 inch

1шт.

45

387729R91

LIGHT

LAMP ASSY, tail

1шт.

120378

NUT,Hex, 1/2" - 13, Gr 5

NUT, 1/2"-13, G5

1шт.

120384

WASHER,1/2"

LOCK, 1/2"

1шт.

178373R1

WASHER

17/32 x 1 x 16 ga C-Z

1шт.

46

561915R1

BRACKET

lamp mounting

2шт.

18494R1

BOLT,Hex, 3/8" - 16 x 1", Gr 2

3/8 x 1 C-Z hex hd mach

2шт.

120377

NUT,3/8" - 16, Gr 5

2шт.

120382

LOCK WASHER,Helical Spring, 3/8"

WASHER, LOCK, 3/8"

2шт.

47

49069D

SPACER

lamp

3шт.

48

394133R1

FASTENER

CLAMP, flasher mounting

1шт.

49

394134R1

SEAL

HOSE, flasher mounting absorber

1шт.

50

394262R1

WASHER

flasher lamp

1шт.

51

23406R1

GROMMET,3/16" ID x 7/16" x .125", Diag Cut

in operators deck front hand rail for head light cables

2шт.

52

128157

GROMMET,3/8" ID x 27/32" x .062", Diag Cut

no. 5 plain rubber diagonal cut in instrument panel for cab power cable and eng lower left hood for tail light cable

2шт.

53

362120R1

CLAMP,9.53mm ID, 10.32mm Bolt Hole, P Type

CLIP, cable

1шт.

53

362667R1

CLIP

1шт.

53

362127R1

CLIP

feeder clutch throw out switch cable

1шт.

53

362123R1

CLIP

main cable harness

1шт.

53

362126R1

CLIP

battery cable

1шт.

53

370383R1

CLIP

main cable harness

2шт.

54

370820R1

CLIP

main front harness

1шт.

54

363660R1

CLIP

battery cable

1шт.

55

702093C1

CABLE TIE

CLAMP

1шт.

56

168515C1

GASKET,3.05mm Thk

fuel gauge sending unit

1шт.

57

162018C91

GAUGE ASSY.

UNIT ASSY, fuel gauge sending

1шт.

168527C1

SCREW,Sl Pan Hd, #10 - 24 x 1/2", W/ Rbr Wshr, 90 Duro

no. 10 x 1/2 C-Z pan washer hd mach

5шт.

58

166548C91

CABLE

ASSY, battery to ground 66 in.

1шт.

59

392244R91

BATTERY, 6 volt dry charge, prestolite EHG3-172, important note, battery not supplied from factory but furnished by district or dealer where combine is merchandised

2шт.

60

399470R1

BOOT

main center harness terminal cover rubber

1шт.

61

166536C91

CABLE ASSY, battery 106 in.

1шт.

62

158477C91

CABLE

ASSY, engine to ground 18 in.

1шт.

63

364910R1

BOOT

battery terminal cover rubber

1шт.

64

167307C1

SPEEDOMETER

ASSY, for combines w/o track att

1шт.

64

169491C1

SPEEDOMETER

ASSY, for combines w/track att

1шт.

65

164894C91

PUMP

ASSY, fuel, refer to section E under fuel pump, diesel engine

1шт.

66

161858C1

CAPACITOR

CAPACITATOR, feeder drive electric clutch

1шт.

67

CABLE ASSY, feeder drive clutch throw out switch ground, use 6.5 in. of 16 ga wire from 100 ft. roll marked 995056R1 and two 54772R1 terminal

1шт.

68

163808C91

HARNESS ASSY, fuel pump

1шт.

69

CABLE ASSY, starter button to ammeter, use 25 in. of 12 ga wire from 100 ft roll marked 995054R1, one 54776R2 terminal, one 879558R1 terminal and one 899167R1 connector

1шт.

70

389682R91

SWITCH

electric air cleaner

1шт.

71

259171R91

CABLE

ASSY, Serial Range: battery-battery

1шт.

72

395074R93

SWITCH

ASSY, push button ether

1шт.

73

CABLE ASSY, ether starting switch to key switch, use 33 in. of 16 ga wire from 100 ft roll marked 995056R1, one 54771R2 terminal and one 165566R1 terminal

1шт.

74

393719R92

NOZZLE

SOLENOID ASSY, ether injection

1шт.

75

1113647

STARTER MOTOR

MOTOR ASSY, cranking, 381035R91, refer to cranking motor unit for listing

1шт.

76

1100791

GENERATOR

ALTERNATOR-GENERATOR, 397091R91, refer to alternator generator unit for listing

1шт.

77

1119513

VOLTAGE REGULATOR

REGULATOR ASSY, voltage, 336410R91, refer to alternator generator and voltage regulator unit for listing

1шт.

78

166817C1

WASHER

parking brake cable

1шт.

79

166166R91

HORN

ASSY, warning

1шт.

80

371443R91

LAMP BASE

UNIT ASSY, sealed beam

2шт.

81

371461R91

LENS

UNIT ASSY, sealed beam tail light

1шт.

82

455490

BULB,C-6, #1003, 12V, .94W

light

1шт.

83

167413C1

CABLE, warning horn

1шт.

84

CABLE ASSY, elevator clutch, use 120 in. of 16 ga wire from 100 ft. roll marked 995056R1, one 54772R2 terminal and one 165567R1 terminal

1шт.

85

M296

SPRING

elevator slip clutch alarm switch strip return

1шт.

86

574649R91

SWITCH

ASSY, elevator slip clutch alarm micro switch

1шт.

134530

NUT,Hex, #6 - 32

2шт.

436670

SCREW,Slotted Pan Hd, #6-32 x 1 1/4"

no. 6 x 1-1/4 C-Z pan-hd SLTD mach

2шт.

492-11006

LOCK WASHER,#6

Lock, #6

2шт.

107395H

WASHER, 5/32 x 3/8 x 18 ga

1шт.

87

570028R91

BOLT

BOLT ASSY, elevator slip clutch alarm switch

1шт.

120377

NUT,3/8" - 16, Gr 5

2шт.

88

528433R1

CABLE, fuel shut-off

1шт.

Выбрано товаров: 136