Запчасти Case IH 915 (N-12) - PARTS ACCESSORIES AND ATTACHMENTS, AIR CONDITIONING, COMPRESSOR AND CONDENSER, S/N 1865 AND ABOVE Accessories & Attachments

Схема запчастей Case IH 915 - (N-12) - PARTS ACCESSORIES AND ATTACHMENTS, AIR CONDITIONING, COMPRESSOR AND CONDENSER, S/N 1865 AND ABOVE Accessories & Attachments
13
23
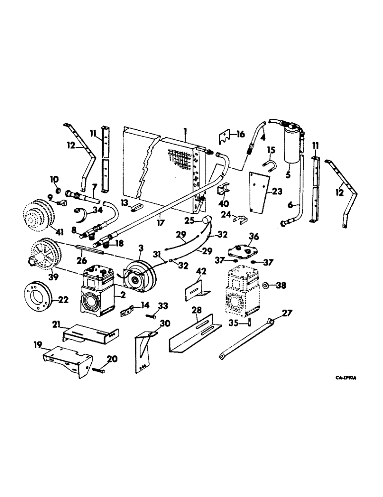
1
11
11
15
41
12
22
17
29
9
38
8
28
19
39
27
26
31
20
35
37
29
2
5
3
36
21
16
33
34
18
32
42
6
7
24
37
10
40
25
12
32
4
14
30
FIT
1:1
100%

Артикул

Название

Примечание

Количество

1

165130C91

COIL

COIL ASSY, air conditioning condenser

1шт.

2

527541R91

AIRCOND. COMPRESSOR

COMPRESSOR ASSY, includes ref. nos. 35 thru 38 and kit assy 302810R91, 527624R91 and 527732R91

1шт.

2

417888C93

AIRCOND. COMPRESSOR

Compressor Assy., A/C

1шт.

2

1924004C2

REMAN-A/C COMPRESSOR

Remanufactured COMPRESSOR

1шт.

2

1924005C1

CORE-A/C COMPRESSOR

Return Number

1шт.

302710R91

KIT, compressor gasket

1шт.

527624R91

SEAL KIT

KIT, seal service

1шт.

527732R91

SPARE PART KIT, valve plate

1шт.

18778R1

SCREW,Hex, 3/8"-16 x 3/4", G2

BOLT, 3/8 x 3/4 C-Z hex-hd mach

2шт.

120382

LOCK WASHER,Helical Spring, 3/8"

WASHER, LOCK, 3/8"

2шт.

3

165129C91

CLUTCH

CLUTCH ASSY, compressor

1шт.

18653R1

BOLT,Hex, 1/4" - 20 x 1/2", Gr 2

BOLT, 1/4 x 1/2 C-Z hex-hd mach

4шт.

181610

SCREW,Hex, 5/16" - 24 x 1 1/4", Gr 5

SCREW, 5/16 x 1-1/4 C-Z hex-hd cap

1шт.

492-11025

LOCK WASHER,1/4"

WASHER, LOCK, 1/4"

4шт.

22859R1

WASHER

WASHER, 11/32 x 3/4 x 7 ga C-Z

1шт.

4

167888C1

HOSE ASSY.

HOSE ASSY, suction, 16 inch, DT 407 diesel and all V-8 engines

1шт.

4

174424C1

HOSE

HOSE ASSY, suction, 17 inch, DT 414 diesel engine

1шт.

5

175254C1

TANK

DEHYDRATOR ASSY, receiver

1шт.

6

171739C2

HOSE ASSY.

HOSE ASSY, discharge, 202 inch

1шт.

7

171738C1

HOSE

HOSE ASSY, 188 inch

1шт.

8

938196R91

VALVE

VALVE ASSY, service, D 407 diesel and all V-8 engines

1шт.

8

175086C1

LOCK VALVE

VALVE ASSY, service, DT 414 diesel engine

1шт.

9

394271R1

CLIP

CLIP, cab to compressor hose

1шт.

10

142350

GROMMET,7/8" ID x 1 5/8" x .125", Diag Cut

GROMMET, 7/8 ID rubber

2шт.

11

162363C1

SPARE PART ANGLE, condenser support, all V-8 engines

2шт.

938017R1

FLANGE NUT,Flg, USR, 5/16"-18

NUT, 5/16 C-Z whiz lock

8шт.

135270

SERRATED SCREW,5/16" - 18 x 3/4"

SCREW, 5/16 x 3/4 C-Z whiz lock

8шт.

12

174425C1

SPARE PART STRAP, condenser support, DT 414 diesel engine

2шт.

938017R1

FLANGE NUT,Flg, USR, 5/16"-18

NUT, 5/16 C-Z whiz lock

8шт.

135270

SERRATED SCREW,5/16" - 18 x 3/4"

SCREW, 5/16 x 3/4 C-Z whiz lock

8шт.

13

154695C1

CLAMP

CLAMP, cab to compressor hose

2шт.

14

165125C1

SPARE PART STRAP, compresser, tightener, DT 407 diesel and all V-8 engines

1шт.

18778R1

SCREW,Hex, 3/8"-16 x 3/4", G2

BOLT, 3/8 x 3/4 C-Z hex-hd mach

2шт.

120382

LOCK WASHER,Helical Spring, 3/8"

WASHER, LOCK, 3/8"

2шт.

15

165164C1

BOLT

SPARE PART U-BOLT, receiver dryer filter

1шт.

120375

NUT,Hex, 1/4" - 20, Gr 5

NUT, 1/4"-20, G5

2шт.

492-11025

LOCK WASHER,1/4"

WASHER, LOCK, 1/4"

2шт.

16

159940C1

BAR

COVER, compressor hose opening

2шт.

178974

SCREW,Sl Pan Hd, 1/4" - 14 x 1/2"

SCREW, 1/4 x 1/2 slt-pan-hd tap

2шт.

17

159930C91

A/C HOSE,0.41" ID x 48.00"

Service Valve To Coil, DT-407 Diesel And All V-8 Engines

1шт.

17

174358C1

HOSE ASSY.

HOSE ASSY, service valve to coil, 64 inch, DT 414 diesel engine

1шт.

18

938197R91

LOCK VALVE

VALVE ASSY, service, DT 407 diesel and all V-8 engines

1шт.

18

399419R1

VALVE

VALVE ASSY, service, DT 414 diesel engine

1шт.

19

175754C1

SUPPORT ASSY.

BRACKET ASSY, compressor mount, DT 414 diesel engine

1шт.

18785R1

BOLT,Hex, 3/8"-16 x 3", G2

BOLT, 3/8 x 3 C-Z hex-hd mach

2шт.

120377

NUT,3/8" - 16, Gr 5

NUT, 3/8"-16, G5

2шт.

120382

LOCK WASHER,Helical Spring, 3/8"

WASHER, LOCK, 3/8"

2шт.

20

26257R1

SET SCREW

SCREW, compressor mount bracket adj., DT 414 diesel engine

1шт.

124829

JAM NUT,Hex, 3/8" - 16, Gr 5

NUT, Jam, 3/8"-16, G5

1шт.

21

166146C92

SPARE PART BRACKET ASSY, compressor mount, DT 07 diesel and all V-8 engines

1шт.

18495R1

BOLT,Hex, 3/8" - 16 x 1 1/4", Gr 2

BOLT, 3/8 x 1-1/4 hex-hd mach

2шт.

120377

NUT,3/8" - 16, Gr 5

NUT, 3/8"-16, G5

2шт.

120382

LOCK WASHER,Helical Spring, 3/8"

WASHER, LOCK, 3/8"

2шт.

22

168791C11

SPARE PART PULLEY ASSY, compressor drive, DT 407 diesel engine

1шт.

180177

BOLT,Hex, 1/2" - 13 x 1 1/2", Gr 5

SCREW, 1/2 x 1-1/2 hex-hd cap

4шт.

120384

WASHER,1/2"

WASHER, LOCK, 1/2"

4шт.

23

165165C91

SPARE PART BRACKET ASSY, receiver dryer filter, DT 407 diesel and all V-8 engines

1шт.

24

155482C1

CLIP

CLIP, thermostat

1шт.

25

155491C91

THERMOSTAT

THERMOSTAT ASSY, 170 degree

1шт.

26

167031C2

V-BELT,0.50" W x 51.23" L

V-BELT, , Compressor Drive, all V-8 Engines 0.50" W x 51.23" L

1шт.

26

574615R1

V-BELT,0.50" W

Compressor drive, DT 407 diesel engine

1шт.

26

65337C2

V-BELT,0.50" W x 37.63" L

Compressor drive, DT 414 diesel engine

1шт.

27

(Not used in this application)

1шт.

28

(Not used in this application)

1шт.

29

CABLE, thermostat to cab wire & clutch wire, 2 used DT 407 & all V-8 engines, 1 used DT 414 diesel, use 30 inches of 14 ga wire from 100-ft roll marked 995055R1 and two terminals 46894H

1шт.

29

174949C1

SPARE PART CABLE, thermostat to clutch, DT 414 diesel engine

1шт.

30

166984C91

SPARE PART SUPPORT ASSY, compressor, all V-8 engines

1шт.

18474R1

BOLT,Hex, 5/16" - 18 x 1", Gr 2

BOLT, 5/16 x 1 C-Z hex-hd mach

3шт.

120376

NUT,5/16"-18, G5

NUT, 5/16"-18, G5

3шт.

80681

LOCK WASHER,5/16"

WASHER, LOCK, 5/16"

3шт.

619855R1

WASHER

WASHER, 11/32 x 3/4 x 16 ga C-Z

2шт.

31

46894H

WIRE CONNECTOR,14 - 16 SAE

TERMINAL, compressor clutch wire

1шт.

32

46893H

CONNECTION

CONNECTOR, cable snap in

4шт.

33

935032R1

SPARE PART BOLT, compressor draw

1шт.

120377

NUT,3/8" - 16, Gr 5

NUT, 3/8"-16, G5

2шт.

34

702093C1

CABLE TIE

CABLE STRAP STRAP, compressor hose tie, 6 used DT 407 diesel & all V-8 engines, 10 used DT 414 diesel

1шт.

35

527730R1

SPARE PART SCREW, 5/16 x 1-3/8 12-pt hd cap

4шт.

36

527731R1

SPARE PART CYLINDER HEAD, rotalock

1шт.

37

527733R1

GASKET

GASKET, rotalock

2шт.

38

406838R1

SPARE PART FLINGER, dust cap

1шт.

39

PULLEY, water pump & compressor drive, all V-8 engines, refer to ENG-3 parts catalog Section A or B for listing

1шт.

40

165166C1

SPARE PART BRACKET, receiver dryer filter, DT 414 diesel engine

1шт.

938017R1

FLANGE NUT,Flg, USR, 5/16"-18

NUT, 5/16 C-Z whiz lock

1шт.

135270

SERRATED SCREW,5/16" - 18 x 3/4"

SCREW, 5/16 x 3/4 C-Z whiz lock

1шт.

41

PULLEY, water pump, generator & compressor drive, D 414 diesel, refer to ENG-5 parts catalog, section J for listing

1шт.

42

168878C1

SPARE PART SUPPORT, compressor, DT 407 diesel engine

1шт.

18474R1

BOLT,Hex, 5/16" - 18 x 1", Gr 2

BOLT, 5/16 x 1 C-Z hex-hd mach

2шт.

120376

NUT,5/16"-18, G5

NUT, 5/16"-18, G5

2шт.

80681

LOCK WASHER,5/16"

WASHER, LOCK, 5/16"

2шт.

619855R1

WASHER

WASHER, 11/32 x 3/4 x 16 ga C-Z

2шт.

Выбрано товаров: 90