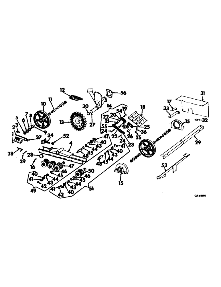
Запчасти Case IH 915 (N-24) - PARTS ACCESSORIES AND ATTACHMENTS, TRACK ATTACHMENT Accessories & Attachments

Схема запчастей Case IH 915 - (N-24) - PARTS ACCESSORIES AND ATTACHMENTS, TRACK ATTACHMENT Accessories & Attachments
13
47
40
22
51
36
46
48
5
50
26
37
45
8
43
44
42
15
22
43
4
46
38
1
34
11
33
24
15
43
43
7
27
21
49
44
56
44
40
10
52
18
40
29
17
12
41
2
20
41
54
26
19
55
42
30
16
41
45
32
28
48
14
35
3
44
53
31
25
40
24
6
9
39
45
41
45
23
FIT
1:1
100%

Артикул

Название

Примечание

Количество

1

268996R1

PLUG

track idler

4шт.

2

263423R2

GUIDE, track rear idler RH

2шт.

3

263427R1

CLAMP

idler shaft

8шт.

180178

BOLT,Hex, 1/2" - 13 x 1 5/8", Gr 5

SCREW, 1/2 x 1-5/8 C-Z hex-hd cap

16шт.

120384

WASHER,1/2"

LOCK, 1/2"

16шт.

4

167776C2

FRAME ASSY, track side LH

1шт.

4

167777C2

FRAME ASSY, track side RH

1шт.

5

338542R91

OIL RESERVOIR

SEAL, track idler oil

8шт.

6

60573D

RING

track idler snap

8шт.

7

322528R1

BRACKET

WASHER, track idler retainer

8шт.

8

53369D

THRUST WASHER

track idler thrust

8шт.

9

53400DX

BUSHING

track idler, set of two

4шт.

10

272135R12

IDLER ASSY, track front, includes ref. no. 9

2шт.

10

263421R12

IDLER ASSY, track rear, includes ref. no. 9

2шт.

429-1112

NUT,3/4"-16, G5

3/4-16 C-Z type 4

20шт.

11

307037R91

SHAFT

ASSY, track idler

4шт.

12

263422R2

GUIDE, track rear idler LH

2шт.

13

162343C1

DRIVE SPROCKET

SPROCKET, track drive 23T

2шт.

14

172919C91

CHAIN ASSY, track, 35 links, includes ref. nos. 19 thru 26, 54 and 55

2шт.

15

167763C2

GUIDE, front idler

4шт.

432695R1

BOLT,Hex, 5/8" - 11 x 1 3/4", Gr 8

SCREW, 5/8 x 1-3/4 znd hex-hd cap type 4

8шт.

492-11062

BEARING WASHER,5/8"

WASHER, LOCK, 5/8"

8шт.

16

332040

LUBE NIPPLE,90 Degree, 1/8" NPT x .84" lg

FITTING, 1/8-90 deg lub

2шт.

17

573134R1

ANGLE, foot-n-inch tube rear

1шт.

18508R1

CARRIAGE BOLT,Short Nk, 3/8" - 16 x 3/4", Gr 2, Full Thd

BOLT, 3/8 x 3/4 C-Z sq-nk crg

1шт.

120377

NUT,3/8" - 16, Gr 5

1шт.

120382

LOCK WASHER,Helical Spring, 3/8"

WASHER, LOCK, 3/8"

1шт.

18

53702DC

SHOE, track

70шт.

19

616181C1

PIN

track master, serial no. 2085 and below

2шт.

19

263944R1

PIN

master link, serial no. 2086 and above

2шт.

19795R1

PIN,1/4" x 1 3/4", Coiled

1шт.

20

616180C1

SPACER

track master link, serial no. 2085 and below

4шт.

21

263942R3

BUSHING

track master, serial no. 2085 and below

2шт.

21

621297C1

BUSHING

track master, serial no. 2086 and above

2шт.

22

616178C1

SPRING WASHER

track chain seal, serial no. 2085 and below

280шт.

23

612735C1

LINK

track chain right, serial no. 2085 and below

68шт.

23

263938R3

LINK

track chain right, serial no. 2086 and above

68шт.

24

263943R1

PIN

link

68шт.

25

612734C1

LINK

track chain left, serial no. 2085 and below

68шт.

25

263937R3

LINK

track chain left, serial no. 2086 and above

68шт.

26

263941R3

BUSHING

link, serial no. 2085 and below

70шт.

26

621296C1

BUSHING

link, serial no. 2086 and above

68шт.

27

167764C2

PIVOT ASSY, track LH

1шт.

27

167765C2

PIVOT ASSY, track RH

1шт.

25144R1

BOLT, 3/8 x 3-1/4 znd hex-hd

4шт.

23853R1

BOLT,Hex, 3/4" - 10 x 3", Gr 8

10шт.

21330R1

NUT,1/2"-13, G8

1/2 C-Z hex type 4

12шт.

455000

BOLT,Hex, 1/2" - 13 x 1 1/4", Gr 8

SCREW, 1/2 x 1-1/4 znd hex-hd cap type 4

8шт.

427566

BOLT,Hex, 1/2"-13 x 1 1/2", G8, Full Thd

SCREW, 1/2 x 1-1/2 znd hex-hd cap type 4

4шт.

120384

WASHER,1/2"

LOCK, 1/2"

12шт.

20601R1

WASHER

17/32 x 1-1/4 x 11 ga C-Z

3шт.

87340

LOCK WASHER,Helical Spring, 0.759" ID, CST, ZND

WASHER, LOCK, 3/4"

14шт.

138561

LOCK WASHER,Int Tooth, 3/4"

WASHER, 3/4 C-Z int-tooth lock

4шт.

28

167791C1

SPACER

pivot axle retainer

2шт.

23854R1

LOCK PIN,1/2" x 5", Slotted

Pin, 1/2" x 5", Slotted

2шт.

29

167793C2

ANGLE, axle pipe brace cross

1шт.

21330R1

NUT,1/2"-13, G8

1/2 C-Z hex. type 4

8шт.

454998

BOLT,Hex, 1/2" - 13 x 1", Gr 8

SCREW, 1/2 x 1 znd hex-hd type 4

8шт.

120384

WASHER,1/2"

LOCK, 1/2"

8шт.

30

168385C1

WASHER

track pivot shaft

4шт.

31

168617C1

COVER, foot-n-inch tube lower LH

1шт.

32

168618C1

ANGLE, foot-n-inch tube cover front top

1шт.

18508R1

CARRIAGE BOLT,Short Nk, 3/8" - 16 x 3/4", Gr 2, Full Thd

BOLT, 3/8 x 3/4 C-Z sq-nk crg

1шт.

120377

NUT,3/8" - 16, Gr 5

1шт.

120382

LOCK WASHER,Helical Spring, 3/8"

WASHER, LOCK, 3/8"

1шт.

619856R1

WASHER

13/32 x 1 x 16 ga C-Z

1шт.

33

168619C1

STRIP, foot-n-inch tube cover rear

1шт.

18508R1

CARRIAGE BOLT,Short Nk, 3/8" - 16 x 3/4", Gr 2, Full Thd

BOLT, 3/8 x 3/4 C-Z sq-nk crg

2шт.

120377

NUT,3/8" - 16, Gr 5

2шт.

120382

LOCK WASHER,Helical Spring, 3/8"

WASHER, LOCK, 3/8"

2шт.

619856R1

WASHER

13/32 x 1 x 16 ga C-Z

1шт.

34

633346R91

TIE ASSY, track idler tie

2шт.

217216

NUT

1-14 C-Z hex.

4шт.

180181

BOLT,Hex, 1/2" - 13 x 2", Gr 5

SCREW, 1/2 x 2 C-Z hex-hd cap

4шт.

180185

BOLT,Hex, 1/2" - 13 x 2 1/2", Gr 5

SCREW, 1/2 x 2-1/2 C-Z hex-hd cap

4шт.

120384

WASHER,1/2"

LOCK, 1/2"

8шт.

35

273870R1

NUT, track shoe, serial no. 2085 and below

280шт.

35

616183C1

NUT

track shoe, serial no. 2086 and above

280шт.

36

616182C1

BOLT (SPREADER)

BOLT, track shoe

280шт.

37

60373D

SPACER, idler guide front

4шт.

38

304910R2

SPECIAL WRENCH

WRENCH, socket plug

1шт.

39

304909R91

TUBE

NOZZLE ASSY, track lubricator

1шт.

40

317509R91

SEAL, track roller oil

20шт.

41

314637R1

BRACKET, track roller shaft

20шт.

180179

BOLT,Hex, 1/2" - 13 x 1 3/4", Gr 5

SCREW, 1/2 x 1-3/4 C-Z hex-hd cap

40шт.

120384

WASHER,1/2"

LOCK, 1/2"

40шт.

42

304908R1

PLUG

shaft lubricator

10шт.

43

272637R2

RING, SNAP

SNAP RING

24шт.

44

322542R1

RETAINER

24шт.

45

322246R1

WASHER, thrust

24шт.

46

314934R91

BUSHING SET, consists of 2 bushings

10шт.

47

306139R21

ROLLER ASSY, track, single flange

6шт.

48

304904R91

SHAFT

10шт.

49

306134R92

ROLLER ASSY.

ROLLER ASSY, track, single flange, includes ref. nos. 42 through 48

6шт.

50

306139R21

ROLLER ASSY, track, double flange

4шт.

51

306135R92

ROLLER ASSY.

ROLLER ASSY, track, double flange, includes ref. nos. 42 through 46, 48 and 50

4шт.

52

554816R1

NUT, track idler guide adjusting stud

2шт.

53

169440C1

BRACE ASSY, separator to axle right

1шт.

236484R1

BOLT,Hex, 1/2" - 13 x 2", Gr 8

4шт.

21452R1

BOLT,Hex, 3/4" - 10 x 2", Gr 8

3/4 x 2 C-Z hex-hd cap

2шт.

87340

LOCK WASHER,Helical Spring, 0.759" ID, CST, ZND

WASHER, LOCK, 3/4"

2шт.

54

612734C1

LINK

master left, serial no. 2085 and below

2шт.

54

263939R3

LINK, master left, serial no. 2086 and above

2шт.

55

612735C1

LINK

master right, serial no. 2085 and below

2шт.

55

263940R3

LINK

master right, serial no. 2086 and above

2шт.

56

171976C1

SPACER, main axle tube end

1шт.

Выбрано товаров: 106