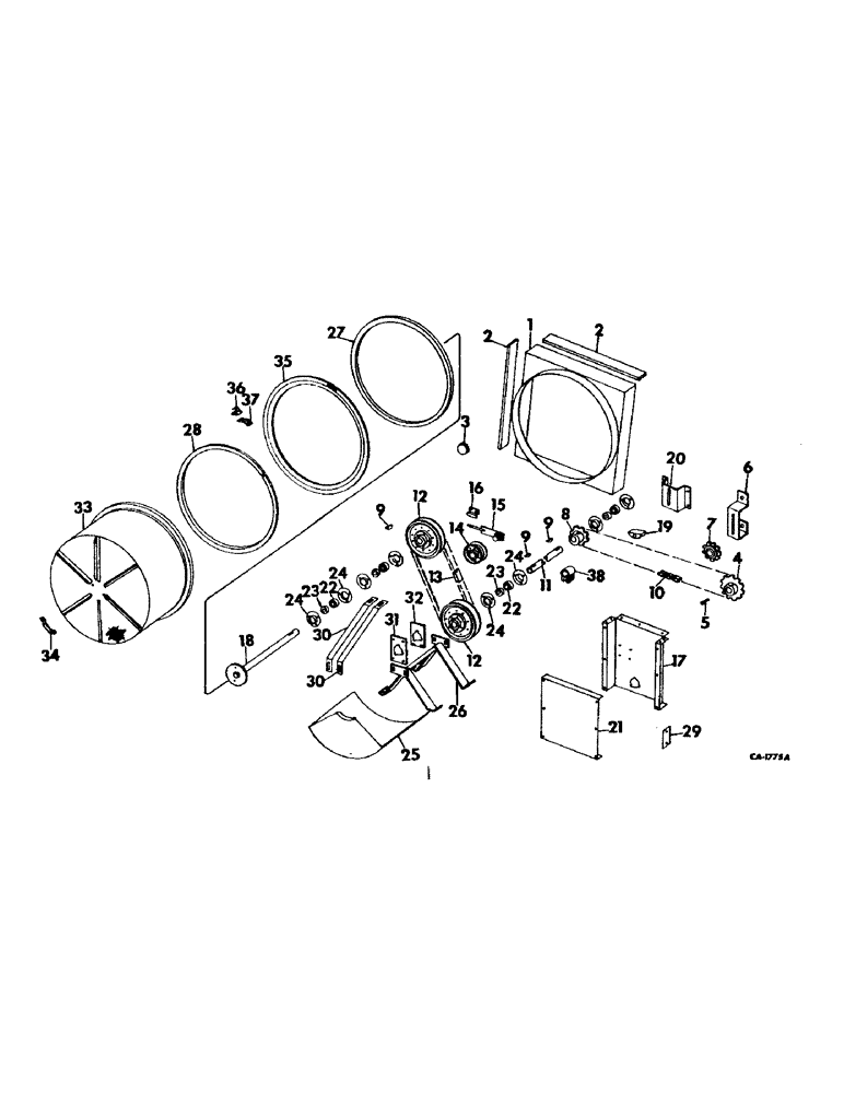
Запчасти Case IH 915 (A-10) - CHASSIS, RADIATOR AND SHEET METAL, RADIATOR ROTARY AIR SCREEN AND DRIVE, S/N 2350 AND ABOVE Chassis, Radiator & Sheet Metal

Схема запчастей Case IH 915 - (A-10) - CHASSIS, RADIATOR AND SHEET METAL, RADIATOR ROTARY AIR SCREEN AND DRIVE, S/N 2350 AND ABOVE Chassis, Radiator & Sheet Metal
29
13
12
18
6
3
10
14
15
24
28
26
21
12
25
9
23
17
24
38
4
8
22
9
35
24
23
7
36
1
24
5
34
30
33
20
27
2
2
30
9
32
11
22
31
16
19
37
FIT
1:1
100%

Артикул

Название

Примечание

Количество

1

172350C91

ADAPTOR ASSY, rotary air sieve, V8 gasoline & LP gas engines, includes ref no. 2

1шт.

1

172354C91

ADAPTOR ASSY, rotary air sieve, diesel engine, includes ref no. 2

1шт.

938017R1

FLANGE NUT,Flg, USR, 5/16"-18

5/16 C-Z whiz lock

8шт.

477-73108

SERRATED SCREW,Sl Truss Hd, 5/16" - 18 x 1/2"

5/16 x 1/2 C-Z whiz lock

8шт.

2

400143R1

GASKET

STRIP, stafoam

4шт.

3

205-126

HOLE PLUG BUTTON,1 3/4"

1-3/4 button

1шт.

4

166991C1

SPROCKET, rotary air screen drive 19T

1шт.

5

Q3947

KEY,Gib, 3/8" Sq x 1 1/2"

3/8 x 1-1/2 gib

1шт.

6

173241C1

BRACKET, drive tightnr sprocket rear

1шт.

938017R1

FLANGE NUT,Flg, USR, 5/16"-18

5/16 C-Z whiz lock

2шт.

161945C1

SERRATED SCREW,Sl Truss Hd, 5/16" - 18 x 1"

5/16 x 1 C-Z whiz lock

2шт.

7

565336R91

BEARING

SPROCKET, drive tightnr rear 11T

1шт.

20314R1

BOLT,Short NK, 1/2"-13 x 2 1/2", G2

1/2 x 2-1/2 C-Z sq-nk crg

1шт.

120378

NUT,Hex, 1/2" - 13, Gr 5

NUT, 1/2"-13, G5

1шт.

120384

WASHER,1/2"

LOCK, 1/2"

1шт.

20601R1

WASHER

17/32 x 1-1/4 x 11 ga

1шт.

607896R1

SQ HOLE WASHER,17/32" x 1 1/4" x .120", Sq Hole

17/32 sq x 1-1/4 x 11 ga C-Z

1шт.

8

163884C2

SPROCKET ASSY.

SPROCKET, air screen driven 10T

1шт.

124818

JAM NUT,Hex, 1/4" - 20, Gr 5

1шт.

107345

SUPPORT

SCREW, 1/4 x 1 C-Z sq-hd cup-pt set

1шт.

9

124549

WOODRUFF KEY,#9, 3/16" x 3/4", HT

3шт.

10

CHAIN ASSY, rotary air screen drive, use 113 links from 10-ft roll marked 569088R91, 1 offset link 457114R91 and 1 connecting link 457113R91

1шт.

11

172348C1

SHAFT, rotary air screen jack, for gasoline or LP gas engines

1шт.

11

174354C1

SHAFT, rotary air screen jack, for diesel engine

1шт.

12

166472C91

PULLEY ASSY, air screen drive and driven

2шт.

191951

SCREW,Hdls Hex Skt, 5/16" - 18 x 3/4", Cup Pt

5/16 x 3/4 C-Z hex-soc-hd cup pt

4шт.

13

174967C1

V-BELT,0.490" W x 74.40" L

0.490" W x 74.4" L, Rotary air screen drive, V8 gasoline & LP gas engines

1шт.

13

172360C1

BELT,0.490" W x 84.09" L

V-BELT , Rotary air screen drive, Diesel engine 0.490" W x 84.09" L

1шт.

14

572267R91

PULLEY ASSY.

PULLEY ASSY, drive belt tightener

1шт.

608701R1

WASHER

21/32 x 1-1/4 x 16 ga C-Z

2шт.

15

170467C1

TIGHTENER ASSY, drive belt

1шт.

120377

NUT,3/8" - 16, Gr 5

1шт.

124829

JAM NUT,Hex, 3/8" - 16, Gr 5

1шт.

124847

COLLAR

5/8 C-Z hex. jam

1шт.

178372R1

WASHER

13/32 x 1-1/4 x 16 ga C-Z

1шт.

138557

WASHER,Int Tooth, 5/8"

5/8 C-Z int-tooth lock

1шт.

589068R1

WASHER

21/32 x 1-1/4 x 11 ga

2шт.

16

172341C1

CLIP, drive belt tightener

2шт.

938017R1

FLANGE NUT,Flg, USR, 5/16"-18

5/16 C-Z whiz lock

4шт.

477-73108

SERRATED SCREW,Sl Truss Hd, 5/16" - 18 x 1/2"

5/16 x 1/2 C-Z whiz lock

4шт.

17

172340C1

REINFORCEMENT, air screen drive, V8 gasoline & LP gas engines

1шт.

17

174355C1

REINFORCEMENT, air screen drive, diesel engine

1шт.

938017R1

FLANGE NUT,Flg, USR, 5/16"-18

5/16 C-Z whiz lock

1шт.

477-73108

SERRATED SCREW,Sl Truss Hd, 5/16" - 18 x 1/2"

5/16 x 1/2 C-Z whiz lock

1шт.

18

172333C1

SHAFT ASSY, rotary air screen

1шт.

19

575622R2

BLOCK

drive chain tightener front

1шт.

18785R1

BOLT,Hex, 3/8"-16 x 3", G2

3/8 x 3 C-Z hex-hd mach

1шт.

120377

NUT,3/8" - 16, Gr 5

1шт.

120382

LOCK WASHER,Helical Spring, 3/8"

WASHER, LOCK, 3/8"

1шт.

614452R1

WASHER

13/32 x 1-1/4 x 11 ga

3шт.

20

164096C1

BRACKET, chain tightener block front

1шт.

18474R1

BOLT,Hex, 5/16" - 18 x 1", Gr 2

5/16 x 1 C-Z hex-hd mach

4шт.

120376

NUT,5/16"-18, G5

4шт.

80681

LOCK WASHER,5/16"

WASHER, LOCK, 5/16"

4шт.

21

174486C1

COVER, air screen drive support, V8 gasoline & LP gas engines

1шт.

21

174366C1

COVER, air screen drive support, diesel engine

1шт.

120376

NUT,5/16"-18, G5

4шт.

938017R1

FLANGE NUT,Flg, USR, 5/16"-18

5/16 C-Z whiz lock

6шт.

135270

SERRATED SCREW,5/16" - 18 x 3/4"

5/16 x 3/4 C-Z whiz lock

1шт.

80681

LOCK WASHER,5/16"

WASHER, LOCK, 5/16"

4шт.

619855R1

WASHER

11/32 x 3/4 x 16 ga C-Z

4шт.

22

165482C91

BEARING ASSY,19.05mm ID x 42mm OD x 12mm W

rotary air screen, Fafnir, serial no. 3179 and below

4шт.

22

170514C91

BEARING

ASSY, rotary air screen, Showa, serial no. 3180 and above

4шт.

23

165483C11

BEARING

COLLAR ASSY, rotary air screen brg, serial no. 3179 and below, for use w/165482C91 ref no. 22

4шт.

20683R1

SCREW, 10-32 x 1/4 hex-soc-hd set

4шт.

24

165484C1

FLANGE

rotary air screen brg, serial no. 3179 and below, for 165482C91 ref no. 22

8шт.

24

455961R1

BEARING HOUSING,3.5625" OD x 0.3125"

FLANGE, rotary air screen brg, for use w/170514C91 ref no. 22

8шт.

12876R1

BOLT, 5/16 x 1 C-Z sq-nk crg

12шт.

120376

NUT,5/16"-18, G5

12шт.

80681

LOCK WASHER,5/16"

WASHER, LOCK, 5/16"

12шт.

25

172337C1

BAFFLE ASSY, rotary air screen

1шт.

938016R1

FLANGE NUT,Flg, USR, 1/4"-20

1/4 C-Z whiz lock

6шт.

937875R1

SCREW,Serr, 1/4" - 20

1/4 x 3/4 C-Z whiz lock

6шт.

26

172335C1

SUPPORT ASSY, rotary air screen brg

1шт.

938016R1

FLANGE NUT,Flg, USR, 1/4"-20

1/4 C-Z whiz lock

8шт.

937875R1

SCREW,Serr, 1/4" - 20

1/4 x 3/4 C-Z whiz lock

8шт.

27

164606C1

WASHER

RING, rotary air sieve brush seal

1шт.

28

164627C1

RETAINER

FLANGE, rotary air sieve seal

1шт.

163845C1

RIVET, .167 x .290 alum pop

12шт.

29

174487C1

COVER, air sieve adaptor bottom angle, V8 gasoline & LP gas engines

1шт.

29

172339C1

COVER, air sieve adaptor bottom angle, diesel engine

1шт.

938017R1

FLANGE NUT,Flg, USR, 5/16"-18

5/16 C-Z whiz lock

2шт.

477-73108

SERRATED SCREW,Sl Truss Hd, 5/16" - 18 x 1/2"

5/16 x 1/2 C-Z whiz lock

2шт.

30

164607C1

STRAP, rotary air screen brg

2шт.

16897R1

CARRIAGE BOLT,Short Nk, 5/16" - 18 x 3/4", Gr 2, Full Thd

BOLT, 5/16 x 3/4 C-Z sq-nk crg

4шт.

120376

NUT,5/16"-18, G5

4шт.

80681

LOCK WASHER,5/16"

WASHER, LOCK, 5/16"

4шт.

21496R1

WASHER

11/32 x 3/4 x 16 ga C-Z

4шт.

31

164605C1

LARGE PLATE

SUPPORT, air screen brg flange outer

1шт.

16897R1

CARRIAGE BOLT,Short Nk, 5/16" - 18 x 3/4", Gr 2, Full Thd

BOLT, 5/16 x 3/4 C-Z sq-nk crg

2шт.

120376

NUT,5/16"-18, G5

2шт.

80681

LOCK WASHER,5/16"

WASHER, LOCK, 5/16"

2шт.

21496R1

WASHER

11/32 x 3/4 x 16 ga C-Z

2шт.

32

164604C1

BAR

SUPPORT, air screen brg flange inner

1шт.

16897R1

CARRIAGE BOLT,Short Nk, 5/16" - 18 x 3/4", Gr 2, Full Thd

BOLT, 5/16 x 3/4 C-Z sq-nk crg

2шт.

120376

NUT,5/16"-18, G5

2шт.

80681

LOCK WASHER,5/16"

WASHER, LOCK, 5/16"

2шт.

21496R1

WASHER

11/32 x 3/4 x 16 ga C-Z

2шт.

33

164629C91

SCREEN

SIEVE ASSY, rotary air

1шт.

938016R1

FLANGE NUT,Flg, USR, 1/4"-20

1/4 C-Z whiz lock

12шт.

21352R1

RIVET,Tr Hd, 3/16" x .281", Alum.

3/16 x 9/32 truss-hd

12шт.

113-206

BOLT,Hex, 3/8" - 16 x 3/4", Gr 5, Full Thd

3/8 x 3/4 C-Z hex-hd cap

2шт.

937059R1

SCREW,Serr, M10 x 70mm, Cl 10.9

1/4 x 1/2 C-Z whiz lock

12шт.

120382

LOCK WASHER,Helical Spring, 3/8"

WASHER, LOCK, 3/8"

2шт.

34

164628C1

HANDLE, rotary air sieve adaptor

1шт.

937875R1

SCREW,Serr, 1/4" - 20

1/4 x 3/4 C-Z whiz lock

2шт.

35

164615C91

BRUSH ASSY.

BRUSH ASSY, rotary air sieve, includes ref nos. 36 and 37

1шт.

19910R1

LOCK NUT

no. 10-24 C-Z lock

1шт.

436736

SCREW,Slotted Pan Hd, #10-24 x 1"

no. 10 x 1 C-Z pan-hd slt mach

1шт.

36

164616C1

ANGLE

CLIP, rotary air sieve brush short

1шт.

37

164617C1

ANGLE

CLIP, rotary air sieve brush long

1шт.

19910R1

LOCK NUT

no. 10-24 C-Z lock

1шт.

436736

SCREW,Slotted Pan Hd, #10-24 x 1"

no. 10 x 1 C-Z pan-hd slt mach

1шт.

38

177154C1

CLAMP, rotary jackshaft, serial no. 3180 and above

2шт.

18475R1

BOLT,Hex, 5/16" - 18 x 1 1/4", Gr 2

5/16 x 1-1/4 hex-hd

1шт.

120376

NUT,5/16"-18, G5

1шт.

80681

LOCK WASHER,5/16"

WASHER, LOCK, 5/16"

1шт.

Выбрано товаров: 117