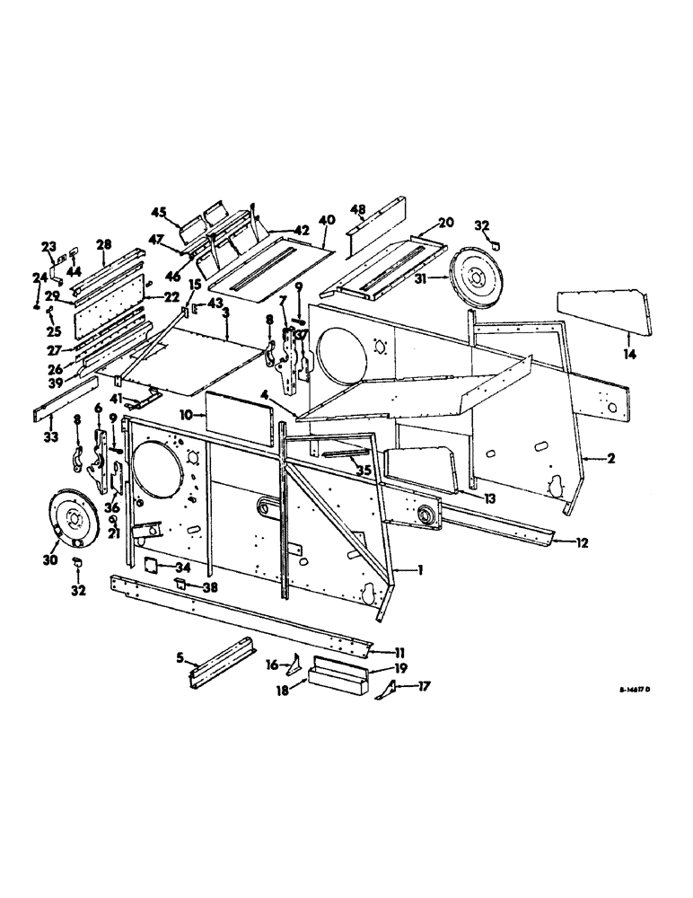
Запчасти Case IH 915 (R-02) - SEPARATOR, SEPARATOR Separation

Схема запчастей Case IH 915 - (R-02) - SEPARATOR, SEPARATOR Separation
5
12
33
43
24
39
45
6
14
38
35
11
31
16
4
21
19
32
18
29
28
8
32
22
42
9
20
2
48
3
36
26
23
7
25
46
27
40
34
44
41
47
1
30
15
10
9
13
8
17
FIT
1:1
100%

Артикул

Название

Примечание

Количество

1

162483C91

SIDE ASSY, separator left, includes ref. no. 21, serial no. 3179 and below

1шт.

1

175208C91

SIDE ASSY, separator left, includes ref. no. 21, serial no. 3180 and above

1шт.

18673R1

CARRIAGE BOLT,Short Sq Nk, 5/16" - 18 x 1/2", Gr 2

BOLT, 5/16 x 1/2 C-Z sq-nk crg

15шт.

60365H

BOLT,Hex, 3/8" - 16 x 1", Gr 8

3/8 x 1 C-Z hex-hd type 4

5шт.

455000

BOLT,Hex, 1/2" - 13 x 1 1/4", Gr 8

1/2 x 1-1/4 hex-hd type 4

6шт.

469805R1

BOLT,Hex, 5/8" - 11 x 2", Gr 8

5/8 x 2 C-Z hex-hd type 4

1шт.

120376

NUT,5/16"-18, G5

22шт.

938017R1

FLANGE NUT,Flg, USR, 5/16"-18

5/16 C-Z flange lock

13шт.

21333R1

NUT,3/8"-16, G8

3/8 hex.

1шт.

120377

NUT,3/8" - 16, Gr 5

6шт.

21330R1

NUT,1/2"-13, G8

1/2 C-Z hex. type 4

6шт.

124589

BALL STUD,Hex, 5/8" - 11 x 2", Gr 5

5/8 C-Z hex.

7шт.

102639

NUT,5/8"-11, G5

1шт.

135270

SERRATED SCREW,5/16" - 18 x 3/4"

5/16 x 3/4 truss hd

13шт.

NLS

NO LONGER SERVICED

SCREW, 5/8 x 1-3/4 hex-hd cap

2шт.

429-1112

NUT,3/4"-16, G5

3/4 C-Z hex.

2шт.

80681

LOCK WASHER,5/16"

WASHER, LOCK, 5/16"

22шт.

120382

LOCK WASHER,Helical Spring, 3/8"

WASHER, LOCK, 3/8"

6шт.

366862C1

LOCK WASHER,3/8"

3/8"

5шт.

138549

LOCK WASHER,Int Tooth, 1/2"

WASHER, LOCK, Int Tooth, 1/2"

6шт.

366864C1

LOCK WASHER,1/2"

1/2"

6шт.

492-11062

BEARING WASHER,5/8"

WASHER, LOCK, 5/8"

7шт.

2

168730C1

SIDE ASSY, separator right, not LP gas engine, serial no. 3179 and below

1шт.

2

163925C91

SIDE ASSY, separator right, for LP gas engines

1шт.

2

175209C1

SIDE ASSY, separator right, serial no. 3180 and above

1шт.

60365H

BOLT,Hex, 3/8" - 16 x 1", Gr 8

3/8 x 1 C-Z hex-hd

5шт.

80280503

CARRIAGE BOLT,Sht Sq Nk, 3/8" - 16 x 1", Gr 5, Full Thd

BOLT, 3/8 x 1 sq-nk crg

1шт.

455000R1

BOLT, 1/2 x 1-1/4 C-Z hex-hd

6шт.

469805R1

BOLT,Hex, 5/8" - 11 x 2", Gr 8

5/8 x 2 C-Z hex hd type 4

1шт.

120376

NUT,5/16"-18, G5

7шт.

938017R1

FLANGE NUT,Flg, USR, 5/16"-18

5/16 C-Z flange lock

7шт.

120377

NUT,3/8" - 16, Gr 5

9шт.

21333R1

NUT,3/8"-16, G8

3/8 C-Z hex. type 4

5шт.

21330R1

NUT,1/2"-13, G8

1/2 C-Z hex. type 4

6шт.

280374

NUT,Hex, 5/8" - 11, Gr 5

5/8 C-Z hex.

7шт.

135270

SERRATED SCREW,5/16" - 18 x 3/4"

5/16 x 3/4 slt-truss-hd

7шт.

NLS

NO LONGER SERVICED

SCREW, 5/8 x 1-3/4 hex-hd cap

2шт.

80681

LOCK WASHER,5/16"

WASHER, LOCK, 5/16"

7шт.

120382

LOCK WASHER,Helical Spring, 3/8"

WASHER, LOCK, 3/8"

9шт.

138549

LOCK WASHER,Int Tooth, 1/2"

WASHER, LOCK, Int Tooth, 1/2"

6шт.

492-11062

BEARING WASHER,5/8"

WASHER, LOCK, 5/8"

7шт.

366862C1

LOCK WASHER,3/8"

3/8"

5шт.

366864C1

LOCK WASHER,1/2"

1/2"

6шт.

3

160276C1

TOP, separator front

1шт.

18626R1

CARRIAGE BOLT,Short Sq Nk, 1/4" - 20 x 1/2", Gr 2

BOLT, 1/4 x 1/2 znd sq-nk crg

14шт.

120375

NUT,Hex, 1/4" - 20, Gr 5

14шт.

492-11025

LOCK WASHER,1/4"

WASHER, LOCK, 1/4"

14шт.

4

160278C1

TOP, separator rear

1шт.

16897R1

CARRIAGE BOLT,Short Nk, 5/16" - 18 x 3/4", Gr 2, Full Thd

BOLT, 5/16 x 3/4 C-Z sq-nk crg

8шт.

938017R1

FLANGE NUT,Flg, USR, 5/16"-18

5/16 C-Z flange lock

22шт.

135270

SERRATED SCREW,5/16" - 18 x 3/4"

5/16 x 3/4 C-Z slt-truss-hd

14шт.

5

171705C1

SUPPORT ASSY, separator frame cross and plenum box rear

1шт.

17452R1

BOLT,Hex, 1/2"-13 x 1 1/4", G2

1/2 x 1-1/4 C-Z hex-hd mach

2шт.

17140R1

CARRIAGE BOLT,Short Nk, 1/2" - 13 x 1 1/4", Gr 2, Full Thd

BOLT, 1/2 x 1-1/4 C-Z sq-nk crg

2шт.

120378

NUT,Hex, 1/2" - 13, Gr 5

NUT, 1/2"-13, G5

4шт.

120384

WASHER,1/2"

LOCK, 1/2"

4шт.

6

160001C2

CLAMP, feeder pivot left rear, not windrow special

1шт.

18697R1

CARRIAGE BOLT,Sq Nk, 7/16" - 14 x 1 3/4", Gr 2

BOLT, 7/16 x 1-3/4 C-Z sq-nk crg

2шт.

18719R1

CARRIAGE BOLT,Sq Nk, 5/8" - 11 x 1 3/4", Gr 2

BOLT, 7/16 x 1-3/4 C-Z sq-nk crg

1шт.

NLS

NO LONGER SERVICED

NUT, 7/16 C-Z hex.

2шт.

21330R1

NUT,1/2"-13, G8

1/2 C-Z hex.

4шт.

124589

BALL STUD,Hex, 5/8" - 11 x 2", Gr 5

5/8 C-Z hex.

2шт.

20534R1

BOLT,Hex, 1/2" - 13 x 1 3/4", Gr 8

SCREW, 1/2 x 1-3/4 hex-hd

1шт.

236484R1

BOLT,Hex, 1/2" - 13 x 2", Gr 8

2шт.

120383

LOCK WASHER,Helical Spring, 7/16"

WASHER, LOCK, 7/16"

2шт.

21029R1

WASHER

15/32 x 1 x 11 ga C-Z

2шт.

366864C1

LOCK WASHER,1/2"

1/2"

4шт.

21375R1

WASHER

17/32 x 1-1/4 x 7 ga C-Z

2шт.

492-11062

BEARING WASHER,5/8"

WASHER, LOCK, 5/8"

2шт.

589068R1

WASHER

21/32 x 1-1/4 x 11 ga C-Z

4шт.

7

160002C2

CLAMP, feeder pivot right rear, not windrow special

1шт.

18697R1

CARRIAGE BOLT,Sq Nk, 7/16" - 14 x 1 3/4", Gr 2

BOLT, 7/16 x 1-3/4 C-Z sq-nk crg

2шт.

18719R1

CARRIAGE BOLT,Sq Nk, 5/8" - 11 x 1 3/4", Gr 2

BOLT, 7/16 x 1-3/4 C-Z sq-nk crg

1шт.

271501

SOCKET

NUT, 7/16 C-Z hex.

2шт.

21330R1

NUT,1/2"-13, G8

1/2 C-Z hex.

4шт.

280374

NUT,Hex, 5/8" - 11, Gr 5

5/8 C-Z hex.

4шт.

427566

BOLT,Hex, 1/2"-13 x 1 1/2", G8, Full Thd

SCREW, 1/2 x 1-1/2 C-Z hex-hd cap

4шт.

301055R1

SCREW, 5/8 x 3-1/2 C-Z hex-hd cap

1шт.

120383

LOCK WASHER,Helical Spring, 7/16"

WASHER, LOCK, 7/16"

2шт.

21029R1

WASHER

15/32 x 1 x 11 ga C-Z

2шт.

366864C1

LOCK WASHER,1/2"

1/2"

4шт.

21375R1

WASHER

17/32 x 1-1/4 x 7 ga C-Z

2шт.

492-11062

BEARING WASHER,5/8"

WASHER, LOCK, 5/8"

2шт.

589068R1

WASHER

21/32 x 1-1/4 x 11 ga C-Z

4шт.

175339C91

PACKAGE ASSY, feeder pivot clamp, for rice combine w/track, parts accessories, includes ref. nos. 8, 175246C1 and 9, 175335C1

1шт.

8

160000C1

CLAMP, feeder pivot front, not windrow special, serial no. 2707 and below

2шт.

8

175246C1

CLAMP, feeder pivot front, not windrow special, serial no. 2708 and above

2шт.

137218

COTTER PIN,5/32" x 1 1/4"

PIN, SPLIT (COTTER), 5/32" x 1 1/4"

2шт.

21401R1

HEADED PIN,3/4" x 2 3/4"

PIN, 3/4 x 2-3/4 C-Z rod end

2шт.

9

165648C2

BOLT,3/4" - 10 x 4 1/2"

EYE BOLT, feeder pivot front clamp, not windrow special, serial no. 2707 and below

2шт.

137218

COTTER PIN,5/32" x 1 1/4"

PIN, SPLIT (COTTER), 5/32" x 1 1/4"

2шт.

21401R1

HEADED PIN,3/4" x 2 3/4"

PIN, 3/4 x 2-3/4 C-Z rod end

2шт.

25548R1

WASHER

25/32 x 1-1/2 x 1/4 PHC hard

2шт.

9

175247C1

EYE BOLT, feeder pivot front clamp, not windrow special, serial no. 2708 and above

2шт.

9

175335C1

EYE BOLT, feeder pivot front clamp, for rice combine w/track

2шт.

21929R1

NUT,1"-8, G8

1 C-Z hex. type 8

2шт.

217973

COTTER PIN,1/4" x 1 1/4"

Pin, Split (Cotter), 1/4" x 1-1/4"

2шт.

22095R1

PIN

3/4 x 3 C-Z rod end

2шт.

24773R1

WASHER, 1 znd rib lock

2шт.

523162R1

WASHER

1-1/32 x 1-3/4 x 1/4 hard

1шт.

10

160401C2

DOOR, straw rack inspection

1шт.

18764R1

HARDWARE,Hex, 5/16"-18 x 3/4", G2

BOLT, 5/16 x 3/4 C-Z hex-hd mach

5шт.

935736R1

NUT, WING

NUT, 5/16 wing

1шт.

11

160246C2

SUPPORT, separator frame left

1шт.

12

160247C2

SUPPORT, separator frame right

1шт.

13

160273C1

SIDE, separator left upper, for gasoline or LP gas engine

1шт.

13

168971C11

SIDE, separator left upper, for diesel engine

1шт.

16897R1

CARRIAGE BOLT,Short Nk, 5/16" - 18 x 3/4", Gr 2, Full Thd

BOLT, 5/16 x 3/4 C-Z sq-nk crg

5шт.

19573R1

BOLT,Hex, 3/8"-16 x 7/8", G2

3/8 x 1 C-Z hex-hd mach

2шт.

938017R1

FLANGE NUT,Flg, USR, 5/16"-18

5/16 C-Z flange lock

14шт.

120377

NUT,3/8" - 16, Gr 5

2шт.

135270

SERRATED SCREW,5/16" - 18 x 3/4"

5/16 x 3/4 C-Z slt-truss-hd

9шт.

120382

LOCK WASHER,Helical Spring, 3/8"

WASHER, LOCK, 3/8"

2шт.

14

160274C1

SIDE, separator right upper, for gasoline or LP gas engine

1шт.

14

168972C11

SIDE, separator right upper, for diesel engine

1шт.

18626R1

CARRIAGE BOLT,Short Sq Nk, 1/4" - 20 x 1/2", Gr 2

BOLT, 1/4 x 1/2 C-Z sq-nk crg

5шт.

19573R1

BOLT,Hex, 3/8"-16 x 7/8", G2

3/8 x 1 C-Z hex-hd mach

2шт.

120375

NUT,Hex, 1/4" - 20, Gr 5

5шт.

938017R1

FLANGE NUT,Flg, USR, 5/16"-18

5/16 C-Z flange lock

9шт.

120377

NUT,3/8" - 16, Gr 5

2шт.

135270

SERRATED SCREW,5/16" - 18 x 3/4"

5/16 x 3/4 C-Z slt-truss-hd

9шт.

120382

LOCK WASHER,Helical Spring, 3/8"

WASHER, LOCK, 3/8"

2шт.

492-11025

LOCK WASHER,1/4"

WASHER, LOCK, 1/4"

5шт.

15

162478C92

PIPE ASSY, separator front cross tie

2шт.

21330R1

NUT,1/2"-13, G8

1/2 C-Z hex.

4шт.

21434R1

NUT,5/8"-11, G8

5/8 C-Z hex.

4шт.

427566

BOLT,Hex, 1/2"-13 x 1 1/2", G8, Full Thd

SCREW, 1/2 x 1-1/2 C-Z hex-hd-cap type 4

4шт.

469805R1

BOLT,Hex, 5/8" - 11 x 2", Gr 8

SCREW, 5/8 x 2 C-Z hex-hd cap

4шт.

366864C1

LOCK WASHER,1/2"

1/2"

4шт.

366866C1

LOCK WASHER,5/8"

5/8"

4шт.

608701R1

WASHER

21/32 x 1-1/4 x 16 ga C-Z

2шт.

16

161861C1

SUPPORT, tool box front

1шт.

17

161862C2

SUPPORT, tool box rear

1шт.

18

629767R91

BOX ASSY, tool, includes ref. no. 19

1шт.

18626R1

CARRIAGE BOLT,Short Sq Nk, 1/4" - 20 x 1/2", Gr 2

BOLT, 1/4 x 1/2 C-Z sq-nk crg

4шт.

120375

NUT,Hex, 1/4" - 20, Gr 5

4шт.

492-11025

LOCK WASHER,1/4"

WASHER, LOCK, 1/4"

4шт.

19

629769R1

TOP, tool box

1шт.

103384

COTTER PIN,1/8" x 3/4"

Pin, Split (Cotter), 1/8" x 3/4"

2шт.

B2101/2

AXLE PIN

PIN, 1/4 x 1/2 std-hd dld

2шт.

20

160297C91

DEFLECTOR ASSY, cylinder beater

1шт.

16897R1

CARRIAGE BOLT,Short Nk, 5/16" - 18 x 3/4", Gr 2, Full Thd

BOLT, 5/16 x 3/4 C-Z sq-nk crg

4шт.

938017R1

FLANGE NUT,Flg, USR, 5/16"-18

5/16 C-Z flange lock

4шт.

172455

SELF-TAP SCREW,Sl Hex, 5/16" - 18 x 3/4"

SCREW, 5/16 x 3/4 hex-hd

1шт.

21

454172R1

BUSHING

concave leveling arm

1шт.

22

160643C1

DOOR, cylinder front section, not windrow special, serial no. 1249 and below

1шт.

22

170234C1

DOOR, cylinder front section, not windrwo special, serial no. 1250 and above

1шт.

23

172241C1

HANDLE ASSY, cyl door upper latch, not windrow special

2шт.

18768R1

BOLT,Hex, 5/16"-18 x 2 1/4", G2

5/16 x 2-1/4 C-Z hex-hd mach

2шт.

938017R1

FLANGE NUT,Flg, USR, 5/16"-18

5/16 C-Z flange lock

2шт.

120376

NUT,5/16"-18, G5

2шт.

619855R1

WASHER

11/32 x 3/4 x 16 ga C-Z

2шт.

24

42979D

SPRING, cylinder door upper latch, not windrow special

2шт.

25

157515C1

LATCH, cylinder door lower, not windrow special

2шт.

12872R1

BOLT,Short NK, 5/16"-18 x 1", G2, Full Thd

CARRIAGE, Short NK, 5/16"-18 x 1", G2, Full Thd

2шт.

120376

NUT,5/16"-18, G5

2шт.

NLS

NO LONGER SERVICED

5/16 C-Z hex. jam

2шт.

106969R1

WASHER

.344 x 1-1/4 x 16 ga C-Z

2шт.

26

166912C1

STRIP

SEAL, cyl front door, not windrow special

1шт.

27

160645C1

ANGLE, cylinder ddor seal backing

1шт.

120375

NUT,Hex, 1/4" - 20, Gr 5

11шт.

451195

SCREW,Slotted Pan Hd, 1/4"-20 x 1"

1/4 x 1 slt-pan-hd

1шт.

492-11025

LOCK WASHER,1/4"

WASHER, LOCK, 1/4"

11шт.

28

160635C91

SUPPORT ASSY, cylinder door, not windrow special, serial no. 1249 and below

1шт.

28

170240C1

SUPPORT ASSY, cyl door, not windrow special, serial no. 1250 and above

1шт.

938017R1

FLANGE NUT,Flg, USR, 5/16"-18

5/16 C-Z flange lock

8шт.

135270

SERRATED SCREW,5/16" - 18 x 3/4"

5/16 x 3/4 C-Z slt-truss-hd

8шт.

29

160641C1

SUPPORT, cylinder door upper, serial no. 1249 and below

1шт.

29

170236C1

SUPPORT, cylinder door upper, not for windrow special combine, serial no. 1250 and above

1шт.

938017R1

FLANGE NUT,Flg, USR, 5/16"-18

5/16 C-Z flange lock

6шт.

477-73108

SERRATED SCREW,Sl Truss Hd, 5/16" - 18 x 1/2"

5/16 x 1/2 C-Z slt-truss-hd

6шт.

30

157466C91

COVER ASSY, cyl left end, chain feeder drive, serial no. 2670 and below

1шт.

30

172450C1

COVER ASSY, cyl left end, chain drive feeder, serial no. 2671 and above

1шт.

30

165441C91

COVER ASSY, cylinder left end, belt feeder drive, serial no. 2670 and below

1шт.

30

172454C1

COVER ASSY, cyl left end, belt drive feeder, serial no. 2671 and above

1шт.

124589

BALL STUD,Hex, 5/8" - 11 x 2", Gr 5

5/8 hex.

1шт.

425-1410

JAM NUT,Jam, 5/8"-11, G5

5/8 C-Z hex. jam

1шт.

469668R1

WASHER

13/32 x 3/4 x 16 ga C-Z

2шт.

492-11062

BEARING WASHER,5/8"

WASHER, LOCK, 5/8"

8шт.

138557

WASHER,Int Tooth, 5/8"

5/8 C-Z int-tooth lock

1шт.

31

157467C91

COVER ASSY, cyl right end, serial no. 2670 and below

1шт.

31

172451C1

COVER ASSY, cyl right end, serial no. 2671 and above

1шт.

20816R1

BOLT, 3/8 x 1/2 znd sq-nk crg

4шт.

120377

NUT,3/8" - 16, Gr 5

8шт.

NLS

NO LONGER SERVICED

NUT, 7/16 C-Z hex.

1шт.

280374

NUT,Hex, 5/8" - 11, Gr 5

5/8 C-Z hex.

4шт.

120382

LOCK WASHER,Helical Spring, 3/8"

WASHER, LOCK, 3/8"

8шт.

120383

LOCK WASHER,Helical Spring, 7/16"

WASHER, LOCK, 7/16"

1шт.

492-11062

BEARING WASHER,5/8"

WASHER, LOCK, 5/8"

4шт.

21471R1

WASHER

21/32 x 1 x 11 ga C-Z

1шт.

32

633518R1

DOOR

cyl and concave inspection

4шт.

33

170172C1

DEFLECTOR, cyl front, for rice special combine, serial no. 1250 thru 2670

1шт.

938017R1

FLANGE NUT,Flg, USR, 5/16"-18

5/16 C-Z flange lock

2шт.

161945C1

SERRATED SCREW,Sl Truss Hd, 5/16" - 18 x 1"

5/16 x 1 C-Z slt-truss-hd

5шт.

34

166610C1

PLATE, stone retarder control lever, not for use w/stone retarder

1шт.

16897R1

CARRIAGE BOLT,Short Nk, 5/16" - 18 x 3/4", Gr 2, Full Thd

BOLT, 5/16 x 3/4 znd sq-nk crg

3шт.

120376

NUT,5/16"-18, G5

3шт.

80681

LOCK WASHER,5/16"

WASHER, LOCK, 5/16"

3шт.

35

166964C1

ANGLE, shaker shaft support

2шт.

18764R1

HARDWARE,Hex, 5/16"-18 x 3/4", G2

BOLT, 5/16 x 3/4 znd hex-hd mach

4шт.

18474R1

BOLT,Hex, 5/16" - 18 x 1", Gr 2

5/16 x 1 znd hex-hd mach

8шт.

120376

NUT,5/16"-18, G5

12шт.

80681

LOCK WASHER,5/16"

WASHER, LOCK, 5/16"

12шт.

36

167407C1

STRIP, feeder side seal LH, not for windrow special combine

1шт.

37

167408C1

STRIP, feeder side seal RH, not for windrow special combine

1шт.

38

574525R1

DOOR, cyl beater finger grate adj inspection

1шт.

39

167590C1

DEFLECTOR, cyl front, not for rice special combine, serial no. 2670 and below

1шт.

938017R1

FLANGE NUT,Flg, USR, 5/16"-18

5/16 C-Z flange lock

6шт.

161945C1

SERRATED SCREW,Sl Truss Hd, 5/16" - 18 x 1"

5/16 x 1 C-Z slt-truss-hd

9шт.

40

167593C1

DEFLECTOR ASSY, cyl, not for rice special combine, serial no. 2670 and below

1шт.

938017R1

FLANGE NUT,Flg, USR, 5/16"-18

5/16 C-Z flange lock

4шт.

161945C1

SERRATED SCREW,Sl Truss Hd, 5/16" - 18 x 1"

5/16 x 1 C-Z slt-truss-hd

7шт.

41

168474C1

BAFFLE, tailings delivery opening, for rice special combine

1шт.

42

160649C91

DEFLECTOR ASSY, cyl, for rice special combine, serial no. 1249 and below

1шт.

42

170244C1

DEFLECTOR ASSY, cyl, for rice special combine, serial no. 1250 thru 2670

1шт.

16897R1

CARRIAGE BOLT,Short Nk, 5/16" - 18 x 3/4", Gr 2, Full Thd

BOLT, 5/16 x 3/4 znd sq-nk crg

3шт.

938017R1

FLANGE NUT,Flg, USR, 5/16"-18

5/16 C-Z flange lock

3шт.

43

170024C1

SHIM, separator front cross brace

4шт.

44

172242C1

BAR, cyl door handle, not windrow special

2шт.

16897R1

CARRIAGE BOLT,Short Nk, 5/16" - 18 x 3/4", Gr 2, Full Thd

BOLT, 5/16 x 3/4 C-Z sq-nk crg

2шт.

938017R1

FLANGE NUT,Flg, USR, 5/16"-18

5/16 C-Z flange lock

2шт.

45

174818C1

DEFLECTOR, cyl door, not windrow special, serial no. 2671 and above

1шт.

938017R1

FLANGE NUT,Flg, USR, 5/16"-18

5/16 C-Z whiz lock

5шт.

135270

SERRATED SCREW,5/16" - 18 x 3/4"

5/16 x 3/4 C-Z whiz lock

5шт.

46

174820C1

PLATE, cyl door deflector, not windrow special, serial no. 2671 and above

1шт.

938017R1

FLANGE NUT,Flg, USR, 5/16"-18

5/16 C-Z whiz lock

5шт.

161945C1

SERRATED SCREW,Sl Truss Hd, 5/16" - 18 x 1"

5/16 x 1 C-Z whiz lock

5шт.

47

174822C1

SUPPORT, cyl door deflector lower, not windrow special, serial no. 2671 and above

1шт.

938017R1

FLANGE NUT,Flg, USR, 5/16"-18

5/16 C-Z whiz lock

10шт.

477-73108

SERRATED SCREW,Sl Truss Hd, 5/16" - 18 x 1/2"

5/16 x 1/2 C-Z slt-truss-hd

10шт.

175501C91

PACKAGE, cyl front door deflector, not windrow special, parts accessories, serial no. 2670 and below, includes ref. nos. 45, 46, and 47

1шт.

48

177197C1

SUPPORT, cylinder beater deflector

1шт.

174856C1

BOLT,Hex Serr, 5/16" - 18 x 1/2"

5/16 x 1/2 flange lock

1шт.

938017R1

FLANGE NUT,Flg, USR, 5/16"-18

5/16 flange lock

1шт.

Выбрано товаров: 234