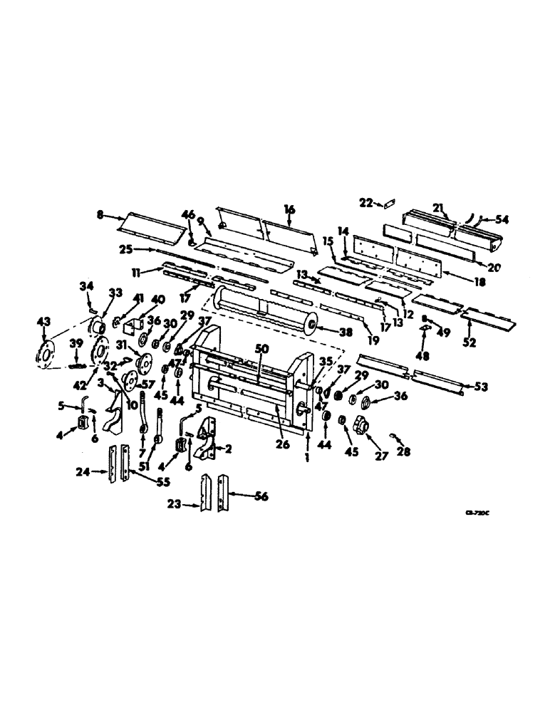
Запчасти Case IH 915 (R-10) - SEPARATOR, WINDROW SPECIAL Separation

Схема запчастей Case IH 915 - (R-10) - SEPARATOR, WINDROW SPECIAL Separation
48
30
37
28
57
21
22
20
17
47
56
24
36
25
1
5
23
16
50
43
45
13
52
39
44
49
3
53
42
6
4
13
27
30
55
2
14
33
12
54
17
46
37
29
5
34
6
32
10
40
26
35
41
9
11
15
38
18
51
19
4
36
7
45
29
44
8
31
47
FIT
1:1
100%

Артикул

Название

Примечание

Количество

1

161974C93

SUPPORT ASSY, feeder pivot

1шт.

18765R1

BOLT,Hex, 5/16" - 18 x 1 1/2", Gr 2

5/16 x 1-1/2 C-Z hex-hd mach

1шт.

17140R1

CARRIAGE BOLT,Short Nk, 1/2" - 13 x 1 1/4", Gr 2, Full Thd

BOLT, 1/2 x 1-1/4 C-Z sq-nk crg

2шт.

17452R1

BOLT,Hex, 1/2"-13 x 1 1/4", G2

1/2 x 1-1/4 hex-hd mach

2шт.

455000

BOLT,Hex, 1/2" - 13 x 1 1/4", Gr 8

1/2 x 1-1/4 hex-hd mach

8шт.

427566

BOLT,Hex, 1/2"-13 x 1 1/2", G8, Full Thd

1/2 x 1-1/2 hex-hd mach

4шт.

18822R1

BOLT,Hex, 5/8"-11 x 1 1/2", G2, Full Thd

5/8 x 1-1/2 hex-hd mach

6шт.

120376

NUT,5/16"-18, G5

1шт.

21330R1

NUT,1/2"-13, G8

1/2 C-Z hex.

8шт.

120378

NUT,Hex, 1/2" - 13, Gr 5

NUT, 1/2"-13, G5

4шт.

280374

NUT,Hex, 5/8" - 11, Gr 5

5/8 C-Z hex.

6шт.

80681

LOCK WASHER,5/16"

WASHER, LOCK, 5/16"

1шт.

21496R1

WASHER

11/32 x 3/4 x 11 ga C-Z

1шт.

120384

WASHER,1/2"

LOCK, 1/2"

4шт.

366864R1

WASHER, 1/2 znd rib lock

8шт.

21375R1

WASHER

17/32 x 1-1/4 x 7 ga C-Z

5шт.

492-11062

BEARING WASHER,5/8"

WASHER, LOCK, 5/8"

6шт.

2

161975C91

BRACKET ASSY, feeder pivot LH

1шт.

427566

BOLT,Hex, 1/2"-13 x 1 1/2", G8, Full Thd

1/2 x 1-1/2 hex-hd mach

4шт.

21330R1

NUT,1/2"-13, G8

1/2 C-Z hex.

4шт.

366864C1

LOCK WASHER,1/2"

1/2"

4шт.

3

161976C91

BRACKET ASSY, feeder pivot RH

1шт.

427566

BOLT,Hex, 1/2"-13 x 1 1/2", G8, Full Thd

1/2 x 1-1/2 hex-hd mach

3шт.

20534R1

BOLT,Hex, 1/2" - 13 x 1 3/4", Gr 8

1/2 x 1-3/4 C-Z hex-hd mach

1шт.

21330R1

NUT,1/2"-13, G8

1/2 C-Z hex.

4шт.

366864C1

LOCK WASHER,1/2"

1/2"

4шт.

21375R1

WASHER

17/32 x 1-1/4 x 7 ga C-Z

4шт.

4

161992C1

BLOCK, feeder pivot retainer

2шт.

5

169175C1

ROD, feeder pivot bracket

2шт.

6

520175R1

CLIP

PIN, 3/16 quick attachable

3шт.

7

159581C1

ROD, feeder pivot adj, serial no. 2063 and below

1шт.

120378

NUT,Hex, 1/2" - 13, Gr 5

NUT, 1/2"-13, G5

2шт.

8

162429C3

DOOR, feed beater housing top LH

1шт.

9

162002C3

DOOR, feed beater housing top RH

1шт.

18764R1

HARDWARE,Hex, 5/16"-18 x 3/4", G2

BOLT, 5/16 x 3/4 znd hex-hd mach

3шт.

120393

BEARING WASHER,5/16", SAE

WASHER, .34 x .69 x .06

3шт.

10

240

KEY,Gib, 3/8" Sq x 2 1/2"

3/8 x 2-1/2 sq tapered

1шт.

11

162003C2

HINGE, feed beater housing top door

1шт.

938017R1

FLANGE NUT,Flg, USR, 5/16"-18

5/16 C-Z flange lock

6шт.

161945C1

SERRATED SCREW,Sl Truss Hd, 5/16" - 18 x 1"

5/16 x 1 C-Z slt-truss-hd

6шт.

12

159574C1

DOOR, stone retarder, serial no. 1249 and below

1шт.

12

170277C1

DOOR, stone retarder, serial no., Serial Range: 1250-1263

1шт.

13

166667C1

THUMB SCREW,1/4" - 20 x 0.62"

stone retarder door thumb, serial no. 1249 and below

5шт.

14

159576C2

HINGE, stone retarder door, serial no. 2063 and below

1шт.

938017R1

FLANGE NUT,Flg, USR, 5/16"-18

5/16 C-Z flange lock

9шт.

135270

SERRATED SCREW,5/16" - 18 x 3/4"

5/16 x 3/4 C-Z whiz lock

9шт.

15

159578C2

ROD, stone retarder door hinge, 48-7/8 inches long, serial no. 2063 and below

1шт.

15

582693R1

ROD, stone retarder door hinge, 45-7/8 inches long, serial no. 2064 and above

1шт.

16

161982C91

DEFLECTOR ASSY, feed beater

1шт.

19041R1

BOLT,7/16"-14 x 1 1/4", G2, Full Thd

7/16 x 1-1/4 C-Z no. 3 plow

2шт.

271501

SOCKET

NUT, 7/16 C-Z hex.

2шт.

120383

LOCK WASHER,Helical Spring, 7/16"

WASHER, LOCK, 7/16"

2шт.

17

582686R1

CHANNEL, feeder lower and upper seal

2шт.

18655R1

BOLT,Hex, 1/4"-20 x 1", G2

1/4 x 1 C-Z hex-hd mach

9шт.

18627R1

CARRIAGE BOLT,Short Sq Nk, 1/4" - 20 x 1", Gr 2

BOLT, 1/4 x 1 C-Z sq-nk crg

9шт.

120375

NUT,Hex, 1/4" - 20, Gr 5

18шт.

492-11025

LOCK WASHER,1/4"

WASHER, LOCK, 1/4"

18шт.

21870R1

WASHER

17/64 x 3/4 x 16 ga C-Z

9шт.

18

159583C1

SUPPORT, grain pan seal to feeder ext, serial no. 2063 and below

1шт.

18

172435C1

SUPPORT, grain pan seal to feeder ext, serial no. 2064 and above

1шт.

19280R1

SCREW,Sq Nk, 1/4" - 20 x 3/4"

BOLT, 1/4 x 3/4 C-Z sq-nk crg

9шт.

120375

NUT,Hex, 1/4" - 20, Gr 5

9шт.

492-11025

LOCK WASHER,1/4"

WASHER, LOCK, 1/4"

9шт.

19

158083C1

SEAL

feeder housing upper, 2 used serial no. 2063 & below, 1 used serial no. 2064 & above

1шт.

20

159585C2

SUPPORT, grain pan seal to concave, serial no. 2063 and below

1шт.

20

172437C1

SUPPORT, grain pan seal to concave, serial no. 2064 and above

1шт.

18673R1

CARRIAGE BOLT,Short Sq Nk, 5/16" - 18 x 1/2", Gr 2

BOLT, 5/16 x 1/2 C-Z sq-nk crg

11шт.

120376

NUT,5/16"-18, G5

11шт.

80681

LOCK WASHER,5/16"

WASHER, LOCK, 5/16"

11шт.

21

634254R92

EXTENSION ASSY, concave, includes ref. no. 54

1шт.

633661R1

CARRIAGE BOLT,#3, 5/8" - 11 x 3"

BOLT, 5/8 x 3 znp no. 3 plow

2шт.

21434R1

NUT,5/8"-11, G8

5/8 C-Z hex. type 4

2шт.

181696

1/2-20 x 1 C-Z hex-hd cap

7шт.

120384

WASHER,1/2"

LOCK, 1/2"

7шт.

366866C1

LOCK WASHER,5/8"

5/8"

2шт.

589068R1

WASHER

21/32 x 1-1/4 x 11 ga C-Z

1шт.

22

166419C1

BAR, operators platform brace

1шт.

23

166862C1

SHIELD, feeder pivot left dust, serial no. 2063 and below

1шт.

24

166863C1

SHIELD, feeder pivot right dust, serial no. 2063 and below

1шт.

25

28550K

ROD, feed beater housing top door hinge

1шт.

26

161999C2

SHAFT, feed beater jack

1шт.

27

169202C1

HUB, feed beater jackshaft driven sprocket drive

1шт.

18495R1

BOLT,Hex, 3/8" - 16 x 1 1/4", Gr 2

3/8 x 1-1/4 C-Z hex-hd mach

4шт.

120377

NUT,3/8" - 16, Gr 5

4шт.

124829

JAM NUT,Hex, 3/8" - 16, Gr 5

2шт.

128228

SET SCREW,Sq Hd, 3/8"-16 x 3/4"

SCREW, 3/8 x 3/4 C-Z sq-hd set cup-pt

2шт.

120382

LOCK WASHER,Helical Spring, 3/8"

WASHER, LOCK, 3/8"

4шт.

28

22246R1

WOODRUFF KEY,#129, 3/8" x 2 1/8", HT

KEY, 3/8 x 2-1/8 Woodruff, hard

1шт.

29

455965R91

BALL BEARING,1.0005" ID x 52 mm OD x 15 mm

ASSY, feed beater shaft ball

2шт.

30

455102R11

COLLAR

w/SET SCREW LKG

2шт.

83-1254

SET SCREW,Hex Soc, 1/4"-20 x 1/4"

SCREW, 1/4 x 1/4 hex-soc-hd cup-pt set

2шт.

31

159478C1

HUB, feed beater drive

1шт.

648002

KNIFE

1/8" x 3/4"

2шт.

663921R1

PIN

5/16 x 2-1/2 C-Z std-hd

2шт.

32

22246R1

WOODRUFF KEY,#129, 3/8" x 2 1/8", HT

KEY, 3/8 x 2-1/8 Woodruff, hard

1шт.

33

167262C92

SPROCKET ASSY, feed beater driven, 20T

1шт.

34

Q3932

KEY,Gib, 5/16" Sq x 2"

5/16 x 2 gib

1шт.

35

162004C2

SHAFT, feed beater

1шт.

591715R1

WASHER

1-1/32 x 1-1/2 x 16 ga

2шт.

36

563401R1

FLANGED BEARING

FLANGE, feed beater bearing

2шт.

37

571424R1

FLANGE

feed beater bearing

2шт.

12872R1

BOLT,Short NK, 5/16"-18 x 1", G2, Full Thd

CARRIAGE, Short NK, 5/16"-18 x 1", G2, Full Thd

6шт.

120376

NUT,5/16"-18, G5

6шт.

80681

LOCK WASHER,5/16"

WASHER, LOCK, 5/16"

6шт.

38

162101C92

BEATER ASSY, feeder

1шт.

39

CHAIN ASSY, feed beater drive, use 67 links from 10-ft roll marked 1793D, one connecting link 1786D and one offset link 1318D

1шт.

40

161991C2

BRACKET, feed beater drive chain

1шт.

18508R1

CARRIAGE BOLT,Short Nk, 3/8" - 16 x 3/4", Gr 2, Full Thd

BOLT, 3/8 x 3/4 C-Z sq-nk crg

2шт.

17351R1

CARRIAGE BOLT,Short Sq Nk, 3/8" - 16 x 1", Gr 2

BOLT, 3/8 x 1 C-Z sq-nk crg

2шт.

120377

NUT,3/8" - 16, Gr 5

4шт.

120382

LOCK WASHER,Helical Spring, 3/8"

WASHER, LOCK, 3/8"

4шт.

41

154113C91

DRIVE SPROCKET

SPROCKET ASSY, feed beater drive chain tightener, 13T

1шт.

18449R1

BOLT,Short NK, 5/8"-11 x 3", G2

5/8 x 3 C-Z sq-nk crg

1шт.

124589

BALL STUD,Hex, 5/8" - 11 x 2", Gr 5

5/8 C-Z hex.

1шт.

492-11062

BEARING WASHER,5/8"

WASHER, LOCK, 5/8"

1шт.

Q1594

WASHER,41/64" x 1 1/2" x .105", Sq Hole

21/32 sq x 1-1/4 x 12 ga

1шт.

464623R1

WASHER

21/32 x 1-1/2 x 11 ga C-Z

1шт.

21782R1

WASHER

21/32 x 1-1/2 x 16 ga C-Z

3шт.

42

162228C1

SPROCKET, feed beater drive 32T

1шт.

18779R1

BOLT,Hex, 3/8"-16 x 1 1/2", Gr 2

3/8 x 1-1/2 C-Z hex-hd

4шт.

120377

NUT,3/8" - 16, Gr 5

4шт.

120382

LOCK WASHER,Helical Spring, 3/8"

WASHER, LOCK, 3/8"

4шт.

43

162228C1

SPROCKET, feeder drive 32T

1шт.

44

936998R91

BEARING

ASSY, feed beater jackshaft ball

2шт.

45

455112R11

COLLAR

w/SET SCREW, lkg

2шт.

102592

SET SCREW,Hex Skt, 3/8" - 16 x 3/8"

SCREW, 3/8 x 3/8 hex-soc-hd cup-pt

2шт.

46

631818R1

CLIP, feed beater housing top door

1шт.

16897R1

CARRIAGE BOLT,Short Nk, 5/16" - 18 x 3/4", Gr 2, Full Thd

BOLT, 5/16 x 3/4 C-Z sq-nk crg

1шт.

120376

NUT,5/16"-18, G5

1шт.

80681

LOCK WASHER,5/16"

WASHER, LOCK, 5/16"

1шт.

47

M74461

SPACER,26.6mm ID x 33.4mm OD x 19mm L

Feed beater shaft 1" Pipe x 3/4"

2шт.

48

634187R1

CLIP, door

5шт.

18676R1

CARRIAGE BOLT,Sq Nk, 5/16" - 18 x 2 1/4", Gr 2

BOLT, 5/16 x 2-1/4 znd sq-nk crg

5шт.

120376

NUT,5/16"-18, G5

5шт.

80681

LOCK WASHER,5/16"

WASHER, LOCK, 5/16"

5шт.

49

7422T

SPRING

door clip

5шт.

50

170304C1

ANGLE ASSY, feeder seal, serial no. 2063 and below

1шт.

51

466324R1

EYE

BOLT, feeder pivot adj. eye, serial no. 2064 and above

1шт.

120378

NUT,Hex, 1/2" - 13, Gr 5

NUT, 1/2"-13, G5

2шт.

52

172728C1

DOOR ASSY, stone retarder, serial no. 2064 and above

1шт.

53

172431C1

SEAL, feeder housing lower, serial no. 2064 and above

1шт.

54

634174R1

ROD, concave extension

57шт.

55

172438C1

SEAL, feeder pivot left dust, serial no. 2064 and above

1шт.

56

172439C1

SEAL, feeder pivot right dust, serial no. 2064 and above

1шт.

57

172565C1

HUB, feeder drive sprocket

1шт.

18494R1

BOLT,Hex, 3/8" - 16 x 1", Gr 2

3/8 x 1-1/2 znd hex-hd mach

4шт.

120377

NUT,3/8" - 16, Gr 5

4шт.

120382

LOCK WASHER,Helical Spring, 3/8"

WASHER, LOCK, 3/8"

4шт.

Выбрано товаров: 148