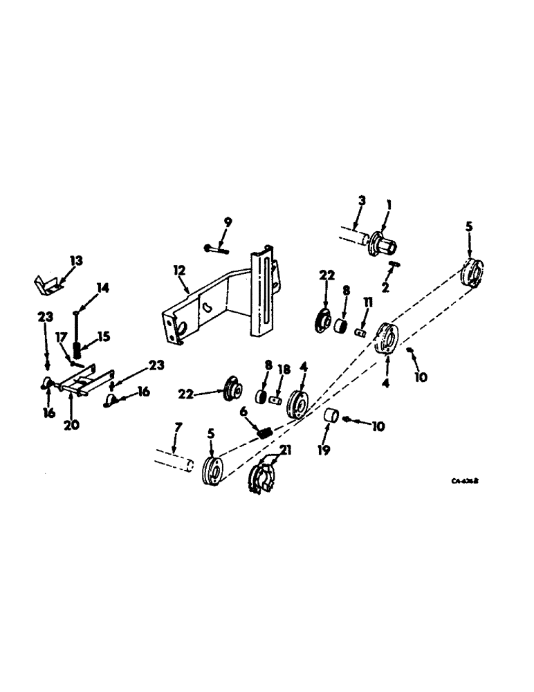
Запчасти Case IH 915 (R-26) - SEPARATOR, VARIABLE CYLINDER CHAIN AND SPROCKET DRIVE Separation

Схема запчастей Case IH 915 - (R-26) - SEPARATOR, VARIABLE CYLINDER CHAIN AND SPROCKET DRIVE Separation
21
13
22
7
8
8
14
10
20
11
19
23
18
4
16
12
22
15
6
3
17
4
16
9
5
1
10
5
2
23
FIT
1:1
100%

Артикул

Название

Примечание

Количество

175496C91

PACKAGE, conversion, parts accessories, serial no. 1248 and below, convert chain type variable cyl drive to belt pulley type

1шт.

175497C91

PACKAGE, conversion, parts accessories, serial no. 1249 thru 2349, convert chain type variable cyl drive to belt pulley type

1шт.

1

160241C1

HUB

cylinder drive sprocket

1шт.

9418646

NUT,7/16"-14, G8

7/16 C-Z hex.

6шт.

23105R1

SCREW, 7/16 x 2-3/4 C-Z hex-hd cap type 4 Hex, 7/16"-14 x 2 3/4", G8

6шт.

366863C1

LOCK WASHER

WASHER, 7/16 znd rib lock

6шт.

2

158416C1

KEY

3/8 x 4.2 sq parallel hardened

1шт.

3

SHAFT, cylinder beater, refer to cylinder beater grate and concave unit for listing

1шт.

4

158417C1

GEAR

SPROCKET, cyl drive chain tightener

2шт.

5

160121C1

SPROCKET ASSY.

SPROCKET, cylinder drive or driven 35T

1шт.

5

158419C1

SPROCKET ASSY.

SPROCKET, cylinder drive or driven 43T

1шт.

5

158420C1

SPROCKET, cylinder drive or driven 54T

1шт.

5

160122C1

SPROCKET, cylinder drive or driven 75T

1шт.

5

158418C1

DRIVE SPROCKET

SPROCKET, cylinder drive or driven 30T

1шт.

6

CHAIN ASSY, cylinder drive, use 135 links from 10 ft roll marked 1355D, two connecting links 569206R91 and one two pitch offset link 570988R91, not bean or rice special machines

1шт.

6

CHAIN ASSY, cylinder drive extension, use 4 roller links 1316D, 7 connecting links 569206R91 and 3 two pitch combination offset link 570988R91

1шт.

6

CHAIN ASSY, cylinder drive extension, use 5 links from 10-ft roll marked 1355D, 2 roller links 1316D, 3 connecting links 569206R91 and one two pitch combination offset link 570988R91

1шт.

6

CHAIN ASSY, cylinder drive, use 133 links from 10-ft roll marked 1355D, 2 connecting links 569206R91 and 2 roller links 1316D, for bean special machines

1шт.

6

CHAIN ASSY, cylinder drive, use 135 links from 10-ft roll marked 1355D, 4 connecting links 569206R91, 2 two pitch offset links 570988R91 and 2 roller links 1316D, for rice special machines

1шт.

7

SHAFT, variable pulley jack, refer to variable cylinder drive belt and pulley drive

1шт.

8

577006R91

NEEDLE BEARING,Needle, 22.2mm ID x 33.36mm OD x 38.1mm W

cylinder drive chain tightener hub needle

2шт.

9

575280R1

BOLT (SPREADER)

BOLT, cylinder drive chain tightener hub

1шт.

124589

BALL STUD,Hex, 5/8" - 11 x 2", Gr 5

5/8 C-Z hex.

1шт.

492-11062

BEARING WASHER,5/8"

WASHER, LOCK, 5/8"

1шт.

464623R1

WASHER

21/32 x 1-1/2 x 11 ga C-Z

1шт.

579331R1

WASHER

21/32 x 2 x 3/16 hardened

1шт.

10

109461

LUBE NIPPLE,1/8"-27 x .66 lg

NIPPLE, LUBE, , PTF 1/8"-27 x .66 lg

2шт.

11

578607R1

SLEEVE CYLINDER

SLEEVE, cylinder chain tightener hub

1шт.

12

168314C1

BRACKET, variable cylinder drive chain tightener, not for edible bean machines

1шт.

12

174170C1

BRACKET, variable cylinder drive chain tightener, for edible bean machines

1шт.

18494R1

BOLT,Hex, 3/8" - 16 x 1", Gr 2

3/8 x 1 C-Z hex-hd mach

2шт.

482256R1

BEARING LOCK NUT,Flg, USR, 3/8"-16

3/8 C-Z flange lock

4шт.

120382

LOCK WASHER,Helical Spring, 3/8"

WASHER, LOCK, 3/8"

2шт.

13

168159C1

ANGLE, variable cylinder drive chain dampener draw bolt

1шт.

482256R1

BEARING LOCK NUT,Flg, USR, 3/8"-16

3/8 C-Z flange lock

2шт.

180122

BOLT,Hex, 3/8" - 16 x 1", Gr 5

3/8 x 1 C-Z hex-hd cap

2шт.

14

611988R2

BOLT, variable cylinder drive chain dampener

1шт.

231-1448

NUT,1/2"-13, GB

1/2 C-Z lock

1шт.

21883R1

WASHER

17/32 x 1-3/4 x 11 ga C-Z

1шт.

15

PO3A

SPRING

variable cylinder drive chain dampener draw bolt

1шт.

16

165909C91

BUSHING

BEARING, variable cylinder drive chain idler shaft

2шт.

12872R1

BOLT,Short NK, 5/16"-18 x 1", G2, Full Thd

CARRIAGE, Short NK, 5/16"-18 x 1", G2, Full Thd

4шт.

120376

NUT,5/16"-18, G5

4шт.

80681

LOCK WASHER,5/16"

WASHER, LOCK, 5/16"

4шт.

17

23601K

BOLT,5/8" - 11 x 4"

variable cylinder drive chain tightener sprocket

1шт.

280374

NUT,Hex, 5/8" - 11, Gr 5

5/8 C-Z hex.

1шт.

492-11062

BEARING WASHER,5/8"

WASHER, LOCK, 5/8"

1шт.

608081R1

WASHER

21/32 x 1-3/4 x 11 ga C-Z

1шт.

21908R1

WASHER, 21/32 x 1-3/4 x 12 ga sq-hole

1шт.

21212R1

WASHER

29/32 x 2 x 11 ga C-Z

2шт.

18

22847KA

BUSHING

variable cylinder drive chain tightener sprocket bolt

1шт.

19

652229R1

SPACER, variable cylinder drive chain tightener sprocket, serial no. 1901 and below

1шт.

20

168156C1

IDLER ASSY, variable cylinder drive chain

1шт.

21

174168C1

SPROCKET, cylinder drive 43T, split, for edible bean machines

1шт.

21

174167C1

SPROCKET, cylinder drive 22T, split, for edible bean machines

1шт.

22

158413C11

HUB

ASSY, cylinder drive chain tightener sprocket, includes ref. no. 8

2шт.

21901R1

BOLT,Hex, 7/16" - 14 x 2", Gr 8

7/16 x 2 znp hex-hd type 8

6шт.

366863C1

LOCK WASHER

WASHER, 7/16 C-Z rib lock

6шт.

23

109461

LUBE NIPPLE,1/8"-27 x .66 lg

NIPPLE, LUBE, , PTF 1/8"-27 x .66 lg

2шт.

Выбрано товаров: 59