Запчасти Case IH 915 (R-33) - SEPARATOR, GROUND EAR CORN FEED, SERIAL NO. 3179 AND BELOW Separation

Схема запчастей Case IH 915 - (R-33) - SEPARATOR, GROUND EAR CORN FEED, SERIAL NO. 3179 AND BELOW Separation
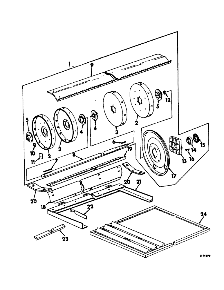
1
13
11
16
6
19
5
2
15
20
20
3
5
3
7
22
10
17
9
4
21
4
12
8
24
2
14
18
23
FIT
1:1
100%

Артикул

Название

Примечание

Количество

1

158974C91

CYLINDER ASSY, corn grinder, includes ref. nos. 2 thru 17

1шт.

2

161833C91

RETAINER ASSY, corn grinder cyl outer

2шт.

120377

NUT,3/8" - 16, Gr 5

16шт.

120382

LOCK WASHER,Helical Spring, 3/8"

WASHER, LOCK, 3/8"

16шт.

3

161776C91

RETAINER ASSY, corn grinder cyl inner

4шт.

4

161722C91

HUB ASSY, cylinder center retainer

2шт.

104113

RIVET,But Hd, 3/8" x 1"

3/8 x 1 small-b-hd solid

16шт.

5

161721C1

HUB, cylinder outer

2шт.

18709R1

BOLT,Short NK, 1/2"-13 x 2 3/4", G2

1/2 x 2-3/4 C-Z sq-nk crg

2шт.

120378

NUT,Hex, 1/2" - 13, Gr 5

NUT, 1/2"-13, G5

2шт.

NLS

NO LONGER SERVICED

3/8 x 1 small-b-hd solid

16шт.

120384

WASHER,1/2"

LOCK, 1/2"

2шт.

6

612971R1

KEY, 1/2 x 2-1/2 sq parallel 1/2" Sq x 2 1/2", Par

1шт.

7

Q97

KEY, 1/2 x 5 sq-parallel 1/2" Sq x 5", Par

1шт.

8

160284C11

SHAFT ASSY, cylinder

1шт.

21584R1

WASHER, 1-31/32 x 2-3/4 x 16 ga

3шт.

619936R1

WASHER

2-1/32 x 3 x 1/4

1шт.

9

155122C11

BAR ASSY, cylinder sawtooth

12шт.

77746H

SCREW,Hex, 1/2" - 20 x 1 3/4", Gr 8

BOLT, 1/2-20 x 1-3/4 hex-hd mach

72шт.

138549

LOCK WASHER,Int Tooth, 1/2"

WASHER, LOCK, Int Tooth, 1/2"

72шт.

10

23760KA

STRIP, cylinder balance

20шт.

11

629903R1

STRIP, cylinder balance

20шт.

12

629480R1

BUSHING, cylinder shaft

1шт.

13

160071C11

HOUSING ASSY, cylinder shaft right brg, includes ref. nos. 14 and 15

1шт.

14

939626R91

BEARING

ASSY, cylinder shaft right

1шт.

15

939627R91

SEAL

SEAL, cylinder shaft right brg oil

1шт.

16

16964R91

FITTING

1/4-90deg elbow lub

1шт.

17

157467C91

COVER ASSY, cylinder right end

1шт.

20816R1

BOLT, 3/8 x 1/2 sq-nk crg

4шт.

120377

NUT,3/8" - 16, Gr 5

8шт.

NLS

NO LONGER SERVICED

NUT, 7/16 C-Z hex.

1шт.

120378

NUT,Hex, 1/2" - 13, Gr 5

NUT, 1/2"-13, G5

4шт.

120382

LOCK WASHER,Helical Spring, 3/8"

WASHER, LOCK, 3/8"

8шт.

120383

LOCK WASHER,Helical Spring, 7/16"

WASHER, LOCK, 7/16"

1шт.

120384

WASHER,1/2"

LOCK, 1/2"

4шт.

18

161718C91

SUPPORT ASSY, concave sawtooth bar

1шт.

181698

BOLT,Hex, 1/2" - 20 x 1 1/4", Gr 5

SCREW, 1/2-20 x 1-1/4 C-Z hex-hd

6шт.

120384

WASHER,1/2"

LOCK, 1/2"

6шт.

19

936368R1

BAR, concave sawtooth angle

2шт.

161737C1

BOLT, 7/16 x 3-3/4 C-Z 3-plow type 4

20шт.

18526R1

LOCK NUT,7/16"-14, GB

NUT, 7/16 essna lock

20шт.

120383

LOCK WASHER,Helical Spring, 7/16"

WASHER, LOCK, 7/16"

20шт.

20

936372R1

BRACE, concave sawtooth angle

10шт.

21

161729C91

EXTENSION ASSY, chaffer

1шт.

22

161731C1

FINGER, chaffer extension

56шт.

23

161733C1

CHANNEL, chaffer extension finger

1шт.

18654R1

BOLT,Hex, 1/4" - 20 x 3/4", Gr 2

1/4 x 3/4 C-Z hex-hd mach

9шт.

120375

NUT,Hex, 1/4" - 20, Gr 5

9шт.

492-11025

LOCK WASHER,1/4"

WASHER, LOCK, 1/4"

9шт.

24

158976C91

SIEVE ASSY, chaffer 3/4 dia holes, parts accessories

1шт.

Выбрано товаров: 50